
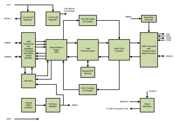
Der Ft234xd-r Ziel ist es, USB zu einer seriellen UART-Schnittstelle zu vereinfachen, die sich durch seine beeindruckende Kompaktheit in einem 3-mm-x 3 mm-12-poligen DFN-Paket auszeichnet, das für dichte Layouts von PCB vorteilhaft ist.In Übereinstimmung mit der USB 2.0-Spezifikation hat dieses Gerät den USB-IF-Test (TID) 40001465 (Rev D) verdient, der seine Einhaltung strengen Industriestandards demonstriert.Der FT234XD-R ist ein führender Anbieter seiner Kategorie und bietet eine hohe Leistung mit geringem Stromverbrauch.Unterstützung für die neuesten Kommunikationsprotokolle.Zuverlässige Datenübertragung in verschiedenen Hardwareumgebungen.
In der Praxis erweist sich der FT234XD-R für Szenarien, die eine effiziente USB für UART-Konvertierung fordern, von unschätzbarem Wert.Das kompakte Design ermöglicht eine nahtlose Einbeziehung in zahlreiche Geräte, wodurch die Funktionalität ohne Kompromisse verbessert wird.Tatsächliche Anwendungen umfassen industrielle Steuerungssysteme, Unterhaltungselektronik und Entwicklungstools.Seine Integrationsvorteile, die unerschütterliche Zuverlässigkeit und Raumeffizienz erfordern.Wenn Sie das FT234XD-R in ihre Designs integrieren, müssen Sie das Layout, das thermische Management und die Signalintegrität in Betracht ziehen.

|
Pin -Nr. |
Name |
Typ |
Beschreibung |
|
4 |
VCC |
LEISTUNG
Eingang |
5 v
(oder 3,3 V) Versorgung an IC |
|
9 |
Vccio |
LEISTUNG
Eingang |
1,8 V
- 3,3 -V -Versorgung für die IO -Zellen |
|
3 |
3.3 Vout |
LEISTUNG
Ausgabe |
3.3 V
Ausgabe bei 50 mA.Kann verwendet werden, um VCCIO zu betreiben.Wenn VCC 3,3 V ist;Pin 3 ist ein
Pin Eingabe und sollte an Pin 4 angeschlossen werden. |
|
5,,
13 |
GND |
LEISTUNG
Eingang |
0V
Bodeneingabe. |
|
1 |
USBDM |
Eingabe/Ausgabe |
USB
Datensignal Minus. |
|
12 |
USBDP |
Eingabe/Ausgabe |
USB
Datensignal Plus. |
|
2 |
ZURÜCKSETZEN# |
EINGANG |
Zurücksetzen
Eingabe (aktiv niedrig). |
|
7 |
Txd |
Ausgabe |
Übertragen
Asynchrone Datenausgabe. |
|
10 |
Rxd |
Eingang |
Empfang
Asynchrone Dateneingabe. |
|
8 |
RTS# |
Ausgabe |
Anfrage
So senden Sie Steuerausgang / Handshake -Signal. |
|
11 |
CTS# |
Eingang |
Klar
So senden Sie das Eingangs- / Handschlag -Signal. |
|
6 |
Cbuso |
E/O |
Konfigurierbar
CBUS I/O PIN.Die Funktion dieses Pin ist im Gerätemaschine mtp -Speicher konfiguriert. |




Der FT234XD-R findet einen großen Einsatz bei der Umwandlung von USB in RS232-, RS422- oder RS485-Formate, wodurch die Lücke zwischen Legacy-Systemen und modernen USB-Schnittstellen überbrückt.Es ermöglicht älteren Systemen mühelos mit zeitgenössischen USB -Technologien.
Durch die Integration von USB-Konnektivität in ältere Peripheriegeräte rägt der FT234XD-R diesen Geräten neues Leben.Es steigert nicht nur ihre Funktionalität, sondern erhöht auch die Benutzerfreundlichkeit, was die Notwendigkeit umfangreicher Überholungen erfüllt.
Bei der Gestaltung modularer Systeme bringt der FT234XD-R Flexibilität und Skalierbarkeit in die Gleichung.Diese Funktion ist in Entwicklungsszenarien erforderlich, in denen Swift -Prototyping und strenge Tests den Weg für Innovationen ebnen.
Der FT234XD-R spielt eine aktive Rolle in Telekommunikationsgeräten, von zellulären bis schnurlosen Telefonen.Die Fähigkeit, effiziente USB -Datenübertragungen zu verwalten, unterstützt sowohl die Entwicklung als auch die Anwendungen und fördert die Fortschritte in der Kommunikationstechnologie.
Die Einbeziehung des FT234XD-R in Mikrocontroller-Einheiten (MCUs), programmierbare Logikgeräte (PLDs) oder feldprogrammierbare Gate-Arrays (FPGAs) vereinfacht den Datenaustauschprozess.Diese Integration verringert die Konstruktionskomplexität und verbessert die Gesamtsystemeffizienz.
Für Anwendungen, die eine präzise Audio-Datenübertragung benötigen, z. B. digitale Audio-Schnittstellen, bietet der FT234XD-R zuverlässige USB-basierte Lösungen.Es unterstützt auch Videodaten mit niedriger Bandbreite, die für einfache Video-Streaming-Anforderungen geeignet sind.
Der FT234XD-R unterstützt USB-Smart-Card-Leser, die für sichere Datentransaktionen und robuste Zugriffskontrollsysteme unerlässlich sind.Dies fügt verschiedenen Anwendungen eine wesentliche Sicherheitsschicht hinzu.
Der FT234XD-R dient als Schnittstelle für USB-Instrumentierung und hilft bei Datenerfassungs- und Analyseaufgaben.Diese Funktionalität ist in der technischen und wissenschaftlichen Forschung von unschätzbarem Wert und bietet eine präzise und zuverlässige Datenbearbeitung.
Sie können die komplexen Funktionen von FT234XD-R nutzen, um die Grenzen von Effizienz und Innovation in ihren Designs und Anwendungen zu überschreiten.Es fungiert als Katalysator und verwandelt Ideen in funktionale, optimierte Lösungen.

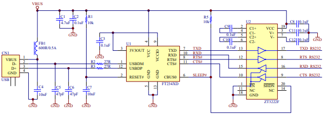
Ein illustratives Beispiel, wie in der begleitenden Abbildung gezeigt, zeigt die Verwendung des FT234XD als USB -zu RS232 -Wandler.In diesem Setup wird ein 3v3 TTL zu RS232 -Pegel -Konverter -IC verwendet, um die 3V3 -Logikpegel von FT234XD auf den RS232 -Standard zu übergeben.Verschiedene Geräte wie Zywyns Line -Treiber können dieses Level -Verschiebung effektiv verarbeiten, indem der SHDN# PIN verwendet wird, um den Stromverbrauch während des USB -Suspend -Modus zu minimieren.Bemerkenswerterweise unterstützt der Zywyn ZT3222F, der mit dieser Konfiguration kompatibel ist, die RS232 -Kommunikation mit Datenraten von bis zu 1000.000 Baud.
Durch die Implementierung des FT234XD-R ermöglicht die nahtlose Konvertierung zwischen USB- und RS232-Schnittstellen und bietet mehrere Vorteile für elektronische Konstruktionen.Durch die Integration eines 3V3 -TTL in RS232 -Konverter -IC, wie das von Zywyn bereitgestellt, können Entwürfe die Kompatibilität mit einem breiten Array von RS232 -Geräten aufrechterhalten.Darüber hinaus erfordern moderne Schaltungskonstruktionen häufig energieeffiziente Komponenten.Die SHDN# PIN -Funktion in Zywyn Line -Treibern ist erforderlich, um diese Anforderungen zu erfüllen.Dies trägt erheblich zur Reduzierung des Gesamtverbrauchs bei, hauptsächlich, wenn das Gerät in den USB -Suspend -Modus eintritt, wodurch die Akkulaufzeit in tragbaren Anwendungen verlängert wird.

Hier ist eine gut strukturierte Tabelle für das FTDI (Future Technology Devices International Ltd) FT234XD-R mit seinen technischen Spezifikationen, Attributen und Parametern sowie ähnlichen Teilen.
|
Typ |
Parameter |
|
Fabrik
Vorlaufzeit |
11
Wochen |
|
Montieren |
Oberfläche
Montieren |
|
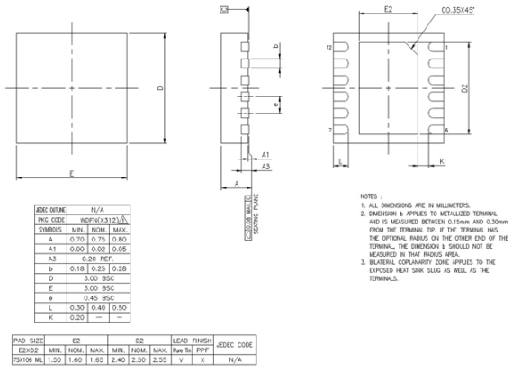
Paket
/ Fall |
12-vfdfn
Exponiertes Pad |
|
Nummer
von Stiften |
12 |
|
Betrieb
Temperatur |
-40 ° C.
bis 85 ° C. |
|
Verpackung |
Band
& Rolle (tr) |
|
Veröffentlicht |
2006 |
|
Teil
Status |
Aktiv |
|
Feuchtigkeit
Sensitivitätsniveau (MSL) |
3
(168 Stunden) |
|
Nummer
von Kündigungen |
12 |
|
Stromspannung
- Liefern |
2,97 V
bis 5,5 V |
|
Terminal
Position |
Dual |
|
Terminal
Bilden |
NEIN
Führen |
|
Gipfel
Reflowtemperatur (° C) |
260 ° C. |
|
Liefern
Stromspannung |
5v |
|
Terminal
Tonhöhe |
0,45 mm |
|
Zeit
@ Peak Reflow Temprow-Max (s) |
40 |
|
Funktion |
Brücke,
USB nach UART |
|
Qualifikation
Status |
Nicht
Qualifiziert |
|
Betrieb
Versorgungsspannung |
5v |
|
Schnittstelle |
Uart |
|
Betrieb
Versorgungsstrom |
8ma |
|
Nummer
von Ports |
1 |
|
Nominal
Versorgungsstrom |
8ma |
|
µPS/µCS/Peripheral
ICS -Typ |
BUS
Controller, universeller Serienbus |
|
Daten
Rate |
3
Mbps |
|
Protokoll |
USB |
|
USB
Standard |
USB
2.0 |
|
Bus
Kompatibilität |
I2C |
|
Ambient
Temperaturbereich hoch |
85 ° C. |
|
Höhe |
800 μm |
|
Länge |
3 mm |
|
Breite |
3 mm |
|
ERREICHEN
SVHC |
NEIN
SVHC |
|
Rohs
Status |
Rohs
Konform |
|
Leitfrei |
Leitfrei |
Bitte senden Sie eine Anfrage, wir werden sofort antworten.
auf 2024/10/15
auf 2024/10/15
auf 8000/04/17 147710
auf 2000/04/17 111648
auf 1600/04/17 111313
auf 0400/04/17 83573
auf 1970/01/1 79208
auf 1970/01/1 66738
auf 1970/01/1 62923
auf 1970/01/1 62785
auf 1970/01/1 54019
auf 1970/01/1 51932