



Als angesehenes Mitglied der MegaAVR® 0-Serie ist der ATMEGA4809 durch die Einbeziehung eines AVR®-Prozessors mit einem Hardware-Multiplikator, der bei Frequenzen von bis zu 20 MHz betrieben werden kann.Dieser Mikrocontroller ist in verschiedenen Konfigurationen mit einem Flash-Speicher von bis zu 48 KB, 6 KB SRAM und 256 Bytes EEPROM in 28 bis 48-poligen Paketen erhältlich.Sein Design konzentriert sich auf eine flexible Architektur mit geringer Leistung, die ausgefeilte Merkmale wie das Ereignissystem, Schlafwandeln, genaue analoge Funktionen und modernste Peripheriegeräte integrieren und die neuesten Innovationen von Microchip widerspiegeln.
• AVR -Prozessor und Hardware -Multiplikator: Mit einem AVR® -Prozessor, der durch einen Hardware -Multiplikator ergänzt wird, bietet der ATMEGA4809 eine bemerkenswerte Recheneffizienz und -leistung.Dieses Duo wird mit einer Geschwindigkeit von bis zu 20 MHz ausgeführt und verbessert die Ausführungsgeschwindigkeit für komplexe mathematische Operationen.Solche Funktionen machen den Mikrocontroller für Anwendungen, die eine hohe Präzision und schnelle Verarbeitung fordern, gut geeignet.Das Design spricht diejenigen an, die sich bemühen, ein Gleichgewicht zwischen Stromverbrauch und Leistung zu steigern, und bietet eine harmonische Passform für verschiedene technische Bedürfnisse.
•Speicherkonfigurationen: Mit seinen flexiblen Speicheroptionen bietet der ATMEGA4809 Konfigurationen von bis zu 48 KB Flash -Speicher, 6 KB SRAM und 256 Bytes EEPROM.Diese Anpassungsfähigkeit richtet sich an eine Vielzahl von Anwendungsanforderungen, von einfachen Aufgaben, die minimaler Speicher benötigen, bis hin zu komplexeren Anwendungen, die einen erheblichen Speicher benötigen.Szenarien in realen Welt zeigen, dass ein ausgewogenes Speicher-Setup die Systemleistung und die Reaktionsfähigkeit erheblich verbessern kann.
• Ereignissystem: Das Ereignissystem des ATMEGA4809 ermöglicht eine direkte Kommunikation peripherer bis peripherer Kommunikation, wodurch die Notwendigkeit einer CPU-Intervention beseitigt wird.Diese Funktion senkt den Stromverbrauch und steigert die Effizienz, indem die Aufgaben mit minimalem CPU-Wak-ups erledigt werden können.Durch die Reduzierung der CPU -Last verlängert es die Akkulaufzeit in tragbaren Geräten und verbessert die Effizienz des Gesamtsystems.Diese Entwurfsphilosophie betont eine Mischung aus Leistung und Energieeinsparung, die mit Anwendungen in Anstrengung mit dem Gebrauch mit geringer Energie in Anspruch nehmen.
• Schlafwandeltechnologie: Die Schlafwandel-Technologie ermöglicht es Peripheriegeräten, unabhängig zu arbeiten, während die CPU in einem Schlafmodus mit geringer Leistung bleibt.Diese Fähigkeit sorgt dafür, dass die wichtigsten Aufgaben mit minimalem Stromauszug ausgeführt werden, wodurch die Lebensdauer und die Betriebseffizienz des Geräts optimiert werden.Die Erfahrungen aus verschiedenen Implementierungen unterstreichen die Bedeutung solcher Leistungsspartechniken in Anwendungen, bei denen die Energieeffizienz an der Hauptsache ist.
Der ATMEGA4809 verfügt über eine präzise analoge Funktionalität mit Analog-Digital-Konvertern (ADC), Digital-analog-Konvertern (DAC) und Komparatoren.Diese analogen Peripheriegeräte bieten eine genaue analoge Signalverarbeitung, die in Anwendungen mit Sensordatenerfassung, Audiosignalverarbeitung und anderen Szenarien verwendet werden, in denen präzise analoge Messungen erforderlich sind.Praktische Verwendungen zeigen häufig, dass die Aufrechterhaltung einer hohen analogen Genauigkeit grundlegend für die Erzielung einer zuverlässigen und konsistenten Systemleistung ist.
Mit fortschrittlichen Peripheriegeräten ausgestattet, unterstützt der ATMega4809 eine breite Palette von Anwendungen.Diese Peripheriegeräte erweitern die Funktionen des Mikrocontrollers mit Schnittstellen für Kommunikationsprotokolle, Timer und Pulsbreitenmodulation (PWM).Ein solches umfassendes peripheres Set ermöglicht es dem ATMEGA4809, sich an verschiedene und komplexe Designs anzupassen und innovative Lösungen durch seine Flexibilität und Erweiterbarkeit zu fördern.
Hier ist die technische Spezifikationstabelle für die Mikrochip -Technologie ATMEGA4809-AFR.
|
Typ |
Parameter |
|
Fabrik
Vorlaufzeit |
13
Wochen |
|
Montage
Typ |
Oberfläche
Montieren |
|
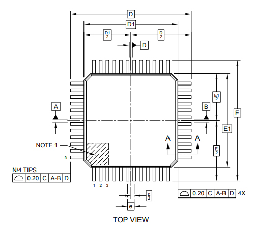
Paket
/ Fall |
48-TQFP
Exponiertes Pad |
|
Oberfläche
Montieren |
JA |
|
Daten
Konverter |
ANZEIGE
16x10b |
|
Nummer
von i/o |
41 |
|
Rom
(Wort) |
24.576 |
|
Betrieb
Temperatur |
-40 ° C.
bis 125 ° C ta |
|
Verpackung |
Band
& Rolle (tr) |
|
Serie |
Megaavr®
0 |
|
Teil
Status |
Aktiv |
|
Feuchtigkeit
Sensitivitätsniveau (MSL) |
3
(168 Stunden) |
|
Nummer
von Kündigungen |
48 |
|
HTS
Code |
8542.31.00.01 |
|
Terminal
Position |
Quad |
|
Terminal
Bilden |
Gullwing |
|
Liefern
Stromspannung |
3v |
|
Terminal
Tonhöhe |
0,5 mm |
|
Base
Teilenummer |
ATMEGA4809 |
|
Jesd-30
Code |
S-PQFP-G48 |
|
Liefern
Spannungsmax (VSUP) |
5,5 V |
|
Liefern
Spannungsmine (VSUP) |
1,8 V |
|
Oszillator
Typ |
Intern |
|
Geschwindigkeit |
20MHz |
|
RAM
Größe |
6k x
8 |
|
Stromspannung
- Versorgung (VCC/VDD) |
1,8 V
bis 5,5 V |
|
UPS/UCS/Peripheral
ICS -Typ |
Mikrocontroller,
Risc |
|
Kern
Prozessor |
Avr |
|
Peripheriegeräte |
Brown-Out
Erkennende/Zurücksetzen, POR, PWM, WDT |
|
Uhr
Frequenz |
20MHz |
|
Programm
Speichertyp |
BLITZ |
|
Kern
Größe |
8-Bit |
|
Programm
Speichergröße |
48 kb
(48k x 8) |
|
Konnektivität |
I2c,
Spi, uart/usart |
|
Bisschen
Größe |
16 |
|
Hat
ADC |
JA |
|
DMA
Kanäle |
NEIN |
|
PWM
Kanäle |
NEIN |
|
DAC
Kanäle |
NEIN |
|
Eeprom
Größe |
256
x 8 |
|
On-Chip
Programm Rom Breite |
16 |
|
Grenze
Scan |
NEIN |
|
Format |
Festpunkt |
|
Integriert
Cache |
NEIN |
|
RAM
(Wörter) |
512 |
|
Nummer
von seriellem i/o |
4 |
|
Nummer
von Timern |
5 |
|
Nummer
von externen Interrupts |
41 |
|
On-Chip
Daten RAM -Breite |
16 |
|
Länge |
7mm |
|
Höhe
Sitzend (max) |
1,2 mm |
|
Breite |
7mm |
|
Rohs
Status |
Rohs3
Konform |

Der ATMEGA4809 verfügt über einen Hochleistungs-Hardware-Multiplikator, der den arithmetischen Betrieb immens beschleunigt.Dies ist für Anwendungen, die eine intensive mathematische Verarbeitung beinhalten, größtenteils vorteilhaft, wodurch die Recheneffizienz verbessert wird.Beispiele sind Kryptographie, Signalverarbeitung und tatsächliche Datenanalyse, bei denen der Hardware -Multiplikator die Verarbeitungszeit erheblich verkürzen und die Systemleistung optimieren kann.
Der Mikrocontroller unterstützt drei Schlafmodi.
• Leerlaufmodus: Beibehält die CPU -Aktivität und reduziert die Leistung auf Peripheriegeräte, ideal für Szenarien, die schnelle Reaktionszeiten erfordern.
• Standby -Modus: Erhält mehr Energie, indem sie die CPU anhält und nützliche Betriebszustände aufrechterhalten, und die Anwendungen mit regelmäßiger Aktivität passen.
• Ausfallmodus: bietet maximale Leistungseinsparungen, indem Sie alle Aktivitäten stoppen, die für batteriebetriebene Geräte mit sporadischer Verwendung geeignet sind.
Ein bemerkenswertes Attribut ist das Ereignissystem, mit dem Peripheriegeräte direkt ohne CPU -Beteiligung interagieren können.Dies reduziert die Latenz- und Bolster -Gesamtsystemreaktionsfähigkeit, indem die periphere Koordination abgeladen wird.Ein solcher Mechanismus ist in tatsächlichen Steuerungssystemen von unschätzbarem Wert, bei denen Timing und Präzision aktiv sind.Die Architektur des Eventsystems, ähnlich wie bei den direkten Speicherzugriffstechniken, minimiert CPU -Engpässe und verbessert die Effizienz.
Die integrierte Watchdog -Timer Bolsters -Systemzuverlässigkeit durch Überwachung und Wiederherstellung von operativen Schluckaufs.Der WDT fungiert als fehlersicherer Mechanismus und setzt den Mikrocontroller beim Nachweis der Nichtbeachtung zurück, wodurch das Systemabsturz abgewendet wird.Diese Zuverlässigkeitsschicht wird hauptsächlich in industriellen Steuerungssystemen und Unterhaltungselektronik verwendet, um eine verbesserte Sicherheit und Stabilität zu gewährleisten.
Für einen sicheren Start und zuverlässigen Betrieb beinhaltet der ATMega4809.
• Stromreset (POR): Initiiert den Mikrocontroller bei der Wiederherstellung der Stromversorgung und sorgt für einen konsistenten Startzustand.
• Braun-Out-Erkennung (BSB): Schutz vor Spannungsschwankungen, die die Stabilität der Geräte beeinträchtigen können, und das System automatisch zurückzusetzen, wenn die Spannung unter einen festgelegten Schwellenwert fällt.
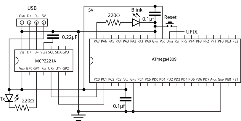
Das Single-Pin Unified Program Debug Interface (UPDI) erleichtert die Entwicklung und Debugging-Prozesse erheblich.Diese Schnittstelle verringert die physikalischen und prozeduralen Komplexität, die im Allgemeinen mit der Programmierung und Debuggierung von Mikrocontroller verbunden sind, wodurch die Produktivität der Entwickler verbessert wird.Die Einfachheit von Updi ist in iterativen Entwicklungszyklen größtenteils vorteilhaft, in denen schnelle Tests und Debuggen für den zeitnahen Projektabschluss von Bedeutung sind.
Im Wesentlichen liefern die Attribute des ATMEGA4809 eine vielseitige und effiziente Plattform, die für eine Vielzahl von Anwendungen geeignet ist, einschließlich der Unterhaltungselektronik und der industriellen Automatisierung.Durch die Integration des fortschrittlichen Leistungsmanagements, der schnellen Berechnungsfunktionen und der robusten Zuverlässigkeitsfunktionen bietet es eine gewaltige Grundlage für die Entwicklung leistungsstarker, zuverlässiger Systeme.

Beide ATMEGA4809 Und Atmega328 vergleichbare Leistungsstufen liefern.Der ATMEGA328, der häufig in Arduino -Boards zu finden ist, fällt an der Stromversorgungseffizienz auf.Dieser Mikrocontroller integriert die Picopower -Technologie von Atmel integriert und ermöglicht einen geringeren Stromverbrauch, ohne die Leistung zu beeinträchtigen.
Die ATMEGA4809 untersucht die Architekturen genauer und bietet bestimmte Verbesserungen gegenüber dem ATMega328.Der ATMEGA4809 bietet ein flexibles peripheres Konfigurationssystem.Diese Flexibilität bietet eine bessere Gesamtsystemleistung.Das System ist anpassungsfähiger, insbesondere in Anwendungen, an denen mehrere Sensoren oder Peripheriegeräte beteiligt sind.
In Bezug auf Programmierung und Entwicklung ist die Rückwärtskompatibilität des ATMEGA4809 mit dem ATMega328 vorteilhaft.Diese Kompatibilität vereinfacht den Migrationsprozess bestehender Projekte, die ursprünglich für den ATMega328 entwickelt wurden.Fortgeschrittene Debugging -Tools, die vom ATMega4809 unterstützt werden, können in komplexen Projekten von großem Nutzen sein, um eine frühzeitige Identifizierung und Lösung von Problemen zu ermöglichen.
Die Leistungsverbrauchsunterschiede werden in den tatsächlichen Anwendungen größtenteils offensichtlich.Bei batteriebetriebenen Geräten können die Picopower-Funktionen des ATMEGA328 die Betriebszeiträume zwischen den Gebühren verlängern.Die fortschrittlichen Leistungssparfunktionen des ATMEGA4809 können den Energieverbrauch weiter optimieren, insbesondere bei ultra-niedrigen Anträgen.
In Anbetracht der Zukunftssicherung machen die vielen verbesserten Funktionen des ATMEGA4809 eine vielseitigere Option.Die breitere Unterstützung für Peripheriegeräte und eine verbesserte Speicherverwaltung sind für komplexe, sich entwickelnde Anwendungen aktiv.Diese Funktionen bieten eine robuste Grundlage für zukünftige Innovationen und Erweiterungen, was es ideal für die Planung von Upgrades macht.


Microchip Technology Inc. mit Sitz in Chandler, Arizona, bietet eine breite Palette von Mikrocontrollern und analogen Halbleitern an.Dieses Unternehmen ist bekannt für die Reduzierung von Entwicklungsrisiken, die Reduzierung der Systemkosten und die Beschleunigung der Zeit zu Markt.Durch ihre qualitativ hochwertige Unterstützung und zuverlässige Produkte hat Microchip seine Führung in der Branche fest etabliert.
Der ATMEGA4809 zeichnet sich aufgrund seiner fortschrittlichen Fähigkeiten und anpassungsfähigen Architekturen unter den Angeboten von Microchip aus und ist für verschiedene Anwendungen geeignet, die robuste und effiziente Lösungen erfordern.Dieser Mikrocontroller unterstützt eine breite Palette von Funktionen, wodurch er mühelos in verschiedene Systeme integriert wird.
Der ATMEGA4809 ist ein hoch entwickelter Mikrocontroller, der den 8-Bit-AVR®-Prozessor verwendet.Diese fortschrittliche Hardware verfügt über einen integrierten Multiplikator und arbeitet mit Geschwindigkeiten von bis zu 20 MHz.Es bietet einen umfangreichen 48 KB Flash-Speicher, 6 KB SRAM und umfasst 256 Bytes EEPROM, die alle ordentlich in einem 48-poligen Paket untergebracht sind.Mit seinem robusten Design richtet es eine Vielzahl komplizierter Anwendungen und Befehle.
Der 8-Bit-Mikrocontroller von Microchip Technology ATMEGA4809 ist geplant, um hoch reaktionsschnelle Befehls- und Steueranwendungen zu optimieren.Es verbessert die Funktionalität der tatsächlichen Steuerungssysteme erheblich.Seine vielseitige Natur ermöglicht es, in umfassenden Mikroprozessor-basierten Architekturen oder als unabhängige Prozessoren in Befehls- und Kontroll-Frameworks zu verwenden.Die Verwendung dieses Mikrocontrollers kann die Leistung verschiedener Projekte erhöhen.
Der ATMEGA4809 befasst sich mit den zunehmenden Anforderungen an Geschwindigkeit und Effizienz in den tatsächlichen Systemen.Der Hardware -Multiplikator und die hohe Betriebsfrequenz (bis zu 20 MHz) ermöglichen eine schnelle Verarbeitung und schnelle Reaktionszeiten.Diese Vorteile Anwendungen, die sofortiges Feedback und präzise Steuerung erfordern, wie Robotik- und Automatisierungssysteme.Durch die Einbeziehung des ATMega4809 können Sie die anspruchsvollen Anforderungen der tatsächlichen Anwendungen erfüllen.
In der Tat ist der ATMega4809 mit zahlreichen peripheren Merkmalen ausgestattet, die seine Benutzerfreundlichkeit erweitern.Dazu gehören mehrere Kommunikationsschnittstellen wie UART, SPI und I2C, die die nahtlose Integration in andere digitale Geräte erleichtern.Darüber hinaus bietet es robuste analoge Merkmale, einschließlich ADCs und DACs, wodurch es für die Sensor -Schnittstelle und die analoge Signalverarbeitung geeignet ist.Diese Funktionen machen zusammen, um das ATMEGA4809 zu einem vielseitigen Werkzeug für eine Vielzahl von digitalen und analogen Aufgaben zu machen.
Im Vergleich zu anderen Mikrocontrollern in seiner Klasse zeichnet sich der ATMega4809 aufgrund seiner ausgewogenen Kombination aus Speicherkapazität, Verarbeitungsgeschwindigkeit und peripheren Integrationen aus.Die 8-Bit-Architektur, ergänzt durch effiziente Leistungsmanagementmerkmale, ist eine optimale Wahl für Anwendungen, bei denen der Stromverbrauch ein schwerwiegender Faktor ist.Dieses Gleichgewicht stellt sicher, dass es zuverlässige Leistung liefert, ohne die Effizienz zu beeinträchtigen.
Der ATMega4809 dient als ausgezeichnete Plattform für Bildungszwecke.Die einfache Architektur und die umfassende Dokumentation machen es zum Lernen und Experimentieren geeignet.Durch die Beschäftigung mit diesem Mikrocontroller können Sie wertvolle Einblicke in die Entwicklung, den Befehl und die Steuerung der eingebetteten Systeme sowie in das tatsächliche Systemdesign gewinnen.Der ATMega4809 schafft eine praktische Umgebung, in der Sie erkunden und innovativ sind.
Bitte senden Sie eine Anfrage, wir werden sofort antworten.
auf 2024/10/11
auf 2024/10/11
auf 8000/04/18 147748
auf 2000/04/18 111866
auf 1600/04/18 111347
auf 0400/04/18 83700
auf 1970/01/1 79470
auf 1970/01/1 66845
auf 1970/01/1 62994
auf 1970/01/1 62903
auf 1970/01/1 54064
auf 1970/01/1 52067