
Eine typische einstellige 7-Segment-Anzeige hat 10 Pins.Jeder PIN steuert ein bestimmtes Segment, mit Ausnahme der beiden Stifte, die als gemeinsame Anschlüsse für Strom dienen.Zum Beispiel stellt Pin 1 eine Verbindung zum Segment „E“ (unten links) her, während Pin 2 Segment „D“ (unten) steuert.Die Stifte 3 und 8 sind die gemeinsamen Terminals, die entweder alle mit dem Boden (gemeinsame Kathode) oder der Macht (gemeinsame Anode) verbunden sind.Der Rest der Stifte leuchtet Segmente "C", "B", "A", "F", "G" und der Dezimalpunkt auf.

Abbildung 2. 7-Segment-Pin-Pin-Konfiguration
| PIN -Nummer | Pin -Name | Beschreibung |
| 1 | e | Steuert die linke untere LED des 7-Segment-Displays |
| 2 | D | Steuert die am meisten LED des 7-Segment-Displays |
| 3 | Com | Anhand von Boden/VCC basierend auf der Art der Anzeige verbunden |
| 4 | C | Steuert die rechte untere LED des 7-Segment-Displays |
| 5 | Dp | Steuert die Dezimalpunkt-LED des 7-Segment-Displays |
| 6 | B | Steuert die obere rechte LED des 7-Segment-Displays |
| 7 | A | Steuert die oberste LED des 7-Segment-Displays |
| 8 | Com | Anhand von Boden/VCC basierend auf der Art der Anzeige verbunden |
| 9 | F | Steuert die obere linke LED des 7-Segment-Displays |
| 10 | G | Steuert die mittlere LED des 7-Segment-Displays |
• Segmentstruktur: Ein 7-Segment-Display enthält sieben lichtbare Balken, die zu Formnummern angeordnet sind, die der Form eines „8“ ähneln.Diese Segmente sind mit einem optionalen achten Segment "A" mit "A" gekennzeichnet, dem Dezimalpunkt (DP), der sich normalerweise unten rechts befindet.Durch die Kombination dieser Segmente in verschiedenen Mustern kann die Anzeige Ziffern 0–9 und einige einfache Buchstaben wie A - F darstellen.Dieses einfache Layout macht es aufgrund seiner Benutzerfreundlichkeit ideal für numerische Anzeigen.
• Display -Technologie: Diese Anzeigen verwenden normalerweise LEDs, wobei jedes Segment aufleuchtet, wenn der elektrische Strom durchfließt.LED-basierte Modelle sind in verschiedenen Beleuchtungsbedingungen hell, energieeffizient und sichtbar.Einige Versionen verwenden die LCD-Technologie, die weniger Strom verbraucht und für batteriebetriebene Geräte gut geeignet ist, obwohl LCDs in der Regel dumm und in hellen Einstellungen weniger sichtbar sind.
• Konfigurationstypen: Es gibt zwei primäre Kabelmethoden: gemeinsame Kathode (CC) und gemeinsame Anode (CA).In CC -Anzeigen werden alle negativen Klemmen miteinander verbunden und Segmente werden durch eine positive Spannung aktiviert.In CA -Anzeigen sind alle positiven Terminals verbunden und Segmente werden durch die Erde der einzelnen Kathoden eingeschaltet.Die Auswahl hängt vom Schaltungsdesign und der Annahme des Displays ab.
• Charakterdarstellung : Obwohl diese Displays hauptsächlich für Zahlen entwickelt wurden, können sie auch eine begrenzte Reihe von Buchstaben, insbesondere A bis F, anzeigen, was für Hexadezimalausgänge nützlich ist.Aufgrund von nur sieben Segmenten können sie die meisten Buchstaben oder komplexen Symbole nicht genau bilden, aber sie reichen für grundlegende alphanumerische Bedürfnisse aus.
• Kontrolle und Schnittstelle: Jedes Segment kann einzeln ein- oder ausgeschaltet werden und oft von Mikrocontroller -GPIO -Stiften gesteuert werden.Um die Kontrolle zu vereinfachen, können Decoder/Treiber -ICs wie die 7447 oder CD4511 binäre Eingänge in die richtigen Segmentkombinationen umwandeln, wodurch die Anzahl der benötigten Verbindungen reduziert wird.
• Vorteile: Zu ihren Hauptstärken gehören geringe Kosten, einfache Kontrolle und Lesbarkeit.LED -Typen sind hell und langlebig, während LCD -Varianten Strom sparen.Diese Eigenschaften machen sie für viele elektronische Geräte beliebt, insbesondere wenn die einfache numerische Leistung ausreicht.
• Einschränkungen: Der größte Nachteil ist das begrenzte Zeichensatz, sie können keinen Volltext oder komplizierten Grafiken anzeigen.LED -Modelle haben möglicherweise enge Betrachtungswinkel, während LCDs mit der Sichtbarkeit im hellen Licht zu kämpfen haben.Diese Einschränkungen sollten bei der Auswahl eines Anzeigetyps für ein Projekt berücksichtigt werden.
|
Anzeige
Typ |
Beschreibung |
Vorteile |
Einschränkungen |
|
7-Segment-Anzeigen |
Sieben LED -Segmente für Ziffern
und ein paar Charaktere. |
Sehr einfach zu bedienen |
Zeigt nur Ziffern und begrenzte Zeichen an |
|
Punktmatrix Anzeigen |
Raster der LEDs (z. B. 5x7 oder 8x8), die anpassbar bilden
Charaktere und Animationen. |
Kostengünstig und weit verbreitet |
Nicht für Text oder Grafiken geeignet |
|
Niedriger Stromverbrauch |
Komplexer zu programmieren |
||
|
Verwendet in Beschilderung, Uhren usw. |
|||
|
Alphanumerische LCDs |
Vorformatierte LCDs (z. B. 16x2, 20x4) mit Reihen von Zeilen von
Zeichen in fester Größe (normalerweise 5x8 DOT-Format). |
Einfach zu interface (Standardprotokolle) |
Zeichen fest in der Größe |
|
Ideal für Menüs/Statusanzeigen |
Begrenzte Grafikfunktionen |
||
|
Lesbar in verschiedenen Beleuchtung |
Langsamere Aktualisierung als grafische Anzeigen |
||
|
OLED -Bildschirme |
Selbstempfindliche Anzeigen mit hohem Kontrast;Verfügbar in
Monochrom oder volle Farbe. |
Hohe Kontrast und weite Betrachtungswinkel |
Höhere Kosten |
|
Dünn und leicht |
Kürzere Lebensdauer (insbesondere blaue Pixel) |
||
|
Niedrige Leistung beim Zeigen von dunklen Inhalten |
Benötigt mehr Speicher und Verarbeitung |
||
|
TFT -Bildschirme |
Vollfarbige, hochauflösende LCDs mit aktiver Matrix,
Oft berührungsfähig. |
Reiche Farbe & Detail |
Hochleistungsverbrauch |
|
Kann Berührung beinhalten |
Benötigt mehr RAM/Verarbeitung |
||
|
Ideal für Videos, GUIs, Dashboards |
Kostspieliger und komplex zu integrieren |
Der Betrieb eines 7-Segment-Displays basiert auf Vorwärtsbefehl der leichten Dioden (LEDs) in jedem Segment.Wenn eine Spannung in die richtige Richtung von der Anode bis zur Kathode aufgetragen wird, leuchtet das Segment auf.Jedes Segment kann unabhängig, normalerweise über die digitalen Ausgangsnadeln eines Mikrocontrollers oder einen speziellen IC für den Anzeigetreiber gesteuert werden.Diese Controller bestimmen, welche Segmente zu einem bestimmten Zeitpunkt basierend auf dem gewünschten Charakter aktiviert werden.
Um die Beschädigungen der LEDs durch übermäßigen Strom zu verhindern, ist ein Stromlimitwiderstand in Reihe mit jedem Segment angeschlossen.Dieser Widerstand stellt sicher, dass der Strom, der durch jede LED fließt, innerhalb eines sicheren Bereichs bleibt, der normalerweise etwa 20 bis 30 Milliampere (MA) liegt.Der genaue Wert kann jedoch je nach Art der verwendeten LED und der erforderlichen Helligkeit variieren.Es gibt zwei Hauptbetriebsmodi für 7-Segment-Anzeigen:
1. Statischer Modus: In diesem Modus werden jede Ziffer und ihre entsprechenden Segmente kontinuierlich eingeschaltet.Für dieses Setup ist eine separate Steuerung für jedes Segment jeder Ziffer erforderlich, die ineffizient werden kann, wenn viele Ziffern verwendet werden.Es bietet jedoch Einfachheit und ständige Helligkeit.
2. Multiplexed -Modus : Um die Anzahl der Kontrolllinien und Stromverbrauch zu verringern, werden Anzeigen häufig im Multiplex -Modus ausgeführt.In diesem Modus wird jeweils nur eine Ziffer beleuchtet, aber das System wechselt schnell zwischen Ziffern mit einer Geschwindigkeit, die hoch genug ist, um alle Ziffern als kontinuierlich beleuchtet zu empfinden.Dieser Umschalter wird häufig unter Verwendung von Mikrocontroller -Timern oder Verschiebungsregistern behandelt, die eine präzise Zeit und Kontrolle ermöglichen.

Abbildung 3. Segmentzuordnung in einer 7-Segment-LED-Anzeige
Die obige Abbildung zeigt die Struktur und Kennzeichnung einer 7-Segment-Anzeige.Es zeigt die rechteckige Anordnung der sieben Segmente (A, B, C, D, E, F und G) über zehn verschiedene Ansichten des Displays.In jedem Bild sind verschiedene Segmente grün schattiert, um ihre Aktivierung darzustellen.Dies hilft sich zu visualisieren, wie jedes einzelne Segment zur Bildung von Ziffern beiträgt.Die Abbildung hebt systematisch verschiedene Kombinationen hervor und unterstützt das Verständnis, wie das Einschalten bestimmter Segmente erkennbare Zeichen erzeugt.
Um eine Ziffer anzuzeigen, sendet der Mikrocontroller einen Binärcode, der die rechte Kombination von Segmenten aktiviert.Zum Beispiel werden die Segmente A, B, C, D, E und F eingeschaltet, und G ist ausgeschaltet.Für eine gemeinsame Kathodenanzeige ist dies binär 0B00111111 (oder 0x3f in Hex).Für eine gemeinsame Anode ist die Logik 0B11000000 (0xc0) invertiert.Der Code muss mit dem Anzeigetyp übereinstimmen, oder die falschen Segmente beleuchten.Die Verwendung von Binär -Lookup -Tabellen speichert die Verarbeitungszeit und sorgt für schnelle, genaue Updates, insbesondere in dynamischen Anwendungen wie Zählern oder Timern.
Die folgende Tabelle zeigt, wie Zahlen in einer 7-Segment-Anzeige mit einer gemeinsamen Anodenkonfiguration angezeigt werden:
|
Nummer |
g f e d c b a |
Sechskantcode |
|
0 |
1000000 |
C0 |
|
1 |
1111001 |
F9 |
|
2 |
0100100 |
A4 |
|
3 |
0110000 |
B0 |
|
4 |
0011001 |
99 |
|
5 |
0010010 |
92 |
|
6 |
0000010 |
82 |
|
7 |
1111000 |
F8 |
|
8 |
0000000 |
80 |
|
9 |
0010000 |
90 |
In der folgenden Tabelle werden die Ziffern angezeigt, die in einer 7-Segment-Anzeige unter Verwendung einer gemeinsamen Kathodenkonfiguration angezeigt werden:
|
Nummer |
g f e d c b a |
Sechskantcode |
|
0 |
0111111 |
3f |
|
1 |
0000110 |
06 |
|
2 |
1011011 |
5b |
|
3 |
1001111 |
4f |
|
4 |
1100110 |
66 |
|
5 |
1101101 |
6d |
|
6 |
1111101 |
7d |
|
7 |
0000111 |
07 |
|
8 |
1111111 |
7f |
|
9 |
1001111 |
4f |
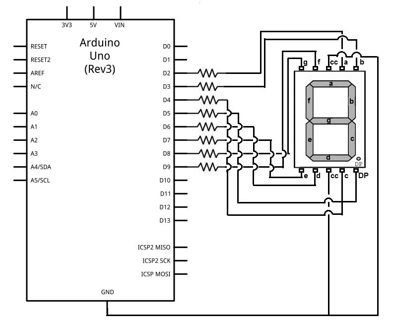
In diesem Setup wird jedes Segment einer zweistelligen 7-Segment-Anzeige durch einen Stromlimitwiderstand (typischerweise 220 Ω bis 330 €) mit dem Arduino UNO verbunden.Die Segmente, die mit A bis G (und optionalem Dezimalpunkt DP) gekennzeichnet sind, sind parallel über beide Ziffern verdrahtet und mit digitalen Pins D2 an D9 auf dem Arduino verbunden.Zum Beispiel ist Segment 'A' mit D2, 'B' mit D3 und so weiter verbunden.Jede Ziffer hat einen eigenen gemeinsamen Kathodenstift (CC), der steuert, ob diese Ziffer aktiviert ist.Diese gängigen Stifte sind mit Arduino -Pins D10 und D11 verbunden und werden zum Multiplexing verwendet: Es wird jeweils nur eine Ziffer aktiviert, aber das Schalten zwischen ihnen schnell genug (normalerweise> 50 Hz) lässt beide Ziffern gleichzeitig beleuchtet erscheinen.Verwenden Sie DigitalWrite (), um zu steuern, welche Segmente sich befinden und welche Ziffer aktiv ist.Eine Nachschlagetabelle in Ihren Skizzenzahlen (0–9) zu ihren entsprechenden Segmentkombinationen.Verwenden Sie Multiplexing in Ihrem Code oder einer Bibliothek, die ihn unterstützt, um mehrere Ziffern effizient zu verarbeiten.Dies verringert die Anzahl der erforderlichen Arduino -E/A -Stifte, während dynamische Anzeige -Updates aktiviert werden.

Abbildung 4. 7-Segment-Anzeigekreis mit Arduino
In einer gemeinsamen Cathode (CC) 7-Segment-Anzeige sind alle Kathodenanschlüsse der einzelnen LEDs, die die Anzeigesegmente bilden, intern verbunden und an eine oder mehrere externe Kathodenstifte weitergeleitet.Diese gängigen Kathodenstifte sind typischerweise in der Schaltung mit dem Masse (GND) verbunden.Jedes der einzelnen Segmente, die aus „A“ durch „G“ gekennzeichnet sind, sowie der optionale Dezimalpunkt (DP) hat einen eigenen Anodenstift, der unabhängig gesteuert wird.
Um ein bestimmtes Segment für diese Anzeigeart zu beleuchten, muss eine Hochspannung (typischerweise +5 V oder +3,3 V, abhängig vom System) auf den entsprechenden Anodenstift angewendet werden.Da die Kathoden geerdet sind, fließt der Strom von der Anode zur Kathode, sodass das LED -Segment aufleuchten kann.Die Verwendung einer gemeinsamen Kathode vereinfacht das Vernetzung mit Mikrocontrollern, da der Controller den Strom an den einzelnen Segmentstiften aktiv beziehen kann, anstatt sie zu versenken.
Diese Konfiguration ist in Anfänger -Elektronikprojekten aufgrund ihrer unkomplizierten Kabel- und Programmierlogik beliebt.Es ermöglicht es, numerische oder begrenzte alphabetische Zeichen zu erstellen, indem verschiedene Segmente kombiniert werden.Zum Beispiel werden die Segmente A, B, D, E und G eingeschaltet, um die Nummer „2“ anzuzeigen.Der Mikrocontroller aktiviert jedes Segment, indem er seinen jeweiligen PIN hoch einstellt.
Bei dem Versuch, Zeichen wie „8“ anzuzeigen, entsteht jedoch, dass alle sieben Segmente gleichzeitig eingeschaltet werden müssen.Jedes LED-Segment zeichnet eine bestimmte Menge an Strom (normalerweise um 10 bis 20 Ma), und die Beleuchtung aller Segmente kann bis zu 140 Ma oder mehr addieren.Die meisten Mikrocontroller -E/A -Stifte sind nicht so ausgelegt, dass sie einen so großen Gesamtstrom über mehrere Stifte gleichzeitig beziehen.Wenn zu viel Strom gezogen wird, kann es den Mikrocontroller beschädigen oder zu Fehlfunktionen führen.Um dies zu mildern, verwenden viele externe Treiber-ICs (wie die ULN2003A), Transistor-Arrays oder Stromlimitwiderstände, um die Last sicher zu verarbeiten, ohne den Mikrocontroller zu überbleiben.

Abbildung 5. Gemeinsame Cathode 7-Segment-Anzeigeschaltungsdiagramm
Die Abbildung zeigt die interne und externe Verkabelung einer gemeinsamen Cathode 7-Segment-Anzeige.Das Display ist mit Segmenten A bis G und einem Dezimalpunkt (DP) gekennzeichnet.Jedes Segment ist mit einem Diodensymbol (D1 bis D8) verbunden, das die einzelnen LED -Segmente darstellt.Alle Kathoden sind miteinander verbunden und mit dem Masse verbunden, was auf die gemeinsame Kathodenkonfiguration hinweist.Durch das Auftragen eines hohen Signals auf die Anode eines Segments kann der Strom durch das Segment fließen und es beleuchten.
In einer gemeinsamen Anode (CA) 7-Segment-Anzeige sind alle Anodenklemmen der LED-Segmente intern miteinander verbunden und werden zu einem gemeinsamen PIN mit dem als gemeinsamen Anode (CA) gekennzeichneten PIN herausgebracht.Dieser gemeinsame Stift ist mit einer positiven Spannungsversorgung verbunden, oft +5 V.Jedes einzelne Segment der Anzeige mit einem durch G (mit einem optionalen Dezimalpunkt markierten DP) bezeichneten Kathode hat seine Kathode für externe Verbindung und Steuerung freigelegt.
Um ein bestimmtes Segment zu beleuchten, muss seine Kathode mit dem Masse (niedrig) verbunden sein, während die gemeinsame Anode bei +5 V (hoch) bleibt.Dies impliziert, dass die Logik zur Steuerung der Segmente im Gegensatz zu einer gemeinsamen Kathodenanzeige, in der Segmente mit einem hohen Signal eingeschaltet werden, in einer gemeinsamen Anodenanzeige mit einem niedrigen Signal eingeschaltet werden.Infolgedessen muss Ihr Kontrollcode das für eine gemeinsame Kathodenanzeige verwendete binäre Muster invertieren.Beispielsweise kann ein Muster, das die Ziffer „0“ in einer gemeinsamen Kathodenanzeige beleuchtet, einen hexadezimalen Wert wie 0x3f verwenden.Das gleiche Muster für eine gemeinsame Anodenanzeige wäre 0xc0, was die bitweise Inverse ist.
Mikrocontroller, die in der Lage sind, Strom zu sinken (d. H. Der Ausgangsstift zu Boden ziehen), eignen sich besser für das Fahren von CA -Anzeigen, da sie die Schaltung für jedes Segment, das eingeschaltet werden muss, effektiv vervollständigen kann.Diese Displays sind auch in Systemen vorteilhaft, in denen andere Komponenten mit einer aktiven Logik arbeiten, z.Sie müssen jedoch sicherstellen, dass die Firmware- oder Treiberlogik ordnungsgemäß konfiguriert ist, um dieses umgekehrte Verhalten zu berücksichtigen, um Anzeigefehler zu vermeiden.

Abbildung 6. Common Anode 7-Segment-Anzeigeschaltungsdiagramm
Die Figur besteht aus zwei Teilen.Auf der linken Seite befindet sich ein Diagramm einer gemeinsamen Anode 7-Segment-Anzeige, die die internen Segmentetiketten (A bis G und DP) zeigt und wie sie zur Bildung von Ziffern angeordnet sind.Ein einzelner gemeinsamer Anodenstift wird oben angezeigt.Auf der rechten Seite zeigt ein vereinfachtes Schaltplanschema, wie jedes Segment (a bis g, dp) mit seiner entsprechenden Diode (D1 bis D8) verbunden ist, wobei alle Anoden an eine gemeinsame Hochspannung (CA) gebunden sind.Jede Kathode kann durch Erdung einzeln gesteuert werden, um das entsprechende Segment einzuschalten.

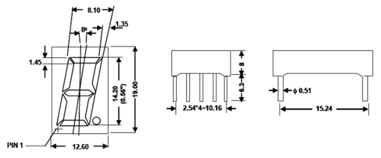
Abbildung 7. 7-Segment-DIP-Anzeigeumriss
Das obige Diagramm zeigt die Standardabmessungen für ein 7-Segment-Display im DIP-Format (Doppel-Inline-Paket), das üblicherweise für Durchloch-PCB-Installationen verwendet wird.Das Display ist 19,00 mm hoch von Basis bis oben, wobei Ziffern eine Höhe von 14,20 mm (0,56 Zoll) gemessen werden, eine weit verbreitete Größe, die eine gute Sichtbarkeit sowohl im Innen- als auch im Außenbereich gewährleistet.Die Segmente werden bei 8 ° nach innen abgewinkelt, wodurch die Lesbarkeit aus Sicht der Overhead verbessert wird.
Der Display -Körper ist etwa 12,60 mm breit und hat eine Dicke für Standard -PCB -Layouts.Der Stiftabstand folgt dem herkömmlichen 2,54 -mm -Tonhöhe, wobei jede Reihe vier Stifte enthält und die Gesamtlänge von 10,16 mm misst.Die Zeilen sind 15,24 mm von der Verpackung voneinander entfernt.Jeder Stift hat einen Durchmesser von 0,51 mm, kompatibel mit Standard-Dip-Sockeln oder Durchlochabmessungen.Die Pattsituation zwischen der PCB -Oberfläche und der Anzeigebasis liegt zwischen 6,3 mm und 8,0 mm und bietet ausreichend Freigabe für Löten und Luftstrom.
Um das richtige 7-Segment-Display auszuwählen, entscheiden Sie sich zunächst über die richtige Größe.Kleinere eignen sich gut für Handheld -Geräte, während größere die Lesbarkeit in Messgeräten oder öffentlichen Displays verbessern.Denken Sie als nächstes über Farbe nach.Rote LEDs sind häufig, weil sie energieeffizient sind und eine geringere Spannung benötigen.Andere Farben wie Grün oder Blau verbrauchen mehr Leistung und erfordern eine höhere Spannung.
Sie müssen auch den Typ des Displays (gemeinsame Anode oder gemeinsame Kathode) an Ihre Schaltung anpassen.Wenn Ihr Mikrocontroller beispielsweise Strom (Quelle) liefern kann, passt eine gemeinsame Kathodenanzeige besser.Wenn es nur den Strom versenken kann, gehen Sie mit einer gemeinsamen Anode.Überprüfen Sie immer das Datenblatt auf aktuelle Bewertungen, Helligkeit und PIN -Zuweisungen.Dies stellt sicher, dass Ihr Display wie erwartet funktioniert und Schäden durch falsche Spannungen oder Ströme vermieden.
Eine der häufigsten Verwendungen von 7-Segment-Displays sind digitale Uhren und Armbanduhren.Diese Displays sind ideal, um die Zeit in Stunden, Minuten und Sekunden aufgrund ihrer Klarheit und Einfachheit zu zeigen.Unabhängig davon, ob es sich um einen Wecker auf einem Nachttisch oder eine an der Wand montierte Bürouhr handelt, 7-Segment-Displays bieten eine schnelle und einfache Möglichkeit, die Zeit aus der Ferne zu lesen.Ihre helle Beleuchtung macht sie auch in schlechten oder dunklen Umgebungen sichtbar.
Sowohl in Heim- als auch in medizinischen Umgebungen verwenden digitale Thermometer häufig 7-Segment-Anzeigen, um Temperaturwerte anzuzeigen.Sie werden in Innen-/Außenwetter -Thermometern, Körperthermometern und HLK -Systemen verwendet.Da sie nur Zahlen anzeigen müssen, normalerweise zwei oder drei Ziffern, sind 7-Segment-Displays perfekt angepasst und bieten eine schnelle, leicht zu lesende Ausgabe, ohne dass eine vollständige grafische Anzeige erforderlich ist.
7-Segment-Anzeigen sind eine Standardfunktion in digitalen Voltmetern und Multimetern, bei denen es sich um Werkzeuge handelt, die zur Messung von Spannung, Strom und Widerstand verwendet werden.Diese Displays ermöglichen es sofort, präzise numerische Anzeigen zu sehen.Ihre schnelle Reaktionszeit und Lesbarkeit machen sie für Elektroniktests und Fehlerbehebung gut geeignet.
An Tankstellen verwenden Kraftstoffspender große, robuste 7-Segment-Anzeigen, um die Menge an abgegebenen Kraftstoff, die Kosten pro Gallone/Liter und die Gesamtkosten anzuzeigen.Ihre Fähigkeit, in Sonnenlicht und harten Außenbedingungen lesbar zu bleiben, macht sie ideal für diese Umgebung.Sie sind auch robust und langlebig, was den Wartungsbedarf verringert.
Viele Küchengeräte, insbesondere Mikrowellen, verwenden 7-Segment-Displays, um die Kochzeit, Countdowns oder Stromeinstellungen anzuzeigen.Das Display ist intuitiv und einfach zu interpretieren, selbst wenn Sie nicht technologisch geneigt sind.Da sie nur minimale Leistung und Raum benötigen, sind sie kostengünstige Lösungen für Gerätehersteller.
Sowohl die Waagen für die Heimatbad als auch die Waage von Industriequalität verwenden 7-Segment-Displays, um Gewichtswerte zu präsentieren.Diese Displays werden häufig für ihre Zuverlässigkeit und Lesbarkeit ausgewählt.In industriellen Kontexten können die Displays groß genug sein, um aus der Ferne in Lagern oder Produktionsböden zu sehen.
In professionellen Einstellungen werden häufig 7-Segment-Anzeigen auf Messinstrumenten, Netzteilen und Überwachungssystemen zu finden.Sie werden verwendet, um wichtige numerische Daten wie Frequenz, Druck, Spannung oder Betriebszeit anzuzeigen.Diese Displays bieten Haltbarkeit, Genauigkeit und einfache Integration in Systeme.
In vielen eingebetteten Anwendungen, bei denen nur Zahlen erforderlich sind, z. B. Zähler, Timer, Anzeigetafeln oder grundlegende diagnostische Tools, bieten 7-Segment-Anzeigen eine kostengünstige Alternative zu komplexeren grafischen Schnittstellen.Sie verbrauchen wenig Strom und sind einfach zu programmieren, was sie für batteriebetriebene oder ressourcenbegrenzte Systeme geeignet macht.
Eine einfache Möglichkeit, ein 7-Segment-Display zu steuern, besteht darin, einen Widerstand vor jedes Segment zu setzen.Dies schützt die winzigen Lichter im Display, die als LEDs bezeichnet werden, vor zu viel Strom.Zu viel Strom kann die LEDs überhitzen oder aufhören zu arbeiten.Diese Widerstände tragen auch dazu bei, das Lichtniveau auch in allen Segmenten zu halten.Der Wert jedes Widerstands liegt normalerweise zwischen 220 Ohm (ω) und 470 Ohm (ω).Die genaue Zahl hängt von zwei Dingen ab: der Stromversorgungsspannung und der Hell, die das Display sein soll.Wenn Sie beispielsweise eine 5-Volt-Netzteil verwenden und jedes Segment etwa 2 Volt verwendet, lässt ein 150-Ohm-Widerstand etwa 20 Milliamps (MA) Strom durch.Dies ist eine gute Menge an Strom, um das Display hell genug zu machen, aber dennoch für die LEDs sicher.
Wenn Sie größere Widerstände verwenden, fließt weniger Strom und das Display sieht dumm aus.Dies kann jedoch helfen, die LEDs länger zu halten und weniger Leistung zu verbrauchen.Wenn Sie kleinere Widerstände verwenden, mehr Stromflüsse und das Display aussieht, kann es jedoch schneller abnutzen und heißer werden.In fortgeschritteneren Setups kann die Helligkeit ungleichmäßig aussehen, wenn ein Widerstand zwischen mehreren Segmenten (Multiplexing) geteilt wird.Dies liegt daran, dass verschiedene Segmente unterschiedliche Strommengen zeichnen können.In diesen Fällen ist es besser, einen Widerstand für jedes Segment zu verwenden oder spezielle Chips zu verwenden, die den Strom automatisch steuern.Diese Methoden machen das Display besser und funktionieren zuverlässig.

Abbildung 8. Basiswiderstandsbasierte 7-Segment-Anzeigediagramm
Die Abbildung zeigt ein Grundschaltungsdiagramm zum Anfahren einer einzelnen 7-Segment-LED-Anzeige unter Verwendung einzelner Widerstände für jedes Segment.Jedes der Segmente des Displays (mit A, B, C, D, E, F, G und DP (Dezimalpunkt)) ist in Reihe mit einem 220Ω -Widerstand verbunden, der die Strom auf sichere Ebenen begrenzt.Diese Widerstände werden über Schalter gesteuert, die den Eingang zwischen logisch "hoch" und logisch "niedrig" umschalten, sodass jedes Segment unabhängig ein- oder ausgeschaltet werden kann.Der gemeinsame Stift der 7-Segment-Anzeige ist an eine gemeinsam genutzte Spannungsquelle angeschlossen, wodurch der Betrieb der einzelnen LEDs innerhalb der Anzeige basierend auf den Eingangslogiksignalen aktiviert wird.Diese Konfiguration veranschaulicht die einfachste und direkteste Möglichkeit, eine 7-Segment-Anzeige manuell zu testen und zu betreiben.
Transistoren sind wie winzige elektronische Schalter, die helfen, zu steuern, welche Teile eines 7-Segment-Displays aufleuchten.In einem „gemeinsamen Kathoden“ -Setup werden alle negativen Enden (Kathoden) der LEDs miteinander verbunden und mit dem Boden verbunden.Um ein Segment zu beleuchten, sendet der Mikrocontroller ein Signal an das positive Ende (Anode).Da der Boden ein- und ausgeschaltet werden muss, um jede Ziffer zu steuern, werden NPN -Transistoren verwendet.Der Mikrocontroller sendet ein kleines Signal an die Basis (mittleres Bein) des Transistors, und dies ermöglicht den Strom durch sie und beleuchtet das Segment.
In einem „gemeinsamen Anoden“ -Setup sind alle positiven Enden (Anoden) miteinander verbunden und an Kraft angeschlossen (normalerweise 5 V).Hier können Sie PNP-Transistoren oder spezielle Schalter wie N-Kanal-MOSFETs verwenden, um die negativen Enden (Kathoden) zu steuern.Das Display leuchtet auf, wenn der Mikrocontroller ein Signal sendet, um die Kathode niedrig zu ziehen (nahe 0 V).Für Anzeigen mit mehr als einer Ziffer wird Multiplexing verwendet.Dies bedeutet, dass der Mikrocontroller sehr schnell eine Ziffer nach dem anderen einschaltet, so schnell, dass es so aussieht, als ob alle Ziffern gleichzeitig eingeschaltet sind.Jede Ziffer verwendet einen eigenen Transistor, den der Mikrocontroller in der Reihenfolge ein- und ausschaltet, während die richtigen Signale an die Segmente gesendet werden.
Um den Mikrocontroller zu schützen und sicherzustellen, dass die Transistoren ordnungsgemäß funktionieren, wird ein kleiner Widerstand (normalerweise etwa 1.000 Ohm) zwischen dem Mikrocontroller und der Basis des Transistors platziert.Dies begrenzt, wie viel Strom fließt. Außerdem ist es wichtig, Transistoren auszuwählen, die die von den LEDs benötigte Strommenge bewältigen können.Wenn die Transistoren zu schwach sind, können sie überhitzen oder aufhören zu arbeiten, und das Display sieht möglicherweise nicht richtig aus.Durch die Auswahl der richtigen Teile und die sorgfältige Verwaltung der Wärme können das Display gut funktionieren und länger dauern.

Abbildung 9. Transistorbasierte Kontrolle eines 7-Segment-Anzeigediagramms
Das Diagramm zeigt eine einfache Methode, um eine einstellige Sieben-Segment-Anzeige mit acht Schalter (SW1 bis SW8) zu treiben, die jeweils über einen 220 Ω-Widerstand an die einzelnen Segmente der Anzeige angeschlossen sind.Die Segmentsteuerungsleitungen werden an die Anzeigeeingänge weitergeleitet, die über einen Transistorschalter (Q1) betrieben werden.Ein 1kΩ -Widerstand (R9) verbindet die Transistorbasis mit der 5 -V -Steuerung, sodass das Display aktiviert werden kann, wenn der Transistor eingeschaltet ist.Dieses Setup sorgt für eine ordnungsgemäße Stromregelung und den effizienten Betrieb des Displays.
Ein 7-Segment-Display ist eine einfache und nützliche Möglichkeit, Zahlen in elektronischen Geräten anzuzeigen.Jedes Segment ist wie ein kleines Licht, und durch das Einschalten der richtigen können Sie jede Ziffer von 0 bis 9 anzeigen. Sie können je nach Schaltung entweder eine gemeinsame Kathode oder eine gemeinsame Anodenanzeige verwenden.Um das Display und Ihren Mikrocontroller zu schützen, müssen Sie Widerstände oder Transistoren verwenden.Wenn Sie mehr als eine Ziffer haben, können Sie eine Methode namens Multiplexing verwenden, um sie nacheinander zu beleuchten, so dass sie alle beleuchtet aussehen.Diese Displays werden in vielen Digitaluhren, Skalen, Messgeräten und Küchengeräten verwendet, da sie billig, einfach zu bedienen und klar zu lesen sind.Mit den Tipps aus diesem Handbuch können Sie Ihren eigenen Projekten sicher und einfach 7-Segment-Displays hinzufügen.
Bitte senden Sie eine Anfrage, wir werden sofort antworten.
Die häufigsten ICs, mit denen 7-Segment-Anzeigen verwendet werden, sind BCD bis 7-Segment-Decoder/Treiber-ICs wie die 74LS47 (für gemeinsame Anode) oder CD4511 (für gemeinsame Kathoden).Diese ICs nehmen einen 4-Bit-Binär-codierten Dezimaleingang (BCD) ein und beleuchten automatisch die richtigen Segmente, um die Zahlen 0–9 anzuzeigen.Dies spart Mikrocontroller -Stifte und vereinfacht die Verkabelung.Für die fortschrittliche Steuerung können Schichtregister wie 74HC595 oder Display-Treiber wie Max7219 für multi-digitale oder multiplexierte Anzeigen verwendet werden.
Ein BCD-bis 7-Segment-Anzeigetup bedeutet, dass Sie einen binären codierten Dezimalwert (BCD) verwenden (vier digitale Bits, die eine Zahl von 0 bis 9 darstellen) und in das richtige Muster umwandeln, um eine 7-Segment-Anzeige zu beleuchten.Ein spezielles IC wie der CD4511 liest den BCD -Wert und schaltet die richtigen Segmente automatisch ein.Beispielsweise leuchtet der BCD-Eingang 0100 (Dezimal 4) Segmente auf, in denen die Nummer 4 im 7-Segment angezeigt wird.
So verbinden Sie einen 7-Segment-Decoder wie den CD4511:
Schließen Sie die BCD -Eingangsstifte (normalerweise mit A, B, C, D) an vier digitale Ausgänge Ihres Mikrocontrollers an.
Schließen Sie die Segmentausgänge (a bis g) vom Decoder an die passenden Segmentstifte auf der Anzeige an.
Befestigen Sie den Decoderausgängen und zeigen Segmente, um die LEDs zu schützen.
Stellen Sie sicher, dass Sie den Decoder mit dem Anzeigetyp übereinstimmen: CD4511 ist für die gemeinsame Kathode und 74LS47 für gemeinsame Anode.
Geben Sie dem IC eine Leistung (+5V und GND) an und aktivieren Sie die Ausgabe, indem Sie alle Kontrollstifte (wie BI oder LE) ordnungsgemäß einstellen.
Jedes der sieben Segmente (mit Ausnahme des Dezimalpunkts) kann unabhängig ein oder aus oder ausgeschaltet sein.In den meisten praktischen Anwendungsfällen (wie BCD) werden nur die Kombinationen für 0 bis 9 und manchmal A bis F für Hexadezimal verwendet.Das bedeutet, dass in der täglichen Elektronik regelmäßig 16 Standardcharaktermuster verwendet werden.
Die meisten 7-Segment-LED-Anzeigen arbeiten bei etwa 2 V pro Segment, was der Vorwärtsspannungsabfall eines typischen roten LED-Segments ist.Die tatsächliche Versorgungsspannung hängt jedoch vom Schaltungsdesign ab.Wenn Sie direkt von einem Mikrocontroller oder durch Widerstände angetrieben werden, wird die Anzeige normalerweise auf +5 V- oder +3,3 V -Systemen ausgeführt, und Widerstände werden verwendet, um den zusätzlichen Spannung und den Grenzstrom zu fallen.Bei LCD -Typen kann die Spannung niedriger sein, häufig von 1,5 V bis 3 V und unter Verwendung verschiedener Techniken kontrolliert.
auf 2025/05/6
auf 2025/05/6
auf 8000/04/18 147757
auf 2000/04/18 111931
auf 1600/04/18 111349
auf 0400/04/18 83719
auf 1970/01/1 79508
auf 1970/01/1 66892
auf 1970/01/1 63010
auf 1970/01/1 62985
auf 1970/01/1 54081
auf 1970/01/1 52111