
Ein Latch ist eine Art Schaltkreis in digitalen Systemen, die im Gegensatz zu anderen Schaltkreisen ein Bit von Informationen enthalten, ohne ein Taktsignal zu benötigen.Es hält ein Datenbit basierend auf Eingabesignalen und macht es zu einem Hauptteil des digitalen Speichers.Wenn mehrere Riegel zusammenarbeiten, können sie mehr Teile wie in einem "4-Bit-Riegel" oder "8-Bit-Riegel" halten, das vier bzw. acht Bits speichert.Riegel sind nützlich bei Anwendungen, beispielsweise bei der Verhinderung von Fehlern, die durch das Abprallen mechanischer Schalter und Bausteine für komplexere Speichersysteme verursacht werden.Es gibt verschiedene Arten von Resseln, wie SR -Verriegelungen, die Ausgänge mit zwei Eingängen einstellen und zurücksetzen, und D -Latches, die Daten mit einem Steuersignal halten.Die Auswahl des richtigen Riegels hängt davon ab, was Sie tun müssen und wo sie verwendet werden.
Der 74HC573 ist ein Hochleistungs-CMOS-Gerät, das acht D-Typ-Riegel enthält, die jeweils einen eigenen Eingangs- und Drei-Staaten-Ausgänge haben.Sie können diese Riegel mithilfe der Terminals für Latch Enable (LE) und Output Enable (Output Enable) steuern, wodurch Sie in verschiedenen Vorgängen Flexibilität erhalten.Dieses Gerät wird üblicherweise für die Datenspeicherung und -verarbeitung, in der Kommunikation verwendet, um den Informationsaustausch und in industriellen Steuerungssystemen zu ermöglichen.Denken Sie bei der Verwendung des 74HC573 und überlegen Sie, wie sich jeder Riegel auf das gesamte System auswirkt.Beispielsweise müssen Sie beim Computer die Verarbeitungsgeschwindigkeit mit Speicherzuverlässigkeit ausgleichen.In der Kommunikation liegt der Fokus auf nahtlosen Datenaustausch, die beide von der Architektur der 74HC573 unterstützt werden.In industriellen Umgebungen gewährleistet seine Präzision unter verschiedenen Bedingungen eine zuverlässige Leistung.
CD4099: Der CD4099 ist eine gute Alternative mit einzigartigen Funktionen.Während es auf der Oberfläche ähnlich aussieht, aber die Tests zeigen Unterschiede in der Leistungsnutzung und der Reaktionszeit.
SN74AHCT573DWR: Der SN74AHCT573DWR ist eine weitere geeignete Option, die für seinen Hochgeschwindigkeitsbetrieb bekannt ist und ideal für zeitkritische Aufgaben ist.Der Vergleich dieses Teils mit dem Original kann dazu beitragen, Designs, Ausgleichsgeschwindigkeit, Stromnutzung und Wärmemanagement zu verbessern oder anzupassen.

• OE (Ausgangsfähigkeit)
Dieser Pin steuert, ob die Ausgangsstifte (q) aktiv sind.Wenn es eingeschaltet ist, können Daten durch die Q -Stifte fließen.Dies ist nützlich, wenn mehrere Geräte dieselbe Datenlinie teilen und zum Verwalten des Datenflusss beitragen.
• LE (Latch Enable)
Der LE -Pin steuert, wenn Daten aus den Eingabestiften (d) im Riegel gespeichert sind.Beim Aktivieren sperrt es die Daten ein und hält den Ausgang stabil, bis der Stift erneut aktiviert ist.Dies hilft, Daten in schnellen digitalen Systemen zu stabilisieren.
• D0 ~ D7 (Dateneingangsstifte)
In diesen Stiften treten Binärdaten in den Latch ein und verwenden für genaue Datenzeitpunkte in komplexen Schaltungen.
• Q0 ~ Q7 (Datenausgangsstifte)
Diese Stifte geben die verriegelten Daten aus.Sie stellen sicher, dass Daten wie in Mikroprozessoren rechtzeitig freigegeben werden.
• GND (Bodenanschluss)
Dieser Stift verbindet sich mit dem Boden und liefert eine Referenzspannung, die den Schaltkreis stabil hält.
• VCC (Versorgungsspannung)
Dieser Pin bietet die Stromversorgung, die der Latch benötigt.Die Spannung muss den Anforderungen des Geräts entsprechen, damit es ordnungsgemäß funktioniert.
Der 74HC573-Latch umfasst insgesamt acht 3-Draht-Stifte, die in zwei unterschiedliche 4-Bit-Anschlüsse aufgeteilt werden.Jeder Port verfügt über einen eigenen Satz von Eingangs- und Ausgangsstiften, sodass die effiziente Behandlung von 8-Bit-Daten.Eine Hauptfunktion ist der bidirektionale Eingangsport, der das vielseitige und dynamische Datenmanagement fördert.Ein interner acht-Bit-Speicher speichert auch eine vollständige 8-Bit-Binärsequenz.
Der 74HC573 eignet sich hervorragend zum schnellen Umgang mit Daten.Es funktioniert gut mit unterschiedlichen Logikniveaus zu seinen TTL-kompatiblen Eingängen.Dieser Verriegelung kann Impulse bis zu 25 MHz verarbeiten, was für Hochgeschwindigkeitsdatenaufgaben wie leistungsstarke Anwendungen effizient ist.Die starke Fahrkapazität sorgt für eine zuverlässige Datenübertragung.
Der 74HC573 eignet sich hervorragend für die schnelle Datenumwandlung.Es behandelt schnell Signale, sodass Sie ohne Verzögerung Updates erhalten.Es hat einen integrierten Schutz vor elektrischen Anständen, was bedeutet, dass es zuverlässiger ist und in wichtigen Anwendungen länger dauert.
Der 74HC573-Latch verwendet acht D-Typ-transparente Riegel, um den Datenfluss zu steuern.So funktioniert es:
• Wenn aktiviert (g hoch): Der Ausgang (q) stimmt sofort mit dem Eingang (d) überein.
• Wenn deaktiviert (g niedrig): Der Verriegelung hält den letzten Eingangswert fest und sperrt ihn an Ort und Stelle.
Dieser Latch kann Daten auch dann enthalten, wenn sich das Aktivieren von Signal ändert, was für die Stabilität von Daten wichtig ist.Es funktioniert unabhängig, sodass neue Daten erfasst werden können und gleichzeitig alte Daten festhalten.Wenn Sie neu in diesem Bereich sind, denken Sie an jeden Latch als eine kleine Speichereinheit, die entweder die Daten sofort durchlaufen oder sie abhängig von einem Steuersignal bezeichnet, das als "G" bezeichnet wird.Wenn das Aktivierungssignal hoch ist (G hoch), ist der Verriegelung "transparent", was bedeutet, dass alle Daten, die am Eingang (d) vorhanden sind, ohne Verzögerung wie ein offenes Gate direkt an den Ausgang (q) übergeben können.Wenn das Ensable -Signal jedoch niedrig ist (G niedrig), schließt das Tor und der Verriegelung stoppt nicht mehr neue Daten.Stattdessen sperrt es sich an und hält das letzte Datenstück, das sich am Eingang befand, bevor das Tor geschlossen wurde, und behält diese Ausgabe bei, bis das Enable -Signal erneut hoch ist.Auch wenn sich die Eingabedaten ändert, bleibt die Ausgabe stabil, solange das Enderable -Signal niedrig ist, um die Datenintegrität zu gewährleisten und das System zuverlässig zu verarbeiten oder zu speichern.
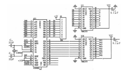
Stellen Sie zunächst sicher, dass Sie die Eingangsnadeln (D0-D7) an die Ausgangsstifte Ihrer CPU oder Controller sicher anschließen.Diese Verbindungen sind für den Datenfluss erforderlich. Verwenden Sie daher kurze, hochwertige Kabel, um einen Signalverlust zu verhindern.Schließen Sie dann die Ausgangsstifte (Q0-Q7) an Ihr Sekundärgerät an.Die Daten bleiben stabil, bis Sie den OE -Pin (Output Enable aktivieren) aktivieren und die Daten genau übertragen, wenn Sie sie benötigen.
Die CPU übernimmt die Ladung, indem sie Daten in die Eingabe (D0-D7) schreiben und dann die Ausgangsaktivität (OE) und Latch Enable (LE) Pins zum Steuerung des Datenflusss manipulieren.Dies gewährleistet eine genaue Verriegelung und zeitnahe Übertragung.Der OE -Pin steuert, ob die verriegelten Daten auf den Ausgabestiften sichtbar sind.Wenn es niedrig ist, sind die Daten auf Q0-Q7 vorhanden, aber wenn sie hoch ist, gelangen die Ausgänge in einen hochwertigen Zustand, wodurch der Riegel effektiv isoliert wird.Andererseits bestimmt der LE-Pin, wann die Eingabedaten verriegelt sind: Wenn sie hoch ist, werden die Eingangsdaten kontinuierlich verriegelt, was den Status von D0-D7 widerspiegelt, während der Verriegelung die letzten Eingangsdaten enthält.Bereitstellung einer stabilen Ausgabe.
Bei fortschrittlichen Datenaufgaben, an denen mehrere Peripheriegeräte beteiligt sind, können mehrere 74HC573 -Chips kaskadiert werden.Eine präzise Zeitung der Signale für die Aktivierung und Steuerung der einzelnen Chips ist erforderlich, um Konflikte zu vermeiden und einen nahtlosen Datenaustausch zu gewährleisten.Effektive Planung der Kontrollsignale bestätigt die Signalintegrität über die Kaskadierungschips.
Widerstände und Kondensatoren filtern das Rauschen heraus, stabilisieren die Stromversorgungsleitungen und minimieren Signalreflexionen, die den Datenfluss stören könnten.Die enge Platzierung des 74HC573 -Latches an die CPU und die Peripheriegeräte minimiert die Signalverzögerung und -interferenz und verbessert sowohl die Übertragungsgeschwindigkeit als auch die Zuverlässigkeit.Die Verwendung von Bodenebenen und abgeschirmten Spuren im PCB -Design weitere Bolster -Signalintegrität und sorgt für eine reibungslose und effiziente Datenbearbeitung.
Löschen Sie vor dem Einsatz neuer Daten die aktuellen Daten im 74HC573 -Latch.Implementieren Sie eine Reset -Routine während der Initialisierungsphase, um die Genauigkeit der Daten aufrechtzuerhalten.Durch sorgfältiges Handhabung, präzisen Konfiguration und scharfe Aufmerksamkeit für Signalqualität und Layout kann man die Spitzenleistung bei Datenübertragungs- und Speicheraufgaben erreichen.

Der 74HC245 ist ein beliebter 8-Bit-Transceiver mit Drei-Zustands-Ausgängen, der für die asynchrone Kommunikation ausgelegt ist.Es wird häufig verwendet, um den bidirektionalen Datenfluss zwischen zwei Bussen zu verwalten.Das Gerät verfügt über eine Richtungssteuerung, mit der die Daten flexibel in beide Richtungen bewegen können.Der 74HC573 ist dagegen ein transparenter Verriegelung vom Typ Octal D mit drei Staatenausgängen.Es wird für die temporäre Datenspeicherung und das Halten von Informationen bis erforderlich verwendet.Die Latch -Funktion bietet einen stetigen Datenfluss beim Umgang mit asynchronen Signalen.
74HC245 zeichnet sich bei der effizienten Verwaltung von Daten zwischen Bussen durch die Richtungssteuerung aus.Während 74HC573 ein stabiles Mittel zum Lagern von Daten bietet und das System so lange hält, bis das System seine Verwendung benötigt.Der deutliche Fokus auf die Datenspeicherung macht den 74HC573 für Anwendungen geeignet, bei denen die Datenkontinuität Priorität hat.74HC245 führt mit seinen bidirektionalen Fähigkeiten einen dynamischen Datenbearbeitungsansatz ein.Im Gegensatz zum 74HC573, der bei der Aufrechterhaltung der Datenintegrität während der Verarbeitung eine Haltbarkeit bietet, neigt der 74HC245 in Richtung Flexibilität in der Betriebsdynamik.
Beim Ersetzen des 74HC573 durch den 74HC245 in Schaltungskonstruktionen ist es wichtig, ihre Unterschiede zu beachten.Die bidirektionale Datensteuerung des 74HC245 kann einige Funktionen des 74HC573 abdecken.Da der 74HC245 jedoch eine Latching -Funktion fehlt, können Daten ohne zusätzliche Komponenten keine Daten selbst stabil halten.Dies bedeutet, dass das Ersetzen des 74HC573 durch den 74HC245 die Fähigkeit der Schaltung beeinflussen kann, Daten konsequent zu behalten.Wenn sich der Fokus hingegen auf schnellen Datenaustausch und reibungslose Kommunikation zwischen Bussen liegt, ist der 74HC245 möglicherweise eine bessere Wahl, wodurch die Reaktionsfähigkeit des Systems verbessert wird.
Der 74HC573 ist ein transparenter 8-Bit-D-Typ mit 3-Staaten-Ausgängen mit Latch Enable (LE) und Output-Enable (OE) Eingängen.Wenn LE hoch ist, geben die Daten bei Eingängen die Riegel ein.Es spielt eine wichtige Rolle bei Szenarien, die eine Zwischendatenspeicherung und -stadierung erfordern, um eine regulierte und effiziente Datenbusaktivität zu gewährleisten.Diese Komponente wird üblicherweise in Mikrocontroller -Systemen zur Pufferung von Daten und zur Adressierung von Bussen verwendet.
Der 74HC573 ist ein transparenter Verriegelung vom Oktal-D-Typ, der durch einen hohen LE-Ausgang aktiviert wird.Der 74HC574 ist dagegen ein Flip-Flop vom Typ Oktal D, der durch die positive Kante seines LE-Ausgangs aktiviert wird.Der 74HC573 ermöglicht eine Echtzeitdatenpassage, während LE hoch ist und den Informationsfluss bei Bedarf erleichtert.Der 74HC574 erfasst und hält Daten am LE-Übergang und stellt den stabilen Datenbetrag nach dem Clock-Zyklus sicher.Diese Funktion ist in synchronisierten Datenübertragungsanwendungen von Vorteil.
Der typische Stromversorgungsspannungsbereich für die 74HC573 erstreckt sich von 2,0 V bis 6,0 V.Diese Variabilität bietet eine erhebliche Flexibilität und ermöglicht es, dass der 74HC573 in verschiedene Systeme integriert werden kann, wobei die Anpassungen der Stromversorgung minimaler Stromversorgungsanpassungen benötigt.Eine solche Anpassungsfähigkeit ist bei der Optimierung der Energieeffizienz für verschiedene Schaltungskonstruktionen als vorteilhaft, was es zu einer bevorzugten Wahl für leistungsempfindliche Anwendungen macht.
Der 74HC573 dient als Oktal-Transparent-Verriegelung mit 3-Staaten-Ausgängen, die acht Datenbits in digitalen elektronischen Schaltkreisen speichern und ausgeben können.Die Rolle als Vermittlerdatenhalter ist hervorragend bei der Verwaltung des Datenflusss zwischen verschiedenen Komponenten.Diese Funktionalität wird in Anwendungen ausgiebig verwendet, die eine präzise Kontrolle über Datenverfügbarkeit und Verzögerungsverwaltung fordern.Die Riegel tragen dazu bei, die Datengenauigkeit und die Systemstabilität zu gewährleisten.
Bitte senden Sie eine Anfrage, wir werden sofort antworten.
auf 2024/09/24
auf 2024/09/24
auf 8000/04/18 147762
auf 2000/04/18 111984
auf 1600/04/18 111351
auf 0400/04/18 83743
auf 1970/01/1 79538
auf 1970/01/1 66948
auf 1970/01/1 63087
auf 1970/01/1 63028
auf 1970/01/1 54092
auf 1970/01/1 52171