
WS2813 ist eine Art von LED, die sowohl den Steuerkreis als auch den RGB -Chip zu einer kleinen Komponente kombiniert.Diese LED wird üblicherweise in Beleuchtungsprojekten verwendet, da sie eine große Kontrolle über Farben und Helligkeit bietet.WS2813 enthält eine Technologie, mit der Signale ohne Verzerrung effektiv übertragen werden können, um sicherzustellen, dass das Licht konsistent bleibt.Es verfügt außerdem über ein integriertes Reset-System, das sicherstellt, dass es auch nach einer Leistungsunterbrechung reibungslos funktioniert.Jedes Pixel im WS2813 kann eine breite Palette von Farben anzeigen und unterstützt eine Aktualisierungsrate, die die Lichter hell und flüssig hält.Es ist sehr geeignet für Projekte, die helle, farbenfrohe Beleuchtung und zuverlässige Leistung erfordern.

| NEIN. | Symbol | STIFT | Funktionsbeschreibung |
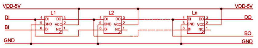
| 1 | NC | HÄNGEND | In der Layout des Layouts in der PCB ist die Schaltung nicht mehr in Betrieb, wenn sie an andere Schaltungen hergestellt wird |
| 2 | VDD | Leistungsspannung | Stromspannung, Verbindung zu "+5V" anschließen |
| 3 | TUN | Daten aus | Steuerungsdatensignalausgabe |
| 4 | LÄRM | Daten in | Steuerungsdatensignaleingabe |
| 5 | GND | BODEN | Daten- und Stromerdung |
| 6 | Mülleimer | Sicherungsdaten in | Sicherungssteuerungsdatensignaleingabe |


Technische Spezifikationen, Merkmale, Parameter und vergleichbare Teile im Zusammenhang mit dem WorldSemi WS2813C.
| Typ | Parameter |
| Montagetyp | Oberflächenhalterung |
| Paket / Fall | SMD, 5x5mm |
| Verpackung | Band & Rollen (TR) |
| Beleuchtungsfarbe | RGB |
| Dominante Wellenlänge / Koordinatenrang | 620625nm rot, 515525nm grün, 465 ~ 475nm blau |
| Leuchtintensität (if = 20 mA) | 60mcd@5ma rot, 245mcd@5ma grün, 60mcd@5ma blau |
| ROHS -Status | ROHS -konform |
Der Steuerkreis und die LED im WS2813 teilen die gleiche Stromversorgung.Dies bedeutet, dass Sie für die verschiedenen Komponenten keine separaten Stromquellen benötigen.Es vereinfacht Ihr Setup, indem die erforderliche Menge an Kabel- und Stromverwaltung reduziert wird.
Der Steuerkreis und der RGB -Chip werden zu einer einzelnen Komponente kombiniert.Diese Integration ermöglicht einen reibungsloseren Betrieb der LEDs und bietet eine bessere Farbkontrolle und eine konsistentere Beleuchtung, ohne separate Komponenten zu benötigen.
WS2813 verfügt über ein integriertes Signal-Umgestaltungskreis.Dies stellt sicher, dass das Signal bei jeder LED ohne Verzerrung stark und klar bleibt.Unabhängig davon, wie viele LEDs Sie in einer Reihe verwenden, bleibt das Signal genau und lässt Ihre Beleuchtung konsistent aussehen.
WS2813 verfügt über integrierte Reset-Schaltungen.Der Stromreset stellt sicher, dass die LEDs nach dem Einschalten korrekt beginnen, während der Brown-Out-Reset ihnen hilft, sich bei kurzer Stromabfällen reibungslos zu erholen.Dies hält Ihre Beleuchtung auch bei Stromschwankungen stabil.
Jedes Pixel im WS2813 kann bis zu 16.777.216 verschiedene Farben anzeigen.Dies ist möglich, da jedes Pixel 256 Graustufen aufweist und eine extrem genaue Farbkontrolle ermöglicht.Mit dieser Funktion können Sie lebendige und dynamische Beleuchtungsanzeigen mit einer Vielzahl von Farben erstellen.
Sie benötigen nur eine Datensignallinie, um mehrere WS2813 -LEDs in einer Serie zu verbinden.Dies bedeutet weniger Verkabelung und ein einfacheres Setup, insbesondere in großen Projekten.Die Daten bewegt sich durch jede LED in einer Kette, sodass Sie alle LEDs mit einer einzigen Linie steuern können.
WS2813 verwendet zwei Signaldrähte, die es ihm ermöglichen, weiter zu übertragen, auch wenn ein Signaldraht unterbrochen wird.Dies bedeutet, dass auch wenn ein Pixel fehlschlägt, der Rest Ihrer LEDs weiter funktioniert.Diese Funktion macht Ihr Projekt zuverlässiger, da ein einzelner Ausfallpunkt das gesamte System nicht senkt.
Sie können Ihre WS2813 -LEDs mehr als 3 Meter voneinander entfernt platzieren, ohne zusätzliche Schaltungen zu benötigen, um das Signal zu steigern.Dies eignet sich hervorragend für großflächige Projekte, bei denen die Lichter möglicherweise weit voneinander entfernt sein müssen, da Sie keine zusätzlichen Komponenten hinzufügen müssen, um das Signal stark zu halten.
WS2813 unterstützt eine Aktualisierungsrate von 2 kHz pro Sekunde.Diese hohe Auffrischungsrate sorgt dafür, dass sich Ihre Beleuchtung reibungslos und schnell ändert, ohne dass ein merkliches Flackern ist, was sie ideal für Projekte macht, die schnelle oder dynamische Beleuchtungseffekte erfordern.
Die Datenübertragungsgeschwindigkeit für WS2813 beträgt bis zu 800 kbit / s.Dieses schnelle Getriebe ermöglicht schnelle Updates für Ihr Beleuchtungsaufbau, sodass Sie Echtzeitänderungen an den Farben und Mustern ohne Verzögerungen vornehmen können.
Der WS2813 ist so konzipiert, dass er zuverlässige Farbkonsistenz für alle LEDs bietet.Dies stellt sicher, dass alle Lichter gleichzeitig die gleichen Farben anzeigen und ein einheitliches und visuell ansprechendes Ergebnis in Ihrem Projekt liefern.
WS2813 wird häufig in der Leuchten von Leitplanken verwendet.Diese Art der Anwendung ist bei der Außenbeleuchtung üblich, insbesondere an Wegen oder architektonischen Merkmalen, in denen eine konsistente und lebendige Beleuchtung erforderlich ist.Die Haltbarkeit und einfache Einrichtung machen es zu einer geeigneten Wahl für diese Umgebungen.
WS2813 ist ideal für Point Light Displays, wobei jede LED als individuelle Lichtspitze in einer größeren Anzeige dient.Dies kann für dekorative Beleuchtung, Beschilderung oder kreative Installationen verwendet werden, bei denen eine präzise Farbkontrolle und Helligkeit wichtig sind.
WS2813 funktioniert sowohl in flexiblen als auch in starren LED -Streifen gut.Diese Streifen können in verschiedenen Anwendungen verwendet werden, von Unterkabinetbeleuchtung in Häusern bis hin zu großflächigen Installationen in Gewerbeflächen.Die Flexibilität der Streifen in Kombination mit der Zuverlässigkeit von WS2813 bietet Ihnen viele Optionen für das Design.
WS2813 wird auch häufig in LED-Modulen verwendet, bei denen es sich um eigenständige Einheiten handelt, die die LED und die erforderlichen Schaltkreise enthalten.Diese Module sind in Anwendungen nützlich, bei denen der Platz begrenzt ist, aber noch zuverlässige Beleuchtung erforderlich ist, z. B. in kleineren Installationen oder benutzerdefinierten Beleuchtungskörpern.
WS2813 kann in Kostüme der Bühnenbeleuchtung integriert werden, wodurch Leistungsoutfits dynamische Beleuchtungseffekte hinzufügen.Die farbige Anzeige und die hohe Aktualisierungsrate machen es zu einer hervorragenden Wahl für Kostüme, die während einer Leistung schnell die Farben und Muster ändern müssen.
WS2813 kann in verschiedenen innovativen Geräten oder elektronischen Produkten verwendet werden, die helle, farbenfrohe Beleuchtung erfordern.Egal, ob Sie ein einzigartiges Gerät entwerfen oder ein Beleuchtung zu einem vorhandenen Produkt hinzufügen, WS2813 bietet Ihnen die Kontrolle über die Farbe und Helligkeit in einem kompakten und benutzerfreundlichen Paket.
Wenn Sie mit WS2813 arbeiten, benötigen Sie nur eine Stromversorgung, die sowohl den Steuerkreis als auch die LED unterstützt.Der WS2813 ist so konzipiert, dass die Verkabelung durch Kombination des RGB -Chips und der Steuerkreis zu einer zu einer vereinfacht wird.Die eingebaute Schaltung formuliert das Signal und stellt sicher, dass es keinen Verlust an Signalqualität gibt, wenn es durch jedes Pixel führt.Dies ist wichtig, um Ihr Beleuchtungssystem korrekt funktionieren zu lassen, ohne zu flackern oder zu fällen.Die Verkabelung wird weiter vereinfacht, da WS2813 integrierte Reset-Schaltungen enthält, die sicherstellen, dass die Lichter nach einem Reset oder einem Stromversand ordnungsgemäß online kommen.

Um den WS2813 zu verwenden, wird die Datenübertragung über eine einzelne Kommunikationsmethode behandelt, die als NZR bekannt ist.Wenn Sie das Pixel zum ersten Mal einschalten, empfängt der DIN -Port (Dateneingang) Informationen von Ihrem Controller.Das erste Pixel in der Kette wird die anfänglichen 24 Datenbits erfassen und intern speichern.Anschließend wird das umgestaltete Signal an das nächste Pixel gesendet, und dieser Vorgang wird fortgesetzt, bis jedes Pixel seine Daten hat.
Ein großartiges Merkmal des WS2813 ist die Fähigkeit, automatisch zu signalisieren.Dies bedeutet, dass das Signal, egal wie viele LEDs Sie ketten, stark bleibt, wenn es von einem Pixel zum nächsten übergeht.Wenn eines der Pixel Schäden auftreten, übernimmt der Backup -Eingang (Bin) automatisch und stellt sicher, dass das Signal ohne Unterbrechung fortgesetzt wird.Dieses Setup hält Ihr Beleuchtungsprojekt auch, wenn ein Pixel fehlschlägt.

Der größte Unterschied zwischen WS2813 und WS2812B liegt darin, wie sie mit Signalunterbrechungen umgehen.Wenn bei WS2812B eine LED in der Kette nicht mehr funktioniert, funktioniert der Rest der LEDs nicht, da die Schaltung gebrochen ist.WS2813 löst dieses Problem jedoch mit seinem Dual-Signal-System.Dies bedeutet, dass die anderen, wenn eine LED fehlschlägt, weiter arbeiten, solange der Versäumnis nicht in zwei benachbarten LEDs liegt.Dies macht WS2813 zu einer zuverlässigeren Option, wenn sie an Projekten arbeiten, bei denen längere LED -Ketten erforderlich sind.
Sie müssen sich keine Sorgen über Ihr gesamtes Projekt machen, das abgeschaltet wird, nur weil eine LED mit WS2813 fehlschlägt.Das System ist so konzipiert, dass es das zerbrochene Pixel umgeht und alles reibungslos läuft.Diese Verbesserung gegenüber WS2812B macht WS2813 zu einer bevorzugten Wahl für Menschen, die nach zuverlässigeren Beleuchtungsaufnahmen suchen.

WS2813 wird von einem Unternehmen namens WorldSemi hergestellt.Seit Anfang 2007 ist Worldsemi für sein Fachwissen in der LED -Technologie bekannt.Sie haben eine Vielzahl von Produkten über LEDs entwickelt, darunter LED -Controller und andere verwandte Komponenten.Ihr Fokus auf zuverlässige, innovative Beleuchtungslösungen hat sie zu einem starken Akteur auf dem Markt gemacht.Egal, ob Sie ein kleines Beleuchtungsprojekt oder etwas Größeres erstellen möchten, die Produkte von Worldsemi wie das WS2813 werden gebaut, um die Ergebnisse zu erzielen, die Sie mit Leichtigkeit und Selbstvertrauen nachkommen.
Sie können die WS2813 -LED -Streifen mit der Fastleder Library mit Arduino steuern.Wählen Sie den Typ „WS2812“ in der Bibliothek und geben Sie den Datenstift für den Streifen an.Schließen Sie den LED-Strip-DIN-Pin (Dateneingang) mit dem Arduino-Pin 6 an und legen Sie einen optionalen 470-Ohm-Widerstand zwischen ihnen.
Der WS2813 hat eine Rücksetzzeit von 250 μs, wodurch er bei niedrigeren Frequenzen und günstigeren Mikrocontrollern im Vergleich zum WS2812B effizienter arbeiten kann.
WS2813 -LEDs werden üblicherweise in Anwendungen wie Leitplanken, Pixel -Displays, flexiblen und starren Streifen, modularen Beleuchtungssystemen, Bühnenbeleuchtung und innovativen elektronischen Geräten verwendet.
Bitte senden Sie eine Anfrage, wir werden sofort antworten.
auf 2024/10/18
auf 2024/10/18
auf 8000/04/18 147758
auf 2000/04/18 111938
auf 1600/04/18 111349
auf 0400/04/18 83721
auf 1970/01/1 79508
auf 1970/01/1 66914
auf 1970/01/1 63061
auf 1970/01/1 63012
auf 1970/01/1 54081
auf 1970/01/1 52131