

|
PIN -Nummer |
Pin -Name |
Beschreibung |
|
1 |
Gain (-rg) |
Inverting Gain terminal, das mit Widerstand verbunden ist, um die Verstärkung festzulegen
Wert |
|
2 |
Inverting Input (IN-) |
Der invertierende Eingangsstift des Op-Ampere |
|
3 |
Nicht invertierende Eingabe (in+) |
Der nicht invertierende Eingangsstift des Verstärkers |
|
4 |
Power (-Vs) |
Negativer Versorgungsterminal |
|
5 |
Referenz |
Ausgangsreferenzeingang.Normalerweise mit Common verbunden |
|
6 |
Ausgabe |
Ausgangsstift für Verstärker |
|
7 |
Power (+vs) |
Positives Versorgungsterminal |
|
8 |
Gain (+Rg) |
Nicht invertierende Verstärkungsanschlüsse, die mit dem Widerstand an eingestellt sind
Gewinnwert |
|
Merkmal/Spezifikation |
Details |
|
Typ |
Rail-to-Rail-Instrumentenverstärker |
|
Versorgungsspannung |
Arbeitet mit einer einzelnen und zwei Versorgungsspannung |
|
Betriebsstrom (max) |
550 µA |
|
Gewinnbereich |
1 bis 1000 |
|
Bandbreite |
800 kHz |
|
Einstellung gewinnen |
Setzen Sie die Verstärkung mit nur einem Widerstand |
|
Paketoptionen |
8-polige PDIP, SOIC und VSSOP |
• Ina333
• LM4871
• AD620
• IC6283
• JRC4558
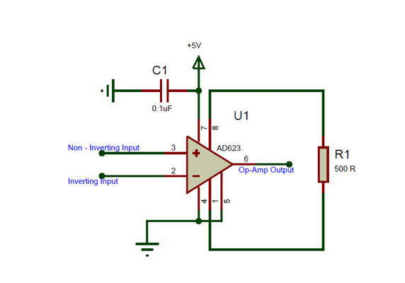
Einrichten des AD623 ist ein relativ einfacher Prozess, der hauptsächlich die Auswahl eines Widerstands zur Definition seines Gewinns betrifft.Diese Einfachheit ist einer der ansprechenden Aspekte des AD623, was sie für Sie zugänglich macht.Eine typische Konfiguration beinhaltet das Verbinden des IC mit einer einzigen +5 -V -Netzteil, während der Erdungspin 4. In Szenarien, bei denen Konfigurationen mit doppelter Versorgung erforderlich sind, sollte Pin 4 eine Verbindung zu einer negativen Spannung herstellen, wodurch der Bereich der Signalverarbeitungsanwendungen erweitert wird.

Die Eingangssignale werden auf die nicht invertierenden (Pin 2) und invertierenden (Pin 3) Stifte angewendet, während der Referenzstift (Pin 5) häufig geerdet ist.Die Erde dieses Stifts stellt sicher, dass die Ausgangsspannung korrekt ausgerichtet ist, wenn keine Differenz zwischen den Eingangssignalen besteht, wodurch potenzielle Fehler in der Signalinterpretation minimiert werden.Diese Praxis verkörpert ein ultimatives Prinzip in der Schaltungsdesign: Die Aufrechterhaltung eines stabilen Referenzpunkts ist dynamisch für genaue Messungen und zuverlässige Leistung.
Das Einstellen der Verstärkung des AD623 wird erreicht, indem ein Widerstand zwischen Pin 8 (RG) und Pin 1 platziert wird. Beispielsweise führt die Verwendung eines 500-Ohm-Widerstands zu einer Verstärkung von 100. Diese Flexibilität bei der Verstärkung kann Ihnen die Anpassung der IC-Leistung ermöglichen, die Leistung des IC anzupassenzu bestimmten Anwendungsbedürfnissen entsprechen.

Darüber hinaus können Sie die Verstärkung mithilfe einer bereitgestellten Formel oder eines Referenzdiagramms berechnen, wobei Sie verschiedene Widerstandswerte berücksichtigen.Eine solche Anpassungsfähigkeit erweist sich in tatsächlichen Szenarien, in denen Signalpegel erheblich schwanken können, größtenteils vorteilhaft.
|
1% STD -Tabellenwert von RG (ω) |
Berechnete Gewinn |
0,1% STD -Tabellenwert von RG
(Ω) |
Berechnete Gewinn |
|
49,9K |
1.990 |
49,3K |
2.002 |
|
12,4k |
4.984 |
12,4k |
4.984 |
|
5.49k |
9.998 |
5.49k |
9.998 |
|
2,61K |
19.93 |
2,61K |
19.93 |
|
1,00K |
50.40 |
1,01K |
49,91 |
|
499 |
100 |
499 |
100.0 |
|
249 |
199.4 |
249 |
199.4 |
|
100 |
495 |
98,8 |
501.0 |
|
49,9 |
991 |
49,3 |
1.003 |
Der AD623 eignet sich außergewöhnlich gut für eine Vielzahl von mächtigen Anwendungen.Seine Nützlichkeit umfasst Kalibrierungs- und Testgeräte, medizinische Instrumente mit geringer Leistung, Differentialverstärker, Datenerfassungssysteme und Steuerungsprozesssysteme.Das Design des AD623 betont sowohl Effizienz als auch Präzision und macht es zu einer bevorzugten Option in Szenarien, in denen sich diese Eigenschaften erheblich auf die Leistung auswirken.
Innerhalb von Kalibrierungs- und Testumgebungen sind die niedrigen Rauscheigenschaften des AD623 und die hohe Genauigkeit als schwerwiegende Vorteile hervorzuheben.Diese Merkmale ermöglichen genaue Messungen, die eine dynamische Rolle bei der Bestätigung der Zuverlässigkeit verschiedener Instrumente spielen.Zum Beispiel während der Sensorkalibrierung fördert die Aufrechterhaltung der Signalintegrität und fördert gleichzeitig effektivere und nachhaltigere Testpraktiken.Dieser Aspekt hat eine besondere Bedeutung in Labors, in denen die Ausrüstung häufig kontinuierlich eingesetzt wird und die Energieeffizienz zu erheblichen Reduzierungen der Betriebskosten führen kann.
Der medizinische Sektor sucht zunehmend Geräte, die genaue Messwerte liefern und gleichzeitig minimaler Strom verbrauchen.Der AD623 befasst sich effektiv mit dieser Nachfrage, indem er einen geringen Stromverbrauch bietet, ohne die Leistung zu beeinträchtigen.In Anwendungen wie tragbarer diagnostischer Geräte und tragbaren Gesundheitsmonitoren verbessert die Kapazität, um die Mobilität und den Komfort der Patienten effizient zu betreiben, die Patienten mit begrenzter Stromversorgung.Darüber hinaus kann die Integration dieser Technologie in die routinemäßige Gesundheitsüberwachung die Patientenergebnisse erheblich verbessern, da eine konsistente Überwachung realisierbarer und zugänglicher wird.
In Szenarien, die die Messung kleiner Signale inmitten von Rauschen erfordern, spielen Differentialverstärker eine wichtige Rolle.Der AD623 zeichnet sich in dieser Domäne aus und bietet eine außergewöhnliche Abstoßung und eine hohe Eingangsimpedanz.Diese Eigenschaften stellen sicher, dass der Verstärker die Signale aus verschiedenen Quellen, einschließlich Dehnungsmessgeräte und Temperatursensoren, die häufig in Industrie- und Forschungskontexten verwendet werden, genau verarbeiten kann.Durch die Einbeziehung des AD623 können Sie Systeme entwickeln, die nicht nur die Zuverlässigkeit verbessern, sondern auch genaue Daten in anspruchsvollen Umgebungen liefern.
Der AD623 ist für Datenerfassungssysteme grundlegend und erleichtert die genaue Sammlung und Verarbeitung analoge Signale.Der effiziente Betrieb bei niedriger Leistung macht es größtenteils für batteriebetriebene Geräte geeignet, die bei Fernüberwachungsanwendungen immer häufiger vorkommen.Die Verschmelzung solcher Systeme mit fortschrittlicher Datenanalyse kann eine fundiertere Entscheidungsfindung liefern, insbesondere in Bereichen wie Umweltüberwachung und intelligenter Landwirtschaft.Die aus diesen Systemen abgeleiteten Erkenntnisse können Innovationen und Verbesserungen in verschiedenen Sektoren auslösen.
In Kontrollprozesssystemen ermöglichen die Eigenschaften des AD623 reaktionsschnell und genaues Prozessmanagement.Diese Fähigkeit wird speziell für Automatisierung und industrielle Anwendungen verwendet, bei denen die gegenwärtige Datenverarbeitung dominiert.Der geringe Stromverbrauch des Verstärkers trägt zur Gesamtwirkungsgrad von Kontrollsystemen bei und ermöglicht nachhaltige Operationen.Da die Branchen weiterhin Automatisierung einnehmen, ist die Bedeutung effizienter und präziser Komponenten wie dem AD623 der Schlüssel für die Fortschritte und die Verbesserung der Betriebsfähigkeiten.

Bitte senden Sie eine Anfrage, wir werden sofort antworten.
auf 2024/12/26
auf 2024/12/26
auf 8000/04/18 147758
auf 2000/04/18 111938
auf 1600/04/18 111349
auf 0400/04/18 83721
auf 1970/01/1 79508
auf 1970/01/1 66914
auf 1970/01/1 63061
auf 1970/01/1 63012
auf 1970/01/1 54081
auf 1970/01/1 52131