
EPF10K30AFC484-1 ist ein feldprogrammierbares Gate-Array, das zur Implementierung konfigurierbarer digitaler Logik in eingebetteten elektronischen Systemen verwendet wird.Das Gerät enthält programmierbare Logikelemente, interne Speicherblöcke und Routing-Ressourcen, die die Erstellung benutzerdefinierter digitaler Funktionen innerhalb einer einzigen Komponente ermöglichen.Seine interne Struktur unterstützt Steuerlogik, Datenverarbeitung und Schnittstellenverwaltung für eine Vielzahl elektronischer Geräte.Das Gerät arbeitet mit einem Versorgungsbereich von 4,75 V bis 5,25 V und bietet bis zu 246 programmierbare Eingangs- und Ausgangsverbindungen.Das Gehäuse verwendet ein 484-Ball-Fine-Pitch-BGA-Format, das für oberflächenmontierte Leiterplatten in kompakten Systemdesigns geeignet ist.
Suchen Sie nach EPF10K30AFC484-1?Kontaktieren Sie uns, um den aktuellen Lagerbestand, die Lieferzeit und die Preise zu überprüfen.

Das Gehäuselayout zeigt, wie die Geräte der FLEX 10K-Familie über verschiedene Gehäusegrößen hinweg eine konsistente Kugelgitterstruktur aufweisen.Ein für ein 484-Pin-FineLine-BGA-Gehäuse ausgelegter Leiterplatten-Footprint unterstützt Geräte mit unterschiedlicher I/O-Anzahl, indem die gleichen äußeren Kugelpositionen beibehalten werden.Das Diagramm vergleicht ein 256-Pin-FineLine-BGA-Gerät und ein 484-Pin-FineLine-BGA-Gerät, wobei das kleinere Gehäuse eine geringere Anzahl aktiver Verbindungen verwendet und gleichzeitig die Ausrichtung auf das gleiche Platinenlayout beibehält.Durch diese Anordnung können Leiterplatten, die für größere Gehäuse ausgelegt sind, kleinere Versionen des Geräts aufnehmen, wenn weniger Eingangs- oder Ausgangssignale oder Logikressourcen erforderlich sind.
Das Gerät integriert eine programmierbare Logikstruktur, die die Konfiguration digitaler Schaltkreise nach der Installation ermöglicht.Entwickler können Steuerlogik, Signalrouting und Verarbeitungsfunktionen innerhalb des Chips implementieren, indem sie Verbindungen zwischen internen Logikelementen definieren.
Insgesamt 1728 Logikelemente sind in mehreren Logik-Array-Blöcken angeordnet, die die interne Verarbeitungsstruktur bilden.Jedes Logikelement kann arithmetische, kombinatorische Logik- oder Speicheroperationen ausführen, sodass das Gerät eine Vielzahl digitaler Schaltungsdesigns unterstützen kann.
Das Gerät verfügt über 12288 Bit internen Speicher, der in dedizierten Array-Blöcken organisiert ist.Diese Blöcke bieten einen On-Chip-Datenspeicher, der für temporäre Pufferung, Nachschlagetabellen oder kleine Speicherfunktionen für digitale Systeme konfiguriert werden kann.
Bis zu 246 programmierbare Ein- und Ausgangsanschlüsse ermöglichen die Kommunikation des Geräts mit externen Komponenten.Diese Verbindungen unterstützen bidirektionale Signalpfade und können für unterschiedliche digitale Schnittstellenanforderungen konfiguriert werden.
Signale werden über eine Routing-Struktur durch das Gerät geleitet, die aus Zeilen- und Spaltenverbindungspfaden besteht.Dieses interne Netzwerk verteilt Daten zwischen Logikblöcken, Speicherbereichen und Eingangs-Ausgangs-Pins über das programmierbare Array.
Das Gerät arbeitet mit einem Versorgungsbereich von 4,75 V bis 5,25 V, der mit vielen digitalen elektronischen Systemen kompatibel ist.Dieser Spannungsbereich unterstützt ein zuverlässiges Signalverhalten im Dauerbetrieb der Anlage.
Das Gerät wurde für kommerzielle Temperaturumgebungen entwickelt und funktioniert in einem Temperaturbereich von 0 °C bis 70 °C.Dieses Betriebsfenster unterstützt elektronische Geräte in Innenräumen und kontrollierte Systemumgebungen.
Die Komponente ist in einem 484-Kugel-Fine-Pitch-BGA-Gehäuse mit einer Größe von etwa 23 x 23 Millimetern untergebracht.Dieses Format unterstützt dichte Schaltungslayouts und sorgt gleichzeitig für stabile elektrische Verbindungen auf mehrschichtigen Leiterplatten.
| Produktattribut | Attributwert |
| Hersteller | Altera (Intel) |
| Spannung - Versorgung | 4,75 V ~ 5,25 V |
| Gesamtzahl der RAM-Bits | 12288 |
| Gerätepaket des Lieferanten | 484-FBGA (23x23) |
| Serie | FLEX-10KA® |
| Paket/Koffer | 484-BBGA |
| Paket | Masse |
| Betriebstemperatur | 0°C ~ 70°C (TA) |
| Anzahl der Logikelemente/Zellen | 1728 |
| Anzahl der LABs/CLBs | 216 |
| Anzahl der E/A | 246 |
| Anzahl der Tore | 69000 |
| Montageart | Oberflächenmontage |
| RoHS-Status | Nicht RoHS-konform |
| Feuchtigkeitsempfindlichkeitsniveau (MSL) | 3 (168 Stunden) |
| REACH-Status | REACH Unberührt |
| ECCN | 3A991D |
| HTSUS | 8542.39.0001 |

Das interne Layout ordnet programmierbare Logik über ein Raster von Logik-Array-Blöcken an, die mehrere Logikelemente enthalten, die zum Aufbau digitaler Schaltkreise verwendet werden.Eingebettete Array-Blöcke erscheinen innerhalb des Arrays und stellen dedizierte Speicherressourcen bereit, die Daten während des Gerätebetriebs speichern.Horizontale und vertikale Routingkanäle, die als Zeilen- und Spaltenverbindungen gekennzeichnet sind, bilden das interne Signalnetzwerk, das die Logikblöcke und Speicherbereiche verbindet.Eingangs- und Ausgangselemente sind an den Außenkanten des Geräts positioniert und bilden die elektrische Schnittstelle zwischen interner Logik und externen Pins.Lokale Verbindungspfade innerhalb jedes Logik-Array-Blocks ermöglichen den schnellen Signalaustausch benachbarter Logikelemente, während die größere Routing-Struktur Signale über das gesamte programmierbare Array verteilt.

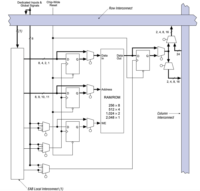
Die Speicherstruktur innerhalb des programmierbaren Arrays enthält einen eingebetteten Array-Block, der dedizierten Speicher innerhalb der FPGA-Struktur bereitstellt.Der Block unterstützt konfigurierbare Speichergrößen, einschließlich 256 × 8, 512 × 4, 1.024 × 2 und 2.048 × 1, und ermöglicht so flexible Datenbreiten- und -tiefenanordnungen je nach Design.Dateneingabe-, Datenausgabe-, Adressauswahl- und Schreibfreigabepfade verbinden die Speicherzelle über interne Register und Steuermultiplexer mit der umgebenden Logik.Lokale Verbindungsleitungen leiten Signale von benachbarten Logik-Array-Blöcken direkt in die Speicherschnittstelle, während Zeilen- und Spalten-Verbindungskanäle den Block mit dem breiteren Routing-Netzwerk im gesamten Gerät verbinden.Dedizierte Eingangspfade und globale Steuersignale verwalten Timing und Synchronisation, sodass programmierbare Logikelemente im FPGA auf gespeicherte Daten zugreifen können.
Das Gerät kann digitale Steuerungsaufgaben innerhalb automatisierter Anlagen verwalten.Mit programmierbarer Logik können Systementwickler Zeitsteuerung, Sensorverarbeitung und Aktuatorkoordination in Industriemaschinen und Produktionssystemen implementieren.
Dank eingebetteter Logikressourcen und internem Speicher kann das Gerät Signalmanipulations- und Filteraufgaben unterstützen.Es kann in Systemen verwendet werden, die abgetastete Datenströme verarbeiten, bei denen digitale Vorgänge in vorhersehbaren Zeitintervallen erfolgen müssen.
Kommunikationsgeräte erfordern häufig eine konfigurierbare Logik zur Verwaltung der Protokollverarbeitung und Signalweiterleitung.Das Gerät kann Datenpfade zwischen Kommunikationskanälen und digitalen Verarbeitungseinheiten innerhalb von Netzwerkgeräten koordinieren.
Elektronische Messsysteme sammeln Signale mehrerer Sensoren und wandeln sie in digitale Datenströme um.Das Gerät kann Signal-Timing, Pufferung und Schnittstellensteuerung in Systemen verwalten, die zur Überwachung und Messung verwendet werden.
Netzwerkschnittstellengeräte verwenden programmierbare Logik, um die Paketverarbeitung und die interne Signalkoordination zu verwalten.Das Gerät kann Datenpfade zwischen Verarbeitungseinheiten und externen Kommunikationsschnittstellen organisieren.
Entwicklungssysteme verwenden häufig programmierbare Logikgeräte, um digitale Schaltungsentwürfe zu testen und zu bewerten.Das Gerät ermöglicht es Ingenieuren und Entwicklern, das Systemverhalten zu überprüfen, bevor sie Entwürfe für feste Hardware-Implementierungen festlegen.
• Eine hohe Anzahl an I/O-Pins ermöglicht die Verbindung mit vielen externen Komponenten in komplexen Systemen
• Eine große Anzahl von Logikelementen ermöglicht die Implementierung anspruchsvoller digitaler Logikschaltungen
• Integrierter RAM unterstützt interne Datenpufferung und Speichervorgänge
• Die programmierbare Architektur ermöglicht Designänderungen, ohne das Hardware-Layout zu ändern
• Das oberflächenmontierbare FBGA-Gehäuse unterstützt die Integration kompakter Leiterplatten
• Geeignet für kundenspezifische Hardwarebeschleunigung und parallele Logikverarbeitung
• Erfordert spezielle FPGA-Entwicklungstools und Hardware-Designkenntnisse
• Höherer Stromverbrauch im Vergleich zu kleineren programmierbaren Logikgeräten
• Ältere FPGA-Familie mit geringerer Effizienz im Vergleich zu modernen FPGA-Architekturen
• Der Entwicklungs- und Debugging-Prozess kann für Anfänger komplex sein
| Teilenummer | Hersteller | Hauptmerkmale | Anwendungsfall/Hinweise |
| EPF10K30AFC484-2 | Intel | Mitglied der FLEX-10KA FPGA-Familie mit etwa 1.728 Logikelementen und 12.288 Bit eingebettetem RAM.Bietet bis zu 246 I/O-Pins und unterstützt einen 5-V-Versorgungsbereich.Das Gerät ermöglicht Entwicklern die Implementierung programmierbarer digitaler Logikfunktionen in einem einzigen integrierten Schaltkreis. | Wird häufig in industriellen Steuerungssystemen, Telekommunikationshardware und eingebetteten Computerplattformen verwendet, wo konfigurierbare Logik für die kundenspezifische digitale Verarbeitung erforderlich ist. |
| EPF10K30AFC484-3 | Intel | FPGA-Gerät basierend auf der FLEX-10KA-Architektur mit programmierbaren Logikblöcken, internen RAM-Ressourcen und einer Schnittstelle mit hoher Pinzahl.Es ermöglicht Designern, digitale Schaltkreise zu konfigurieren, ohne einen benutzerdefinierten ASIC erstellen zu müssen. | Wird häufig in Kommunikationsgeräten, Signalverarbeitungsplatinen und Prototypen digitaler Systeme eingesetzt, bei denen während der Entwicklung Hardwareflexibilität erforderlich ist. |
| EPF10K30AFC484-3 | Altera | Programmierbares Logikgerät mit hoher Dichte aus der FLEX-10KA-Serie, das konfigurierbare Logikzellen, eingebettete Speicherblöcke und flexible Routing-Ressourcen kombiniert.Die Architektur unterstützt komplexe digitale Designs mit großer Gate-Kapazität. | Geeignet für Telekommunikationssysteme, eingebettete Verarbeitungshardware und kundenspezifische digitale Steuerplatinen, bei denen programmierbare Logik feste Hardwareschaltkreise ersetzt. |
Altera war ein Halbleiterunternehmen, das für die Entwicklung programmierbarer Logikgeräte für digitale elektronische Systeme bekannt war.Das Unternehmen entwickelte eine breite Palette feldprogrammierbarer Gate-Arrays und programmierbarer Logikkomponenten, die in den Bereichen Kommunikation, Computer, Industrieausrüstung und eingebettete Plattformen eingesetzt werden.Seine Produkte ermöglichten es Designern, kundenspezifische digitale Schaltkreise zu erstellen, die nach der Herstellung neu konfiguriert werden konnten.Altera führte mehrere programmierbare Logikfamilien ein, darunter MAX-, FLEX- und Stratix-Geräte, die im Elektronikdesign weit verbreitet waren.Später wurde das Unternehmen Teil von Intel, wo seine programmierbare Logiktechnologie weiterhin für Datenverarbeitung, Netzwerksysteme und eingebettete digitale Plattformen weiterentwickelt wird.
Wenn Sie den EPF10K30AFC484-1 verstehen, können Sie erkennen, wie programmierbare Logik komplexe digitale Systeme vereinfachen kann.Dieses Gerät kombiniert konfigurierbare Logikelemente, internen Speicher und flexibles Routing, sodass Sie benutzerdefinierte Logikfunktionen in einer einzigen Komponente erstellen können.Sie haben auch gesehen, wie die Paketstruktur, die Gerätearchitektur und die eingebetteten Speicherblöcke eine zuverlässige Datenübertragung über eine Leitung unterstützen.Seine Anwendungen umfassen industrielle Steuerung, Signalverarbeitung, Kommunikationsausrüstung und System-Prototyping.Durch die Überprüfung seiner Funktionen und Designstruktur erhalten Sie eine klarere Vorstellung davon, wie dieses FPGA die anpassungsfähige und effiziente Entwicklung elektronischer Systeme unterstützen kann.
Bitte senden Sie eine Anfrage, wir werden sofort antworten.
Das EPF10K30AFC484-1 ist ein feldprogrammierbares Gate-Array, das dies ermöglicht Digitale Logikschaltungen, die nach der Installation des Geräts konfiguriert werden müssen ein System.
Das Gerät unterstützt bis zu 246 programmierbare Ein- und Ausgänge Verbindungen, die die Kommunikation mit externen Komponenten in einem ermöglichen Schaltung.
Das Gerät arbeitet in einem Versorgungsspannungsbereich von 4,75 V bis 5,25 V, was mit vielen digitalen elektronischen Systemen übereinstimmt.
Das Gerät verfügt über eingebettete Speicherblöcke, die 12.288 Bit bereitstellen Speicherplatz zum Puffern von Daten und zur Unterstützung interner Logikoperationen.
Es wird häufig in industriellen Steuerungssystemen und der Kommunikation verwendet Ausrüstung, Datenerfassungshardware und Prototyping digitaler Systeme Plattformen.
auf 2026/03/13
auf 2026/03/13
auf 8000/04/18 147757
auf 2000/04/18 111937
auf 1600/04/18 111349
auf 0400/04/18 83721
auf 1970/01/1 79508
auf 1970/01/1 66913
auf 1970/01/1 63053
auf 1970/01/1 63012
auf 1970/01/1 54081
auf 1970/01/1 52130