
Die AD8542AR ist ein dualer Allzweck-Operationsverstärker, der für den Betrieb mit geringem Stromverbrauch und eine Rail-to-Rail-Eingangs- und Ausgangsleistung ausgelegt ist.Es wird mit einer einzigen Versorgung betrieben und unterstützt Niederspannungssysteme, bei denen eine effiziente Signalverarbeitung erforderlich ist.Das Gerät bietet eine stabile Verstärkung für kleine analoge Signale und behält gleichzeitig ein konsistentes Verhalten über den gesamten Betriebsbereich bei.Sein Zweikanal-Design unterstützt kompakte Schaltungslayouts und reduziert die Anzahl der Komponenten.Zu den üblichen Anwendungen gehören die Aufbereitung von Sensorsignalen, batteriebetriebene Instrumente, tragbare Messgeräte und grundlegende analoge Verarbeitungsstufen.Das Teil bringt Genauigkeit und Energieeffizienz für alltägliche analoge Funktionen in Einklang.Suchen Sie nach AD8542AR?Kontaktieren Sie uns, um den aktuellen Lagerbestand, die Lieferzeit und die Preise zu überprüfen.

| Pin-Nummer | Pin-Name | Beschreibung |
| 1 | AUS A | Ausgang Verstärker A |
| 2 | −IN A | Verstärker Ein invertierender Eingang |
| 3 | +IN A | Verstärker Ein nichtinvertierender Eingang |
| 4 | V− | Negative Versorgung oder Masse |
| 5 | +IN B | Nichtinvertierender Eingang des Verstärkers B |
| 6 | −IN B | Verstärker B invertierender Eingang |
| 7 | AUS B | Ausgang Verstärker B |
| 8 | V+ | Positives Angebot |



Der AD8542AR enthält zwei unabhängige Verstärkerkanäle in einem Gerät.Dadurch kann eine einzelne Komponente gepaarte analoge Signale verarbeiten, was dazu beiträgt, den Platz auf der Platine zu reduzieren und das Schaltungslayout zu vereinfachen.Beide Kanäle arbeiten mit angepasstem elektrischem Verhalten und unterstützen eine ausgewogene und konsistente Signalverarbeitung.
Ein- und Ausgänge können in der Nähe beider Versorgungsniveaus schwanken.Dies ermöglicht eine bessere Nutzung des verfügbaren Spannungsbereichs, insbesondere in Niederspannungssystemen.Beim Betrieb mit einer einzigen Versorgung können Signale mit minimalem Verlust des Dynamikbereichs verarbeitet werden.
Im Normalbetrieb verbraucht das Gerät nur sehr wenig Versorgungsstrom.Dies unterstützt eine längere Batterielebensdauer und einen geringeren Gesamtstrombedarf.Es eignet sich gut für Systeme, die über längere Zeiträume aktiv bleiben.
Eine kleine Eingangs-Offsetspannung trägt dazu bei, die Genauigkeit bei der Verstärkung von Signalen mit niedrigem Pegel aufrechtzuerhalten.Dies reduziert unerwünschte Spannungsfehler am Ausgang.Stabiles Offset-Verhalten unterstützt wiederholbare Messungen.
Die Eingangsstufe zieht nur sehr wenig Strom.Dies minimiert die Interaktion mit hochohmigen Signalquellen.Es trägt dazu bei, die Signalintegrität in empfindlichen Eingangspfaden zu bewahren.
Die Verstärkungsbandbreite unterstützt gängige analoge Signalfrequenzen, die in Erfassungs- und Steuerschaltungen verwendet werden.Es sorgt für eine gleichmäßige Verstärkung ohne übermäßige Signalverzerrung.Dadurch eignet sich das Gerät für eine Vielzahl alltäglicher analoger Aufgaben.
Die Anstiegsgeschwindigkeit ermöglicht sanfte Ausgangsübergänge, wenn sich das Eingangssignal ändert.Dies unterstützt eine stabile Signalverfolgung ohne abrupte Kanten.Es trägt dazu bei, eine vorhersehbare Zeitreaktion aufrechtzuerhalten.
Die Ausgangsstufe kann moderate Stromstärken liefern und aufnehmen.Dies ermöglicht den direkten Anschluss an Lasten wie Filter oder Konverter.In vielen Ausführungen ist keine zusätzliche Pufferstufe erforderlich.
Der Verstärker arbeitet in einem breiten Versorgungsspannungsbereich.Dies ermöglicht die Kompatibilität mit unterschiedlichen Systemleistungsstufen.Es unterstützt die flexible Integration in Mischspannungsdesigns.
Das Gerät ist für den Betrieb in einem weiten Temperaturbereich ausgelegt.Die elektrische Leistung bleibt unter wechselnden thermischen Bedingungen stabil.Dies unterstützt den Einsatz in Industrie- und Outdoor-Umgebungen.
| Produktattribut | Attributwert |
| Hersteller | Analog Devices, Inc. |
| Spannung – Versorgungsspanne (min.) | 2,7 V |
| Spannung – Versorgungsspanne (max.) | 5,5 V |
| Spannung – Eingangsoffset | 1 mV |
| Bandbreitenprodukt gewinnen | 1 MHz |
| Anstiegsgeschwindigkeit | 0,92 V/µs |
| Ausgabetyp | Rail-to-Rail |
| Strom - Versorgung | 45 µA (x2 Kanäle) |
| Strom – Ausgang/Kanal | 30mA |
| Strom – Eingangsvorspannung | 4 pA |
| Betriebstemperatur | -40 °C ~ 125 °C |
| Anzahl der Stromkreise | 2 |
| Montageart | Oberflächenmontage |
| Gerätepaket des Lieferanten | 8-SOIC |
| Paket/Koffer | 8-SOIC (0,154", 3,90 mm Breite) |
| Paket | Rohr |
| Basisproduktnummer | AD8542 |

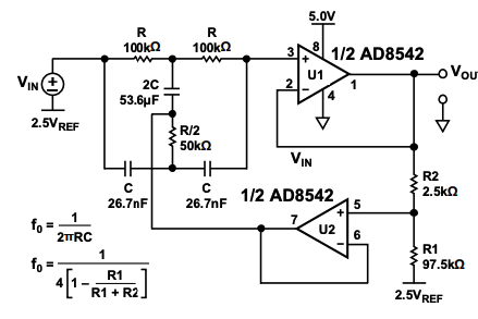
Aktiver Twin-T-Notch-Filter, der so konfiguriert ist, dass er 60-Hz-Interferenzen unter Verwendung beider Kanäle des AD8542 Dual-Operationsverstärkers im Einzelversorgungsbetrieb unterdrückt.Die Schaltung kombiniert ein passives Twin-T-Netzwerk aus aufeinander abgestimmten Widerständen und Kondensatoren mit einer aktiven Verstärkerstufe, um die Kerbtiefe zu erhöhen und den Qualitätsfaktor zu steuern, der über ein definiertes Widerstandsverhältnis auf 10 eingestellt wird.Eine 5,0-V-Versorgung wird mit einer 2,5-V-Referenz verwendet, um den Signalpfad vorzuspannen und so einen ordnungsgemäßen Betrieb ohne negative Schiene zu ermöglichen.Ein Verstärkerabschnitt verarbeitet das gefilterte Signal, während der zweite die mittlere Versorgungsreferenz puffert und so eine stabile Vorspannung gewährleistet.Komponentenwerte werden ausgewählt, um die Kerbfrequenz gemäß der Standard-RC-Beziehung festzulegen, wodurch die Konfiguration zur Unterdrückung von Stromleitungsrauschen in niederfrequenten analogen Signalpfaden geeignet ist.
Der AD8542AR wird häufig in tragbaren Elektronikgeräten verwendet, bei denen eine niedrige Versorgungsspannung und ein Betrieb mit geringem Stromverbrauch erforderlich sind.Es unterstützt eine stabile Signalverstärkung bei minimalem Stromverbrauch, was zur Verlängerung der Batteriebetriebszeit beiträgt.Das Rail-to-Rail-Verhalten ermöglicht eine genaue Signalverarbeitung, auch wenn sich die Batteriespannung ändert.
In sensorbasierten Systemen wird der AD8542AR verwendet, um Signale mit niedrigem Pegel vor der Weiterverarbeitung zu verstärken, zu puffern oder zu skalieren.Sein niedriger Eingangsruhestrom trägt dazu bei, die Belastung empfindlicher Sensorausgänge zu vermeiden.Dies unterstützt eine sauberere Signalübertragung von Sensoren wie Temperatur-, Druck- oder Lichtsensorelementen.
Das Gerät passt gut in Instrumente, die über längere Zeiträume aktiv bleiben müssen.Es sorgt für eine gleichmäßige Verstärkung und hält gleichzeitig den Stromverbrauch niedrig.Dadurch eignet es sich für Überwachungsgeräte, bei denen sowohl ein konsistentes Signalverhalten als auch eine Effizienz erforderlich sind.
Der AD8542AR wird in analogen Front-End-Stufen verwendet, um Signale für die Konvertierung oder Steuerblöcke vorzubereiten.Es hilft, Spannungspegel zu stabilisieren und Signalübergänge zu glätten.Dies verbessert die Konsistenz bei Audiopfaden, Benutzereingabeschaltungen und analogen Schnittstellen mit niedriger Geschwindigkeit.
In industriellen Systemen unterstützt der Verstärker die Signalaufbereitung für Steuerungsrückmeldungen und Überwachungspfade.Sein großer Betriebstemperaturbereich ermöglicht einen zuverlässigen Betrieb unter wechselnden Umgebungsbedingungen.Dies unterstützt ein vorhersehbares Systemverhalten im Langzeitbetrieb.
Der AD8542AR wird häufig für allgemeine Verstärkungsaufgaben innerhalb eingebetteter Plattformen ausgewählt.Es kann Signale zwischen gemischten analogen und digitalen Blöcken puffern.Diese Flexibilität ermöglicht die Unterstützung von Filter-, Skalierungs- und Isolationsfunktionen in kompakten Designs.

Kompaktes, oberflächenmontierbares Gehäuse mit acht Anschlüssen, die symmetrisch um einen schmalen rechteckigen Körper angeordnet sind. Die Abmessungen sind als Referenz in Millimetern und Zolläquivalenten angegeben.Das Layout zeigt eine Körperbreite von ca. 3,80 bis 4,00 mm und eine Gesamtlänge von ca. 4,80 bis 5,00 mm bei einem nominalen Steigungsabstand von 1,27 mm.Die Anschlussgeometrie umfasst eine definierte Anschlussbreite, -dicke und Abstandshöhe, um eine ordnungsgemäße Verlötung und Koplanarität sicherzustellen, die auf 0,10 mm spezifiziert ist.Die Zeichnung identifiziert die Ausrichtung der Sitzebene, die Steigungswinkel und die Fasendetails und vermerkt die Einhaltung des JEDEC-Standards MS-012-AA, wodurch eine konsistente mechanische Kompatibilität für die Leiterplattenmontage gewährleistet wird.
• Das Zweikanaldesign unterstützt kompakte Schaltungslayouts
• Niedriger Versorgungsstrom unterstützt energieeffizienten Betrieb
• Rail-to-Rail-Eingang und -Ausgang ermöglichen eine bessere Nutzung niedriger Versorgungsspannungen
• Sehr niedriger Eingangsruhestrom eignet sich für Signalquellen mit hoher Impedanz
• Großer Betriebstemperaturbereich unterstützt unterschiedliche Umgebungen
• Stabiles Verhalten eignet sich für die allgemeine analoge Signalverarbeitung
• Eine begrenzte Verstärkungsbandbreite schränkt die Verwendung in höherfrequenten Signalen ein
• Eine moderate Anstiegsgeschwindigkeit schränkt die Reaktion auf schnelle Signaländerungen ein
• Der Versorgungsspannungsbereich unterstützt keine Systeme mit höherer Spannung
• Das Design für allgemeine Zwecke eignet sich möglicherweise nicht für extrem geräuscharme Anwendungen
| Teilenummer | Hersteller | Hauptmerkmale | Anwendungsfall/Hinweise |
| AD8542ARM-REEL | Analog Devices, Inc. | Dualer Low-Power-Operationsverstärker mit Rail-to-Rail-Ausgangsbetrieb, niedrigem Eingangsruhestrom und stabiler Leistung über einen weiten Temperaturbereich.Lieferung in Band- und Rollenverpackung zur automatisierten Montage. | Gut geeignet für batteriebetriebene und platzbeschränkte Designs, die auf einer automatisierten oberflächenmontierten Produktion basieren, einschließlich tragbarer Instrumente und Sensorsignalaufbereitungsschaltungen. |
| AD8542AR-REEL7 | Analog Devices, Inc. | Dualer Allzweck-Operationsverstärker mit Rail-to-Rail-Ausgängen, niedrigem Ruhestrom und konsistenten elektrischen Eigenschaften.Lieferung in großvolumiger Rollenverpackung. | Wird häufig in der Großserienfertigung für analoge Signalverarbeitungsaufgaben wie Verstärkung, Pufferung und Konditionierung in Steuerungs- und Überwachungssystemen verwendet. |
| AD8542AR-REEL | Analog Devices, Inc. | Dualer Operationsverstärker mit geringem Stromverbrauch und Rail-to-Rail-Ausgangsfähigkeit, moderater Bandbreite und niedrigem Eingangsruhestrom.Entwickelt für oberflächenmontierte Anwendungen. | Geeignet für allgemeine analoge Schaltkreise, bei denen ein geringer Stromverbrauch und ein kompaktes oberflächenmontierbares Gehäuse erforderlich sind, wie z. B. Unterhaltungselektronik und eingebettete Systeme. |
Analog Devices, Inc. ist ein Technologieunternehmen, das sich auf die Entwicklung und Produktion von analogen, Mixed-Signal- und digitalen Signalkomponenten konzentriert.Das Produktportfolio unterstützt Signalmessung, -umwandlung, Leistungssteuerung und Datenverarbeitung in einer Vielzahl elektronischer Systeme.Das Unternehmen bedient Märkte wie Industrieausrüstung, Kommunikation, Gesundheitsgeräte und Unterhaltungselektronik.Seine lange Betriebsgeschichte spiegelt den Fokus auf stabile Leistung, gleichbleibende Qualität und langfristigen Produktsupport wider.Die Komponenten des Unternehmens werden häufig in Systemen eingesetzt, die ein zuverlässiges Signalverhalten unter wechselnden elektrischen und Umgebungsbedingungen erfordern.
Der AD8542AR bietet eine ausgewogene Mischung aus geringem Stromverbrauch, stabiler Leistung und flexibler Signalverarbeitung.Sie können sich auf die Zweikanalkonfiguration verlassen, um Platz zu sparen und zusätzliche Teile in Ihrem Schaltkreis zu reduzieren.Sein Rail-to-Rail-Verhalten hilft Ihnen, ohne komplexe Vorspannung mehr aus niedrigen Versorgungsspannungen herauszuholen.Mit niedrigem Eingangsruhestrom und niedriger Offsetspannung verarbeitet es kleine Signale sauber.Das Gerät funktioniert über einen weiten Temperaturbereich gut und ist daher in vielen Umgebungen zuverlässig.Insgesamt passt es gut in alltägliche analoge Designs, bei denen es auf Einfachheit und Effizienz ankommt.
Bitte senden Sie eine Anfrage, wir werden sofort antworten.
Der AD8542AR ist ein dualer Allzweck-Operationsverstärker, der für den Betrieb mit geringer Leistung und einer einzigen Versorgung konzipiert ist.
Ja, es ist für den Betrieb mit einer einzigen Versorgungsspannung ausgelegt und unterstützt Rail-to-Rail-Ein- und -Ausgang.
Man sieht es häufig bei der Sensorsignalaufbereitung, tragbaren Elektronikgeräten, Instrumenten und grundlegenden analogen Verarbeitungsschaltungen.
Der AD8542AR wird in einem 8-poligen SOIC-SMD-Gehäuse mit schmalem Gehäuse geliefert.
Ja, aufgrund seines sehr niedrigen Eingangsruhestroms ist es für Schaltkreise geeignet, die an Signalquellen mit hoher Impedanz angeschlossen sind.
auf 2026/01/13
auf 2026/01/13
auf 8000/04/18 147764
auf 2000/04/18 111989
auf 1600/04/18 111351
auf 0400/04/18 83751
auf 1970/01/1 79546
auf 1970/01/1 66949
auf 1970/01/1 63094
auf 1970/01/1 63028
auf 1970/01/1 54092
auf 1970/01/1 52172