
Der 1N5822 ist eine Schottky -Diode, die für den außergewöhnlich niedrigen Vorwärtsspannungsabfall bekannt ist, was es zu einer günstigen Wahl für Anwendungen macht, die schnelles Schalten auf reduzierten Stromniveaus erfordern.Dies bietet einen Vorteil im Switch-Modus-Stromversorgungsmittel und im hochfrequenten DC-zu-DC-Wandler, bei denen die Effizienz die Gesamtsystemleistung beeinflussen kann.Diese Diode wird in einem DO-201-Paket eingeschlossen und wird häufig in Niederspannungs- und Hochfrequenzoperationen verwendet, einschließlich Verwendungen wie Wechselrichter mit niedrigem Volt, Freilaufanwendungen, Polaritätsschutz und schlanke Batterieladegeräte.Seine Fähigkeit zu Übergangszuständen mit Leichtigkeit sorgt für einen minimierten Energieverlust und verbessert damit die Effizienz von Systemen, die darauf stützen.
In praktischen Anwendungen ist das Design des 1N5822 in seiner Fähigkeit, die thermische Dissipation zu verwalten, häufig eine Herausforderung in kompakten Systemen, die eine hohe Effizienz erfordern.Diese Konstruktion ermöglicht es, über unterschiedliche Bedingungen hinweg zuverlässig zu funktionieren, was es zu einer bevorzugten Wahl für Prototypen macht, die eine stetige Leistung in sich ändernden Umgebungen erfordern.Die niedrige Vorwärtsspannung der Diode ist maßgeblich zur Unterstützung der Stromerhaltung beteiligt, was hauptsächlich für die Aufrechterhaltung der Energie in tragbaren elektronischen Geräten von Vorteil ist.
Aus analytischer Perspektive ist es grundlegend sicherzustellen, dass die gesamte Schaltung die Vorteile seines Spannungsabfalls mit niedrigem Vorspannung nutzt, während der 1N5822 in niedrigen Spannungsszenarien leuchtet.Das sorgfältige Ausrichten der Attribute der Diode mit den anderen Komponenten des Systems kann die Leistung und Haltbarkeit des Geräts erheblich erheben.Die tiefere Untersuchung der Entwurfseffizienz kann weitere Strategien aufdecken, um das Potenzial dieser Komponente in hochmodernen Anwendungen vollständig auszunutzen.

|
Pin -Name |
Beschreibung |
|
Anode |
Strom tritt immer durch Anode ein |
|
Kathode |
Strom verlässt immer durch die Kathode |



|
Besonderheit |
Beschreibung |
|
Sehr kleine Leitungsverluste |
Reduziert den Energieverlust während der Leitung |
|
Vernachlässigbare Schaltverluste |
Minimiert Verluste während des Umschaltens |
|
Extrem schnelles Umschalten |
Ermöglicht schnelle Übergänge |
|
Niedriger Vorwärtsspannungsabfall |
Bietet einen geringeren Stromverlust |
|
Lawinenfähigkeit angegeben |
Stand den hohen Spannungsbedingungen |
|
Wachring für Überspannungsschutz |
Schützt vor Überspannungsschäden |
|
Hohe Vorwärtsschubfunktion |
Griffe hohe Stromfluten |
|
Hochfrequenzvorgang |
Geeignet für hochfrequente Anwendungen |
|
Lötmittel Dip 275 ° C Max.10 s, pro jesd 22-b106 |
Gewährleistet die Haltbarkeit bei Lötprozessen |
|
Typ |
Parameter |
|
Fabrikvorlaufzeit |
6 Wochen |
|
Montieren |
Durch Loch |
|
Montagetyp |
Durch Loch |
|
Paket / Fall |
Do-201ad, axial |
|
Anzahl der Stifte |
2 |
|
Gewicht |
4.535924g |
|
Diodenelementmaterial |
SILIZIUM |
|
Anzahl der Elemente |
1 |
|
Verpackung |
Band & Box (TB) |
|
JESD-609 Code |
E3 |
|
Teilstatus |
Aktiv |
|
Feuchtigkeitsempfindlichkeit (MSL) |
1 (unbegrenzt) |
|
Anzahl der Terminen |
2 |
|
ECCN -Code |
Ear99 |
|
Terminal Finish |
Matte Zinn (SN) - getempert |
|
Maximale Betriebstemperatur |
150 ° C. |
|
Min Betriebstemperatur |
-65 ° C. |
|
Anwendungen |
LEISTUNG |
|
Zusätzliche Funktion
|
Kostenlose Wheeldiode |
|
HTS -Code |
8541.10.00.80 |
|
Kapazität |
190pf |
|
Spannung - DC bewertet |
40V |
|
Terminalform |
DRAHT |
|
Aktuelle Bewertung |
3a |
|
Basisteilnummer |
1n58 |
|
Stiftanzahl |
2 |
|
Polarität |
Standard |
|
Elementkonfiguration |
Einzel |
|
Geschwindigkeit |
Schnelle Wiederherstellung =< 500ns, > 200 mA (IO) |
|
Diodentyp |
Schottky |
|
Strom - Reverse -Leckage @ vr |
2MA @ 40V |
|
Ausgangsstrom |
3a |
|
Spannung - Vorwärts (VF) (max) @ if |
525mv @ 3a |
|
Fallverbindung |
ISOLIERT |
|
Vorwärtsstrom |
3a |
|
Maximaler Rücklauflaufstrom |
2ma |
|
Betriebstemperatur - Übergang |
150 ° C max |
|
Maximaler Anstiegsstrom |
80a |
|
Vorwärtsspannung |
525mv |
|
Max Rückspannung (DC) |
40V |
|
Durchschnittlicher korrigierter Strom |
3a |
|
Anzahl der Phasen |
1 |
|
Peak -Rückstrom |
2ma |
|
Maximale repetitive Rückspannung (VRRM) |
40V |
|
Maximaler nicht repetitiver Anstiegsstrom |
80a |
|
Max -Vorwärtsschubstrom (IFSM) |
80a |
|
MAX -Übergangstemperatur (TJ) |
150 ° C. |
|
Höhe |
5,3 mm |
|
Länge |
9,5 mm |
|
Breite |
5,3 mm |
|
SVHC erreichen |
Kein SVHC |
|
Strahlenhärtung |
NEIN |
|
ROHS -Status |
ROHS3 -konform |
|
Frei führen |
Frei führen |
|
Teilenummer |
Beschreibung |
Hersteller |
|
SR304HA0 Dioden |
Gleichrichterdiode |
Taiwan Semiconductor Manufacturing Company Limited |
|
SR304HB0 -Dioden |
Gleichrichterdiode |
Taiwan Semiconductor Manufacturing Company Limited |
|
SR340 -Dioden |
Gleichrichterdiode |
Changzhou Starsea Electronics Co Ltd |
|
SR304A0 Dioden |
3a, 40 V, Silizium, Gleichrichterdiode, Do-201ad, ROHS
Konform, Plastikpaket-2 |
Taiwan Semiconductor Manufacturing Company Limited |
|
SR304HX0 DIODES |
Gleichrichterdiode |
Taiwan Semiconductor Manufacturing Company Limited |
|
1N5822_R2_00001 |
Gleichrichterdiode, Schottky, 1 Phase, 1 Element, 3a, 40 V
(VRRM), Silizium, Do-201ad |
Panjit Semiconductor |
|
1N5822_AY_00001 |
Gleichrichterdiode, Schottky, 1 Phase, 1 Element, 3a, 40 V
(VRRM), Silizium, Do-201ad |
Panjit Semiconductor |
|
SR304x0g -Dioden |
Gleichrichterdiode, Schottky, 1 Phase, 1 Element, 3a, 40 V
(VRRM), Silizium, Do-201ad, grün, Kunststoffpaket-2 |
Taiwan Semiconductor Manufacturing Company Limited |
|
1N5822_AY_10001 |
Gleichrichterdiode, Schottky, 1 Phase, 1 Element, 3a, 40 V
(VRRM), Silizium, Do-201ad |
Panjit Semiconductor |
|
1N5822-T3 |
Gleichrichterdiode, Schottky, 1 Phase, 1 Element, 3a, 40 V
(VRRM), Silizium, Do-201ad, Plastikpaket-2 |
Sangdest Microelectronics (Nanjing) Co Ltd |
In zeitgenössischen elektronischen Rahmenbedingungen spielt die 1N5822 Schottky-Diode aufgrund ihrer Eigenschaften wie den Funktionen mit niedrigem Vorwärtsspannungsabfall und schnellen Umschaltfunktionen dynamische Rolle und prägt seine Eignung für niedrige Spannungs- und energiesparende Aufgaben.Diese Merkmale tragen erheblich zu Anwendungen bei, die die Stromversorgung, Spannungsklemme und Schutzschaltungen beinhalten, indem Stromverlust und Wärmeerzeugung minimiert werden.Der Umgang mit hohen Stromdichten mit minimalem Energieverlust kann die Leistungsleistung erheblich beeinflussen, was zu sorgfältigen Überlegungen bei den Designansätzen führt.
Die folgende Schaltung veranschaulicht die Vorwärtsvorspannung der 1N5822-Diode, um eine LED zu aktivieren, die mit einer 3,7-V-Batterie angetrieben wird, wodurch deren Wirksamkeit in Szenarien mit niedrigem Spannungsszenarien angezeigt wird.Schottky -Dioden werden für die Aufrechterhaltung der Eingangsspannungsniveaus und zur Reduzierung der Energieabteilung in der Diode bevorzugt, wodurch die längere Akkulaufzeit und eine optimale LED -Leistung fördert.Bei der Verwendung von Schottky -Dioden werden Faktoren wie thermisches Management und Lastbedingungen verwendet.Eine angemessene Wärmeableitung ist durch geeignete Kühlkörper oder Wärmekissen überschaubar.Die Auswahl einer Diode mit einer aktuellen Bewertung, die den Anforderungen der Schaltung entspricht, hilft, vorzeitige Aufschlüsse zu vermeiden und die Zuverlässigkeit zu erhöhen.Durch die Einbeziehung dieser Strategien wird die Belastbarkeit der Schaltung und die Verlängerung der Bestandteil der Komponente erhöht.

Die Maximierung der Vorteile des 1N5822 erfordert eine nachdenkliche Integration der Schaltung mit Präzision.Wenn Sie die Diode in der Nähe der Stromversorgung senken, verringern Sie die Leitungsverluste und verbessert die Effizienz des Stromkreises.Das Konfigurieren von Feedback -Mechanismen zur Anpassung der Verzerrungsbedingungen kann die Leistung unter verschiedenen operativen Szenarien optimieren.Schottky-Dioden sind maßgeblich an Systemen, die schnelle Schalt- und niedrige Vorwärtsspannung fordern, wie z.
Wechselrichter, die mit niedriger Spannung und hoher Frequenz arbeiten, hängen stark von effizienten Komponenten ab, um Stromverluste zu verringern.Die 1N5822 -Diode stimmt aufgrund ihres niedrigen Vorwärtsspannungsabfalls und der schnellen Wiederherstellungsfunktionen auf.Diese Merkmale können die Energieeffizienz und -zuverlässigkeit erheblich verbessern, hauptsächlich bei tragbaren elektronischen Geräten, bei denen die Energie des Energiees eine Priorität hat.
Freilaufschaltungen zielen darauf ab, beim Öffnen des Hauptschalters einen alternativen Strompfad zu bieten.Die 1N5822 -Diode zeichnet sich hier aus, um Energieverluste zu mildern und Spannungsspitzen zu unterdrücken, wodurch die Schaltungsstabilität gewährleistet ist.Sie können feststellen, dass die Verwendung des 1N5822 einen besseren Schutz vor transienten Spannungen bietet und die Lebensdauer Ihrer Geräte bei der Herstellung von Windkraftanlagen und anderen erneuerbaren Energiesystemen verlängert.
DC/DC -Konverter gewinnen erheblich von den schnellen Schaltfunktionen des 1N5822 und der Niederlassung mit geringer Leistung.Die Integration dieser Diode führt zu einer höheren Effizienz und einer verbesserten Spannungsregulierung.Sie können beachten, dass seine robuste Leistung dazu beiträgt, den Wärmeaufbau zu minimieren - ein erforderliches Merkmal in dicht gepackten Leiterplatten, die häufig in modernen elektronischen Geräten enthalten sind.
In der Welt der Signalerkennung werden Dioden wie der 1N5822 für ihre reaktionsschnellen Eigenschaften geschätzt, wodurch die Erkennungsgenauigkeit schwacher Signale in HF -Schaltungen verbessert wird.Dies verbessert die digitale Kommunikation, indem er auch mit schwankenden Stärken zuverlässigerer Signalempfangsempfang ermöglicht.
Polaritätsschutz schützt elektronische Geräte aus versehentlichen Umkehrpolaritätsverbindungen.Die 1N5822 -Diode bietet eine einfache und effektive Lösung, was zu einer spürbaren Abnahme der Komponentenausfallraten führt.Solche Ergebnisse betonen seinen Wert bei der Erstellung robuster Schaltungsdesigns.
RF -Anwendungen erfordern eine Reduzierung der Rauschinterferenz und eine verbesserte Signalklarheit.Die 1N5822 -Diode unterstützt diese Anforderungen durch Minimierung der Signalverzerrung.Sie können zu schätzen wissen, dass die Einbeziehung dieser Diode zu einer verbesserten Leistung in Audio- und Kommunikationssystemen mit hohem Fidelity führt, in denen eine präzise Signalmanagement verwendet wird.
Logische Schaltungen, die schnell sanfte Komponenten erfordern, profitieren von den schnellen Schaltzeiten des 1N5822.Unter Verwendung dieser Diode erreichen Schaltkreise schnellere Reaktionszeiten, gefährlich bei Hochgeschwindigkeits-Computing und Datenverarbeitung.Branchenführer schlagen vor, dass die Einbeziehung des 1N5822 die Gesamtgeschwindigkeit und Effizienz von Computersystemen verbessern kann.
SMPS-Netzteile (Switched-Mode Netzteile) erfordern eine hohe Effizienz und Zuverlässigkeit.Die 1N5822 -Diode reduziert den Energieverlust während des Betriebs signifikant und verbessert die thermische Leistung, die für die Langlebigkeit von Stromversorgungskomponenten aktiv sind.Sie können die Diode als maßgeblich zur Steigerung der SMPS -Energieeffizienz betrachten und ihre Rolle in modernen Stromversorgungslösungen festigen.
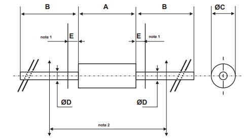
1N5822 Paketumriss

1N5822 Mechanische Daten
|
Ref. |
Abmessungen |
Notizen |
|||
|
Millimeter |
Zoll |
||||
|
Min. |
Max. |
Min. |
Max. |
1. Die Führung Durchmesser ▲ D ist nicht kontrolliert über Zone E. 2. Die minimale axiale Länge, in der die Das Gerät kann mit den im rechten Winkel gebogenen Leads 0,59 "platziert werden (15 mm) |
|
|
A |
9.50 |
0,374 |
|||
|
B |
25.40 |
1000 |
|||
|
▲ c |
5.30 |
0,209 |
|||
|
▲ d |
1.30 |
0,051 |
|||
|
E |
1.25 |
0,049 |
|||
Stmicroelectronics hat sich als führender Akteur auf der globalen Halbleiterstufe positioniert.Das Unternehmen ist bekannt für seine außergewöhnliche Fähigkeit, fortschrittliche Silizium- und Systemlösungen herzustellen.Indem sie Fortschritte in der System-On-Chip-Technologie (SOC) vorantreiben, haben sie bemerkenswerte Beiträge zur Entwicklung der modernen Elektronik geleistet.
Durch sein Engagement für Forschung und Entwicklung hat STMICROELECTRONICS Designs für das System-on-Chip verfeinert, indem verschiedene funktionelle Komponenten in einen einzelnen Chip integriert werden.Diese Innovation bietet nicht nur eine verbesserte Effizienz und Kostenreduzierung, sondern wirkt sich auch auf eine breite Palette von Produkten aus, wobei die Unterhaltungselektronik und Automobilsysteme erstreckt werden.Die Fähigkeiten, die sie in dieser Arena anzeigen, zeigt ihr Engagement für technologische Grenzen und Einfallsreichtum an.
Bitte senden Sie eine Anfrage, wir werden sofort antworten.
Die 1N5822 Schottky-Diode ist für ihren ungefähren niedrigen Vorwärtsspannungsabfall von 0,525 V bekannt, was zu seiner Fähigkeit bei vorwärts vorgespannten Schaltungen beiträgt, indem wir einen effizienten Stromfluss aktiviert.Diese Diode leuchtet in schnell abgestuften Einstellungen, die niedrigere Ströme erfordern, wie z. B. Hochfrequenzstromkreise.Innerhalb der Welt der Branchennormen wird die Diode häufig für Rollen ausgewählt, die minimierten Stromverlust und eine schnelle Reaktion auf elektrische Schwankungen fordern.Die tatsächlichen Anwendungen unterstreichen ihre Vorgehensweise bei der Erhaltung von Energie während der Schaltungsänderungen und verbessern ihre Attraktivität in der Gestaltung des zeitgenössischen elektrischen Systems.
In der Regel werden Schottky -Dioden eher mit einem Wärmekissen auf der Kathode als auf der Anode ausgelegt.Diese Wahl wird darüber informiert, wie diese Dioden auf thermische Belastungen reagieren, was zu ungleichmäßigen thermischen Bedingungen führen kann.Die Standardpraxis beinhaltet die Sicherung eines Kühlkörpers an die Kathode, um eine effektive Wärmeableitung zu gewährleisten.Erfahrungen aus dem Feld zeigen, dass dieses Setup den Diodenbetrieb stabilisiert und seine Lebensdauer durch kompetentes Wärmemanagement erweitert.
Das Ersetzen einer 1N5819-Schottky-Diode durch eine 1N5822 hängt von ihrer gemeinsamen Vorwärtsspannung (VF) und dem Thermiswiderstand (RTH-JA) von Junction-to-Ammes (RTH-Ja) ab.Der höhere Leckstrom des 1N5822 kann jedoch bestimmte Verwendungszwecke beeinflussen, insbesondere in Umgebungen, die auf Leckagen empfindlich sind, wie z. B. Leistungs oder Schaltungen.Wenn es um Kontexte wie Switch-Mode-Netzteile (SMPs) oder umgekehrter Polaritätsschutz geht, ist das Tausch von größter Bedeutung.Trotzdem muss man die physikalischen Dimensionen berücksichtigen;Der größere Fußabdruck des 1N5822 beträgt einen Durchmesser von 1,5 mm, was geeignete Montageunterkünfte erfordert.Dieses praktische Verständnis unterstreicht die Notwendigkeit, mechanische und elektrische Parameter für einen nahtlosen Komponentenersatz auszurichten.
auf 2024/11/5
auf 2024/11/5
auf 8000/04/18 147758
auf 2000/04/18 111938
auf 1600/04/18 111349
auf 0400/04/18 83721
auf 1970/01/1 79508
auf 1970/01/1 66914
auf 1970/01/1 63061
auf 1970/01/1 63012
auf 1970/01/1 54081
auf 1970/01/1 52131