Alle ansehen

Bitte die englische Version als offizielle Version nehmenZurück

Europa
France(Français) Germany(Deutsch) Italy(Italia) Russian(русский) Poland(polski) Czech(Čeština) Luxembourg(Lëtzebuergesch) Netherlands(Nederland) Iceland(íslenska) Hungarian(Magyarország) Spain(español) Portugal(Português) Turkey(Türk dili) Bulgaria(Български език) Ukraine(Україна) Greece(Ελλάδα) Israel(עִבְרִית) Sweden(Svenska) Finland(Svenska) Finland(Suomi) Romania(românesc) Moldova(românesc) Slovakia(Slovenská) Denmark(Dansk) Slovenia(Slovenija) Slovenia(Hrvatska) Croatia(Hrvatska) Serbia(Hrvatska) Montenegro(Hrvatska) Bosnia and Herzegovina(Hrvatska) Lithuania(lietuvių) Spain(Português) Switzerland(Deutsch) United Kingdom(English)
Asien/Pazifik
Japan(日本語) Korea(한국의) Thailand(ภาษาไทย) Malaysia(Melayu) Singapore(Melayu) Vietnam(Tiếng Việt) Philippines(Pilipino)
Afrika, Indien und Naher Osten
United Arab Emirates(العربية) Iran(فارسی) Tajikistan(فارسی) India(हिंदी) Madagascar(malaɡasʲ)
Südamerika / Ozeanien
New Zealand(Maori) Brazil(Português) Angola(Português) Mozambique(Português)
Nordamerika
United States(English) Canada(English) Haiti(Ayiti) Mexico(español)
ZuhauseBlogUmfassende Anleitung zu BTA16 Triacs: Funktionen, Pinout und Datenblatt
auf 2024/11/7 20,186

Umfassende Anleitung zu BTA16 Triacs: Funktionen, Pinout und Datenblatt

Die BTA16 TRIAC -Serie von STMICROELECTRONICS stammt in der Welt des Wechselstromwechsels und bietet eine hohe Haltbarkeit und Effizienz in verschiedenen Anwendungen.Der BTA16 ist bekannt für sein robustes Design, das sowohl in Durchloch- als auch in den Oberflächenmontage-Optionen erhältlich ist, und ist in Anwendungen wie statischen Relais, Heizregulierung, Induktionsmotor und Phasenkontrolle in Geräten wie Leichtdimmer und Motordrehzahlregeln hoch geschätzt.Die isolierte Registerkarte mit 2500 -V -RMS gewährleistet die Einhaltung der UL -Standards und verbessert die Sicherheit und Zuverlässigkeit.In diesem Artikel werden die Funktionen, PIN -Konfiguration, CAD -Modelle, praktische Anwendungen und Integrationserkenntnisse der BTA16 -Serie untersucht und einen umfassenden Leitfaden für Sie anbieten, um effektive Lösungen für AC -Steuerungssysteme zu suchen.

Katalog

1. Überblick über die BTA16 Triac -Serie
2. Pinout -Konfiguration
3. CAD -Modelldetails
4. Features
5. Technische Spezifikationen
6. Informationen bestellen
7. Triac -Dimmkreislauf
8. Alternativen
9. Verschiedene Verwendungen des BTA16
10. Paket
11. Hersteller
Comprehensive Guide to BTA16 Triacs: Features, Pinout, and Datasheet

Überblick über die BTA16 Triac -Serie

Der Bta16 Die Triac -Serie dient einer breiten Palette von Wechselstromanwendungen, die ihre Reichweite über Sektoren wie statische Relais, Heizregulierung und motorische Steuerungsschaltungen ausdehnen.Die Serie bietet Flexibilität sowohl mit Durchloch- als auch mit Oberflächenmontagepaketen, die für unterschiedliche Hardwareanforderungen gerecht werden.Während es häufig in Ein/Aus -Steuerungsszenarien verwendet wird, passt es sich auch reibungslos an Phasensteuerungen in Dimmer- und Motordrehzahlregeln an.Versionen mit einem Snubber Circuit verbessern die Kommutierungsfähigkeiten und bieten einen deutlichen Vorteil bei der Verwaltung induktiver Lasten wie Motoren und Transformatoren.Darüber hinaus enthält der BTA16 eine isolierte Registerkarte, die eine größere elektrische Isolation gewährt, die die Sicherheit verbessert und die Leistung erhöht.

Die Vielseitigkeit der BTA16 Triac -Serie ermöglicht es, in zahlreichen Anwendungen effektiv eingesetzt zu werden.In statischen Relais sorgt es für einen konsistenten Betrieb über verschiedene Schaltungsbedingungen hinweg und optimiert damit die Effizienz.Heizregulierungsschaltungen profitieren von seiner starken Leistung und erreichen ein präzises Temperaturmanagement.Innerhalb von Motorsteuerungsschaltungen erleichtert die BTA16 mehr als nur Ein- und Aus -Aufgaben und liefert eine dynamische Geschwindigkeitsmodulation, um die Anforderungen der fortschrittlichen Automatisierung zu decken.In Anwendungen, die eine Phasenkontrolle erfordern, wie Dimmer- und Motordrehzahlregulatoren, ist die BTA16 Triac -Serie hervorragend.Dieser Prozess erfordert eine sorgfältige Einstellung des Stromflusses, was der BTA16 mit bemerkenswerter Präzision durchführt.Diese Genauigkeit wird in von Snubber ausgestatteten Versionen verstärkt, die reaktive Merkmale von induktiven Lasten wie Motoren und Transformatoren ordentlich umgehen.Diese Fähigkeit fördert die stetige Leistung, schränkt die Stromversorgung ein und erweitert die Lebensdauer der verbundenen Komponenten.

Pinout -Konfiguration

BTA16 Pinout

CAD -Modelldetails

Fußabdruck

BTA16 Footprint

3D -Modell

BTA16 3D Model

Merkmale

Besonderheit
Beschreibung
Mittlerer Strom Triac
Geeignet für Anwendungen, die mittelstrom erforderlich sind Handhabung
Niedriger thermischer Widerstand mit Clip -Bindung
Gewährleistet eine effiziente Wärmeabteilung
Thermalresistenzisolierung Keramik niedrig
Bietet eine verbesserte Isolierung für die isolierte BTA -Serie
Hohe Kommutierungsfähigkeit
Erhältlich in 4-Quadrant (4Q) oder sehr hoch 3-Quadrant (3Q, Snubberless ™) Varianten
UL1557 zertifiziert
Zertifiziert gemäß UL1557 Standards (Datei Ref: 81734)
ROHS -konform
Pakete entsprechen der Richtlinie der ROHS (2002/95/EC)
Isolierte Registerkarte
Bewertet für 2500 VRMS -Isolierung für die BTA -Serie

Technische Spezifikationen

Hier ist die technische Spezifikationstabelle für die STMICROELECTRONICS Bta16-700brg.

Typ
Parameter
Fabrikvorlaufzeit
11 Wochen
Kontaktieren Sie die Beschichtung
Zinn
Montieren
Durch Loch
Montagetyp
Durch Loch
Paket / Fall
To-220-3
Anzahl der Stifte
3
Anzahl der Elemente
1
Betriebstemperatur
-40 ° C bis 125 ° C (TJ)
Verpackung
Rohr
JESD-609 Code
E3
Pbfree Code
Ja
Teilstatus
Aktiv
Feuchtigkeitsempfindlichkeit (MSL)
1 (unbegrenzt)
Anzahl der Terminen
3
Zusätzliche Funktion
Ul erkannt
Spannung - DC bewertet
700V
Aktuelle Bewertung
16a
Basisteilnummer
Bta16
Stiftanzahl
3
Konfiguration
Einzel
Fallverbindung
Isoliert
Maximale repetitive Rückspannung (VRRM)
700V
JEDEC-95 CODE
To-220ab
RMS -Strom (IRMS)
16a
Strom halten
50 mA
Gerätetyp aus Trigger
4 Quadrant Logic Level Triac
Spannung - Gate Trigger (VGT) (max)
1,3 V
Strom - Non -Rep. Surge 50, 60 Hz (ITSM)
160a, 168a
Strom - Gate Trigger (IGT) (max)
50 mA
Leckstrom (max)
2ma
Kritische Anstiegsrate von Off-State-Spannungsminen
400 V/US
Triactyp
Standard
Kritische Anstiegsrate der Kommutierungsspannungsminde
10V/uns
Strahlenhärtung
NEIN
ROHS -Status
ROHS3 -konform
Frei führen
Frei führen


Informationen bestellen

Ordering Information

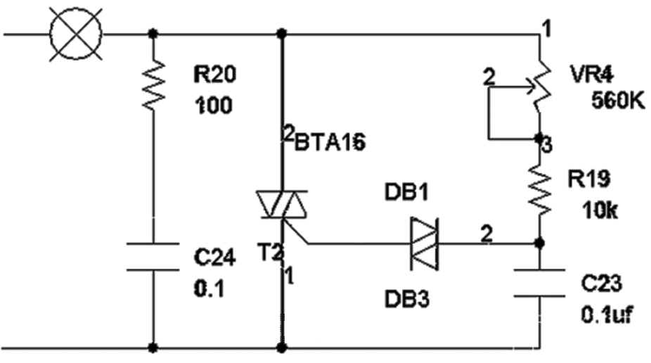
Triac -Dimmkreis

Ein Standard -Triac -Dimmkreis unter Verwendung des BTA16 Triac manipuliert die Ladungszeit eines Kondensators, um den Dimmspiegel einer verbundenen Glühbirne anzupassen.Durch die Verwendung eines variablen Widerstands (VR4) neben einem Kondensator (C23) stimmt die Schaltung die Ladedauer fein ab und setzt so den Auslöser des Triacs.Bei einer Spannung von 220 V verändert die Einstellung der Ladungslänge die Helligkeit der Glühbirne.Eine erweiterte Ladung beleuchtet brillanter.

Komplizierte Schaltungsdynamik

Triac Dimming Circuit Diagram

Innerhalb dieses Dimmsystems bestimmen die Komponenten VR4 und R19 die Gebührzeit des Kondensators C23.Sobald die Spannung auf C23 bei ca. 33 V schwebt, beteiligt sich der Triac mit Licht.Anschließend erleichtert der DB1 -Thyristor den Stromfluss durch die Glühbirne.Wenn der Strom aufhört, kehrt die Dunkelheit zurück und die Sequenz beginnt neu.Die Dauer des Zyklus ist entscheidend, da kürzere Ladungsintervalle dimmeres Licht ergeben, während längere Ladungen die Helligkeit verbessern.

Premium-Gradkomponenten wie Präzisionswiderstände und Kondensatoren mit minimalem Toleranzniveau befestigen die Dimmstabilität und Voraussicht der Schaltung.Die Behandlung des Wärmeproblems des Triac erweist sich auch als vorteilhaft - exzessive Temperaturen können die Haltbarkeit und Zuverlässigkeit von Schaltkreisen verhindern.Die Einführung geeigneter Kühlkörper und der sicheren Sicherstellung der ordnungsgemäßen Belüftung hilft bei der Umgehung von Überhitzungsherausforderungen.Die Verwendung von Dimmschaltungen auf Triac-Basis beinhaltet den Energieverbrauch erheblich und erleichtert die Übergänge für glatte Lichtintensität und stimmt ein Gleichgewicht zwischen Energieeffizienz und Komfort.Dieser ansprechende Ansatz ist sowohl in den Szenarien für Wohn- als auch in der gewerblichen Beleuchtung aufgrund seiner wirtschaftlichen und wirksamen Ergebnisse gute Anklang.

Alternativen

Teilenummer
Beschreibung
Hersteller
BTB16-700C
700 V, 16A, 4 Quadrant Logic Level Triac, to-220ab, Plastikpaket-3
Stmicroelektronik
Bta16-700b
700 V, 16A, 4 Quadrant Logic Level Triac, to-220ab, Kunststoff, isoliert bis-220AB, 3 Pin
Stmicroelektronik
BTB16-700CRG
700 V, 16A, 4 Quadrant Logic Level Triac, to-220ab, To-220ab, 3 Pin
Stmicroelektronik
Q7015R6
Alternistor Triac, 700 V V (DRM), 15A I (T) RMS, bis-220AB
Littelfuse Inc
BTB16-700CW
700 V, 16A, schubberloser Triac, to-220ab, Plastikpaket-3
Stmicroelektronik
BTB16-700SWRG
700 V, 16A, 4 Quadrant Logic Level Triac, to-220ab, To-220ab, 3 Pin
Stmicroelektronik
BTB16-700SW
700 V, 16A, 4 Quadrant Logic Level Triac, to-220ab, Plastikpaket-3
Stmicroelektronik
BTB16-700BW/F5
700 V, 16A, schubberloser Triac, to-220ab, bis-220, 3 Pin
Stmicroelektronik
Q7015L6
Alternistor Triac, 700 V V (DRM), 15A I (T) RMS, bis-220AB, Isoliert to-220ab, Thermotab-3
Littelfuse Inc

Verschiedene Verwendungen der BTA16

Statische Relais und leichte Dimmer

Die BTA16 -Serie ist in statischen Relais und leichten Dimmern herausragend und erleichtert präzise Ein/Aus -Schalt- und Phasenkontrolle.Diese Elemente erreichen einen stabilen Betrieb von Beleuchtungssystemen, indem die Spannung an die Armaturen angepasst wird.Infolgedessen führt diese Funktion zur Energieeinsparung und erweitert die Lebensdauer der Beleuchtungsgeräte.

Motorsteuerungssysteme

Innerhalb motorischer Steuerungssysteme, einschließlich Induktionsmotor -Starter und Geschwindigkeitsregulatoren, liefert die BTA16 -Serie bemerkenswerte Ergebnisse.In industriellen Umgebungen, in denen die fein abgestimmte Geschwindigkeitsregulation und ein reibungsloses Start-up aktiv sind, um mechanische Spannungen zu vermeiden, werden diese Komponenten hoch geschätzt.Die BTA16 -Serie wird für ihre Fähigkeit geschätzt, die ideale motorische Leistung aufrechtzuerhalten und gleichzeitig den mechanischen Verschleiß abzubauen.

Wechselstromwechselanwendungen

In der Welt der Wechselstromanwendungen (Wechselstromanwendungen) zeichnet sich in der BTA16 -Serie zu einer zuverlässigen und präzisen Leistungsregelung aus.Sei es in Haushaltsgeräten oder Industriemaschinen, die Serie sorgt für einen sicheren und effektiven Betrieb von elektrischen Systemen.Das Hardy -Design minimiert Ausfallzeiten und Wartung und verbessert damit die Systemzuverlässigkeit.

Umgang mit Widerstand und induktiven Lasten

Die BTA16 -Serie ist mit herausragenden Leistungsleistung in der BTA16 in der Lage, sowohl resistive als auch induktive Lasten zu verwalten.Es bietet einen konsistenten Betrieb über verschiedene Bedingungen hinweg, ein Beweis für seine Bedeutung für elektronische Schaltkreise.Die Fähigkeit, verschiedene Lasttypen effizient zu verwalten, unterstreicht die Anpassungsfähigkeit und die breite Anwendbarkeit.

Paket

BTA16 Package

Hersteller

Stmicroelectronics wurde 1987 aus der Fusion der Italiens SGS Microelettronica und des Frankreichs Thomson Semiconductors geboren, der seinen Platz in der dynamischen Halbleiterlandschaft markierte.Das Unternehmen, das in Genf, der Schweiz, brillant positioniert ist, erweitert seinen Einfluss durch eine strategische Auswahl von Büros, die die Vereinigten Staaten, Asien und China überspannen.Dieses internationale Web ermöglicht es Stmicroelectronics, innovative Lösungen zu erstellen und eine breite Palette von Branchen weltweit fachmännisch zu unterstützen, die Fortschritte zu vermitteln und die Konnektivität zu fördern.

In seinem berühmten Angebot steht die BTA16 -Serie als Beweis für die Widmung von STMICROELECRECRECTRONICS an Semiconductor Excellence.Diese Serie spiegelt ihre Beherrschung bei der Schaffung von Triacs wider, die in verschiedenen Anwendungen gedeihen und anfordernden Bedingungen standhalten.Ihre vielfältige Produktlinie umfasst Mikrocontroller, analoge Geräte, Sensoren und Stromverwaltungssysteme, die in zeitgenössischen Bereichen wie Automobil-, Industrie- und Unterhaltungselektronik eine wesentliche Rolle spielen.

Datenblatt PDF

BTA16-700BRG Datenblätter:

Zylindrische Batteriehalter.pdf

Über uns

ALLELCO LIMITED

Allelco ist ein international berühmter One-Stop Procurement Service Distributor von hybriden elektronischen Komponenten, die sich für die globale elektronische Fertigungs- und Vertriebsbranche, einschließlich globaler Top -500 -OEM -Fabriken und unabhängigen Brokern, umfassende Komponenten -Beschaffungs- und Lieferkettendienste für die globale elektronische Fertigungs- und Vertriebsbranche verpflichtet haben.
Weiterlesen

Schnelle Anfrage

Bitte senden Sie eine Anfrage, wir werden sofort antworten.

Anzahl

Häufig gestellte Fragen [FAQ]

1. Was unterscheidet BTA16-800C von BTA16-800B?

Die Unterscheidung zwischen BTA16-800C und BTA16-800B liegt in der Triggerschaltung IGT.BTA16-800B verfügt über ein IGT<50mA, while BTA16-800C is endowed with an IGT<25mA, making its parameters more favorable. These models share STMicroelectronics (ST) lineage, with nomenclature as follows B for Bi-directional, indicating dual direction capability, A' for insulation; 'B' denotes non-insulation, 16' signifies a 16A current capacity, and 800' signifies a voltage rating of 800V

2. Ist es machbar, SCR BTA16-600B durch BTB16-600B zu ersetzen?

Obwohl BTA16-600B mit den Leistungsmetriken von BTB16-600B übereinstimmt, bestehen mechanische Unterschiede.Dem Kühlkörper von BTA16-600B fehlt eine mittlere Verbindung, während BTB16-600B diese Verbindung integriert.Für Konfigurationen ohne Kühlkörper ist Substitution machbar.Bei einem Kühlkörper, insbesondere wenn mehrere Thyristoren verwendet werden, stellen Sie jedoch eine ordnungsgemäße logische Verbindung oder beheben Sie Isolierungsprobleme mit geeigneten Materialien.

3. Kann der BTA16 Triac in einem vollautomatischen Waschmaschinen -Bedienfeld als Ersatz für BTB16 dienen?

Die Austauschbarkeit besteht, hält sich jedoch an ursprüngliche Schaltungsisolierungsprotokolle an: 'A' für isolierte Versionen, während 'B' für nicht isoliertes ist.

4. In welcher Verpackung wird die BTA16 Triac -Serie angeboten?

Erhältlich sowohl in Durchloch- als auch in der Oberflächenmontageverpackung.

5. Welche BTA16 Triac -Serienversionen zeichnen sich mit induktiven Lasten aus?

Snubber sind meist geschickt an solchen Anwendungen.

6. Was ist die isolierte Registerkarte in der BTA -Serie?

Bewertet bei 2500 V RMS.

Beliebte Beiträge

Heiße Teilenummer

0 RFQ
Einkaufswagen (0 Items)
Es ist leer.
Vergleichen Sie die Liste (0 Items)
Es ist leer.
Rückmeldung

Ihr Feedback ist wichtig!Bei Allelco schätzen wir die Benutzererfahrung und bemühen uns, sie ständig zu verbessern.
Bitte teilen Sie Ihre Kommentare über unser Feedback -Formular mit und wir werden umgehend antworten.
Vielen Dank für die Wahl von Allelco.

Thema
Email
Bemerkung/Erläuterung
Verifizierungscode
Ziehen oder klicken, um die Datei hochzuladen
Datei hochladen
Typen: .xls, .xlsx, .doc, .docx, .jpg, .png und .pdf.
MAX -Dateigröße: 10 MB