
A Differentialverstärker ist ein zentraler Bestandteil vieler analoge Systeme.Seine Hauptfunktion besteht darin, die Spannungsdifferenz zwischen zwei Eingangssignalen zu verstärken und gleichzeitig eine Spannung zu ignorieren, die beides gemeinsam ist.Diese selektive Verstärkung macht sie in lauten Umgebungen so nützlich.Wenn Störungen wie elektromagnetisches Rauschen oder Stromleitungs -Hum beide Eingänge gleichermaßen beeinflussen, stellt der Verstärker es effektiv aus.
Diese Fähigkeit wird als Common-Mode-Ablehnung bezeichnet.Ein hohes Common-Mode-Abstoßungsverhältnis (CMRR) stellt sicher, dass sich der Verstärker nur auf die tatsächliche Signalunterschiede konzentriert, was zur Erhaltung der Genauigkeit hilft.Beispielsweise sind in medizinischen Geräten wie EKG -Maschinen die elektrischen Signale des Herzens winzig und oft in Lärm begraben.Ein Differentialverstärker extrahiert diese Signale sauber und ermöglicht zuverlässige Messwerte.Das gleiche Prinzip gilt für Industrie- oder Audiosysteme, bei denen Präzision und Lärmwiderstand wichtig sind.
Wenn Signale lange Entfernungen zurücklegen, z.Der Differentialverstärker storniert dieses gemeinsame Rauschen und verstärkt nur die nützliche Signalunterschiede.Aus diesem Grund handelt es sich um eine Schlüsselkomponente in der Präzisionselektronik, die in allen Sensorschnittstellen bis hin zu Audio mit hohem Fidelity verwendet wird.
Ein OP-Ampere, kurz für den operativen Verstärker, ist ein elektronischer Teil, der kleine Spannungssignale viel größer machen kann.Es hat zwei Eingangsnadeln: Eine wird als nicht invertierende Eingabe (mit einem „+“ markiert) bezeichnet, und der andere ist der invertierende Eingang (markiert mit einem „-“).Der OP-AMP vergleicht die Spannungen an diesen beiden Eingängen und ergibt einen Ausgang, der auf der Differenz zwischen ihnen basiert.Ein Op-Amper hat an sich eine sehr hohe Verstärkung, was bedeutet, dass selbst eine winzige Spannungsdifferenz zwischen den beiden Eingängen den Ausgang auf seinen maximalen oder minimalen Niveau schieben kann.Dies macht es für die meisten Verwendungen zu empfindlich.Um dies zu beheben, fügen wir ein negatives Feedback hinzu. Dies wird ein Teil der Ausgabe durch Widerstände wieder in den invertierenden Eingang gesendet.Dies hilft dem Op-Ampere, die Ausgabe auf einem stetigen und nützlichen Niveau zu halten.Die Widerstände steuern, wie stark der Op-Amp den Unterschied zwischen den beiden Eingängen verstärkt.

Abbildung 2. Op-Amps in der Differentialverstärkung
Die Abbildung zeigt ein spezielles Setup, der als differentieller Verstärker bezeichnet wird und kurz kurz als Diff -AMP bezeichnet wird.Es verwendet vier Widerstände (R₁, R₂, R₃ und R₄) und zwei Eingangssignale: V₁ und V₂.Der OP-Ampere untersucht, wie unterschiedlich V₁ und V₂ sind, und gibt eine Ausgangsspannung V₀, die auf diesem Unterschied basiert.Diese Art von Schaltung ist hervorragend darin, den Unterschied zwischen zwei Signalen aufzunehmen und gleichzeitig Geräusche oder unerwünschte Signale zu ignorieren, die bei beiden Eingängen gleich sind.Aus diesem Grund wird es für Sensorschaltungen, Audiosysteme und Messwerkzeuge verwendet, in denen Sie klare und genaue Signale benötigen.
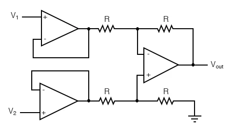
Verwenden Sie ein ausgewogenes Setup mit vier Widerständen, um einen differentiellen Verstärker zu erstellen, der auf klare und zuverlässige Weise funktioniert.Das Diagramm zeigt, wie dies mit einem Op-Ampere (Betriebsverstärker), zwei Eingangsspannungen (V₁ und V₂) und vier Widerständen durchgeführt wird: R1, R2, R3 und R4.

Abbildung 3. Differentialverstärkerkreis mit symmetrischem Widerstandsnetzwerk
In dieser Schaltung wird die erste Eingangsspannung V₁ durch den Widerstand R1 an den invertierenden Eingang des Op-Amps (markiert mit einem Minuszeichen) gesendet.Die zweite Eingangsspannung V₂ durchläuft den Widerstand R3 zum nicht invertierenden Eingang (markiert mit einem Pluszeichen).Anschließend verbindet der Widerstand R2 den invertierenden Eingang mit dem Boden, und der Widerstand R4 verbindet die Ausgabe des Operationsverstärkers wieder mit dem invertierenden Eingang.Diese Rückkopplungsschleife hilft dem OP-Ampere, die Ausgabe zu steuern und die Differenz zwischen den beiden Eingängen konstant zu halten.
Die Hauptidee dieses Verstärkers besteht darin, die Differenz zwischen V₂ und V₁ zu messen und diese Differenz mit einer bestimmten Menge zu multiplizieren. Dies wird als Verstärkung bezeichnet.Die Verstärkung wird durch Auswahl der richtigen Widerstandswerte festgelegt.Wenn R1 und R3 den gleichen Wert haben und R2 und R4 auch den gleichen Wert haben, funktioniert die Schaltung gut und liefert eine saubere, genaue Ausgabe.Es ist sehr wichtig, gleiche Widerstände zu haben.Wenn die Widerstände übereinstimmen, kann der Schaltkreis alle Rauschen oder Störungen ignorieren, die in beiden Eingangsleitungen gleich sind.Dies wird als Common-Mode-Abstoßung bezeichnet und hält das Ausgangssignal sauber.Wenn die Widerstände nicht gut übereinstimmen, kann die Schaltung unerwünschte Signale durchsetzen, was den Ausgang durcheinander bringen kann.
Um dies zu vermeiden, verwenden Sie hochpräzise Widerstände, die sehr nahe bei 0,1% voneinander liegen.Bei fortschrittlicheren Designs, wie in Mikrochips, werden die Widerstandswerte sorgfältig mithilfe von Lasertrimmen eingestellt, um sicherzustellen, dass alles ausgeglichen ist.Denken Sie in anderen Fällen auch über die Temperatur nach, da Wärme die Art und Weise verändern kann, wie sich Widerstände verhalten.Sie versuchen also, Widerstände auszuwählen, die von der Temperatur nicht wesentlich betroffen sind, oder sie auf eine Weise anordnen, die die Dinge stabil hält.Diese einfache Art des Differentialverstärkers wird häufig als Ausgangspunkt für komplexere Systeme wie Instrumentierungsverstärker verwendet.Diese Schaltkreise verwenden zusätzliche Teile, um die Leistung noch mehr zu verbessern, insbesondere wenn sie mit sehr kleinen Signalen in lauten Umgebungen arbeiten.
Die Verstärkung eines Differentialverstärkers ist ein Maß dafür, wie stark der Schaltkreis die Differenz zwischen den beiden Eingangsspannungen V₁ und V₂ erhöht.Mit anderen Worten, Gain sagt uns, wie viel größer die Ausgabe mit dem Unterschied zwischen den Eingangssignalen verglichen wird.Diese Verstärkung wird von den Widerständen in der Schaltung spezifisch eingestellt, indem die Werte der Eingangswiderstände und der Rückkopplungswiderstände verglichen werden.Wenn wir die Widerstände ausgewogen einstellen, wird die Berechnung der Verstärkung sehr einfach.Nehmen wir an, R1 ist das gleiche wie R3 und R2 ist der gleiche wie R4.Diese Art von Setup wird als symmetrisch bezeichnet und hilft dem Schaltkreis genauer.In diesem Fall sieht die Formel für den Gewinn des Verstärkers so aus:

Diese Formel bedeutet, dass der Verstärker den Unterschied zwischen V₂ und V₁ nimmt und ihn mit der Zahl multipliziert, die Sie erhalten, wenn Sie R2 durch R1 teilen.Wenn R2 also doppelt so groß ist wie R1, ist die Ausgabe zweimal so groß wie der Unterschied zwischen V₂ und V₁.
Hier ist ein Beispiel:
Wenn V₂ = 3 Volt und V₁ = 1 Volt, beträgt die Differenz 2 Volt.
Wenn R2 10k Ω und R1 5k Ω beträgt, beträgt die Verstärkung 10k / 5k = 2.
Die Ausgangsspannung beträgt also 2 × 2 = 4 Volt.
Wenn Sie alle vier Widerstände gleich machen (R1 = R2 = R3 = R4), wird die Verstärkung zu 1. Das bedeutet, dass der Verstärker die Größe des Unterschieds nicht ändert, sondern nur die Differenz der Ausgabe so wie er ist.Dies ist nützlich, wenn Sie nur ein Signal messen oder weitergeben möchten, ohne es stärker zu machen.Manchmal benötigen Sie jedoch die Ausgabe, um stärker zu sein, insbesondere wenn die Eingangssignale sehr klein sind.Dazu können Sie R2 und R4 größer als R1 und R3 machen.Dies erhöht die Verstärkung und macht das Ausgangssignal größer.Wenn R2 beispielsweise zehnmal größer als R1 ist, beträgt die Verstärkung 10 und der Ausgang zehnmal der Eingangsunterschied.
Aber steigender Gewinn hat auch Nachteile.Eine hohe Verstärkung kann auch unerwünschte Signale wie Lärm oder Störungen stärker machen.Es könnte sogar winzige Spannungsfehler groß aussehen lassen.Dies kann den Ausgang des Verstärkers laut oder ungenau machen.Daher ist es wichtig, die Widerstandswerte sorgfältig auszuwählen, sodass die Verstärkung hoch genug ist, um das Signal klar zu sehen, aber nicht so hoch, dass es Probleme verursacht.Auch Op-Amps sind nicht perfekt.Sie können kleine integrierte Fehler haben, die die Funktionsweise der Schaltung ändern.Zum Beispiel kann der OP-Ampere eine kleine Ausgabe erzeugen, auch wenn die Eingänge genau gleich sind.Dies wird als Offset -Spannung bezeichnet.Ein weiteres häufiges Problem ist der Verzerrungsstrom, der ein winziger Strom ist, der in die Eingangsstifte fließt und die Spannungen geringfügig ändern kann.Um diese Probleme zu beheben oder zu reduzieren, passen Sie die Schaltung nach dem Erstellen nach dem Erstellen (als Trimmen bezeichnet) an, fügen Sie zusätzliche Komponenten hinzu, um Fehler abzubrechen (Offset Nulling) oder verwenden Sie spezielle Operationsverstärker, die sehr genau und stabil sind..
Ein grundlegender Differentialverstärker ist eine einfache und nützliche Schaltung.Es erhöht (verstärkt) die Differenz zwischen zwei Eingangsspannungen und ignoriert alles, was bei beiden gleich ist.Dieses einfache Design hat jedoch ein Problem, wenn es mit schwachen oder hohen Impedanzsignalquellen (wie einigen Sensoren) verbunden ist.Das Problem stammt aus der invertierenden Eingabe des Verstärkers.Aufgrund der Funktionsweise der Schaltung wirkt dieser Eingang wie ein virtueller Boden, was bedeutet, dass er den Strom aus der Signalquelle ziehen kann.
Wenn die Signalquelle nicht viel Strom wie einige Sensoren oder empfindliche Schaltungen ergeben kann, kann dies das Signal ändern.Das Signal kann kleiner (schwächer) oder verzerrt werden, was bedeutet, dass der Verstärker ein falsches Ergebnis liefert.Um dies zu beheben, verwenden Sie bei jedem Eingang Spannungsanhänger, auch Pufferverstärker genannt.Dies sind spezielle Verstärkerschaltungen, die die Spannung nicht erhöhen, aber eine sehr hohe Eingangsimpedanz und eine niedrige Ausgangsimpedanz haben.Das bedeutet, dass sie nicht viel Strom aus der Signalquelle ziehen, sodass das Signal gleich bleibt.Der Puffer überträgt das Signal nur weiter, ohne es zu ändern.Wenn Sie diese Spannungsanhänger dem Differentialverstärker hinzufügen, erhalten Sie einen besseren Schaltkreis, der als Drei-Op-Am-Ampere-Instrumentierungsverstärker bezeichnet wird.Diese neue Version hat eine sehr hohe Eingangsimpedanz, daher funktioniert sie gut mit schwachen Signalen.
Sie können auch die Verstärkung (wie viel das Signal verstärkt) mit externen Widerständen einstellen.Es blockiert auch das Geräusch gut und ergibt ein sauberes, genaues Signal.Diese verbesserten Verstärker werden in präzisen Jobs eingesetzt, wie z.Diese Signale sind oft sehr klein (wie Mikrovolte) und müssen auch an lauten Stellen klar verstärkt werden.Um sicherzustellen, dass der Verstärker von seiner besten Seite funktioniert, ist auch das physische Design der Schaltung wichtig.Viele verwenden spezielle Layout -Tricks, z.Dies hilft dem Verstärker, auch bei sehr kleinen oder schnellen Signalen gut zu funktionieren.

Abbildung 4. Instrumentierungsverstärker mit Drei-Op-Ampere mit Eingangspuffern
Die Abbildung zeigt einen Drei-Op-Ampere-Instrumentierungsverstärker.Die ersten beiden Op-Amps fungieren als Puffer, erhalten die Eingangssignale V1 und V2 und leiten sie weiter, ohne den Strom aus den Quellen zu zeichnen.Diese gepufferten Signale gehen dann durch Widerstände und konvergieren am dritten Operationsverstärker, der als Differentialverstärker dient.Diese letzte Stufe subtrahiert einen Eingang vom anderen, um die Ausgangsspannung zu erzeugen.Diese Konfiguration verbessert die Signalintegrität und ist gut geeignet, um schwache oder empfindliche Signale sicher zu handhaben.
In einigen Schaltungen verwenden wir eine Art Verstärker, der als Differentialverstärker ohne Rückmeldung bezeichnet wird.Wenn wir dies tun, wird es zum Komparator.Ein Komparator ist ein Gerät, das schnell überprüft, welche von zwei Spannungen größer sind.Sobald es den Vergleich macht, ändert es seinen Ausgang entweder in eine hohe oder niedrige Spannung, fast wie ein einfacher Schalter.Diese Art von On-or-Off-Verhalten ist sehr nützlich in digitalen Systemen und automatischen Steuerungsschaltungen.Ein Beispiel ist ein Null-Crossing-Detektor.Es beobachtet ein Wechselstromsignal (abwechselnder Strom) und ändert seinen Ausgang, wenn das Signal durch Null -Volt geht.Dies ist hilfreich beim Timing und zur Kontrolle von Dingen, die von der Phase des Signals abhängen.
Komparatoren sind auch für Geräte, die als Analog-Digital-Konverter (ADCs) bezeichnet werden, wichtig.Diese Wandler ändern Signale (wie Klang oder Temperatur) in digitale Zahlen, die Computer verstehen können.Der Komparator hilft, indem das sich ändernde Signal mit einer festen Referenzspannung verglichen wird.Obwohl regelmäßige Operationsverstärker (operative Verstärker) als Komparatoren in einfachen Schaltungen funktionieren können, gibt es spezielle Vergleichschips, die nur für diesen Job gemacht wurden.Diese speziellen Chips sind schneller und genauer.Sie können auch zusätzliche Funktionen enthalten, wie z. B. Hysterese (die es zu häufigem Umschalten aufgrund kleiner Änderungen oder Rauschen zu vermeiden, und Open-Collector-Ausgänge (die es einfacher erleichtern, eine Verbindung zu digitalen Schaltkreisen herzustellen).

Abbildung 5. Vergleichskreis unter Verwendung einer Weizensteinbrückenkonfiguration
Die Abbildung zeigt eine Komparatorschaltung mit einer klassischen Konfiguration von Wheatstone Bridge.Vier gleiche Widerstände r bilden das Brückennetz, wodurch eine ausgewogene Bedingung erzeugt wird, wenn alle Komponenten symmetrisch sind und der Eingang bei 0 Volt liegt.Die Spannungen aus den Brückenarmen, die mit V1 und V2 gekennzeichnet sind, werden in die invertierenden und nicht invertierenden Eingänge eines Komparators eingespeist.Unter ausgeglichenen Bedingungen sind V1 und V2 gleich, was zu einer Nullausgabe führt.Jedes Ungleichgewicht in der Brücke wie eine Änderung eines Widerstands aufgrund von Temperatur oder Dehnung erzeugt eine Spannungsdifferenz zwischen V1 und V2, wodurch der Komparator seinen Ausgang entsprechend umschaltet.
Leichtempfindliche Schalter sind Anwendungen von Differentialverstärkern, die die automatische Steuerung elektrischer Geräte als Reaktion auf unterschiedliche Umgebungslichtniveaus ermöglichen.Diese Schaltungen verwenden üblicherweise einen hellabhängigen Widerstand (LDR), eine Komponente, deren Widerstand sich basierend auf der Intensität des auf sie fallenden Lichts ändert.Durch die Integration eines LDR in ein Spannungsteiler -Netzwerk wird es möglich, Lichtintensität in ein entsprechendes Spannungssignal umzuwandeln.Der Kernbetrieb eines solchen Schalters basiert auf einem Differentialverstärker, der zwei Eingänge erhält: einen aus dem Spannungsteiler, der den LDR und das andere aus einer Referenzspannung enthält.Die Referenzspannung kann mit einem variablen Widerstand (VR1) oder einem Potentiometer einstellbar gemacht werden.Diese Konfiguration ermöglicht es, den Schwellenwert für Lichtintensität genau einzustellen, an dem der Schalter die angeschlossene Last aktiviert oder deaktiviert.
Wenn sich das Umgebungslicht ändert, variiert der Widerstand des LDR und ändert die Spannung bei einem Eingang des Differentialverstärkers.Wenn diese Eingangsspannung überschreitet oder unter die Referenzspannung fällt, wird der Ausgang des Verstärkers umschaltet.Mit diesem Ausgang wird ein Transistorschalter angelegt, der wiederum ein angeschlossenes Gerät wie Lampe, Relais oder Lüfter aktiviert.Die Einbeziehung eines Rückkopplungswiderstands (RF) verbessert die Stabilität und Reaktionsfähigkeit des Verstärkers.In der Zwischenzeit liefert die Transistorstufe, die oft mit einer Flyback -Diode (D1) gepaart ist, die erforderliche Stromverstärkung und schützt vor Spannungsspitzen, wenn induktive Lasten wie Relais verwendet werden.

Abbildung 6. Leichtempfindlicher Schalter unter Verwendung eines Differentialverstärkers und LDR
Die Abbildung zeigt eine lichtempfindliche Schalterschaltung basierend auf einem Differentialverstärker.Ein leichter abhängiger Widerstand (LDR) und ein fester Widerstand (R1) bilden einen Spannungsteiler, der einen variablen Spannungseingang (V1) zum invertierenden Anschluss des operativen Verstärkers liefert.Der nicht invertierende Eingang empfängt eine Referenzspannung (V2), die unter Verwendung eines variablen Widerstands (VR1) in Reihe mit Widerstand R2 eingestellt ist.Der Differentialverstärker vergleicht diese Eingänge, wobei der Ausgang mit der Basis eines Transistors durch einen Widerstand (R3) angeschlossen ist.Wenn sich die Lichtintensität so ändert, dass V1 den durch V2 eingestellten Schwellenwert überschreitet, schaltet der Verstärkerausgang den Zustand und schaltet den Transistor ein oder aus.Dies steuert wiederum eine angeschlossene Relaisspule, die im Diagramm mit einer Ausgangsverbindung angegeben ist.Eine Diode (D1) wird parallel mit der Relaisspule vor Spannungsspitzen platziert.Der Widerstand R4 dient als Pulldown für die Basis des Transistors.Die Gesamtschaltung ermöglicht das automatische Schalten basierend auf Umgebungslichtbedingungen.
• Ausgezeichnete Lärmablehnung: Differentialverstärker sind so ausgelegt, dass die Differenz zwischen zwei Eingangssignalen verstärkt und gleichzeitig eine Spannung ignoriert, die beides gemeinsam ist.Dies macht sie sehr effektiv, um elektromagnetische Interferenzen und Rauschen abzulehnen, die beide Eingangsleitungen gleichermaßen beeinflussen. Dies ist ein wichtiger Vorteil in Umgebungen mit viel elektrischem Rauschen wie Fabriken oder in der Nähe von Stromleitungen.
• Hohe Genauigkeit: Diese Verstärker bieten eine ausgezeichnete Linearität, dh der Ausgang ist direkt proportional zur Eingangsspannungsdifferenz mit sehr geringer Verzerrung.Dies macht sie ideal für Systeme, die eine hohe Präzision erfordern, wie Audiogeräte, Datenerfassungssysteme oder wissenschaftliche Instrumente, bei denen selbst kleine Ungenauigkeiten die Leistung beeinträchtigen können.
• Vielseitiges Design: Mit einfachen Modifikationen ihrer Schaltungskonfiguration können Differentialverstärker in verschiedenen Rollen wie Basisverstärkern, Spannungsvergleichen, Spannungsanhängern (Puffer) oder als Bausteine in fortschrittlicheren Instrumentensystemen verwendet werden.Diese Flexibilität macht sie in vielen analogen Designs zu einer beliebten Wahl.
• Verbessert die Signalqualität frühzeitig: Durch die Verstärkung des gewünschten Signals und das Ablehnen von Rauschen früh in der Signalkette tragen differentielle Verstärker dazu bei, sicherzustellen, dass ein sauberes Signal durch den Rest des Systems geleitet wird.Dies verringert die Notwendigkeit einer komplexen Filterung oder digitalen Korrektur stromabwärts, spart die Verarbeitungsleistung und die Verbesserung der Gesamtsystemzuverlässigkeit.
• In harten Einstellungen zuverlässig: Aufgrund ihrer Rauschübersetzung und Präzision werden Differentialverstärker in Umgebungen mit hohen Einsätzen wie Luft- und Raumfahrtsystemen, Medizinprodukten und Laborgeräten häufig eingesetzt.In diesen Bereichen sind genaue und stabile Messungen wichtig, und Differentialverstärker tragen dazu bei, die Signalintegrität auch unter herausfordernden Bedingungen aufrechtzuerhalten.
Differentialverstärker sind wichtige Werkzeuge in der Elektronik, da sie Ihnen helfen, das richtige Signal zu verstärken und unerwünschte Rauschen zu entfernen.Sie arbeiten, indem sie den Unterschied zwischen zwei Eingangsspannungen steigern und alles ignorieren, was für beide gleich ist.Sie haben gelernt, wie Op-Ampere verwendet werden, um diese Verstärker zu erstellen und wie entsprechend abgestimmte Widerstandswerte der Schlüssel sind, um den Schaltkreis genau zu halten.Wir haben auch erklärt, wie der Eingangswiderstand des Verstärkers durch die Verwendung von Puffern erhöht werden kann. Dies hilft, wenn Sie mit kleinen oder schwachen Signalen arbeiten.Diese Verstärker können auch als Komparatoren und intelligente Lichtschalter verwendet werden, die zeigen, wie nützlich und flexibel sie sind.Wenn Sie wissen, wie sie funktionieren, können Sie bessere und zuverlässigere Schaltkreise aufbauen.
Bitte senden Sie eine Anfrage, wir werden sofort antworten.
Ein Differentialverstärker hat einen Op-Ampere und vier Widerstände.Ein Eingang geht über einen Widerstand zum invertierenden Anschluss und der andere Eingang über einen anderen Widerstand zum nicht invertierenden Anschluss.Zwei weitere Widerstände bieten Feedback und Erdung.Die Schaltung verstärkt die Spannungsdifferenz zwischen den beiden Eingängen und ignoriert gleichzeitig eine Spannung, die beides gemeinsam ist.
Seine Genauigkeit hängt davon ab, wie gut die Widerstände übereinstimmen.Wenn die Widerstandswerte ausgeschaltet sind, kann der Verstärker das Rauschen durchsetzen.Es kämpft auch mit hohen Impedanzquellen, die einen Signalverlust oder eine Verzerrung verursachen können.Bei hoher Verstärkung können selbst kleine interne Fehler wie die Spannung des Offset -Spannung oder der Vorspannungsstrom den Ausgang beeinflussen.Für die Präzision können komplexe Layouts und zusätzliche Puffer benötigt werden.
Die meisten grundlegenden Differentialverstärker haben einen Ausgang, der den amplifizierten Unterschied zwischen zwei Eingängen zeigt.Einige fortschrittliche Versionen wie voll differentielle Verstärker haben zwei Ausgänge.Diese Ausgänge sind in der Amplitude gleich, aber in der Phase entgegengesetzt, was sie in Systemen nützlich macht, die eine bessere Rauschenimmunität benötigen.
Es verstärkt die Spannungsdifferenz zwischen zwei Eingängen und lehnt jede Spannung ab, die beides gemeinsam ist.Es weist eine hohe Abstoßung für den gemeinsamen Modus, eine gute Linearität und eine einstellbare Verstärkung durch Widerstandswerte auf.Bei Puffern kann es eine hohe Eingangsimpedanz haben.Es ist in lauten Umgebungen zuverlässig und funktioniert gut mit kleinen Signalen von Sensoren oder Audioquellen.
Sie erhöhen die Verstärkung, indem Sie die Widerstandswerte einstellen.Die Verstärkung entspricht dem Verhältnis des Rückkopplungswiderstands zum Eingangswiderstand, typischerweise Verstärkung = R2 / R1.Die Verwendung größerer Rückkopplungswiderstände oder kleinerer Eingangswiderstände erhöht die Verstärkung.Eine hohe Verstärkung kann jedoch auch Rauschen oder interne Fehler verstärken, sodass Widerstandswerte sorgfältig ausgewählt werden sollten, um ein gutes Gleichgewicht zwischen Signalstärke und Genauigkeit zu erhalten.
auf 2025/05/2
auf 2025/05/2
auf 8000/04/18 147758
auf 2000/04/18 111938
auf 1600/04/18 111349
auf 0400/04/18 83721
auf 1970/01/1 79508
auf 1970/01/1 66914
auf 1970/01/1 63062
auf 1970/01/1 63012
auf 1970/01/1 54081
auf 1970/01/1 52131