
Der EPM3064ATC44-10 Aus der MAX® 3000A -Serie von Intel stellt eine leistungsstarke komplexe programmierbare Logik (CPLD) für eine Vielzahl digitaler Anwendungen aus.Bei 64 Makrozellen wird dieses Gerät für eine schnelle Reaktion mit einer maximalen Ausbreitungsverzögerung von 10 Nanosekunden optimiert, um eine effiziente Leistung zu gewährleisten.Es arbeitet mit einer 3,3-V-Versorgungsspannung, die in einem 44-poligen Dünnquad-Packungspaket (TQFP) untergebracht ist und für kommerzielle Anwendungen innerhalb eines Temperaturbereichs von 0 ° C bis 70 ° C geeignet ist.Die Teilenummer EPM3064ATC44-10 umfasst das Design und die Funktionalität: EPM Für die MAX® -Serie von CPLDs, 3064 Zeigt das spezifische Modell mit 64 Makrozellen an, A Für die fortschrittliche 3.3V -Technologie, T für das TQFP -Paket und C44 Bestätigung der Zähl- und Temperaturspezifikationen.Das Suffix-10 bezeichnet seine schnelle Geschwindigkeitsqualität mit minimaler Verzögerung.Dieses Gerät ist eine perfekte Lösung für die Integration von SSI-, MSI- und LSI -Logikfunktionen, die mit einer 100% igen TTL -Emulation kompatibel sind.Es unterstützt eine nahtlose Integration verschiedener Geräte, die von Kumpels, Mädels und 22 V10 bis Mach- und PLSI -Geräten reichen, was es äußerst vielseitig macht.Die Max® 3000A -Serie ist in mehreren Paketoptionen wie PLCC, PQFP und TQFP erhältlich und bietet Designflexibilität in verschiedenen Anwendungen.
Wenn Sie Ihre digitalen Systeme mit zuverlässigen und effizienten Logikgeräten aktualisieren möchten, ist es ein intelligenter Schritt, in die EPM3064ATC44-10 in die Masse zu investieren.Es ist eine Entscheidung, die sowohl eine starke Leistung als auch solide Rentabilität gewährleistet.

EPM3064ATC44-10 Fußabdruck

EPM3064ATC44-10 3D-Modell
• 64 Makrozellen: Diese CPLD enthält 64 konfigurierbare Logikeinheiten, die als Makrozellen bezeichnet werden.Jede Makrozell kann einzeln programmiert werden, um komplexe Logikvorgänge auszuführen, sodass das Gerät eine Vielzahl von digitalen Funktionen und Prozessen verarbeiten kann.
• Nutzungsstore: Das Gerät bietet ungefähr 1.250 nutzbare Tore.Dieses Maß für die Komplexität zeigt die Menge an logischer Integration in der CPLD an, die es ermöglicht, sowohl einfache als auch komplexe digitale Schaltkreise effektiv zu unterstützen.
• Maximale Betriebsfrequenz: Der EPM3064ATC44-10 kann bei einer maximalen Frequenz von 222,2 MHz arbeiten.Diese Hochfrequenz erleichtert schnellere Verarbeitungsgeschwindigkeiten und macht sie ideal für Anwendungen, die schnelle Reaktionszeiten und Hochgeschwindigkeitsdatenoperationen erfordern.
• Ausbreitungsverzögerung: Mit einer geringen Ausbreitungsverzögerung von nur 4,5 Nanosekunden minimiert diese CPLD die zeitliche Verzögerung der Signalübertragung vom Eingang zum Ausgang und verbessert die Gesamtsystemleistung und die Reaktionsfähigkeit.
• Versorgungsspannung: Es arbeitet mit einer 3,3 -V -Versorgungsspannung mit einem zulässigen Bereich von 3,0 V und 3,6 V.Dieser Spannungsbereich bietet Flexibilität bei der Stromversorgungsanforderungen und macht sie mit einer Vielzahl digitaler Systeme kompatibel.
• E/O -Stifte: Das Gerät enthält 34 Eingangs-/Ausgangsnadeln, die eine umfassende Konnektivität mit anderen Komponenten eines digitalen Systems ermöglichen.Diese Stifte ermöglichen die Übertragung von Daten in und aus der CPLD und unterstützen eine breite Palette von Schnittstellenfunktionen.
• Paketart: Der EPM3064ATC44-10 ist in einem 44-poligen Dünnquad-Flat-Pack (TQFP) untergebracht und bietet einen kompakten Formfaktor, der für Anwendungen vorteilhaft ist, bei denen der Platz in einer Prämie ist, ohne die Anzahl der E/A-Optionen zu beeinträchtigen.
• Betriebstemperaturbereich: Diese CPLD wurde für einen kommerziellen Temperaturbereich von 0 ° C bis 70 ° C entwickelt und ist für eine Vielzahl von Umgebungen geeignet, um eine zuverlässige Leistung unter typischen industriellen Bedingungen zu gewährleisten.

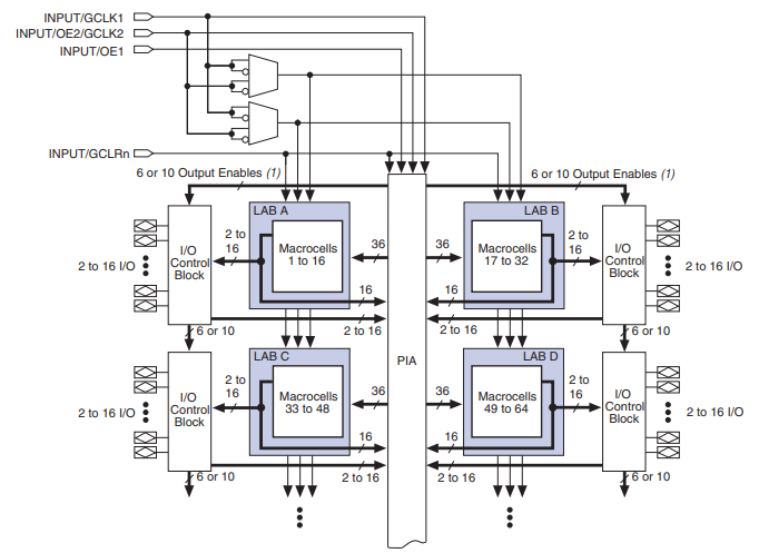
Das Blockdiagramm für das EPM3064ATC44-10 bietet eine visuelle Darstellung seiner internen Architektur und zeigt die funktionalen Komponenten und deren Zusammenhänge hervor.Im Kern des Designs befinden sich vier logische Arrayblöcke (Labore) mit A, B, C und D, die jeweils 16 Makrozellen für insgesamt 64 Makrozellen enthalten.Diese Labors sind mit einem zentralen programmierbaren Interconnect -Array (PIA) verbunden, das das Routing von Signalen zwischen den Labors und den E/A -Steuerblöcken erleichtert.Die PIA stellt sicher, dass die Eingänge, Ausgänge und die interne Logik effizient und flexibel kommunizieren können.Jedes Labor ist weiter mit seinem jeweiligen E/A -Steuerblock verbunden, der bis zu 16 E/A -Stifte verhandelt.Diese E/A -Blöcke verwalten die Wechselwirkung zwischen externen Signalen und der internen Logik und bieten Funktionen wie bidirektionaler Betrieb und programmierbare Ausgangsbedarf.Das Diagramm zeigt Kontrollsignale wie globale Uhren (GCLK1 und GCLK2), Output -Enable -Signale (OE1 und OE2) und Global Clear (GCLRN), die den Betrieb der Makrozellen und E/A -Blöcke orchestrieren, um die Synchronisation zu gewährleisten und spezifische Funktionalitäten nach Bedarf zu aktivieren.

Das Diagramm zeigt den typischen Verbrauch (ICC) im Vergleich zum EPM3064ATC44-10 unter einer Versorgungsspannung von 3,3 V bei Raumtemperatur.Zwei operative Modi werden hervorgehoben: Hohe Geschwindigkeit Und Niedrige Leistung.Im Hochgeschwindigkeitsmodus nimmt der Stromverbrauch linear mit der Betriebsfrequenz zu, beginnt bei etwa 50 mA für niedrigere Frequenzen und erreicht etwa 70 mA bei einer Frequenz von 222,2 MHz.Dieser Modus ist für Anwendungen ausgelegt, die maximale Leistung und schnellere Verarbeitungsgeschwindigkeiten erfordern.Umgekehrt zeigt der niedrige Leistungsmodus einen geringeren Stromverbrauch, beginnend bei etwa 20 mA bei niedrigeren Frequenzen und steigt auf etwa 30 mA bei 125 MHz.Dieser Modus ist für den energieeffizienten Betrieb optimiert, sodass er für Entwürfe geeignet ist, die die Nutzung niedrigerer Stromversorgung gegenüber der Geschwindigkeit priorisieren.
|
Typ |
Parameter |
|
Hersteller |
Altera/Intel |
|
Serie |
Max® 3000A |
|
Verpackung |
Tablett |
|
Teilstatus |
Veraltet |
|
Programmierbarer Typ |
In System programmierbar |
|
Verzögerungszeit TPD (1) max |
10 ns |
|
Spannungsversorgung - intern |
3v ~ 3,6 V |
|
Anzahl der Logikelemente/Blöcke |
4 |
|
Anzahl der Makrozellen |
64 |
|
Anzahl der Tore |
1250 |
|
Anzahl von i/o |
34 |
|
Betriebstemperatur |
0 ° C ~ 70 ° C (TA) |
|
Montagetyp |
Oberflächenhalterung |
|
Paket / Fall |
44-TQFP |
|
Lieferantengerätepaket |
44-TQFP (10x10) |
|
Grundproduktnummer |
EPM3064 |
1. Geben Sie ISP ein: Diese erste Stufe übergeht die Pins der Eingabe/Ausgabe (E/A) vom normalen Benutzermodus in den ISP -Modus.Es ist ein Vorbereitungsschritt, der sicherstellt, dass das Gerät für die Programmierung bereit ist und nur 1 Millisekunde erforderlich ist.
2. Überprüfen Sie die ID: Vor Beginn der Programmierung oder Überprüfung wird die Silizium -ID des Geräts überprüft, um seine Identität zu bestätigen und die Kompatibilität mit den Programmierbefehlen sicherzustellen.Dieser Schritt ist schnell und nimmt einen minimalen Teil der gesamten Programmierzeit ein.
3. Bulk -Löschen: Um die vorherigen Daten aus dem Gerät zu löschen, wird eine Bulk -Löschung durchgeführt.Dies beinhaltet das Laden von Löschbefehlen in das Gerät und das Anwenden eines 100-Millisekunden-Impulses, um die EEPROM-Zellen (elektrisch löschbare programmierbare schreibgeschützte Speicher) zu löschen.Dieser Schritt erstellt das Gerät für neue Daten.
4. Programm: Während dieses Schritts werden neue Daten in das Gerät programmiert.Dies beinhaltet das Laden jeder EEPROM -Adresse mit den neuen Daten und die Anwendung eines Programmierpulses, um die Daten in die EEPROM -Zellen zu schreiben.Dieser Vorgang wird von der Adresse wiederholt, bis alle beabsichtigten Daten in das Gerät programmiert sind.
5. Überprüfen Sie: Nach dem Programmieren werden die Daten des Geräts überprüft, um sicherzustellen, dass sie korrekt geschrieben wurden.Dies beinhaltet das Lesen der Daten aus jeder EEPROM -Adresse und des Vergleichs mit den beabsichtigten Daten.Dieser Schritt stellt die Programmiergenauigkeit sicher und wird für jede Adresse wiederholt.
6. ISP beenden: Der letzte Schritt wechselt die E/A -Stifte vom ISP -Modus zurück zum Benutzermodus.Wie in der Eingabetufe ist auch dieser Schritt schnell und erfordert nur 1 Millisekunde.Es markiert den Abschluss des Programmiervorgangs, sodass das Gerät normale Vorgänge wieder aufnehmen kann.
Diese CPLD ist ideal für eingebettete Systemanwendungen, bei denen eine benutzerdefinierte Logik erforderlich ist, um die Funktionen von Mikrocontrollern zu erweitern.Es kann Aufgaben wie Schnittstellen, Steuerungssignalverarbeitung und Verwaltung von Hardware -Peripheriegeräten ausführen, wodurch die Funktionen und die Effizienz eingebetteter Designs verbessert werden.
Im Telekommunikationssektor spielt der EPM3064ATC44-10 eine Rolle bei der Protokollhandhabung, beim Signalintegritätsmanagement und beim Datenrouting.Die Fähigkeiten für Hochgeschwindigkeitslogikverarbeitungen machen es für Anwendungen wie digitale Signalverarbeitung, Netzwerkschalter und Schnittstellenkonvertierung geeignet, wodurch die effiziente Datenfluss- und Kommunikationszuverlässigkeit aufrechterhalten wird.
Das Gerät wird aufgrund seiner neuprogrammierbaren Art und des schnellen Betriebs in den Test- und Messgeräten ausgiebig eingesetzt.Es ist in der Lage, komplexe logische Operationen zu behandeln, die in Datenerfassungssystemen, Signalgeneratoren und Analysewerkzeugen erforderlich sind und genauer Steuerungen und anpassungsfähige Funktionen in wissenschaftlichen und industriellen Testumgebungen bieten.
Als programmierbarer Logikcontroller (PLC) befindet sich der EPM3064ATC44-10 in verschiedenen Automatisierungs- und Prozesssteuerungsanwendungen.Es bietet die erforderlichen Logikfunktionen zur Steuerung von Maschinen, Prozesssignalen und Sicherheitsüberprüfungen, die gleichzeitig unter industriellen Bedingungen und in breiten Temperaturbereichen effizient arbeiten.
In der Unterhaltungselektronik hilft diese CPLD, Innovationen in Geräten wie Smart -Home -Systemen, tragbare Spielgeräte und erweiterte Audio-/visuelle Geräte voranzutreiben.Es unterstützt komplexe logische Lösungen, die die Gerätefunktionen verbessern, Schnittstellen verbessern und die Integration von Funktionen der nächsten Generation in Konsumgüterprodukte ermöglichen.
Bei der Betrachtung des Kaufs des EPM3064ATC44-10 sind mehrere Aspekte zu beachten, um sicherzustellen, dass sie Ihren Projektanforderungen entsprechen.Beachten Sie in erster Linie, dass diese Komponente veraltet ist, obwohl wir immer noch begrenzte Aktien anbieten.Stellen Sie sicher, dass die technischen Spezifikationen Ihren Anforderungen entsprechen.Der EPM3064ATC44-10 verfügt über 64 Makrozellen, arbeitet mit einer maximalen Frequenz von 222,2 MHz und ist für eine 3,3-V-Stromversorgung innerhalb eines 44-poligen TQFP-Pakets ausgelegt.Es ist erforderlich, um die Datenblatt- und Anwendungshinweise zu überprüfen, um die Integration und die betrieblichen Anforderungen dieser Komponente vollständig zu verstehen.Bewerten Sie unter Berücksichtigung des veralteten Status der Komponente auch alternative Optionen, die ähnliche Funktionen bieten und aktiv unterstützt werden.Dieser Schritt ist wichtig für die Aufrechterhaltung der Langlebigkeit und Unterstützung Ihres Projekts.
Dieses Gerät kann mit einer hohen maximalen Frequenz von 222,2 MHz arbeiten, was eine schnelle Verarbeitung von Daten und Aufgaben ermöglicht.Die geringe Ausbreitungsverzögerung von nur 4,5 Nanosekunden minimiert die Zeit, die Signale durch das Gerät benötigen und die Reaktionsfähigkeit und Leistung des Gesamtsystems in zeitempfindlichen Anwendungen verbessern.
Der für die Effizienz entwickelte EPM3064ATC44-10 arbeitet mit einer 3,3-V-Versorgungsspannung, wodurch der Gesamtstromverbrauch des Systems, zu dem es gehört, verringert ist.Diese Funktion ist in tragbaren und batteriebetriebenen Geräten von Vorteil, bei denen Stromeffizienz erforderlich ist.
Die neuprogrammierbare Natur dieser CPLD ermöglicht mehrere Iterationen und Aktualisierungen in der Entwurfsphase und nach der Bereitstellung, wodurch die kontinuierliche Verbesserung und Anpassung an sich ändernde technologische Anforderungen unterstützt werden, ohne vollständige Hardware -Redesigns zu erfordern.
Mit 34 E/A-Stiften unterstützt der EPM3064ATC44-10 umfangreiche Schnittstellenoptionen und erleichtert die Verbindung mit einer Vielzahl anderer digitaler Komponenten.Diese Flexibilität eignet sich hervorragend für komplexe Systeme, die zahlreiche Verbindungen zwischen verschiedenen Gerätenarten erfordern.
Diese CPLD erstellt mit einer robusten, nichtflüchtigen Architektur auf Flash-basierte Architektur und hält die Programmintegrität und -funktionalität im Laufe der Zeit beibehalten, um eine konsistente Leistung und Zuverlässigkeit selbst bei häufigen Leistungszyklen oder unter harten Betriebsbedingungen zu gewährleisten.
Der EPM3064ATC44-10 kann mehrere ältere Arten von Logikgeräten wie Kumpels und Mädels leicht ersetzen, die Komplexität des Systems verringern und die Effizienz verbessern.Diese Fähigkeit macht es zu einer idealen Wahl für die Aktualisierung vorhandener Systeme oder die Konsolidierung mehrerer Funktionen in ein einzelnes Gerät.
Dieses Gerät ist für kommerzielle Anwendungen geeignet und arbeitet zuverlässig innerhalb eines Temperaturbereichs von 0 ° C bis 70 ° C.Diese Robustheit ermöglicht den Einsatz in verschiedenen Umgebungen, von Büroumgebungen bis hin zu industriellen Standorten ohne Leistungsverschlechterung.

Das EPM3064ATC44-10 Pack-Out-Diagramm repräsentiert die physische Anordnung der Stifte für das Gerät.Es enthält Details zu den Funktionen und Zuordnungen jedes Pin im 44-poligen Paket.Jeder Stift ist mit seiner angegebenen Funktionalität wie E/O (Eingang/Ausgabe), Netzteil (VCC), Ground (GND) oder spezifischen operativen Signalen wie TDI, TDO, TMS und TCK gekennzeichnet, die für JTAG verwendet werdenProgrammierung und Debuggen.Das Diagramm verwendet eine Top-Down-Ansicht des Chips mit klaren Anzeichen einer PIN-Nummerierung, um die Pinpositionen relativ zum physischen Paket zu identifizieren.
Die PIN -Zuordnungen enthalten mehrere E/A -Stifte, die Flexibilität für die Schnittstelle des Geräts mit anderen Komponenten in einer Schaltung bieten.Spezifische Stifte wie Input/GCLK und Input/OE werden hervorgehoben, wodurch ihre doppelte Rolle bei der Bereitstellung von Taktsignalen oder als allgemeine Eingangsnadeln angezeigt wird.Diese multifunktionalen Stifte eignen sich hervorragend zur Optimierung der Verwendung des Geräts in programmierbaren Logikanwendungen.Das Diagramm identifiziert auch Strom- und Bodennadeln, die über das Paket verteilt sind, um eine zuverlässige Stromversorgung und die Signalintegrität zu gewährleisten.Mit dem Eckmarker, der Pin 1 anzeigt, hilft das Diagramm, den Chip während der Montage korrekt zu orientieren und das Risiko von Fehlern zu verringern.
Altera war für seine FPGA- und CPLD -Produktlinien wie die Max- und Stratix -Serie bekannt.Der EPM3064ATC44-10, Teil der Max 3000A-Serie, war einer der beliebten CPLDs von Altera.Nach der Akquisition hat sich Intel auf die FPGA-Technologie konzentriert und sie in Xeon-Prozessoren für Aufgaben in der KI und in der Datenverarbeitung integriert.Die FPGA -Aufstellung von Intel enthält nun die Agilex- und Stratix 10 -Serie, die die Anforderungen in 5G und Cloud Computing behandeln.Intel hat einige ältere Altera-Produkte wie den EPM3064ATC44-10 im Rahmen des Übergangs zu neueren Technologien eingestellt.Intel leitet weiterhin in der programmierbaren Logik und betont die Beschleunigung der KI und rekonfigurierbares Computer mit Innovationen in Oneapi- und FPGA -Karten.
Der EPM3064ATC44-10 ist eine ausgezeichnete Wahl für die Erstellung oder Verbesserung digitaler Geräte.Es ist schnell, effizient und kann mit vielen anderen Komponenten verbunden werden, was es für verschiedene elektronische Anwendungen nützlich macht.Dieser Leitfaden umfasste seine Hauptmerkmale, wie er in verschiedenen Geräten verwendet werden kann, und deren Vorteile, die zeigen, wie er dazu beitragen kann, fortschrittlichere und zuverlässigere elektronische Systeme zu gestalten.Egal, ob Sie alte Geräte aktualisieren oder etwas Neues bauen, der EPM3064ATC44-10 ist ein wichtiger Teil, der dazu beiträgt, dass alles besser funktioniert.
Bitte senden Sie eine Anfrage, wir werden sofort antworten.
Der EPM3064ATC44-10 ist mit robusten Leistungsfähigkeitsfunktionen ausgelegt.Es ist jedoch ratsam, in Ihrem Schaltungskonstruktion ordnungsgemäße Mechanismen für Stromverwaltung und Schleifenschutz zu implementieren, um die Haltbarkeit zu verbessern und Schäden unter schwankenden Leistungsbedingungen zu verhindern.
Der EPM3064ATC44-10 bietet, wenn er innerhalb seiner festgelegten Bedingungen betrieben wird, eine zuverlässige Betriebsdauer, die mit anderen hochwertigen CPLDs übereinstimmt.Die Lebensdauer kann mit ordnungsgemäßem thermischem Management und Spannungsspezifikationen erweitert werden.
Während der EPM3064ATC44-10 für viele Anwendungen eine robuste Leistung liefert, bieten neuere CPLD-Modelle möglicherweise eine bessere Energieeffizienz und verbesserte Leistungsfunktionen wie eine höhere logische Dichte, schnellere Geschwindigkeiten und einen geringeren Stromverbrauch.
Der EPM3064ATC44-10 enthält Sicherheitsfunktionen, die nicht autorisierten Zugriff und Konfiguration verhindern, einschließlich eines Sicherheitsbits, das die JTAG-Programmierung nach dem Einstellen deaktiviert, wodurch das Gerät vor Manipulationen geschützt wird.
In der Telekommunikation zeichnet sich der EPM3064ATC44-10 durch die Verwaltung der Signalintegrität und die Verarbeitung von Hochgeschwindigkeitsdaten dank seiner geringen Ausbreitungsverzögerung und hoher Betriebsfrequenz aus.Diese Merkmale gewährleisten minimale Signalverzerrungen und robuste Datenbehandlung in Netzwerkschalter und Schnittstellenkonvertierung.
auf 2025/02/6
auf 2025/02/5
auf 8000/04/18 147776
auf 2000/04/18 112020
auf 1600/04/18 111351
auf 0400/04/18 83777
auf 1970/01/1 79575
auf 1970/01/1 66964
auf 1970/01/1 63104
auf 1970/01/1 63041
auf 1970/01/1 54097
auf 1970/01/1 52189