
EPM7128ATC100-10 ist ein programmierbares Logikgerät, das zur Implementierung konfigurierbarer digitaler Steuerfunktionen in eingebetteten elektronischen Systemen entwickelt wurde.Das Gerät enthält 128 Makrozellen und etwa 2500 Logikgatter, die es Designern ermöglichen, benutzerdefinierte Logikschaltungen wie Steuerlogik, Schnittstellenverwaltung und Zustandsmaschinen zu erstellen.Seine Struktur organisiert programmierbare Logik in mehreren Logik-Array-Blöcken, die über ein internes Routing-Netzwerk verbunden sind, das Signale über das Gerät verteilt.Er arbeitet mit einem Versorgungsbereich von 3 V bis 3,6 V und unterstützt Ausbreitungsverzögerungen von bis zu 10 ns, was ein vorhersagbares Logik-Timing ermöglicht.Das 100-Pin-TQFP-Gehäuse unterstützt die kompakte Oberflächenmontage in Schaltungsdesigns mit begrenztem Platzangebot.
Suchen Sie nach EPM7128ATC100-10?Kontaktieren Sie uns, um den aktuellen Lagerbestand, die Lieferzeit und die Preise zu überprüfen.

Das quadratische Gehäuselayout stellt ein Gerät im Quad-Flat-Stil mit Metallleitungen dar, die von allen vier Seiten des Gehäuses ausgehen.Die Pin-Nummern sind nacheinander um den Umfang herum angeordnet, beginnend mit Pin 1 in der oberen linken Ecke und dann an jeder Seite entlang, bis die letzten Pins an den verbleibenden Kanten erscheinen.Eckindikatoren markieren wichtige Orientierungspunkte, die für die korrekte Geräteplatzierung auf einer Leiterplatte verwendet werden.Der mittlere Bereich enthält Geräteidentifikationsmarkierungen für die programmierbare Logikfamilie MAX 7000A.Der Leitungsabstand und die symmetrische Anordnung unterstützen die Oberflächenmontage und ermöglichen die Verbindung jedes externen Pins mit der Signalführung auf der Platine.

Die Pin-Anordnung zeigt ein gemeinsames Leiterplattenlayout, das mehrere FineLine-BGA-Gehäusegrößen unterstützt.Dargestellt ist ein zentrales Platinendesign, das ursprünglich für einen FineLine-BGA-Footprint mit 256 Pins vorbereitet wurde, mit einem dichten Raster von Lötkugelpositionen.Das Layout ermöglicht die Platzierung eines kleineren 100-Pin-FineLine-BGA-Geräts im selben Pin-Feld unter Beibehaltung kompatibler Routing-Verbindungen.Bei der Installation des kleineren Gehäuses bleiben die äußeren Kugelpositionen ungenutzt, während das gesamte Raster für das größere Gerät genutzt wird.Diese Anordnung ermöglicht ein einzelnes Platinendesign, um Geräte mit unterschiedlichen Eingangs-/Ausgangszahlen oder Logikanforderungen zu unterstützen, ohne das PCB-Layout zu ändern.
Das Gerät verwendet eine auf Makrozellen basierende programmierbare Logikstruktur, die die Konfiguration digitaler Schaltkreise nach der Herstellung ermöglicht.Jede Makrozelle kann kombinatorische Logik- oder registrierte Logikfunktionen implementieren, was Entwicklern Flexibilität beim Aufbau von Steuerpfaden, Signalrouting-Logik und Zeitschaltkreisen bietet.Diese Architektur ermöglicht die Integration mehrerer diskreter Logikfunktionen in ein Gerät unter Beibehaltung eines vorhersehbaren Logikverhaltens.
Interne Logikressourcen sind in Logik-Array-Blöcken organisiert, die Makrozellen gruppieren und Routing-Ressourcen gemeinsam nutzen.Diese Anordnung vereinfacht die interne Signalverteilung und trägt dazu bei, einen stabilen Logikbetrieb im gesamten Gerät aufrechtzuerhalten.Signale können zwischen Blöcken über ein internes Verbindungsnetzwerk weitergeleitet werden, das komplexe digitale Logikanordnungen unterstützt.
Bis zu 84 Eingangs- und Ausgangspins ermöglichen dem Gerät die direkte Verbindung mit mehreren digitalen Signalen in einem eingebetteten System.Diese Pins können je nach Designanforderung für Eingang, Ausgang oder bidirektionalen Betrieb konfiguriert werden.Diese Flexibilität ermöglicht es dem Gerät, die Kommunikation zwischen Prozessoren, Speichergeräten und peripheren Logikschaltungen zu verwalten.
Das Gerät unterstützt Ausbreitungsverzögerungen von bis zu zehn Nanosekunden und ermöglicht so ein reaktionsfähiges digitales Logikverhalten.Diese Timing-Leistung unterstützt Steuerfunktionen, die eine konsistente Signalumschaltung und zuverlässige Synchronisierung mit anderen digitalen Komponenten im System erfordern.
Die Konfiguration wird mithilfe einer elektrisch löschbaren, programmierbaren Technologie gespeichert, die eine Aktualisierung der Gerätelogik ermöglicht, wenn sich die Systemanforderungen ändern.Designer können die digitale Logik während der Entwicklung oder Systemwartung ändern, ohne die Hardwarekomponente auszutauschen.
Der Betrieb innerhalb eines Versorgungsbereichs von drei Volt bis dreikomma sechs Volt ermöglicht die Integration des Geräts in viele moderne digitale Systeme.Dieser Spannungsbereich unterstützt stabile Logikpegel und gewährleistet gleichzeitig die Kompatibilität mit gängigen digitalen Schnittstellenstandards.
Das Gerät wird in einem dünnen Quad-Flat-Gehäuse mit 100 Pins geliefert, das für die Oberflächenmontage konzipiert ist.Die kompakte Gehäusefläche trägt dazu bei, Platz auf der Platine zu sparen und unterstützt automatisierte Fertigungsprozesse, die in der modernen Elektronikproduktion zum Einsatz kommen.
Durch die Kombination von programmierbarer Logik, flexiblem Routing und konfigurierbaren Eingangs- und Ausgangsverbindungen kann das Gerät verschiedene digitale Steuerungsaufgaben ausführen.Es kann mehrere diskrete Logikschaltungen ersetzen und gleichzeitig ein stabiles Signalverhalten über eingebettete elektronische Designs hinweg gewährleisten.
| Produktattribut | Attributwert |
| Hersteller | Altera (Intel) |
| Spannungsversorgung – Intern | 3V ~ 3,6V |
| Gerätepaket des Lieferanten | 100-TQFP (14x14) |
| Serie | MAX® 7000A |
| Programmierbarer Typ | EE PLD |
| Paket/Koffer | 100-TQFP |
| Paket | Masse |
| Betriebstemperatur | 0°C ~ 70°C (TA) |
| Anzahl der Makrozellen | 128 |
| Anzahl der Logikelemente/Blöcke | 8 |
| Anzahl der E/A | 84 |
| Anzahl der Tore | 2500 |
| Montageart | Oberflächenmontage |
| Verzögerungszeit tpd(1) Max | 10 ns |
| Basisproduktnummer | EPM7128 |
| RoHs-Status | Nicht RoHS-konform |
| Feuchtigkeitsempfindlichkeitsniveau (MSL) | 3 (168 Stunden) |
| REACH-Status | REACH Unberührt |
| ECCN | EAR99 |
| HTSUS | 8542.39.0001 |

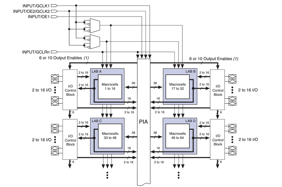
Das Diagramm veranschaulicht die interne Logikarchitektur, die von MAX 7000A CPLD-Geräten wie dem EPM7128ATC100-10 verwendet wird.Die Struktur ist um mehrere Logik-Array-Blöcke mit den Bezeichnungen LAB A, LAB B, LAB C und LAB D herum organisiert, die jeweils Gruppen von Makrozellen enthalten, die programmierbare Logikfunktionen implementieren.Diese Makrozellen unterstützen kombinatorische Logik und registrierte Logikoperationen innerhalb des Geräts.Die Logik-Array-Blöcke sind über ein zentrales programmierbares Verbindungsarray verbunden, das Signale zwischen Logikabschnitten weiterleitet.Jeder Logik-Array-Block ist mit einem E/A-Steuerblock verbunden, der die Eingangs- und Ausgangspins des Geräts verwaltet.Globale Steuersignale, einschließlich Takteingänge, Ausgangsfreigabesignale und globale Löscheingänge, kommen von oben in die Architektur und verteilen Steuersignale über die interne Logikstruktur, um den Gerätebetrieb zu koordinieren.

Logiksignale gelangen vom Programmable Interconnect Array über sechsunddreißig Routingleitungen, die mit dem lokalen LAB-Array verbunden sind, in die Makrozelle.Eine Produktterm-Auswahlmatrix kombiniert diese Signale mit bis zu sechzehn Expander-Produkttermen, um programmierbare Logikfunktionen zu erstellen.Parallele Logikexpander ermöglichen zusätzliche Terme aus benachbarten Makrozellen, während gemeinsam genutzte Logikexpander zusätzliche Produktterme über den Logikarrayblock verteilen, um die Logikkapazität zu erhöhen.Ausgangspfade speisen ein programmierbares Register, das mit globalem Takt und klaren Steuerleitungen arbeitet und entweder registrierte oder direkte kombinatorische Ausgabe ermöglicht.Ein schneller Eingangsauswahlpfad akzeptiert Signale von einem externen I/O-Pin, und ein Register-Bypass-Pfad ermöglicht die Weiterleitung des Signals ohne getaktete Speicherung.Die endgültigen Ausgangssignale werden entweder zum E/A-Steuerblock für externe Pins oder zurück zum Programmable Interconnect Array für die interne Signalweiterleitung geleitet.
Programmierbare Logikgeräte wie dieses werden häufig zur Implementierung benutzerdefinierter Steuerlogik in eingebetteten Systemen verwendet.Es kann Zeitbeziehungen zwischen Prozessoren, Sensoren und Kommunikationsgeräten koordinieren und gleichzeitig einen stabilen Signalfluss im gesamten System aufrechterhalten.
Automatisierungsgeräte erfordern häufig eine spezielle Logik zur Verwaltung von Sensoren, Relais und Aktorsignalen.Das Gerät kann so programmiert werden, dass es Steuersequenzen, Sicherheitsprüfungen und Signalrouting-Aufgaben übernimmt, die in automatisierten Maschinen und Überwachungssystemen verwendet werden.
Kommunikationsgeräte verwenden programmierbare Logik, um die Signalweiterleitung zwischen Prozessoren und Schnittstellenschaltungen zu verwalten.Das Gerät kann digitales Switching, Protokollverarbeitung und Signalkonditionierung unterstützen, um eine zuverlässige Kommunikation zwischen Systemkomponenten aufrechtzuerhalten.
Digitale Verbraucherprodukte sind häufig auf kompakte Logikgeräte angewiesen, um interne Abläufe zu koordinieren.Das Gerät kann Timing, Eingabeverarbeitung und Signalsteuerung in elektronischen Produkten wie Multimediageräten, Heimelektronik und Peripheriegeräten verwalten.
Systeme, die mehrere digitale Subsysteme kombinieren, erfordern eine kontrollierte Signalführung zwischen Komponenten.Die programmierbare Logikstruktur ermöglicht es Designern, eine individuelle Routing-Logik zu erstellen, die Signale zwischen Speicher, Prozessoren und externen Schnittstellen leitet.
Viele elektronische Systeme verlassen sich auf Zustandsmaschinen, um Betriebsabläufe zu verwalten.Das Gerät kann diese zustandsbasierten Steuerstrukturen mithilfe programmierbarer Logikpfade implementieren, die auf Eingangsbedingungen und Zeitereignisse reagieren.
Mehrere separate Logikgatter und Steuerschaltkreise können oft in einem programmierbaren Gerät zusammengefasst werden.Dieser Ansatz reduziert die Komplexität der Platine und ermöglicht gleichzeitig die Anpassung des Logikverhaltens durch Konfigurationsaktualisierungen, wenn sich die Systemanforderungen ändern.
• Dank der flexiblen programmierbaren Logik können Designer benutzerdefinierte digitale Schaltkreise implementieren
• Schnellerer Entwicklungszyklus im Vergleich zu Geräten mit fester Logik
• Kompakte Integration mehrerer Logikfunktionen in einem einzigen Gerät
• Zuverlässiger Betrieb mit relativ geringer Ausbreitungsverzögerung für Steuerlogikaufgaben
• Unterstützt mehrere Ein- und Ausgangsverbindungen über 84 I/O-Pins
• Die umprogrammierbare Architektur ermöglicht Designaktualisierungen während der Entwicklung
• Geeignet zum Ersetzen mehrerer diskreter Logik-ICs in eingebetteten Systemen
• Geringere Logikdichte im Vergleich zu modernen FPGA-Geräten
• Begrenzte interne Ressourcen im Vergleich zu neueren programmierbaren Logikfamilien
• Eingeschränkter Betriebstemperaturbereich im Vergleich zu Geräten in Industriequalität
• Die nicht RoHS-konforme Version kann die Verwendung in einigen modernen Designs zur Einhaltung der Umweltvorschriften einschränken
| Teilenummer | Hersteller | Hauptmerkmale | Anwendungsfall/Hinweise |
| EPM7128ATC100-12F | Altera | CPLD der MAX 7000A-Familie mit 128 Makrozellen und etwa 2.500 nutzbaren Logikgattern.Verwendet elektrisch löschbare programmierbare Logiktechnologie und ein 100-Pin-TQFP-Gehäuse mit vielen programmierbaren I/O-Anschlüssen. | Wird für digitale Steuerlogik, Busschnittstellenlogik und Systemklebelogik verwendet, bei der mehrere digitale Funktionen in einem programmierbaren Gerät implementiert werden müssen. |
| EPM7128ATC100-6 | Altera | CPLD mit höherer Geschwindigkeit aus der MAX 7000A-Architektur.Bietet programmierbare Makrozellen, interne Routing-Ressourcen und flexible digitale Eingangs- und Ausgangspins. | Geeignet für zeitempfindliche digitale Logik, Schnittstellenmanagement und eingebettete Steuerungssysteme, die eine schnellere Logikreaktion erfordern. |
| EPM7128ATC144-10 | Altera | CPLD-Gerät mit MAX 7000A-Architektur mit nichtflüchtigem Konfigurationsspeicher und einem größeren Gehäuse, das mehr I/O-Verbindungen für die digitale Systemintegration unterstützt. | Häufig bei industriellen Steuerplatinen, Kommunikationshardware und programmierbaren Logiksteuerungsaufgaben, bei denen zusätzliche externe Signale verarbeitet werden müssen. |
Altera war ein Halbleiterunternehmen, das für die Entwicklung programmierbarer Logikgeräte für digitale Systeme und eingebettete Elektronik bekannt war.Das Unternehmen hat sich auf feldprogrammierbare Gate-Arrays und komplexe programmierbare Logikgeräte spezialisiert, die es Designern ermöglichen, kundenspezifische digitale Schaltkreise in einer einzigen Komponente zu implementieren.Seine Produktfamilien wurden häufig in Kommunikationsgeräten, Computerplattformen, industriellen Steuerungssystemen und Unterhaltungselektronik eingesetzt.Im Jahr 2015 wurde das Unternehmen Teil von Intel, wo seine programmierbaren Logiktechnologien weiterhin weiterentwickelt und in Rechenzentrums-, Netzwerk- und Embedded-Computing-Plattformen integriert werden.
Der EPM7128ATC100-10 ist ein programmierbares Logikgerät, das für die Bewältigung konfigurierbarer digitaler Steuerungsaufgaben in elektronischen Systemen entwickelt wurde.Es kombiniert 128 Makrozellen und eine interne Routing-Struktur, die es Ihnen ermöglicht, benutzerdefinierte Logikfunktionen in einem kompakten Chip zu erstellen.Das Gerät organisiert seine Logikressourcen durch Logik-Array-Blöcke, die über ein programmierbares Routing-Netzwerk verbunden sind.Seine Pin-Konfiguration und das kompakte TQFP-Gehäuse unterstützen oberflächenmontierte Designs, die in modernen Leiterplatten verwendet werden.Mit diesem Gerät können Sie Signalrouting, Logiksequenzierung und Steuerfunktionen in vielen digitalen Anwendungen verwalten.Diese Flexibilität trägt dazu bei, das Schaltungsdesign zu vereinfachen und gleichzeitig das Systemverhalten vorhersehbar zu halten.
Bitte senden Sie eine Anfrage, wir werden sofort antworten.
EPM7128ATC100-10 ist ein komplexes programmierbares Logikgerät, das dies ermöglicht konfigurierbare digitale Logik, die in einem einzigen integrierten System implementiert werden kann Schaltung.
Das Gerät enthält 128 Makrozellen, die programmierbare kombinatorische oder registrierte Logikfunktionen implementieren können.
Es ist in einem flachen 100-Pin-Quad-Gehäuse erhältlich, das die Oberflächenmontage auf Leiterplatten unterstützt.
Es wird häufig für digitale Steuerlogik, Signalrouting, Schnittstellenmanagement und Zustandsmaschinenimplementierung in Embedded Systeme.
Das Gerät arbeitet mit einem internen Versorgungsspannungsbereich von ca. 3 Volt bis 3,6 Volt.
auf 2026/03/13
auf 2026/03/10
auf 8000/04/18 147776
auf 2000/04/18 112020
auf 1600/04/18 111351
auf 0400/04/18 83777
auf 1970/01/1 79575
auf 1970/01/1 66964
auf 1970/01/1 63104
auf 1970/01/1 63041
auf 1970/01/1 54097
auf 1970/01/1 52189