




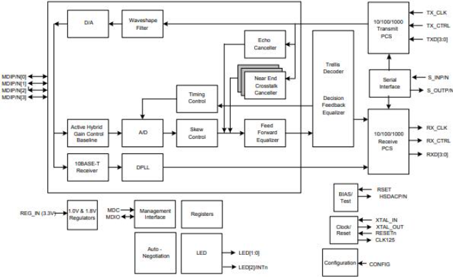
Der 88e1512 ist ein hoch anpassungsfähiger Gigabit -Ethernet -Transceiver.Es unterstützt die weit verbreiteten 1000Base-T-, 100Base-TX- und 10Base-T-Standards, um eine effiziente Datenübertragung zu gewährleisten.Diese Vielfalt in Standards ermöglicht es ihm, die Anforderungen moderner Netzwerksysteme zu erfüllen und Zuverlässigkeit über verschiedene Schnittstellen zu bieten.
Mit Verbindungen, die sowohl über GMII- als auch über RGMII -Schnittstellen verfügbar sind, erleichtert der Transceiver eine reibungslose Integration in verschiedene Netzwerkinfrastrukturen.Diese doppelte Kompatibilität richtet sich an verschiedene Netzwerkarchitekturen und bietet Ihnen die Flexibilität, die erforderlich ist, um die Systemleistung nahtlos zu verbessern.Die einfache Einbeziehung in vorhandene Systeme wird häufig geschätzt, was sowohl Skalierbarkeit als auch Effizienz erhöht.Die 88E1512 unterstützt Kupfer-, Faser- und SGMII -Formate und ist bereit, sich an eine Reihe von Netzwerkszenarien anzupassen.In Umgebungen, in denen die Netzwerkanforderungen schwanken, kann diese Fähigkeit größtenteils vorteilhaft sein.Die automatische Erkennung des Transceivers des Transceivers verringert die Komplexität der Setup und die Stromlinienverwaltung.
Integrierte MDI -Terminierungswiderstände sind Teil des effizienten Designs des 88E1512, vereinfachen Schaltungslayouts und Senkung der Kosten für Materialien und Herstellung.Dieses nachdenkliche Design stimmt mit den IEEE -Standards überein und gewährleistet eine konsequente Leistung.Solche Effizienz hilft bei der Bereitstellung von Systemen, die zuverlässig und dennoch unkompliziert sind.Der vom 88E1512 angebotene Gleichgewicht zwischen Präzisions- und Kostenmanagement wird häufig gesucht.Durch die Bereitstellung von Qualitätslösungen, die Budgetbeschränkungen respektieren, können Projekte sowohl Nachhaltigkeit als auch Skalierbarkeit erreichen.Dieses Gleichgewicht wird häufig bei erfolgreichen Implementierungen beobachtet, wobei der langfristige Netzwerkaufstieg voranschreitet.
|
Besonderheit |
Beschreibung |
|
IEEE Compliance |
10/100/1000Base-T IEEE 802.3 Konform |
|
Mehrere Betriebsmodi |
- RGMII zu Kupfer |
|
- SGMII zu Kupfer (nur 88E1512/88E1514) |
|
|
- rgmii zu faser/sgmii (nur 88e1512) |
|
|
- RGMII zu Kupfer/Faser/SGMII mit Auto-Media-Erkennung
(Nur 88e1512) |
|
|
- Kupfer zu Faser (1000Base-X) (88E1512/88E1514) |
|
|
RGMII -Timing -Modi |
Vier RGMII -Timing -Modi mit integrierten Verzögerungen,
Beseitigen Sie die Notwendigkeit von Verzögerungen bei PCB -Spuren |
|
Faserschnittstellenunterstützung |
Unterstützt 1000Base-X und 100Base-FX mit SGMII (88E1512
nur) |
|
RGMII LVCMOS -Standards |
Unterstützt LVCMOS/0 auf dem RGMII |
|
Energieeffizienter Ethernet (EEE) |
IEEE 802.3AZ-2010 konform, mit EEE-Pufferung für
Legacy Macs |
|
Stromeffizienz |
Ultra-niedrige Leistung mit integrierter MDI-Beendigung
Widerstände |
|
Spannungsaufsichtsbehörden |
Integrierte Schaltspannungsregulatoren |
|
Grüne Ethernet -Unterstützung |
- Active Power Save -Modus |
|
- Energiedetektion und Energiedetektion+ niedrige Leistungsmodi |
|
|
IEEE1588 V2 |
Time Stamping Support |
|
Synchrones Ethernet (Synce) |
Taktwiederherstellung |
|
Loopback -Modi |
Drei diagnostische Loopback -Modi |
|
Downshift -Modus |
Unterstützung für Kabelinstallationen mit Zweipaaren
|
|
Adaptive Equalizer |
Voll integrierter digitaler adaptiver Equalizer, Echo
Stornierer und Übersprechen |
|
Grundlinienwanderkorrektur |
Erweiterte digitale Basislinien -Wanderkorrektur |
|
MDI/Mdix |
Automatische MDI/Mdix -Crossover bei allen Geschwindigkeiten |
|
Polaritätskorrektur |
Automatische Polaritätskorrektur |
|
Autonegelung |
IEEE 802.3 Konform |
|
LED -Modi |
Software programmierbare LED -Modi, einschließlich LED -Tests |
|
Verwaltungsschnittstelle |
MDC/XMDIO -Verwaltungsschnittstelle |
|
Diagnosewerkzeuge |
CRC -Checker, Paketschalter, Paketgenerierung |
|
Wachen Sie auf LAN (Wol) auf |
Ereigniserkennungsfähigkeit |
|
Virtual Cable Tester (VCT) |
Erweiterter virtueller Kabelprüfer für die Diagnostik |
|
Auto-Kalibrierung |
Für Mac -Schnittstellenausgänge |
|
Temperatursensor |
Integriert |
|
Spannungsversorgung |
Single 3,3V -Versorgung mit internem Schaltregler
Unterstützung |
|
E/A -Spannungsoptionen |
1,8 V, 2,5 V oder 3,3 V für E/A -Pads |
|
Notenoptionen |
Gewerbe- und Industrieklassen (88E1510 und 88E1512
nur) |
|
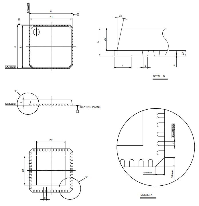
Paket |
- 48-pin QFN 7mm x 7 mm grün mit EPAD (88E1510 und
88e1518) |
|
- 56-pin QFN 8mm x 8mm grün mit EPAD (88E1512/88E1514) |
Der 88E1512 Ethernet Phy bietet eine flexible Grundlage für schnelle Fortschritte in digitalen Landschaften.Diese Komponente versorgt Gigabit -Systeme in verschiedenen Sektoren wie Unternehmen, eingebettete Lösungen, Unterhaltungselektronik und U -Bahn-/Service -Netzwerke.
• Verbesserung der Netzwerkinfrastruktur: In Enterprise -Netzwerken verstärkt der 88E1512 die Konnektivität und steigert die Datenübertragungsraten.Es gedeiht in Umgebungen, die einen schnellen und nahtlosen Datenaustausch wie Rechenzentren und Unternehmensnetzwerke fordern.
• Integration des Rechenzentrums: Rechenzentren profitieren von den stabilen Leistungs- und Hochgeschwindigkeitsfunktionen des 88E1512 und sorgen für den für die Speicherung und Verarbeitung erforderlichen reibungslosen Datenfluss.Es schafft ein harmonisches Gleichgewicht zwischen Geschwindigkeit und Zuverlässigkeit und wird zu einem Schlüsselelement in zeitgenössischen Rechenzentrumsdesigns.
In eingebetteten Systemen ermöglicht die Komponente kompakte und effiziente Layouts für IoT und Automatisierung ernst.Diese Integration fördert intelligenteren und reaktionsfähigeren Anwendungen und fördert Innovationen in Smart -Home -Technologien und industrielle Automatisierung.
Der 88E1512 erfüllt die steigende Nachfrage nach Hochgeschwindigkeits-Internet in Verbrauchergeräten.Smart -TVs und Gaming -Konsolen nutzen beispielsweise ihre Kapazität für überlegene Streaming- und Gaming -Erlebnisse und verbessert Ihre Zufriedenheit und Ihre Wettbewerbskante.
• Aufrechterhaltung der Konnektivität: In U -Bahn -Netzwerken und bei Dienstanbietern sorgt der 88E1512 stabile und konsistente Verbindungen.Die Bereitstellung ermöglicht Dienstanbietern, einen qualitativ hochwertigen Internetzugang mit minimalen Unterbrechungen zu bieten und sowohl Unternehmen als auch Häuser zugute.
• Verbesserung des Netzwerk -Backbone: Seine Rolle in Metro -Netzwerken unterstützt eine zuverlässige Infrastruktur, erleichtert effiziente Kommunikationskanäle und die Berücksichtigung hoher Datenlasten.Es ist wichtig, städtische Kommunikationsnetzwerke aufrechtzuerhalten und ihre Effizienz und Belastbarkeit sicherzustellen.
• 88E1512-A0-NNP2I000
• 88E1512-A0-NNP-2I000
• 88E1512-A0NNP2I000
• 88E1512A0NNP2I000


Marvell, bekannt dafür, den Umschlag in der digitalen Lagerung zu treiben, bricht durchweg in verschiedenen Sektoren in den neuen Boden.Ihre fortschrittlichen Halbleiterlösungen spielen eine wichtige Rolle bei der Definition der Zukunft der Datenspeicherung und haben weitreichende Auswirkungen auf Unternehmens-, Cloud-, Automobil-, Industrie- und Verbrauchermärkte.Diese ganzheitliche Strategie zeigt ihr Engagement zur Steigerung der Effizienz und Skalierbarkeit von Datenmanagement.
Sowohl in Enterprise- als auch in Cloud -Einstellungen verbessert Marvell den Datenfluss und die Speicherungseffizienz.Der wachsende Schwerpunkt auf Cloud Computing erfordert robuste, skalierbare Innovationen.Durch die Nutzung fortschrittlicher Algorithmen sowie energieeffiziente Designs schlägt Marvell die Latenzherausforderungen an und bietet einen nahtlosen Datenzugriff, um die für modernen Unternehmen erforderlichen Geschwindigkeitsanforderungen zu erfüllen.Für Automobil- und Industrieanwälte liefert Marvell dauerhafte Lösungen, die schwierige Bedingungen ertragen sollen.Ihre Halbleiter bieten zuverlässige Datenverarbeitung - aktiv für die Entwicklung und Automatisierung von Smart Vehicles.Die Einbeziehung von KI-Funktionen unterstützt intelligente Entscheidungsfindung und prädiktive Wartung, die beide für die Transformationen dieser Sektoren verwendet werden.
Hier ist der Tisch für den Marvell Semiconductor, Inc. 88E1512-A0-NNP2I000 Technische Spezifikationen und Attribute.
|
Typ |
Parameter |
|
Fabrikvorlaufzeit |
16 Wochen |
|
Montieren |
Oberflächenhalterung |
|
Montagetyp |
Oberflächenhalterung |
|
Paket / Fall |
56-VFQFN Expositionspad |
|
Nutzungsstufe |
Industriegrad |
|
Betriebstemperatur |
-40 ° C ~ 85 ° C (TA) |
|
Serie |
Alaska® |
|
Veröffentlicht |
2011 |
|
Teilstatus |
Aktiv |
|
Feuchtigkeitsempfindlichkeit (MSL) |
3 (168 Stunden) |
|
Anzahl der Terminen |
56 |
|
Typ |
Transceiver |
|
Spannung - Versorgung |
1,71 V ~ 1,89 V, 2,38 V ~ 2,62 V, 3,14 V ~ 3,46 V. |
|
Endposition |
Quad |
|
Terminalform |
Keine Führung |
|
Anzahl der Funktionen |
1 |
|
Versorgungsspannung |
3.3 V |
|
JESD-30-Code |
S-XQCC-N56 |
|
Anzahl der Kanäle |
4 |
|
Schnittstelle |
Ethernet |
|
Datenrate |
10 Mbit / s, 100 Mbit / s, 1 Gbit / s |
|
Protokoll |
IEEE 802.3, IEEE 1588 |
|
Anzahl der Treiber/Empfänger |
4-Apr |
|
Duplex |
Voll, halb |
|
Anzahl der Transceiver |
1 |
|
Simplex/duplex |
Duplex |
|
MAX -Übergangstemperatur (TJ) |
125 ° C. |
|
Umgebungstemperaturbereich hoch |
85 ° C. |
|
Höhe |
1 mm |
|
ROHS -Status |
ROHS -konform |
Der 88E1512 -Transceiver ist Entwickelt für vielseitige Netzwerk -Setups und unterstützt fünf Betriebsmodi angemessen spezifische Bedürfnisse.RGMII, das die digitale Kommunikation verbessert Zwischen Mac und Phy, optimierender Datenübertragung und Reduzierung des Designs Komplexität ist ideal für Kupferverbindungen in verschiedenen Installationen.Sgmii ist ein kompaktes Protokoll mit Differentialpaaren für eine hohe Signalintegrität und niedrige Stiftanzahl, Stützung von Kupfer- und Faseranschlüssen, die für seine häufig verwendet werden Niedrige Leistung und Anpassungsfähigkeit.RGMII zu SGMII -Übergang Angeboten Flexible Konnektivität durch Aktivieren von RGMII-zu-SGMII-Übergängen mit Konfiguration Optionen, um die Kompatibilität für verschiedene Setups zu gewährleisten.Kupfer und Faser Unterstützung SGMII unterstützen beide Kupfer (langlebig, kostengünstige) und Ballaststoffe (Hochgeschwindigkeit, Fernstrecken-) Verbindungen mit automatische Erkennung für vereinfachtes Setup.Faserübergang (1000Base-X) erleichtert Nahlose Übergänge zwischen Kupfer- und Fasermodi, anpassungsfähig an Wohngebäude und kommerzielle Umgebungen basierend auf Latenz- und Signalanforderungen.
Der Transceiver verfügt über einen integrierten Spannungsregler, der reibungslos mit einer Stromversorgung von 3,3 V arbeitet und mehrere LVCMOS -Spannungen unterstützt: 1,8 V, 2,5 V und 3,3 V.Diese Anpassungsfähigkeit ermöglicht eine nahtlose Integration in Systeme mit unterschiedlichen Leistungsrahmen.Eine absichtliche Auswahl der Spannungsstandards beeinflusst direkt das thermische Management und die Energieeffizienz und spielt eine bemerkenswerte Rolle bei technischen Herausforderungen.Wenn Sie sich um diese Aspekte kümmern, können Sie die Leistungsdauer und den nachhaltigen Gerätebetrieb stärken.
In einem kompakten 56-poligen QFN-Paket sind die Transceiver-Abmessungen 8 mm x 8 mm.Dieses Design wird verwendet, um den Platz auf dichten Leiterplatten zu maximieren, sodass es für Anwendungen mit hoher Dichte geeignet ist.Wenn die Elektronik weiter zu kleineren Größen trendiert, wird die Auswahl kompakter Komponenten ohne Verlust von Funktionen immer wichtiger.Das QFN -Paket verbessert nicht nur die thermische Leistung, sondern reduziert auch den Fußabdruck, wodurch sich die Vielseitigkeit der Produkte und die Marktreaktion direkt beeinflusst.
Bitte senden Sie eine Anfrage, wir werden sofort antworten.
auf 2024/10/29
auf 2024/10/29
auf 8000/04/18 147758
auf 2000/04/18 111938
auf 1600/04/18 111349
auf 0400/04/18 83721
auf 1970/01/1 79508
auf 1970/01/1 66914
auf 1970/01/1 63062
auf 1970/01/1 63012
auf 1970/01/1 54081
auf 1970/01/1 52132