Der LIS3DH ist ein hochleistungsfähiger, ultra-niedriger Strom-Beschleunigungsmesser, der für verschiedene Anwendungen entwickelt wurde, einschließlich der Unterhaltungselektronik, der industriellen Automatisierung und des Gesundheitswesens.Die digitale Schnittstelle und das kompakte Design von I2C/SPI bieten eine präzise Beschleunigungsmessung in drei Abmessungen, wodurch es ideal für die Bewegungserkennung und die Ausrichtungserfassung.Dieser vielseitige Sensor zeichnet sich aus seiner Leistungseffizienz, den eingebetteten Selbsttest-Merkmalen und seinem Temperatursensor aus, um selbst in herausfordernden Umgebungen eine zuverlässige Leistung zu gewährleisten.Ob in Smartphones, tragbaren Geräten oder Gesundheitsüberwachungssystemen, das LIS3DH verbessert die Funktionalität und das Energiemanagement und macht es zu einer Schlüsselkomponente in modernen, energieeffizienten Designs.

Der Lis3dh fällt aufgrund seines mangelhaften Stromverbrauchs und der anspruchsvollen, energiesparenden Merkmale heraus.Dies macht es zu einer idealen Wahl für Anwendungen, die eine erstklassige Leistung mit minimalen Energieverbrauch benötigen.Es bietet konfigurierbare umfassende Bereiche von ± 2 g, ± 4 g, ± 8 g und ± 16 g, wobei die Ausgangsdatenraten von 1 Hz bis 5,3 kHz eine erhebliche Vielseitigkeit bei verschiedenen Verwendungszwecken bieten.Insbesondere die Funktionen für Selbsttest gewährleisten die Systemfunktionalität und verstärken die Zuverlässigkeit.
Ein bemerkenswertes Merkmal des LIS3DH ist seine Fähigkeit, Interrupts basierend auf der Positionierung von Geräten oder Trägheitsereignissen mit definierten Schwellenwerten und Timing -Einstellungen zu erzeugen.Diese Funktionalität ermöglicht es Anwendungen, sich schnell an Umweltveränderungen anzupassen und die Reaktionsfähigkeit zu verbessern.Beispielsweise können Gadgets im Gesundheitswesen diese Merkmale für die Herbsterkennung oder Bewegungsüberwachung nutzen und die Sicherheit der Patienten und die genaue Datenerfassung sicherstellen.Die Programmierbarkeit und Empfindlichkeit der Interrupt -Erzeugung erhöht den Nutzen des LIS3DH in solchen Szenarien.
Der integrierte 32-Level-FIFO-Puffer minimiert die Notwendigkeit einer konstanten Wirtsprozessoraktivität und speichert die Systemressourcen erheblich.Dies ist größtenteils vorteilhaft, wenn Stromeffizienz eine Priorität ist, z. B. in tragbaren Geräten, bei denen eine verlängerte Akkulaufzeit ein Wettbewerbsvorteil ist.Durch effizientes Verwalten von Datenspeicher und -übertragung optimiert der LIS3DH den Gesamtsystembetrieb und verlängert die nutzbare Lebensdauer des Produkts, ohne die Leistung zu beeinträchtigen.Das kompakte LGA -Paket -Design des LIS3DH sorgt für mühelose Einbindung in eine Vielzahl von Geräten und unterstützt gleichzeitig einen stabilen Betrieb über einen Temperaturbereich von -40 ° C bis +85 ° C.Diese Haltbarkeit macht es sowohl für Unterhaltungselektronik als auch für industrielle Anwendungen geeignet, bei denen möglicherweise extreme Umweltbedingungen herrschen.In Automobilsystemen ist beispielsweise die Fähigkeit, unter schwankenden Temperaturen zuverlässig zu arbeiten, nützlich, um die Leistungskonsistenz aufrechtzuerhalten und Sicherheitsstandards aufrechtzuerhalten.

|
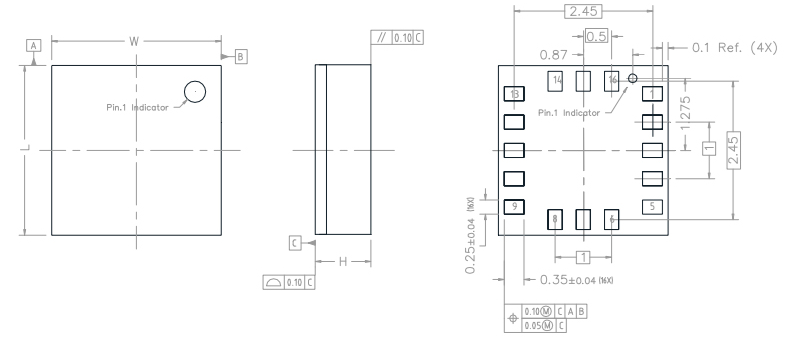
Stift# |
Name |
Funktion |
|
1 |
Vdd_io |
Leistung
Versorgung für E/A -Stifte |
|
2 |
NC |
Nicht
verbunden |
|
3 |
NC |
Nicht
verbunden |
|
4 |
Scl |
I²c
Serienuhr (SCL) |
|
SPC |
Spi
Seriennportuhr (SPC) |
|
|
5 |
GND |
0 v
liefern |
|
6 |
SDA |
I²c
Seriendaten (SDA) |
|
SDI |
Spi
Seriendateneingabe (SDI) |
|
|
SDO |
3-Wire
Schnittstelle Serielle Datenausgabe (SDO) |
|
| 7 |
SDO |
Spi
Seriendatenausgabe (SDO) |
|
SA0 |
I²c
Weniger signifikantes Bit der Geräteadresse (SA0) |
|
|
8 |
CS |
Spi
aktivieren |
|
I²c/spi
Modusauswahl: |
||
|
1:
SPI -Leerlaufmodus / I²C -Kommunikation aktiviert |
||
|
0:
SPI -Kommunikationsmodus / I²C deaktiviert |
||
|
9 |
Int2 |
Trägheit
Interrupt 2 |
|
10 |
Res |
Verbinden
zu gnd |
|
11 |
Int1 |
Trägheit
Interrupt 1 |
|
12 |
GND |
0 v
liefern |
|
13 |
ADC3 |
Analog zu digital
Konvertereingang 3 |
|
14 |
VDD |
Leistung
liefern |
|
15 |
ADC2 |
Analog zu digital
Konvertereingang 2 |
|
16 |
ADC1 |
Analog zu digital
Konvertereingang 1 |



|
Besonderheit |
Beschreibung |
|
Breite Versorgungsspannung |
1,71 V bis 3,6 V
|
|
Unabhängige IO -Versorgung |
1,8 V, Versorgungsspannung kompatibel |
|
Ultra-Low Power-Modus-Verbrauch |
Bis zu 2 μA |
|
Dynamisch ausgewählbare volle Skala |
± 2 g/± 4 g/± 8 g/± 16 g |
|
Digitale Ausgangsschnittstelle |
I2C/SPI |
|
Datenausgabeauflösung |
16-Bit |
|
Programmierbare Interrupt -Generatoren |
2 Unabhängige Generatoren für freie Herbst und Bewegung
Erkennung |
|
Orientierungserkennung |
6D/4D -Erkennungsfähigkeit |
|
Freie Erkennung |
Unterstützt |
|
Bewegungserkennung |
Unterstützt |
|
Eingebetteter Temperatursensor |
Integriert |
|
Eingebetteter Selbsttest |
Integriert |
|
Eingebettetes FIFO |
32 Ebenen von 16-Bit-Datenausgaben FIFO |
|
Hoher Schocküberlebensfähigkeit |
10000 g |
|
Umweltkonformität |
Ecopack®, ROHS und "Green" konform |
Das LIS3DH Accelerometer verfügt über eine Vielzahl von Funktionen, die es für verschiedene Anwendungen, insbesondere in der Welt der mobilen und tragbaren Geräte, sehr vielseitig machen.Das Merkmal der Orientierungserkennung dient zum Erhalt der Energie und zur effizienten Verwaltung der automatisierten Bildpositionierung.Diese Fähigkeit geht über die einfache Bildschirmrotation und das Verhalten des Feinabstimmungsgeräts hinaus, um den unnötigen Stromverbrauch zu minimieren.
Eines der beeindruckendsten Merkmale des LIS3DH ist die Ausrichtungserkennung.Diese Funktion ist nicht nur für die Anpassung der Bildschirmorientierungen von unschätzbarem Wert, sondern auch für das Auslösen verschiedener Betriebsmodi basierend auf der Ausrichtung des Geräts.Wenn beispielsweise ein Tablet flach gelegt wird, kann das Beschleunigungsmesser das Gerät dazu veranlassen, in einen Zustand mit geringer Leistung zu gelangen, was zu einer längeren Akkulaufzeit führt.
Der LIS3DH bietet sowohl 4D- als auch 6D -Modi an.Der 4D-Modus ist so konzipiert, dass die Z-Achse während der Positionserkennung ignoriert wird und in Szenarien, in denen die XY-Plane-Orientierung ausreicht, effektiv funktioniert.Dieser Modus kann nach Erkennung bestimmter vordefinierter Ereignisse intelligent zum Modus mit geringer Leistung übergehen (anpassbar durch die Durchgangs- und Dauerparameter).
Der LIS3DH übergeht bei Erkennung bestimmter Bedingungen in einen Zustand mit geringer Leistung, und kehrt zu seinem normalen oder hochauflösenden Betriebsmodus nahtlos zurück, sobald diese Bedingungen aufgelöst sind.Dies ist hauptsächlich in tragbaren Geräten hauptsächlich nützlich, bei denen die Ausgleichsleistung und die Energieeffizienz dominieren.Zum Beispiel können Fitness-Tracker in Zeiträumen der Inaktivität eine hochauflösende Verfolgung deaktivieren und die Akkulaufzeit erheblich verlängert.
Der LIS3DH unterstützt einen FIFO-Puffer von 32 Ebenen und ermöglicht verschiedene operative Modi wie FIFO, Stream, Stream-to-Fifo und FIFO-Bypass.Diese erweiterte Pufferung sorgt für eine effiziente Datenbehandlung und lockert die Verarbeitungslast des Hauptprozessors erheblich.Dies führt zu einer reibungsloseren und schnelleren Datenverarbeitung, einem grundlegenden Aspekt von Anwendungen wie Bewegungsempfindung in Gaming -Controllern.
|
Typ |
Parameter |
|
Lebenszyklus
Status |
VORSCHAU
(Zuletzt aktualisiert: vor 8 Monaten) |
|
Montage
Typ |
Oberfläche
Montieren |
|
Paket
/ Fall |
16-Vflga |
|
Oberfläche
Montieren |
Ja |
|
Nummer
von Stiften |
16 |
|
Verpackung |
Tablett |
|
JESD-609
Code |
E4 |
|
Teil
Status |
Veraltet |
|
Feuchtigkeit
Sensitivitätsniveau (MSL) |
3
(168 Stunden) |
|
Nummer
von Kündigungen |
16 |
|
Eccn
Code |
Ear99 |
|
Typ |
Digital |
|
Terminal
Beenden |
Nickel/Gold
(Ni/Au) - Elektrolyt |
|
HTS
Code |
8542.39.00.01 |
|
Stromspannung
- Liefern |
1,71V
~ 3,6 V |
|
Terminal
Position |
Unten |
|
Terminal
Bilden |
Hintern |
|
Gipfel
Reflowtemperatur (° C) |
260 ° C. |
|
Nummer
von Funktionen |
1 |
|
Liefern
Stromspannung |
2,5 V |
|
Terminal
Tonhöhe |
0,5 mm |
|
Abmessungen
(L x w x h) |
3 mm
x 3mm x 1 mm |
|
Zeit
@ Peak Reflow Temp (max) |
30
Sekunden |
|
Base
Teilenummer |
Lis3 |
|
Stift
Zählen |
16 |
|
Ausgabe
Typ |
I2c,
Spi |
|
Betrieb
Versorgungsspannung |
2,5 V |
|
Schnittstelle |
I2c,
Spi |
|
Betrieb
Versorgungsstrom |
11μa |
|
Auflösung |
2 b |
|
Sensor
Typ |
3-Achse |
|
Max
Versorgungsspannung (DC) |
3.6 V |
|
Min
Versorgungsspannung (DC) |
1,71V |
|
Achse |
X,
Y, z |
|
Beschleunigung
Reichweite |
± 2g,
4g, 8g, 16g |
|
Merkmale |
Einstellbar
Bandbreite, wählbare Skala, Temperatursensor |
|
Empfindlichkeit
(LSB/G) |
1000
(± 2g) ~ 83 (± 16 g) |
|
Strahlung
Härten |
NEIN |
|
ERREICHEN
SVHC |
NEIN
SVHC |
|
Rohs
Status |
Rohs3
Konform |
|
Führen
Frei |
Ja |

|
Teil
Nummer |
Beschreibung |
Hersteller |
|
Lis3de |
MEMS Digital
Ausgangsbewegungssensor Ultra Low-Power High Performance 3-Achse "Nano"
Beschleunigungsmesser |
Stmicroelektronik |
|
Lis3detr |
Digitale 3-Achse
Beschleunigungsmesser, Ultra-Low-Strom, ± 2 g/4g/8g/16g Vollskala, Hochgeschwindigkeits-I2C/SPI
Digitale Ausgabe, Embedded FIFO, LLGA 16 3x3x1.0 Paket |
Stmicroelektronik |
|
Lis3dhtr |
3-Achsen-Mems
Beschleunigungsmesser, Ultra-Low-Strom, ± 2 g/4g/8g/16g Vollskala, Hochgeschwindigkeits-I2C/SPI
Digitaler Ausgang, eingebetteter FIFO, Hochleistungsbeschleunigungssensor, LLGA 16
3x3x1.0 Paket |
Stmicroelektronik |

Damit der LIS3DH ordnungsgemäß funktioniert, erfordert der Kern eine VDD -Linie und die E/A -Pads benötigen VDD_IO.Die Entkopplungskondensatoren der Stromversorgung, einschließlich eines 100 -NF -Keramiks und eines 10 μF -Aluminiumkondensators, müssen sich in der Nähe von Pin 14 befinden. Wenn diese Kondensatoren das Rauschen strategisch platzieren und die Stabilität verbessert.Alle Spannungs- und Bodenversorgungen sollten gleichzeitig vorhanden sein, um eine ordnungsgemäße Initialisierung und Funktionalität des Geräts zu gewährleisten.Insbesondere kann VDD entfernt werden, während VDD_IO beibehalten wird, um den Kommunikationsbus aktiv zu halten.Mit diesem Setup können bestimmte Kommunikationsaufgaben fortgesetzt werden, obwohl die Messfunktionen deaktiviert werden.In diesem Zustand tritt der Sensor effektiv in einen Modus mit geringer Leistung ein.
Der LIS3DH unterstützt sowohl I2C- als auch SPI -Schnittstellen.Diese Schnittstellen bieten Flexibilität basierend auf den Anforderungen an das Systemdesign und die Datendurchsatz und erleichtern die nahtlose Datenübertragung und -integration in verschiedene Anwendungen.
Die programmierbaren Interrupt -Funktionen enthalten konfigurierbare Schwellenwerte und Timing.Diese Anpassungsfähigkeit ermöglicht benutzerdefinierte Operationen, die sich in Anwendungen wie Bewegungserkennung und Gestenerkennung als vorteilhaft erweisen, bei denen genaue und reaktionsschnelle Interrupt-Mechanismen wünschenswert sind.
Die nicht verwendeten ADC1-, ADC2- und ADC3 -Stifte können schwebend oder an VDD oder GND gebunden werden.Diese Praxis stellt sicher, dass es keinen unnötigen Stromverbrauch oder potenzielle schwimmende PIN -Probleme gibt, wodurch die Systemintegrität aufrechterhalten wird.
Der LIS3DH spielt eine wichtige Rolle bei Anwendungen, die eine präzise Bewegungserkennung fordern.Sein Nutzen liegt in Aktivierungsgeräten oder -funktionen beim Erkennen bestimmter Bewegungen, z. B. beim Starten einer Fitnessanwendung, wenn Sie mit dem Ausführen beginnen.Die Empfindlichkeit des Beschleunigungsmessers sorgt für eine zuverlässige Leistung in herausfordernden Umgebungen.Seine Praktikabilität zeigt sich in verschiedenen Unterhaltungselektronik.Es ermöglicht ein nahtloses Erlebnis und verringert die Abhängigkeit vom manuellen Betrieb.
Ein herausragendes Merkmal des LIS3DH ist die Fähigkeit, freie in den Fall zu erkennen.Diese Fähigkeit schützt die empfindliche Elektronik vor potenziellen Schäden.Beispielsweise können Laptops und Smartphones beim Erkennen eines Sturzes automatisch Schutzmaßnahmen einleiten und damit die Aufprallkräfte mildern.Diese Technologie schützt persönliche Geräte und erstreckt sich auf industrielle Anwendungen und sichert kostspielige und sensible Geräte.
Das LIS3DH verbessert Ihre Geräteinteraktionen mit seiner Fähigkeit, Klick- und Doppelklick-Gesten zu erkennen.Diese Funktionalität ist hauptsächlich vorteilhaft für die tragbare Technologie, bei der physische Schaltflächen weniger praktisch sind.Smartwatches verwenden beispielsweise Beschleunigungsmesser-basierte Klickerkennung für eine intuitivere Kontrolle und beseitigen die Notwendigkeit zusätzlicher Hardware.Diese Integration führt zu anspruchsvolleren und freundlicheren Schnittstellen.
Effizientes Leistungsmanagement ist eine erhebliche Anwendung des LIS3DH.Durch Erkennen, ob ein Gerät verwendet oder stationär ist, spielt das Beschleunigungsmesser eine wichtige Rolle bei der Verlängerung der Akkulaufzeit.Diese Funktion ist in tragbaren elektronischen Geräten, die von der längeren Batterieleistung abhängen, immens wertvoll.Die Implementierung optimierter Energieverwaltungstechniken entspricht den Anforderungen zunehmend kompakter und leistungsstarker Geräte.
In der Welt der Gesundheits- und Fitnesstechnologie ist der LIS3DH eine Kernkomponente für die präzise Verfolgung von Schritten und Bewegungen.Es ist in Pedometern erforderlich und bietet Ihnen zuverlässige Daten zur Überwachung körperlicher Aktivitäten.Die Fähigkeit des Beschleunigungsmessers, verschiedene Bewegungsarten zu unterscheiden, sorgt dafür, dass konsistente und wertvolle Daten für die Fitness -Tracking.
Der LIS3DH ist maßgeblich an der Verwaltung der Anzeigeorientierung durch Erkennung von Position und Bewegung der Geräte beteiligt.Diese Fähigkeit ermöglicht automatische Bildschirmanpassungen für eine optimale Anzeige.Diese Funktion, die in Smartphones und Tablets üblich ist, verbessert Ihre Erfahrung erheblich und unterstützt gleichzeitig die Zugänglichkeit, indem Sie sich nahtlos an Ihre Anforderungen anpassen.
Der LIS3DH ist für Spiele und virtuelle Realität erforderlich und bietet genaue bewegungsbasierte Eingaben.Es ermöglicht einsive und intuitive Spielerlebnisse, indem es genauer Tilt, Rotation und Beschleunigung erfasst.Diese Technologie schließt die Lücke zwischen physischer Bewegung und digitaler Reaktion und verbessert das Engagement der Spieler und die Praktikabilität in virtuellen Umgebungen.
In verschiedenen Sicherheitsanwendungen zeichnet sich die LIS3DH bei der Impact -Erkennung aus.In der Automobilindustrie kann es beispielsweise Airbags oder andere Sicherheitsmechanismen auslösen, wenn sie eine Kollision erfasst.Diese Anwendung ist ein Beweis für die Notwendigkeit zuverlässiger und schneller Reaktionen in kritischen Situationen, die letztendlich Leben rettet und die Schwere der Verletzung verringert.
Die Vibrationsüberwachung ist eine weitere wichtige Anwendung des LIS3DH.Es ist aktiv bei der Aufrechterhaltung der Maschinerie und der strukturellen Gesundheit durch Erkennung von anomalen Schwingungen, die auf mögliche Fehler hinweisen.Dieser proaktive Ansatz erweist sich in mehreren Branchen von Vorteil, um rechtzeitige Wartung zu erleichtern und die operativen Ausfallzeiten zu verringern.Der LIS3DH sorgt für den kontinuierlichen Betrieb und hilft, kostspielige Pannen zu verhindern.

STMICROELECTRONICS gedeiht als erstklassiges globales Halbleiterunternehmen, das sich in der Innovation, Entwicklung und Verteilung fortschrittlicher Mikroelektroniklösungen auszeichnet.Ihre Führung stammt aus tiefgreifendem Fachwissen in Siliziumtechnologien, strengen Fertigungspraktiken, umfangreichen Portfolios für geistiges Eigentum und strategischen Allianzen.Diese Facetten positionieren die Stmicroelectronics strategisch an der Spitze der Technologien für fortschrittliche System-On-Chip-Technologien (SOC) und treiben die Konvergenztrends in zeitgenössischen Anwendungen erheblich vor.
Die Reise von Stmicroelectronics erstreckt sich Jahrzehnte und entwickelt sich von einem traditionellen Halbleiterhersteller zu einem hochmodernen Innovator in Mikroelektronik.Ihre Transformation betont die Verschiebung der Branche zu integrierten Lösungen.Anpassungsfähigkeit und Voraussicht haben ihre Pionierposition gefestigt, wobei der Unterricht aus Marktanforderungen und technologische Fortschritte ihren Weg prägt.
Stmicroelectronics hat seine Beherrschung von Siliziumtechnologien verfeinert und das Rückgrat seiner Innovation gebildet.Silizium -Halbleiter spielen eine dominierende Rolle bei der Herstellung effizienter und kompakter Mikroelektroniklösungen.Ihre technischen Fähigkeiten und ihr Marktsinn sind in ihrem unerbittlichen Streben nach technologischer Machbarkeit offensichtlich.Diese Tiefe des Wissens treibt sie kontinuierlich über die aktuellen Marktstandards hinaus.
Der LIS3DH ist ein linearer Beschleunigungsmesser mit hoher Achsen mit hoher Achsen mit einer digitalen I2C/SPI-Schnittstelle.Es wird zur präzisen Bewegungserkennung und -messung in verschiedenen Anwendungen hergestellt, die von der Unterhaltungselektronik bis hin zu Industriesystemen reichen.Dieses Gerät zeichnet sich durch Effizienz und Anpassungsfähigkeit aus und macht es in vielen präzisen Überwachungsszenarien zu einem Favoriten.
Ein 3-Achsen-Beschleunigungsmesser misst die Beschleunigung entlang von drei senkrechten Achsen (x, y und z).Diese multidirektionale Fähigkeit ermöglicht eine umfassende Bewegungserfassung.Es ist nützlich in Bereichen wie Robotik, Luft- und Raumfahrt und tragbarer Technologie.Die Verfolgung der Bewegungen über alle Dimensionen hinweg führt zu einer Analysetiefe, die einfache Daten in umsetzbare Erkenntnisse umwandelt.
Während Beschleunigungsmesser inhärent die Beschleunigung messen, kann die Geschwindigkeit durch Integration von Beschleunigungsdaten im Laufe der Zeit abgeleitet werden.Die praktische Anwendung erfordert jedoch eine sorgfältige Kalibrierung.Dieser Vorgang muss Faktoren wie Sensorgeräusche und Drift berücksichtigen, um eine genaue Geschwindigkeitsschätzung zu gewährleisten.In Kontexten wie Fahrzeug -Telemetrie und Ganganalyse erfordert dieser Übergang von Rohdaten zu sinnvollen Geschwindigkeitsmetriken akribische Aufmerksamkeit, was die in diesen Bereichen erforderliche Genauigkeit widerspiegelt.
Die Genauigkeit eines Beschleunigungsmessers kann erheblich variieren, beeinflusst von seinen Spezifikationen und dem Kontext, in dem es verwendet wird.Beschleunigungsmesser mit hoher Genauigkeit, wie z.Dieses Präzisionsniveau ist häufig das Ergebnis strenger Test- und Kalibrierungsprozesse, um eine zuverlässige Leistung in empfindlichen Anwendungen zu gewährleisten, bei denen jede Fraktion wichtig ist.
Bitte senden Sie eine Anfrage, wir werden sofort antworten.
auf 2024/10/17
auf 2024/10/16
auf 8000/04/19 147783
auf 2000/04/19 112072
auf 1600/04/19 111352
auf 0400/04/19 83831
auf 1970/01/1 79644
auf 1970/01/1 67012
auf 1970/01/1 63136
auf 1970/01/1 63067
auf 1970/01/1 54099
auf 1970/01/1 52227