
Der NCP3066 ist ein hoch entwickeltes monolithisches Gerät, das für LEDs mit hoher Briten-LEDs einen einheitlichen Strom liefert.Es verfügt über eine deutlich niedrige Rückkopplungsspannung von 235 MV, was eine präzise Behandlung typischer LED -Ströme erleichtert.In der Lage, Eingangsspannungen bis zu 40 V zu verwalten, passt sie sich nahtlos an Systeme an, die zwischen 12 V und 36 V betrieben werden, die häufig bei Beleuchtungs- und wiederaufladbaren Leistungsdomänen auftreten.Eine solche Vielseitigkeit betont seine Anpassungsfähigkeit in mehreren Konfigurationen wie Buck, Boost oder Inverting Topologies, was nur eine minimale Anzahl externer Komponenten erfordert.Diese Optionen bieten Design -Anpassungsfähigkeit und effiziente Eingliederung in eine Vielzahl von Szenarien, sodass Sie ihre Kreativität freisetzen und die verschiedenen Anwendungsanforderungen mühelos erfüllen können.
Der NCP3066 ist mit PWM-Dimmfunktionen und einer STADD-Funktion mit geringer Leistung erweitert und ist größtenteils für Automobil-, Marine- und tragbare Beleuchtungslösungen geschickt.Diese Anwendungen leben von ihrer Kompetenz, um bis zu 1,5 Ampere mit stetigem Strom zu versorgen, was den NCP3066 zu einer bevorzugten Auswahl bei der Suche nach Zuverlässigkeit und Effizienz macht.In Automobilbeleuchtungssystemen, in denen sich die Haltbarkeit mit Energieeinsparung verbindet, bietet die robuste Konstruktion der Regulierungsbehörde sinnvolle Vorteile und beruhigt ihre dauerhafte Leistung.

|
PIN -Nummer |
Pin -Name |
Beschreibung |
|
Pin 1 |
Sammlerschalter |
Interner Darlington Switch Collector Pin. |
|
Pin 2 |
Emitter wechseln |
Interner Darlington Switch Emitter Pin. |
|
Pin 3 |
Timing -Kondensator |
Timing -Kondensator für den Oszillatorstift. |
|
Pin 4 |
GND |
Erdungsnadel für alle inneren Schaltungen. |
|
Pin 5 |
Inverting Pin des Komparators |
Inverting Eingangsstift eines Komparators. |
|
Pin 6 |
VCC |
Eingangsspannung für den Regler. |
|
Pin 7 |
Ipk Sinn |
Sensorstift für Spitzenstrom. |
|
Pin 8 |
Ein/Aus |
Ein/Aus -Kontrollstift. |
|
Merkmal/Spezifikation |
Details |
|
Typ |
Monolithisch konstanter Stromregler IC |
|
Eingangsspannung (VIN) |
3v - 40 V |
|
Integrierter Schalter |
1,5 Ampere |
|
Niedrige Rückkopplungsspannung |
235 mV |
|
Hohe Betriebsfrequenz |
Bis zu 150 kHz |
|
Herunterfahren |
Logikebene |
|
Dimmoptionen |
Analog und pwm dimmbar |
|
Pakettypen |
SOIC, DFN und 8-Pin-Dip |
|
PWM -Dimmkapazität |
Analog und digital |
|
ROHS Compliance |
Pb-frei |
|
Wärme Abschaltung |
Interne thermische Abschaltung mit Hysterese |
|
Kontrollschleifekompensation |
Nicht erforderlich |
|
Einstellbarer Frequenzbetrieb |
Bis zu 250 kHz |
|
Strombegrenzung |
Zyklus für Zyklus |
• LM5008
• xl6009
• LM3407
• A6211
• NCP3065
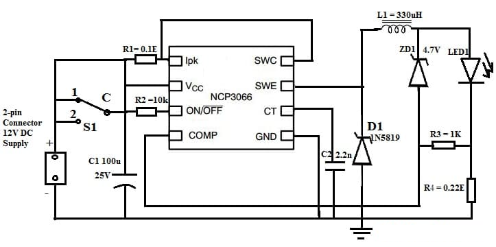
Scooter -Speicherfächer bieten häufig die Unannehmlichkeiten einer unzureichenden Beleuchtung und komplizieren ihre Verwendung während der Nachtstunden, wenn Sichtbarkeit ein Problem ist.Eine nachdenklich implementierte Lösung umfasst die Verwendung des NCP3066 -Reglers, um die Aktivierung eines Lichts beim Öffnen des Speicherfachs zu automatisieren.Diese Anwendung der automatischen Beleuchtung erhöht Ihre Bequemlichkeit und Ihr Vertrauen in ihren Abendfahrten erheblich.
Die Schaltungsanordnung umfasst mehrere grundlegende Komponenten:
• NCP3066 -Regler
• Schottky Diode
• Zenerdiode
• Weiße LED
• Widerstände
• Kondensatoren
• Induktor
• Begrenzungsschalter
• DC -Stromquelle
Diese Komponenten arbeiten harmonisch zusammen und tragen jeweils zur Wirksamkeit und Zuverlässigkeit des Systems bei.Der Limit Switch bietet beispielsweise eine elegante Lösung, indem der Verhalten des Lichts ausschließlich auf dem offenen oder geschlossenen Zustand des Kompartiments basiert und eine Schicht intuitiver Kontrolle hinzugefügt wird.

Innerhalb einer Buck -Topologie arbeitet die NCP3066 -Regulierungsbehörde als konstanter Stromtreiber.Dieses Setup reguliert nicht nur die Stromversorgung mit Präzision, sondern gewährleistet auch eine konsistente Lichtleistung, die für die Aufrechterhaltung einer klaren Sichtbarkeit aktiv ist.Die absichtliche Auswahl der Komponenten, insbesondere die Fähigkeit des Fahrers, einen konstanten Strom zu liefern, unterstreicht einen methodischen Ansatz, der die Energieeffizienz maximiert und gleichzeitig hohe Beleuchtungsstandards aufrechterhält.Darüber hinaus veranschaulicht die Einbeziehung einer Zener -Diode eine technische Voraussicht, die den Fehlerschutz priorisiert und aus umfassenden Erfahrungen in Designs entsteht, die die Haltbarkeit und die Anpassungsfähigkeit gegen schwankende Bedingungen fordern.
Der NCP3066 zeigt ein bemerkenswertes Talent bei der Regulierung von Strom, in der Lage ist, bei Frequenzen von bis zu 250 kHz zu funktionieren und die Bequemlichkeit der Abschaltoptionen zu bieten.Die sorgfältig ausgewogene aktuelle Regulierung und die vereinfachte Struktur verbessern die betrieblichen Ergebnisse.Darüber hinaus steigern die eingebauten Schutzelemente die Sicherheit erheblich und sicherstellen, dass der Stromverbrauch unter 100 µA bleibt, ein Aspekt, der die operativen Gefahren senkte.
Die Kombination aus dem effektiven Betrieb des NCP3066, der kompakten Größe und der kostengünstigen Konstruktion befasst sich mit den sich entwickelnden Bedürfnissen der modernen Elektronik.Die Einbeziehung kleiner und kostengünstiger Sinneswiderstände spielt eine Schlüsselrolle und ermöglicht es dem Chip, sich an verschiedene Schaltungsanforderungen anzupassen.Sie können diese Eigenschaften in den tatsächlichen Szenarien gekonnt einsetzen, um die Größe und das Budget der Schaltkreis zu optimieren und gleichzeitig eine robuste Leistung aufrechtzuerhalten.
In den praktischen Umgebungen wird die Bedeutung dieser Eigenschaften unverkennbar.Sie können sich häufig mit Einschränkungen hinsichtlich des Raums und der thermischen Handhabung auseinandersetzen.Der Effizienz des NCP3066 in Verbindung mit einem minimalen Geräte -Fußabdruck bietet einen deutlichen Vorteil.Darüber hinaus ist sein geringem Energieverbrauch in inaktiven Phasen hauptsächlich für batteriebetriebene Geräte wertvoll und verlängert ihre Lebensdauer und Zuverlässigkeit.Aus der praktischen Erfahrung ermöglicht die Synergie seiner ordentlichen Design- und Schutzfunktionen eine reibungslose Integration in komplexe Systeme.
Der NCP3066 zeichnet sich durch die Aufrechterhaltung der stetigen Strom durch LEDs aus und konzentriert sich eher auf die Stromstabilisierung als auf die Spannungsregelung.Diese Funktion erhöht seine Anpassungsfähigkeit über verschiedene Anwendungen hinweg.
• Automobilbeleuchtung: Eine konsistente Beleuchtung verbessert sowohl die Sicherheitsstandards als auch die ästhetische Attraktivität.
• Beleuchtung und Beschilderung im Freien: Zuverlässigkeit und Haltbarkeit bei den Umweltherausforderungen werden priorisiert.
• Industriemaschinerie: Verschleppt sich auf die zuverlässige Stromversorgung, sorgt für einen reibungslosen Betrieb und die Minimierung der Ausfallzeiten, steigern letztendlich die Produktivität und senkte die Wartungskosten.
• Unterhaltungselektronik: Ermöglicht DIY -Liebhaber, maßgeschneiderte Beleuchtungslösungen zu erstellen.Es bietet ein standhaftes aktuelles Management.Die verschiedenen Anwendungen erstrecken sich auf Stromversorgungsdesigns und Batterieladelsysteme und garantieren eine längere Lebensdauer und Effektivität.
• Garten- und Aquarienbeleuchtung: Liefert eine konstante Ausgabe, eine Förderung der Pflanze und die Lebensdauer durch die Kontrolle der Lichtintensität.
Resistenten werden häufig für ihre Einfachheit und Kosteneffizienz ausgewählt, wenn es darum geht, Strom in LED-Schaltungen zu kontrollieren.Dennoch fehlt ihnen inhärent die fein abgestimmte Präzision und flexible Anpassung, die Geräte wie die NCP3066 angeboten wird.Widerstände bewältigen unter festen Bedingungen gut, haben jedoch Schwierigkeiten, sich nahtlos an Verschiebungen der Spannungs- oder Umweltfaktoren anzupassen.Dieser Mangel kann zu bemerkenswerten aktuellen Variationen führen und sich sowohl auf die Leistung als auch die Lebensdauer von LEDs auswirken.
Der NCP3066 bietet eine außergewöhnliche Lösung für die konsistente Stromregulierung.Seine Fähigkeit, auf Spannungsänderungen zu reagieren, sorgt für einen stetigen Stromfluss, der dazu beiträgt, die LED -Effizienz und die leuchtende Konsistenz im Laufe der Zeit aufrechtzuerhalten.Dieses Merkmal ist besonders vorteilhaft in Szenarien, in denen eine konsistente Leistung und Stabilität sehr erwünscht ist.Beim Umgang mit empfindlichen elektronischen Teilen wird eine präzise Stromabgabe schwerwiegend, um Früherausfälle oder unregelmäßigen Betriebsvorgänge zu verhindern.
In vielen Fällen können Widerstände erhebliche Wärme erzeugen, was zu Ineffizienzen in der Schaltung führt.Eine solche Wärmeerzeugung kann durch Spannungsänderungen, Inkonsistenzen bei der Herstellung und Temperaturschwankungen verschlechtert werden.Diese Elemente könnten zu einer instabilen LED -Leistung und schwankenden Helligkeit beitragen.Andererseits mindert die Verwendung des NCP3066 die thermischen Herausforderungen, indem sie eine effizientere und präzisere Stromkontrolle anbietet, wodurch die Haltbarkeit und Zuverlässigkeit von LED -Arrays verbessert wird.
Bitte senden Sie eine Anfrage, wir werden sofort antworten.
auf 2024/12/11
auf 2024/12/11
auf 8000/04/18 147765
auf 2000/04/18 111989
auf 1600/04/18 111351
auf 0400/04/18 83751
auf 1970/01/1 79546
auf 1970/01/1 66949
auf 1970/01/1 63094
auf 1970/01/1 63028
auf 1970/01/1 54092
auf 1970/01/1 52174