
A Zwei-Wege-Schalter Ermöglicht Ihnen, eine einzelne Licht- oder elektrische Belastung von zwei verschiedenen Stellen zu steuern.Es verwendet zwei SPDT -Schalter (Single Pole Double Throw), die in einer einzelnen Schaltung miteinander verkabelt wurden.Jeder Schalter hat drei Klemmen: L1Anwesend L2, Und Com (gemeinsam).Wenn Sie entweder den Schalter umdrehen, können Sie den Stromkreis vervollständigen oder brechen, sodass das Licht von beiden Standorten ein- oder ausgeschaltet werden kann.

Abbildung 2. Zwei-Wege-Schalter mit Klemmen
Im Bild zeigt die Rückseite des Schalters die drei Schlüsselklemmen: L1 und L2 (verwendet, um die Reisenden Drähte zu verbinden) und COM (die mit dem Live -Draht oder der Last verbunden sind).Wenn die Schalter korrekt verdrahtet sind, ändert sich der eines der beiden den Pfad des Stroms und steuert das Licht von beiden Enden.Obwohl intelligente Beleuchtungssysteme immer beliebter sind, bleiben zwei-Wege-Schalter weit verbreitet.Sie sind einfach, zuverlässig und erfordern keine Software oder Konnektivität.
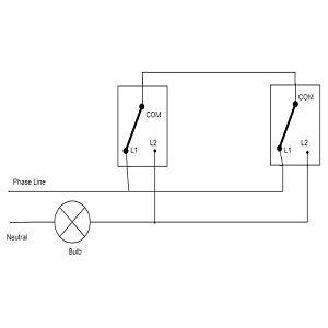
Mit einem Zwei-Wege-Schaltersystem können Sie ein Licht von zwei Stellen steuern.Jeder Schalter hat drei Klemmen: eine gemeinsame (com) und zwei Reisende (L1 und L2).Die beiden Schalter sind durch die Reisendenkabel (L1 bis L1, L2 bis L2) verbunden.Der Live -Draht (Phase) wird mit dem gemeinsamen Anschluss von Switch 1 verbunden, und das gemeinsame Anschluss von Switch 2 wird mit der Lampe verbunden.Die andere Seite der Lampe geht zu neutral.Das Licht schaltet sich ein, wenn beide Schalter mit demselben Reisendenkabel (L1 - L1 oder L2 - L2) angeschlossen werden, wobei die Schaltung abgeschlossen wird.Es schaltet sich aus, wenn die Schalter mit verschiedenen Reisenden eine Verbindung herstellen und die Schaltung durchbrechen.Dies bedeutet, dass entweder Switch das Licht ein- oder ausschalten kann, unabhängig von der Position des anderen.

Abbildung 3: Zwei-Wege-Schaltendiagramm
Dieses Setup funktioniert wie ein XOR -Gate: Licht ist eingeschaltet, wenn sich die Schalter unterscheiden, wenn sie übereinstimmen.Es ist vollständig mechanisch, keine Elektronik oder Software benötigt.Es ist einfach, zuverlässig und weit verbreitet an Orten wie Treppen und Fluren.Das Diagramm zeigt die Phase an, die mit den zwischen den Schaltern verbundenen Reisenden und dem Ausgang von Switch 2 von Switch 2 an die Lampe angeschlossen ist.Neutral vervollständigt die Schaltung von der anderen Seite der Lampe.
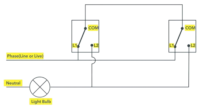
Es gibt zwei Hauptmethoden, um einen Zwei-Wege-Schaltkreis zu verkaufen: die 3-Draht-Methode und die ältere 2-Draht-Methode.
Dies ist die bevorzugte Verdrahtungsmethode für neue Installationen.In diesem Setup verbindet sich das Phase (Live) -Draht mit dem gemeinsamen (COM-) Terminal am ersten Schalter, während der gemeinsame Anschluss des zweiten Schalters mit der Glühbirne verbunden ist.Der neutrale Draht wird direkt von der Stromquelle mit der anderen Seite der Glühbirne verbunden.Die beiden Schalter sind mit zwei Reisendenkabel verknüpft, die L1 mit L1 und L2 an beiden Schalter mit L2 anschließen.
Diese Methode hält alle Leiter auf demselben Schaltkreis und sorgt für eine konsistente Spannung und einen sichereren Betrieb.Es entspricht auch moderne elektrische Codes und verringert die Störung.Da das Verdrahtungslayout sauber und logisch ist, erleichtert die künftige Wartung und Upgrades wie die Installation intelligenter Switches.
Das Diagramm zeigt ein modernes 3-Draht-Setup.Der Live -Draht tritt in den COM von Switch 1 ein. Zwei Reisendedrähte laufen zwischen L1 und L2 beider Schalter, und der Ausgang von Switch 2's Com geht an das Licht.Der neutrale Draht verläuft direkt auf die andere Seite der Glühbirne.Wenn beide Schalter ausgerichtet sind, wird die Schaltung abgeschlossen und das Licht wird eingeschaltet.Das Ändern des Schalters unterbricht oder stellt den Fluss wieder her.

Abbildung 4. Moderne 3-Wire-Methode
Die 2-Draht-Methode für Legacy ist ein älterer Kabelstil, der in vielen älteren Häusern immer noch zu finden ist.In diesem Setup sind die Reisenden -Terminals (L1 und L2) zwischen den beiden Schalter verbunden, genau wie in der modernen Methode.Die gemeinsamen Klemmen sind jedoch unterschiedlich verdrahtet: Einer stellt eine Verbindung zum Live -Draht (Phase) und der andere mit der Last (Glühbirne) verbindet.
Diese Methode bewirkt im Hinblick auf das Schalten dasselbe: Das Licht wird je nach Position der Schalter ein- oder ausgeschaltet.Aber weil die Leistung und Last aus verschiedenen Schaltungen stammen können, kann dieses Setup Sicherheitsrisiken einführen.Es kann Schleifenströme, Spannungsstörungen oder Interferenzen erzeugen, die besonders gefährlich bei Wartung oder Upgrades sind.Auch die Diagnose von Fehlern ist schwieriger, da die Verkabelung nicht Teil einer einheitlichen Schaltung ist.
Im Diagramm verbindet sich der Live -Draht mit dem gemeinsamen Anschluss des ersten Schalters, während der gemeinsame Anschluss des zweiten Schalters mit dem Licht verbunden ist.Die beiden Reisendenkabel laufen zwischen L1 und L2 beider Schalter.Der neutrale Draht geht direkt von der Stromquelle zur Lampe.Während dieses Layout Draht sparen kann, erhöht es die Komplexität und Sicherheitsbedenken.

Abbildung 5: Legacy 2-Wire-Methode
Ein Eingangsschalter ist eine kompakte Version eines SPDT-Schalters, der häufig in modularen Wandplatten verwendet wird.Es hat drei Terminals: com (gemeinsam), L1 und L2.Intern wechselt es die Verbindung zwischen COM und L1 oder L2.
In Kombination mit einem weiteren SPDT-Schalter funktioniert er auf die gleiche Weise wie eine Standard-Zwei-Wege-Schaltung.Es wird häufig in engen Räumen wie Apartments oder Nachrüstanlagen verwendet, in denen der Montagraum begrenzt ist.Der Schalter kann auch in einem Einweg-Setup funktionieren, indem nur zwei Klemmen (COM und L1) verwendet werden.
Die Installation muss sorgfältig durchgeführt werden.Eine falsche Anwendung kann verhindern, dass der Schalter ordnungsgemäß funktioniert oder sogar Kurzstrecken verursacht.Trotz seiner geringen Größe bietet dieser Schalter eine vollständige Zwei-Wege-Steuerung und ermöglicht gleichzeitig Modularität und einfache Integration von Panel.

Abbildung 6. Ein-Gang-Zwei-Wege-Schalter
Wenn die Beleuchtung von mehr als zwei Standorten gesteuert werden muss, kommt es zu mehreren Stellen.Dieses System fügt einen oder mehrere Zwischenschalter zwischen den beiden Haupt -SPDT -Schalter hinzu.
Zwischenschalter sind normalerweise DPDT -Typen (Double Pole Double Throw).Diese Schalter kreuzen oder halten die Reisebrahtwege je nach Position.Das vollständige System schafft einen Pfad, der geschlossen bleibt oder sich basierend auf der Ausrichtung aller beteiligten Schalter öffnet.
Dieser Ansatz ist in großen Räumen wie Lagern, langen Korridoren oder Räumen mit mehreren Eingängen üblich.Obwohl es komplexer zu verdrahtet, bietet es von jedem Punkt flexible Steuerung.Genaue Schaltpläne und eine klare Kennzeichnung sind erforderlich, da ein Fehler zu jedem Zeitpunkt das System daran hindert, vollständig zu arbeiten.

Abbildung 7. Mehrwegschalter
|
Besonderheit |
Einwegschalter |
Zwei-Wege-Schalter |
|
Kontrollpunkte |
Steuert ein Licht von einem einzelnen Ort |
Steuert ein Licht von zwei verschiedenen Stellen |
|
Schaltertyp |
SPST (Single Pole Single Throw) |
SPDT (Einzelwurf) |
|
Anzahl der Terminals |
2 |
3 (com, l1, l2) |
|
Schaltungskonfiguration |
Einfach;Eine einzelne Linie verbindet oder trennen die Stromversorgung an
die Ladung |
Reisendedrähte bilden eine Schleife;Beide Schalter beeinflussen die
Schaltung |
|
Kabelkomplexität |
Niedrig;weniger Drähte und direkte Verbindungen |
Höher;erfordert mehr Verkabelung und Planung zwischen
Schalter |
|
Positionsverhalten wechseln |
Ein/aus -Position behoben leicht zu identifizieren |
Keine festgelegten oder aus;hängt vom Zustand des anderen ab
schalten |
|
Installationskosten |
Untere;weniger Komponenten und weniger Arbeit
|
Höher;Weitere Materialien und Installationszeit |
|
Installationszeit |
Schnell zu installieren;Minimale Schritte erforderlich |
Zeitaufwändiger aufgrund zusätzlicher Verkabelung |
|
Raumbedarf |
Minimal;Standard -Schalterkasten passt |
Möglicherweise muss Routing für Reisendekabel zwischen den Standorten Routing benötigen |
|
Elektrische Lastregelung |
Steuert eine Last von einem Punkt |
Steuert eine Last von zwei separaten Punkten |
|
Benutzerfreundlichkeit |
Sehr einfach;Flip hoch ist eingeschaltet, flip nach unten (oder umgekehrt
Versa) |
Immer noch einfach zu bedienen, aber ein- und ausgeschaltet kann je nach beiden variieren
Positionen wechseln |
|
Ausfallpunkte |
Weniger;Einfaches Design reduziert Verkabelungsfehler |
Komplexer;Verdrahtung von Reisendenkabel oder Terminals können
Funktionsstörungen |
|
Flexibilität und Skalierbarkeit |
Beschränkt;kann nicht auf mehr als einen Punkt von erweitert werden
Kontrolle |
Flexibel;kann mithilfe von 3 oder mehr Steuerpunkten expandieren
Zwischenschalter |
Zwei-Wege-Schalter bieten eine flexible Beleuchtungssteuerung von zwei verschiedenen Standorten, wodurch sie sowohl in Wohngebieten als auch in gewerblichen Umgebungen ideal sind.Häufige Beispiele sind:
Treppen sind einer der besten Orte für die Verwendung von Zwei-Wege-Schalter.Wenn Sie zu Hause Treppen haben, wissen Sie, dass es nervig und sogar gefährlich sein kann, im Dunkeln auf oder runter zu gehen.Mit einem Zwei-Wege-Schalter können Sie das Licht am Boden der Treppe einschalten, bevor Sie nach oben gehen, und es dann oben ausschalten.Oder, wenn Sie nach unten kommen, können Sie das Licht oben einschalten und unten ausschalten.Dies macht es viel sicherer, auf der Treppe zu gehen, besonders nachts, wenn das Haus dunkel ist.
In Hotelzimmern erleichtern Zwei-Wege-Schalter den Gästen viel einfacher.Ein Schalter erfolgt normalerweise an der Tür, wenn Sie hineingehen, und der andere befindet sich in der Nähe des Bettes.Das heißt, Sie können das Licht einschalten, wenn Sie den Raum betreten, und sie dann ausschalten, ohne aus dem Bett zu kommen.Dies ist sehr hilfreich, wenn Sie müde oder bereit sind zu schlafen.Es gibt dem Raum auch ein komfortableres und nachdenklicheres Design, wodurch sich die Gäste mehr zu Hause fühlen.
Open-Plan-Häuser haben große Räume, in denen die Küche, das Essen und die Wohnbereiche verbunden sind.Diese Räume haben oft mehr als einen Eingang, daher ist es hilfreich, die Lichter von verschiedenen Stellen zu steuern.Zum Beispiel könnten Sie das Licht vom Flur ausschalten und sie dann in der Nähe der Küche ausschalten.Mit zwei Wege-Schalter können die Beleuchtung einfach verwaltet werden, egal in welchem Weg Sie hereinkommen oder ausgehen.Dies fügt viel Komfort hinzu und kann Ihnen sogar helfen, Strom zu sparen, da Sie keine Leuchten anlassen müssen, wenn Sie sie nicht verwenden.
Garagen und Workshops sind geschäftige Orte, an denen Menschen Werkzeuge aufbewahren, an Projekten arbeiten oder ihre Autos parken.Sie haben oft mehr als eine Tür, wie eine aus dem Haus und eine, die sich zum Hof öffnet.In zweiwegsem Schalter wird es einfach, das Licht von beiden Eingangszügen auszuschalten.Dies ist sehr nützlich, wenn Ihre Hände voll sind oder wenn der Raum dunkel und schwer sich sicher zu bewegen ist.Für diejenigen, die ihre Garage oder ihren Workshop häufig verwenden, kann diese Art der Beleuchtung ihre Arbeit erleichtern und viel sicherer.
Außenbereiche wie Gehwege, Gartenwege und Einfahrten benötigen nachts eine gute Beleuchtung für Sicherheit.Mit wechselseitigen Schalter können Sie diese Lichter sowohl vom Haus als auch aus einem anderen Ort wie einem Tor oder einer Garage steuern.Sie können beispielsweise die Pfadlichter einschalten, bevor Sie das Haus verlassen, und sie dann ausschalten, sobald Sie draußen sind.Oder wenn Sie nachts nach Hause kommen, können Sie die Lichter am Tor anschalten und ausschalten, wenn Sie hineinkommen.Dies hilft Ihnen, im Dunkeln zu gehen, und hält Ihr Zuhause auch sicherer, indem Sie sicherstellen, dass die Außenbereiche gut beleuchtet sind.
Um ein Zwei-Wege-Schaltersystem sicher zu installieren:
1. Sammeln Sie alle Werkzeuge und Materialien
Bevor Sie beginnen, stellen Sie sicher, dass Sie alles haben, was Sie brauchen.Sie benötigen zwei SPDT-Schalter (Einzelpol-Doppel-Wurf), eine Leuchte, eine Länge des Drei-Kern-Kabels (dies umfassen lebende, neutrale und Erdungsdrähte sowie die beiden Reisebereich) und grundlegende Sicherheitsausrüstung wie isolierte Handschuhe und Sicherheitsbrillen.Wenn Sie alle Ihre Materialien vorbereiten, bleiben Sie fokussiert und vermeiden unnötige Fehler oder Verzögerungen.
2. Schalten Sie die Hauptleistung am Leistungsschalter aus
Beginnen Sie immer, indem Sie den Strom von der Hauptstromquelle ausschalten.Dies ist der wichtigste Sicherheitsschritt.Die Arbeit mit lebenden Kabeln ist gefährlich und kann zu schweren Verletzungen führen.Stellen Sie sicher, dass die Schaltung, an der Sie arbeiten, in der Breaker-Box vollständig ausgeschaltet ist, und verwenden Sie einen Spannungstester, um zu überprüfen, ob kein Strom fließt.
3. Schließen Sie den lebenden (heißen) Draht mit dem gemeinsamen Anschluss des ersten Schalters an
Nehmen Sie den Live -Draht aus der Stromquelle und schließen Sie ihn am ersten Schalter mit dem gemeinsamen Terminal (COM) an.Das gemeinsame Terminal ist anders als die beiden anderen Klemmen (L1 und L2) gekennzeichnet oder gefärbt.Dies ist der Kabel, der Strom in das System enthält und muss sicher angeschlossen werden, um einen Arbeitskreis zu gewährleisten.
4. Führen Sie zwei Reisendedrähte zwischen den L1- und L2 -Klemmen beider Schalter durch
Nehmen Sie nun zwei Drähte, die oft Reisendekabel bezeichnen, und verbinden Sie das L1 -Terminal am ersten Schalter zum L1 -Anschluss am zweiten Schalter und tun Sie dasselbe für die L2 -Klemmen.Diese Drähte bilden den Pfad, der es den beiden Schalter ermöglicht, miteinander zu "sprechen" und das Licht von beiden Enden steuern.Stellen Sie sicher, dass diese Verbindungen fest sind und dass es keine losen Drahtstränge gibt.
5. Schließen Sie das gemeinsame Anschluss des zweiten Schalters an den Live -Eingang des Leuchtens an
Schließen Sie das gemeinsame Terminal am zweiten Schalter an das Live -Terminal an der Leuchte an.Dieser Kabel überträgt das Licht, wenn der Schalter die Schaltung abschließt.Ohne diese Verbindung erhält das Licht keinen Strom, selbst wenn die Reisenden korrekt installiert sind.
6. Schließen Sie den neutralen Draht des Leuchtens direkt an die neutrale Stromquelle an
Führen Sie einen neutralen Draht vom neutralen Anschluss der Leuchte zurück zum neutralen Draht von der Stromquelle.Dadurch wird die Schaltung abgeschlossen, indem der Strom einen Rückweg verleiht.Ein Arbeitslichtkreis benötigt immer sowohl ein Leben als auch einen neutralen Draht.
7. Alle Metallboxen und Schalterabdeckungen mit dem Erdungsdraht (Boden) erden
Aus Sicherheitsgründen ist es wichtig, alle Metallschalter und Abdeckungen mit dem Erddraht zu erden.Die Erdung schützt Sie im Falle eines elektrischen Fehlers, indem Sie streunende Elektrizität einen sicheren Weg zum Ausgang geben.Es hilft auch dabei, elektrische Stoßdämpfer und mögliche Brandgefahren zu verhindern.Stellen Sie sicher, dass Sie den Erdungsdraht sicher an Erdungsschrauben oder Klemmen in den Kisten anschließen.
8. Verwenden Sie ein Multimeter, um die Kontinuität vor der Wiederherstellung der Stromversorgung zu überprüfen
Verwenden Sie vor dem Einschalten des Stroms ein Multimeter, um die Kontinuität Ihrer Verkabelung zu testen.Dies bedeutet, zu überprüfen, ob Strom ordnungsgemäß durch den Stromkreis fließen kann.Sie möchten sicherstellen, dass es keine Pausen oder falsche Verbindungen gibt.Dieser Schritt kann Kabelfehler aufnehmen, die sonst zu einem nicht arbeitenden Licht oder einem Kurzschluss führen können.
9. Testen Sie die Schalter von beiden Stellen, um den richtigen Betrieb zu bestätigen
Sobald Sie zuversichtlich sind, dass alles richtig verkabelt ist, drehen Sie die Kraft wieder im Breaker.Testen Sie dann die beiden Schalter, indem Sie das Licht von beiden Standorten an und aus ausschalten.Das Licht sollte ein- oder ausschalten, unabhängig davon, welchen Schalter Sie verwenden.Dies bestätigt, dass Ihr Zwei-Wege-System so funktioniert, wie es sollte.
10. Doppelüberprüfende Reisendedrahtanschlüsse, wenn das Licht nicht ordnungsgemäß funktioniert
Wenn das Licht nicht wie erwartet funktioniert, wie nur von einem Schalter einzuschalten oder überhaupt nicht einzuschalten, gehen Sie zurück und überprüfen Sie die Traveler-Drahtverbindungen.Dies sind die häufigsten Fehlerpunkte in einem Zwei-Wege-Switch-Setup.Stellen Sie sicher, dass L1 über beide Schalter mit L1 und L2 an L2 verbunden ist.Stellen Sie außerdem sicher, dass die Commons korrekt mit der Stromquelle und dem Licht verdrahtet sind.Wenn Sie jeden Kabel während der Installation kennzeichnen, können Sie Fehler vermeiden und die Fehlerbehebung erleichtern, wenn etwas schief geht.
Zwei-Wege-Schalter scheinen ein kleines Merkmal zu sein, bieten jedoch viele praktische Vorteile.
• Bequeme Beleuchtungssteuerung: Mit zwei Wege Schalter können Sie ein Licht von zwei verschiedenen Stellen steuern.Dies erleichtert den Alltag, insbesondere in Treppen wie Treppen, Fluren und großen Räumen.Sie können das Licht einschalten, wenn Sie ein- und ausschalten, wenn Sie von einem anderen Ort abreisen, ohne zurück zum ersten Schalter zu gehen.
• Energieeinsparung: Indem die Leuchten von mehr als einem Ort ausgeschaltet werden, helfen Zwei-Wege-Schalter dazu, den Stromverschwendung zu reduzieren.Es ist weniger wahrscheinlich, dass Sie ein Licht aufnehmen, nur weil der Schalter weit weg ist, was in Häusern mit mehreren Böden oder langen Korridoren nützlich ist.
• Ideal für große Räume: Diese Schalter sind perfekt für große Häuser, Büros und öffentliche Gebäude.In Räumen mit mehr als einem Eingang oder einem Ausgang erhöht die Möglichkeit, Leuchten aus verschiedenen Punkten zu steuern, die Sicherheit für alle, die den Raum nutzen.
• Einfache und zuverlässige Technologie: Zwei-Wege-Schalter sind mechanisch und nicht digital.Dies bedeutet, dass sie nicht von Software, Apps oder Internetverbindungen zur Arbeit abhängen.Sie sind sehr zuverlässig und scheitern selten, was sie zu einer lang anhaltenden Lösung mit wenig Wartung macht.
• Arbeitet mit intelligenten Systemen: Obwohl es sich um einfache Geräte handelt, können neben modernem Smart-Home-Systemen noch Zwei-Wege-Schalter verwendet werden.Sie können mit Bewegungssensoren, Timern oder Automatisierungsmodulen arbeiten und Ihnen mehr Flexibilität geben, wenn Sie Ihr Zuhause in Zukunft aktualisieren.
• Niedrige Kosten, hoher Wert: Zwei-Wege-Schalter sind erschwinglich und einfach zu installieren, aber sie verleihen Ihrem Beleuchtungsaufbau einen großen Wert.Für eine so kleine Investition bieten sie im Laufe der Zeit eine bessere Beleuchtungskontrolle, verbessern die Sicherheit und unterstützen energiesparende Gewohnheiten.
Während Zwei-Wege-Switches viele Vorteile bieten, müssen einige Nachteile und Herausforderungen berücksichtigt werden.
• Erfordert mehr Verkabelung: Zwei-Wege-Schalter-Setups benötigen zusätzliche Drähte im Vergleich zu Einzelschalter.Dies kann ein Problem in älteren Häusern sein, in denen Elektrokästen und Leitungen nicht für zusätzliche Verkabelung ausgelegt waren.In einigen Fällen müssen möglicherweise Wände geöffnet werden, um neue Kabel zu installieren, die die Kosten und Arbeit erhöhen können.
• Nicht immer kompatibel mit intelligenten Switches: Viele intelligente Schalter benötigen einen neutralen Kabel, um ordnungsgemäß zu funktionieren.Ältere Zwei-Wege-Schalter-Setups haben oft nicht diesen Kabel, was es schwieriger macht, intelligente Geräte zu installieren, ohne neu zu verdrahten.Dies kann Ihre Upgrade -Optionen einschränken, es sei denn, Sie sind auf komplexere elektrische Arbeiten vorbereitet.
• Kann in älteren oder benutzerdefinierten Installationen schwierig sein: In älteren Gebäuden oder Systemen mit kundenspezifischer Verkabelung folgt das vorhandene Layout möglicherweise nicht den modernen Standards.Dies kann die Installation oder Aktualisierung von Zwei-Wege-Schalter komplizierter machen.
• Regionale Codeunterschiede: Elektrische Codes und Inspektionsregeln können je nach Land oder sogar nach Stadt variieren.Ein Setup, das in einem Bereich legal ist, wird möglicherweise nicht in einer anderen Inspektion bestehen.Dies fügt Komplexität hinzu, insbesondere bei kommerziellen Projekten oder beim Verkauf eines Hauses, wo alles den offiziellen Standards entsprechen muss.
• Fehlerbehebung braucht mehr Zeit: Wenn in einem Zwei-Wege-System etwas schief geht, kann es schwieriger sein, das Problem herauszufinden.Dies liegt daran, dass beide Schalter die Art und Weise beeinflussen, wie sich das Licht verhält.Das Diagnieren eines Problems erfordert häufig die Überprüfung beider Schalter, die Reisendendrähte und die Verwendung von Tools wie einem Multimeter zum Testen von Verbindungen.
• Benötigt sorgfältige Planung und Kennzeichnung : Da die Verkabelung stärker involviert ist, können Sie während der Installation leicht Fehler machen, wenn die Kabel nicht klar beschriftet sind oder die Schritte nicht korrekt befolgt werden.Eine schlechte Planung kann zu Verwirrung oder sogar Sicherheitsrisiken führen. Daher ist es sehr wichtig, sich Zeit zu nehmen, um das System auszubilden.
Zwei-Wege-Schalter machen es einfacher und sicherer, Lichter von mehr als einem Punkt zu steuern.Sie eignen sich hervorragend für Orte wie Treppen, lange Flure oder Zimmer mit mehr als einem Eingang.Sie können das Licht einschalten, wenn Sie ein- und ausschalten, wenn Sie zurückgehen, ohne zurückzugehen.Sie sind einfach, billig und brauchen keine Apps oder Wi-Fi.Während sie ein bisschen mehr Verkabelung und sorgfältiges Setup benötigen, eignen sie sich sowohl für reguläre als auch für intelligente Häuser gut.Planen Sie einfach die Verkabelung klar, befolgen Sie die Sicherheitsschritte und überprüfen Sie alles mit einem Tester, bevor Sie die Leistung wieder einschalten.
Bitte senden Sie eine Anfrage, wir werden sofort antworten.
Ein einzelner Schalter steuert nur ein Licht oder ein Gerät von einem Standort.Sie können es mit diesem einen Schalter ein- oder ausschalten, der für kleine Räume wie Badezimmer oder Schränke in Ordnung ist.Mit einem Zwei-Wege-Schalter können Sie jedoch das gleiche Licht von zwei verschiedenen Stellen steuern.Dies ist nützlich in Treppen, Fluren oder großen Räumen mit mehreren Türen.Es verwendet zwei miteinander verbundene Schalter, sodass das Licht das Licht ein- oder ausschalten kann.Der Hauptunterschied besteht darin, dass ein einzelner Schalter von einer Stelle die Kontrolle ergibt, während ein Zwei-Wege-Schalter von beiden Enden die Kontrolle ergibt.
Um zu überprüfen, ob ein Schalter ein Zwei-Wege (3-Wege in Nordamerika) ist, schauen Sie sich die Rückseite nach Anschlussschrauben an.Ein Zwei-Wege-Schalter hat drei Klemmen: eine gemeinsame und zwei Reisende.Wenn Sie drei Schrauben (mit Ausnahme des Bodens) sehen, ist dies wahrscheinlich ein Zwei-Wege- oder 3-Wege-Schalter.Wenn es vier Terminals gibt, handelt es sich um einen Zwischen- oder 4-Wege-Schalter, der in Systemen mit mehr als zwei Kontrollpunkten verwendet wird.Sie können auch die Verkabelung verfolgen: Zwei-Wege-Schalter verbinden sich mit zwei Reisemähten aneinander und haben eine gemeinsame Aufgabe auf jedem Schalter.Wenn es Teil eines Multi-Switch-Setups ist und vier Terminals hat, ist es kein Zwei-Wege.
Wenn ein Zwei-Wege-Schalter falsch verdrahtet ist, funktioniert das Licht möglicherweise nicht wie erwartet.Es könnte ständig bleiben, überhaupt nicht einschalten oder nur auf einen der Schalter reagieren.Der häufigste Fehler ist das Mischen der Reisendenkabel oder das Anschließen der Strom- oder Lichtdraht mit dem falschen Terminal.Dies stört die Schaltlogik und bricht den Schaltungsfluss.In einigen Fällen kann es auch einen Kurzschluss erzeugen oder flackern, wenn Stromschleifen erzeugt werden.Um dies zu vermeiden, folgen Sie immer den richtigen Terminalmarkierungen (COM, L1, L2) und bestätigen Sie die Kontinuität, bevor Sie einschalten.
Um einen 12-V-Zwei-Wege-Schalter zu verdrahten, verbinden Sie den positiven Draht mit der 12-V-Netzteil an den gemeinsamen Anschluss des ersten SPDT-Schalters.Führen Sie dann zwei Drähte von L1 und L2 des ersten Schalters auf L1 und L2 des zweiten Schalters aus.Schließen Sie das gemeinsame Anschluss des zweiten Schalters wie eine LED an die positive Seite des 12 -V -Geräts an.Schließlich verbinden Sie das negative Anschluss des Geräts wieder an die negative Seite der Stromversorgung.Mit diesem Setup können Sie das Gerät aus dem Schalter ein- oder ausschalten, genau wie in der Wechselstromverkabelung, jedoch mit der DC-Leistung mit niedrigem Volt.
Der gemeinsame Draht auf einem Zwei-Wege-Schalter ist das Terminal, das entweder Strom erhält oder an das Licht sendet, abhängig von der Position des Schalters im Setup.Beim ersten Schalter ist das Gemeinschaft von der Stromquelle mit dem Live -Draht verbunden.Auf dem zweiten Schalter verbindet das Gemeinsame Live -Eingabe des Lichts.Die Reisendedrähte (L1 und L2) verbinden einfach die beiden Schalter.Wenn das gemeinsame Verdrahtung verdrahtet wird, funktioniert das System nicht ordnungsgemäß, weder das Licht wird nicht eingeschaltet, und nur ein Schalter funktioniert.Die korrekte Verkabelung der gemeinsamen Terminals ist für ein funktionales Zwei-Wege-System wichtig.
auf 2025/06/3
auf 2025/06/2
auf 8000/04/18 147757
auf 2000/04/18 111936
auf 1600/04/18 111349
auf 0400/04/18 83721
auf 1970/01/1 79508
auf 1970/01/1 66912
auf 1970/01/1 63048
auf 1970/01/1 63012
auf 1970/01/1 54081
auf 1970/01/1 52128