
Abbildung 1. Überblick über isolierte und nicht isolierte Leistungswandler
Ein isolierter Leistungswandler ist eine Art Leistungsumwandlungsschaltung, die Energie zwischen Eingang und Ausgang ohne direkte elektrische Verbindung überträgt.Sein Hauptzweck besteht darin, elektrische Sicherheit und Geräuschisolierung durch Trennung der Eingangs- und Ausgangserde zu gewährleisten.Diese Trennung wird durch eine galvanische Trennung erreicht, die verhindert, dass Strom direkt zwischen den beiden Seiten fließt.Anstelle eines leitenden Pfads wird die Energie über ein Zwischenmedium übertragen, typischerweise mithilfe magnetischer oder optischer Kopplung.Dieses Design trägt dazu bei, empfindliche Komponenten vor Spannungsspitzen oder Fehlern auf der Eingangsseite zu schützen.Isolierte Leistungswandler zeichnen sich durch ihre Fähigkeit aus, die elektrische Unabhängigkeit zwischen Eingang und Ausgang aufrechtzuerhalten und gleichzeitig kontrollierte Leistung zu liefern.
Ein nicht isolierter Leistungswandler ist eine Leistungsumwandlungsschaltung, bei der Eingang und Ausgang über eine direkte elektrische Verbindung verfügen.Sein Hauptzweck besteht darin, die Spannungsniveaus in Systemen effizient zu regulieren, die keine elektrische Trennung erfordern.Bei diesem Design teilen sich beide Seiten normalerweise eine gemeinsame Masse, sodass der Strom direkt zwischen Eingang und Ausgang fließen kann.Diese gemeinsame Referenz vereinfacht die Schaltungsstruktur und reduziert die Anzahl der Komponenten.Da es keine galvanische Trennung gibt, sind Ein- und Ausgang jederzeit elektrisch verbunden.Nicht isolierte Stromrichter zeichnen sich daher durch ihren kontinuierlichen Leiterpfad und die gemeinsame Erdung zwischen Quelle und Last aus.

Abbildung 2. Transformatorisolationsdiagramm
Isolierte Wandler übertragen Energie durch magnetische Kopplung und nicht durch direkte elektrische Leitung.Ein Schaltgerät schaltet die Eingangsspannung schnell ein und aus und erzeugt so einen zeitlich veränderlichen Strom in der Primärwicklung eines Transformators.Dieser sich ändernde Strom erzeugt ein Magnetfeld im Transformatorkern, das sich auf die Sekundärwicklung auswirkt.Das Magnetfeld induziert auf der Sekundärseite eine Spannung, die eine Energieübertragung über die Isolationsbarriere ermöglicht.Da es zwischen den Wicklungen keinen leitenden Pfad gibt, bleibt die elektrische Trennung während des gesamten Prozesses erhalten.Die Ausgangsseite wandelt dann das induzierte Signal mithilfe grundlegender Gleichrichtungs- und Filterstufen in eine nutzbare Gleichspannung um.Diese Methode gewährleistet eine kontrollierte Energieübertragung bei gleichzeitiger Wahrung der galvanischen Trennung zwischen Eingang und Ausgang.

Abbildung 3. Nicht isolierter Schaltkreis
Nicht isolierte Wandler regeln die Spannung durch Schaltvorgänge innerhalb eines kontinuierlichen elektrischen Pfads.Ein Halbleiterschalter schaltet sich schnell ein und aus, um den Energiefluss vom Eingang zum Ausgang zu steuern.Beim Schalten speichert ein Induktor vorübergehend Energie in seinem Magnetfeld und gibt sie dann an die Last ab.Kondensatoren werden verwendet, um den Ausgang zu glätten und einen stabilen Spannungspegel aufrechtzuerhalten.Da Ein- und Ausgang eine gemeinsame Masse haben, erfolgt die Energieübertragung direkt über die Schaltungskomponenten.Der Schaltvorgang passt den Arbeitszyklus an, um die Ausgangsspannung entsprechend den Systemanforderungen zu regulieren.Dieser Ansatz ermöglicht eine effiziente Spannungsumwandlung ohne die Notwendigkeit von Isolationskomponenten.
1. Flyback-Konverter

Abbildung 4. Schaltplan des Sperrwandlers
Ein Sperrwandler ist ein einfacher isolierter Leistungswandler, der Energie in einem Transformator speichert und an den Ausgang liefert.Es verwendet einen Transformator mit Primär- und Sekundärwicklungen, wobei die Primärseite von einem Schaltgerät gesteuert wird.Beim Betätigen des Schalters wird Energie zunächst im Transformator gespeichert und dann auf die Sekundärseite übertragen.Der Sekundärkreis umfasst eine Diode und einen Kondensator zur Umwandlung und Glättung der Ausgangsspannung.Diese Struktur ermöglicht sowohl Spannungswandlung als auch Isolierung in einem kompakten Design.Die gezeigte Schaltung verdeutlicht die grundlegende Anordnung der Transformatorkopplung, Schaltsteuerung und Ausgangsgleichrichtung.Sperrwandler sind weithin für ihre Einfachheit und Eignung für Anwendungen mit niedriger bis mittlerer Leistung bekannt.
2. Vorwärtswandler

Abbildung 5. Schaltplan des Vorwärtswandlers
Ein Vorwärtswandler ist ein isolierter Leistungswandler, der während der Schaltperiode Energie direkt vom Eingang zum Ausgang überträgt.Es verwendet einen Transformator, bei dem Energie zur Sekundärseite fließt, während der Schalter aktiv ist.Die Schaltung umfasst einen gesteuerten Schalter auf der Primärseite und einen Gleichrichter mit Filterkomponenten auf der Sekundärseite.Im Gegensatz zu auf Energiespeicherung basierenden Designs liefert der Transformator während der Leitungsintervalle kontinuierlich Strom.Das Diagramm zeigt einen klaren Weg der Energieübertragung durch den Transformator zur Endstufe.Diese Struktur unterstützt eine stabile Spannungsumwandlung bei gleichzeitiger Beibehaltung der elektrischen Isolierung.Vorwärtswandler werden häufig dort eingesetzt, wo ein verbesserter Wirkungsgrad und eine kontrollierte Leistungsabgabe erforderlich sind.
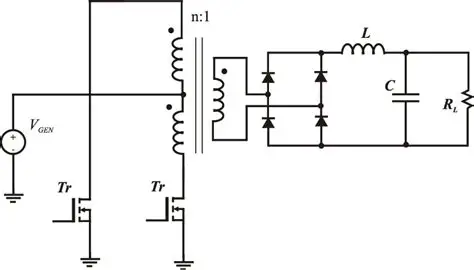
3. Push-Pull-Konverter

Abbildung 6. Schaltplan des Push-Pull-Wandlers
Ein Gegentaktwandler ist ein isolierter Leistungswandler, der über zwei Schaltgeräte abwechselnd einen Transformator antreibt.Er verfügt über eine Transformator-Primärwicklung mit Mittelanzapfung, die bei jedem Schaltzyklus einen Stromfluss in entgegengesetzte Richtungen ermöglicht.Jeder Schalter betätigt der Reihe nach und versorgt jeweils eine Hälfte des Transformators mit Strom.Diese Wechselwirkung verbessert die Transformatorauslastung und unterstützt eine effiziente Energieübertragung.Die Sekundärseite umfasst Gleichrichtung und Filterung, um eine stabile Ausgangsspannung zu erzeugen.Das Diagramm spiegelt die symmetrische Anordnung von Schaltern und Transformatorwicklungen wider.Gegentaktwandler werden üblicherweise in Anwendungen mittlerer Leistung verwendet, die einen ausgeglichenen Betrieb erfordern.
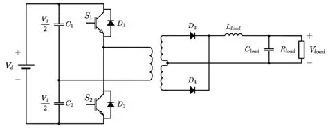
4. Halbbrückenwandler

Abbildung 7. Schaltplan eines Halbbrückenwandlers
Ein Halbbrückenwandler ist ein isolierter Leistungswandler, der zwei Schalter verwendet, um einen Transformator aus einer geteilten Eingangsspannung anzutreiben.Die Schaltung teilt die Eingangsversorgung mithilfe von Kondensatoren in zwei Hälften und stellt so eine Mittelpunktreferenz bereit.Die Schalter arbeiten abwechselnd, um Spannung an die Primärwicklung des Transformators anzulegen.Diese Konfiguration ermöglicht eine kontrollierte Energieübertragung und reduziert gleichzeitig die Spannungsbelastung an jedem Schalter.Der Transformator liefert dann Energie an die Sekundärseite, wo sie gleichgerichtet und gefiltert wird.Das Diagramm zeigt die symmetrische Anordnung zweier Schalter und der Transformatorschnittstelle.Halbbrückenwandler werden häufig in Systemen mittlerer bis hoher Leistung mit effizienter Schaltsteuerung eingesetzt.
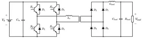
5. Vollbrückenkonverter

Abbildung 8. Schaltplan des Vollbrückenwandlers
Ein Vollbrückenwandler ist ein isolierter Leistungswandler, der vier Schaltgeräte zum Antrieb eines Transformators verwendet.Die Schalter sind in einer H-Brücken-Konfiguration angeordnet, sodass die Eingangsspannung vollständig genutzt werden kann.Durch Abwechseln der Schaltpaare legt die Schaltung eine bidirektionale Spannung an die Primärwicklung des Transformators an.Dies ermöglicht eine effiziente Energieübertragung und unterstützt einen Hochleistungsbetrieb.Die Sekundärseite umfasst Gleichrichtung und Filterung, um einen stabilen Gleichstromausgang zu erzeugen.Das Diagramm zeigt die Vier-Schalter-Anordnung, die mit dem Transformator und der Ausgangsstufe verbunden ist.Vollbrückenwandler werden häufig in Hochleistungsanwendungen eingesetzt, die eine robuste und effiziente Energieumwandlung erfordern.
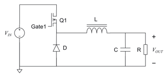
1. Abwärtswandler (Step-Down)

Abbildung 9. Schaltplan des Abwärtswandlers
Ein Tiefsetzsteller ist ein nicht isolierter DC/DC-Wandler, der eine höhere Eingangsspannung auf eine niedrigere Ausgangsspannung reduziert.Es verwendet ein Schaltgerät, um zu steuern, wie viel Energie von der Quelle an die Last geliefert wird, während eine Induktivität dabei hilft, den Stromfluss zu glätten.Eine Diode stellt einen Strompfad bereit, wenn der Schalter ausgeschaltet ist, und ein Kondensator hilft, eine konstante Ausgangsspannung aufrechtzuerhalten.Dieser Grundaufbau macht den Tiefsetzsteller zu einem der gebräuchlichsten Abwärtswandlertypen in elektronischen Systemen.Die Schaltungsanordnung umfasst typischerweise einen Schalter, eine Diode, eine Induktivität und einen Kondensator, die in einer kompakten, nicht isolierten Anordnung verbunden sind.Aufgrund dieser einfachen Topologie werden Abwärtswandler überall dort eingesetzt, wo eine effiziente Spannungsreduzierung erforderlich ist.In der Leistungselektronik wird der Tiefsetzsteller als praktische Lösung für die geregelte Niederspannungsausgabe aus einer höheren Gleichstromversorgung geschätzt.
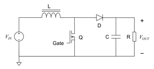
2. Boost-Konverter (Step-Up)

Abbildung 10. Schaltplan des Aufwärtswandlers
Ein Aufwärtswandler ist ein nicht isolierter DC-DC-Wandler, der eine niedrigere Eingangsspannung auf eine höhere Ausgangsspannung erhöht.Es funktioniert, indem es Energie in einem Induktor speichert und diese Energie dann wieder abgibt, um die Ausgangsspannung über den Eingangspegel anzuheben.Die Schaltung umfasst normalerweise eine Induktivität, einen Schalter, eine Diode und einen Kondensator und bildet eine Standard-Aufwärtswandlerstruktur.Während sich Energie durch die Lade- und Entladepfade des Induktors bewegt, wird die Leistung für die Last aufgebaut und stabilisiert.Dies macht den Aufwärtswandler zu einer weit verbreiteten Option im Stromversorgungsdesign, wenn eine höhere Gleichspannung von einer niedrigeren Quelle benötigt wird.Seine nicht isolierte Konfiguration hält die Schaltung kompakt und elektrisch durchgehend vom Eingang bis zum Ausgang.Für viele elektronische Systeme bietet der Aufwärtswandler eine einfache Möglichkeit, eine effiziente Spannungserhöhung ohne Isolationskomponenten zu erreichen.
3. Buck-Boost-Wandler (Aufwärts/Abwärts)

Abbildung 11. Schaltplan des Buck-Boost-Wandlers
Ein Buck-Boost-Wandler ist ein nicht isolierter DC-DC-Wandler, der die Ausgangsspannung je nach Schaltungsanforderungen entweder verringern oder erhöhen kann.Es kombiniert Schaltvorgänge mit induktorbasierter Energieübertragung, um eine flexible Spannungsregelung über eine einzige Topologie zu ermöglichen.Dieser Konverter ist nützlich, wenn die Eingangsspannung während des Betriebs über oder unter dem erforderlichen Ausgangspegel liegen kann.Seine Schaltungsstruktur umfasst einen Schalter, eine Diode, eine Induktivität und einen Kondensator, die so angeordnet sind, dass sie sowohl die Abwärts- als auch die Aufwärtswandlung unterstützen.In einigen Konfigurationen kann die Ausgangspolarität invertiert werden, während in anderen die Schaltung für einen geregelten, nicht invertierenden Ausgang ausgelegt ist.Die Topologie dieser Art von Schaltung unterstreicht ihre Fähigkeit, Spannungspegel ohne Verwendung eines Transformators anzupassen.Aufgrund dieser Flexibilität ist der Tief-Hochsetzsteller ein wichtiger nicht isolierter Wandlertyp in der modernen Leistungselektronik.
• Bietet elektrische Trennung zwischen Eingang und Ausgang.
• Verbessert die Sicherheit von Benutzern und Geräten.
• Hilft, die Geräuschübertragung zwischen den Schaltkreisseiten zu reduzieren.
• Unterstützt die Hochspannungsumwandlung sicherer.
• Ermöglicht unterschiedliche Bodenbezüge auf jeder Seite.
• Bietet große Designflexibilität in Stromversorgungssystemen.
• Nützlich für Netzteildesigns mit mehreren Ausgängen.
• Trägt zum Schutz empfindlicher nachgeschalteter Schaltkreise bei.
• Bietet in vielen Designs eine hohe Umwandlungseffizienz.
• Verwendet weniger Komponenten und einfachere Layouts.
• Reduziert die Gesamtgröße und das Gewicht des Schaltkreises.
• Reduziert Herstellungs- und Designkosten.
• Unterstützt die Integration kompakter Netzteile.
• Reagiert gut in Niederspannungs-Gleichstromsystemen.
• Vereinfacht die Erdung und das Design auf Platinenebene.
• Passt problemlos in elektronische Geräte mit begrenztem Platzangebot.
1. Industrielle Steuerungssysteme
Isolierte Leistungswandler werden häufig in industriellen Steuerungssystemen wie SPS, Motorantrieben und Fabrikautomatisierungsgeräten eingesetzt.Da diese Systeme häufig unterschiedliche Spannungsbereiche verarbeiten, ist eine elektrische Trennung zwischen Steuer- und Leistungsteil erforderlich.Nicht isolierte Wandler werden auch in Niederspannungs-Teilstromkreisen eingesetzt, wo eine direkte Regelung ausreichend ist.Ihre Bedeutung in Industrieanlagen liegt in der stabilen Stromversorgung von Überwachungs-, Logik- und Antriebskomponenten.
2. Telekommunikationsausrüstung
Telekommunikationssysteme verwenden sowohl isolierte als auch nicht isolierte Konverter in Routern, Basisstationen, Switches und Kommunikationsmodulen.Isolierte Wandler werden üblicherweise in Abschnitten eingesetzt, die eine Sicherheitstrennung und Geräuschkontrolle zwischen den Leistungsstufen erfordern.Nicht isolierte Wandler werden zur lokalen Spannungsregelung häufig in der Nähe von Prozessoren und Kommunikationschips platziert.Diese Wandler sind wichtig, da sich eine zuverlässige Stromversorgung direkt auf die Signalverarbeitung und die Netzwerkverfügbarkeit auswirkt.
3. Unterhaltungselektronik
Geräte wie Fernseher, Laptops, Gaming-Systeme und Smart-Home-Produkte sind auf Stromrichter angewiesen, um die erforderlichen internen Spannungen bereitzustellen.Isolierte Wandler werden häufig in AC-DC-Adapterstufen oder Netzteilen verwendet, die die Benutzerseite von der Netzseite trennen müssen.Für eine effiziente Bordspannungsumwandlung werden üblicherweise nicht isolierte Wandler im Gerät verwendet.Ihre Bedeutung liegt darin, dass sie eine kompakte, stabile und ordnungsgemäß regulierte Stromversorgung für viele elektronische Funktionen ermöglichen.
4. Automobilelektronik
Moderne Fahrzeuge nutzen Stromrichter in Infotainmentsystemen, Beleuchtungsmodulen, Batteriemanagementsystemen, Sensoren und Steuergeräten.Isolierte Wandler sind in Hochspannungsabschnitten von Elektrofahrzeugen wichtig, wo verschiedene elektrische Bereiche getrennt bleiben müssen.Nicht isolierte Wandler werden häufig zum Erhöhen oder Verringern der Spannung in Standard-Niederspannungsschaltkreisen für Kraftfahrzeuge verwendet.Diese Wandler werden benötigt, da die Automobilelektronik unter wechselnden Betriebsbedingungen eine zuverlässige Stromversorgung benötigt.
5. Medizinische Ausrüstung
Medizinische Geräte wie Patientenmonitore, Bildgebungssysteme, Diagnosewerkzeuge und tragbare Gesundheitsprodukte sind auf eine genaue und stabile Stromumwandlung angewiesen.Isolierte Wandler sind in medizinischen Geräten besonders wichtig, da häufig eine elektrische Trennung zwischen der mit dem Patienten verbundenen Seite und der Stromquelle erforderlich ist.In internen Niederspannungsabschnitten, in denen eine Direktwandlung geeignet ist, können weiterhin nichtisolierte Wandler eingesetzt werden.Ihre Rolle ist wichtig, da medizinische Systeme für sensible elektronische Funktionen eine konstante Stromversorgung gewährleisten müssen.
6. Erneuerbare Energiesysteme
Solarstromsysteme, Energiespeichereinheiten und zugehörige Steuerungen verwenden Stromwandler, um die Spannungsumwandlung zwischen Quellen, Batterien und Lasten zu verwalten.Isolierte Wandler werden dort eingesetzt, wo eine elektrische Trennung zwischen verschiedenen Systemstufen oder Schnittstellen erforderlich ist.Nicht isolierte Wandler werden häufig in Gleichstrom-Regelungspfaden zum Laden, Überwachen oder zur lokalen Stromaufbereitung eingesetzt.Diese Konverter sind wichtig, da erneuerbare Energiesysteme mit wechselnden Eingangsbedingungen umgehen und gleichzeitig die nutzbare Ausgangsleistung aufrechterhalten müssen.
7. Computer- und Datenverarbeitungsgeräte
Server, eingebettete Platinen, Datenspeichergeräte und Netzwerkhardware nutzen mehrere Stromschienen für Prozessoren, Speicher und Unterstützungsschaltkreise.Nicht isolierte Wandler sind in diesen Systemen üblich, da sie die Spannungen auf Platinenebene von Zwischen-DC-Bussen effizient regeln.Isolierte Wandler können auch in Hauptstromversorgungsabschnitten oder Kommunikationsschnittstellen vorkommen, die eine Trennung erfordern.Ihre Bedeutung liegt in der Unterstützung des stabilen Betriebs digitaler Systeme mit unterschiedlichen Spannungsanforderungen.
8. Luft- und Raumfahrt- und Verteidigungselektronik
Flugzeugelektronik, Satellitensubsysteme und Verteidigungshardware verwenden häufig spezielle Leistungsumwandlungsstufen, um strenge Systemanforderungen zu erfüllen.Isolierte Wandler werden häufig dort eingesetzt, wo Sicherheitstrennung, Lärmschutz oder unabhängige Erdung erforderlich sind.Nicht isolierte Wandler werden auch in eng integrierten Niederspannungsmodulen eingesetzt, bei denen Platz und Gewicht erforderlich sind.Diese Wandler sind wichtig, da aufgabenorientierte Elektronik zuverlässige Stromversorgung in komplexen Betriebsumgebungen erfordert.
|
Aspekt |
Isolierte Stromversorgung
Konverter |
Nicht isoliert
Stromwandler |
|
Isolation
Nennspannung |
Typischerweise 500 V
bis 5 kV Isolationsbarriere |
0 V (Nr
Isolationsbarriere) |
|
Elektrischer Pfad |
Energie
ohne Leiterbahn übertragen |
Kontinuierlich
leitfähiger Pfad vom Eingang zum Ausgang |
|
Erdpotential
Unterschied |
Kann große Mengen verarbeiten
Erdungsunterschiede (>100 V) |
Auf dasselbe beschränkt
Erdpotential (≈0 V Differenz) |
|
Sicherheit
Compliance |
Trifft
Verstärkte/Basisisolierungsstandards (IEC/UL) |
Nicht geeignet für
Sicherheitsisolationsstandards |
|
Transformator
Präsenz |
Verwendet Transformator
oder isoliertes Kopplungselement |
Kein Transformator
verwendet |
|
Wechseln
Frequenzbereich |
Typischerweise 20 kHz
bis 500 kHz |
Normalerweise 100
kHz bis 2 MHz |
|
Effizienzbereich |
~70 % bis 90 %
je nach Topologie |
~85 % bis 98 %
je nach Ausführung |
|
Leistungsdichte |
Niedriger aufgrund
magnetische Komponenten |
Höher aufgrund
kompaktes Design |
|
Anzahl der Komponenten |
Höher (10–30+
Komponenten typisch) |
Niedriger (5–15
Komponenten typisch) |
|
Körperliche Größe |
Größer aufgrund
Transformator und Abstand |
Kleiner,
Integration auf Leiterplattenebene möglich |
|
Gewicht |
Schwerer aufgrund
Magnetkern |
Leichter mit
minimale Magnetik |
|
EMI-Leistung |
Bessere Isolation
reduziert leitungsgebundene Geräusche |
Anfälliger für
leitungsgebundene Störkopplung |
|
Spannung
Umrechnungsverhältnis |
Breit und
flexibel (z. B. 400V bis 5V) |
Begrenzt
Wandlungsbereich (z. B. 12V auf 5V) |
|
Integration
Ebene |
Wird oft verwendet als
separate Leistungsmodule |
Ganz einfach
integriert in IC-basierte Regler |
1. Prüfen Sie, ob eine elektrische Isolierung erforderlich ist
Bestimmen Sie zunächst, ob Ein- und Ausgang aus Sicherheits- oder Systemschutzgründen elektrisch getrennt werden müssen.Dies ist oft der erste und wichtigste Auswahlpunkt beim Design von Leistungswandlern.Wenn das System einen direkten elektrischen Kontakt zwischen Quelle und Last verhindern muss, ist ein isolierter Wandler normalerweise die bessere Wahl.Wenn keine solche Trennung erforderlich ist, kann ein nicht isolierter Wandler ausreichend sein.Dieser Schritt hilft dabei, die Entscheidung auf der Grundlage der grundlegendsten Systemanforderungen einzugrenzen.
2. Identifizieren Sie die Beziehung zwischen Eingangs- und Ausgangsspannung
Schauen Sie sich als Nächstes die an der Quelle verfügbaren Spannungspegel und die von der Last benötigte Spannung an.Einige Systeme erfordern lediglich eine einfache Abwärts- oder Aufwärtswandlung innerhalb derselben elektrischen Masse, was oft gut zu nicht isolierten Designs passt.Andere Systeme beinhalten größere Spannungsunterschiede oder getrennte Leistungsbereiche, die möglicherweise isolierte Lösungen begünstigen.Das Spannungsverhältnis beeinflusst auch die Topologieauswahl und das Systemlayout.Ein klares Spannungsziel macht die Wahl des Wandlers praktischer und genauer.
3. Bewerten Sie Sicherheits- und Regulierungsanforderungen
Überprüfen Sie, ob das Produkt Sicherheitsstandards in Bezug auf Benutzerschutz, Isolierung oder Gerätetrennung erfüllen muss.In vielen regulierten Systemen, insbesondere wenn gefährliche Spannungen vorhanden sind, kann eine Isolierung aufgrund von Konstruktionsregeln oder Zertifizierungsanforderungen erforderlich sein.Nicht isolierte Wandler eignen sich im Allgemeinen besser für Niederspannungssysteme, in denen diese Anforderungen nicht gelten.Dieser Schritt ist besonders wichtig bei Produkten, die für öffentliche, industrielle oder sensible Umgebungen bestimmt sind.Die Einhaltung der Sicherheitsvorschriften sollte stets frühzeitig im Entwurfsprozess berücksichtigt werden.
4. Berücksichtigen Sie Platz-, Gewichts- und Layoutbeschränkungen
Die physische Größe kann die Wahl des besten Wandlers stark beeinflussen, insbesondere bei kompakten elektronischen Produkten.Nicht isolierte Wandler werden oft bevorzugt, wenn das Design klein und leicht bleiben und sich leicht auf einer Leiterplatte integrieren lassen muss.Isolierte Wandler benötigen möglicherweise mehr Platz, da sie in der Regel zusätzliche magnetische und isolierende Komponenten enthalten.Daher sollten die verfügbare Platinenfläche und die Gehäusegröße überprüft werden, bevor eine endgültige Entscheidung getroffen wird.Dieser Schritt stellt sicher, dass der ausgewählte Konverter realistisch zum Produktdesign passt.
5. Legen Sie ein Kostenziel für die Leistungsstufe fest
Das Budget ist ein weiterer wichtiger Faktor bei der Auswahl zwischen isolierten und nicht isolierten Stromrichtern.Nicht-isolierte Designs kosten in der Regel weniger, da sie weniger Teile und einfachere Strukturen verwenden.Isolierte Wandler können aufgrund zusätzlicher Isolationskomponenten und einer komplexeren Implementierung die Material- und Designkosten erhöhen.Die richtige Wahl hängt davon ab, ob bei der Anwendung niedrige Kosten oder eine zusätzliche elektrische Trennung im Vordergrund stehen.Dieser Schritt trägt dazu bei, die technischen Anforderungen mit den Produktpreiszielen in Einklang zu bringen.
6. Passen Sie den Konverter an die Endanwendung an
Die endgültige Entscheidung sollte die tatsächliche Betriebsumgebung und den Systemzweck widerspiegeln.Ein Wandler, der in Industrie-, Medizin- oder Hochspannungsgeräten verwendet wird, muss aufgrund der Designanforderungen der Anwendung möglicherweise isoliert werden.Ein Wandler, der für die Onboard-Gleichstromregelung in kompakten Elektronikgeräten verwendet wird, könnte von einem nicht isolierten Ansatz stärker profitieren.Die Betrachtung des vollständigen Anwendungskontexts hilft dabei, die Auswahl nur auf der Grundlage eines Faktors zu vermeiden.Dieser Schritt verbindet den Konvertertyp mit der praktischen Systemnutzung.
7. Überprüfen Sie die langfristige Designflexibilität
Es ist auch nützlich, über zukünftige Upgrades, Systemerweiterungen oder die Wiederverwendung von Designs nachzudenken.Ein isolierter Konverter bietet möglicherweise mehr Flexibilität, wenn später separate Erdungen, mehrere Ausgänge oder umfassendere Systemänderungen zu erwarten sind.Ein nicht isolierter Wandler ist möglicherweise die bessere Wahl, wenn das Design festgelegt und auf kompakte Leistung optimiert ist.Durch die Planung zukünftiger Anforderungen kann der Neuentwurfsaufwand reduziert und die Skalierbarkeit des Systems verbessert werden.Dieser letzte Schritt trägt dazu bei, dass der Konverter auch über die erste Version des Produkts hinaus geeignet bleibt.
Der Hauptunterschied zwischen isolierten und nicht isolierten Wandlern besteht darin, ob Ein- und Ausgang elektrisch getrennt sind.Isolierte Wandler bieten mehr Sicherheit und Schutz, während nicht isolierte Wandler einfacher, kleiner und effizienter sind.Jeder Typ verfügt über unterschiedliche Designs, die den spezifischen Spannungs- und Systemanforderungen entsprechen.Die Wahl des richtigen Systems hängt von der Sicherheit, den Spannungspegeln, der Größe, den Kosten und der Art und Weise ab, wie das System verwendet wird.
Bitte senden Sie eine Anfrage, wir werden sofort antworten.
Transformatoren übertragen Energie durch Magnetfelder und halten dabei Eingang und Ausgang elektrisch getrennt.Sie ermöglichen außerdem eine Spannungsskalierung und unterstützen mehrere Ausgangspegel.
Ja, isolierte Wandler können mithilfe zusätzlicher Transformatorwicklungen mehrere Ausgänge unterstützen.Dies macht sie in komplexen Stromversorgungssystemen nützlich.
Nein, nicht isolierte Wandler arbeiten normalerweise mit Gleichstromeingang.Wechselstrom muss zunächst in Gleichstrom umgewandelt werden, bevor nicht isolierte Topologien verwendet werden können.
Nicht isolierte Wandler sind in der Regel besser, weil sie kompakt und effizient sind und sich ideal für Niederspannungs-Gleichstromsysteme wie Batterien eignen.
Ja, viele Systeme nutzen beides.Eine isolierte Stufe übernimmt die Sicherheit und die Hauptumwandlung, während nicht isolierte Stufen die Spannung lokal im Stromkreis regeln.
auf 2026/04/8
auf 2026/04/7
auf 8000/04/18 147764
auf 2000/04/18 111989
auf 1600/04/18 111351
auf 0400/04/18 83751
auf 1970/01/1 79546
auf 1970/01/1 66949
auf 1970/01/1 63094
auf 1970/01/1 63028
auf 1970/01/1 54092
auf 1970/01/1 52172