
Der LM317T Es ist ein hoch anpassungsfähiger Spannungsregler in einem TO-220-Paket, das für sein unkompliziertes Design und die beeindruckende Leistung bei der Verwaltung positiver Spannungsausgaben bekannt ist.Es kann Ströme von mehr als 1,5A aufnehmen und das Leistungsmanagement mit einem Widerstandsteiler für die genaue Spannungsstimmung lindern.Diese Fähigkeit unterstützt einen breiten Spannungsbereich und verringert die Notwendigkeit mehrerer fester Regulatoren.Der LM317T ist durch Merkmale gekennzeichnet, die eine effiziente Leistungsregulierung unterstützen.Die Fähigkeit zur Aufrechterhaltung einer stabilen Ausgangsspannung trotz variabler Eingangsbedingungen unterstreicht die Effizienz.Bei der Verwendung des LM317T-Nutzens und des Schutzes des thermischen Überlasts und des Kurzschlussschutzes bietet er auch in anspruchsvollen Umgebungen eine konsistente Leistung und Widerstandsfähigkeit.Der LM317T wird häufig in Stromversorgungsschaltungen für Geräte mit unterschiedlichen Spannungsanforderungen integriert.Das unkomplizierte Design ermöglicht einfache Anpassungen und Wartung und bietet Vorteile in Bildungseinstellungen und experimentellen Einstellungen.

|
Pin -Nr |
Pin -Name |
Beschreibung |
|
1 |
Anpassen |
Dieser Stift passt die Ausgangsspannung ein |
|
2 |
Ausgangsspannung (Vout) |
Die regulierte Ausgangsspannung, die durch den angepassten Stift eingestellt ist, kann
aus diesem Stift erhalten |
|
3 |
Eingangsspannung (VIN) |
Die regulierte Eingangsspannung ist gegeben
dieser Stift |


Ein auffälliger Aspekt des LM317T ist sein einstellbarer Spannungsbereich von 1,2 V und 37 V, der an Anwendungen richtet, die eine fein abgestimmte Spannungsverwaltung benötigen.Diese Vielseitigkeit spricht viele elektronische Anwendungen an und verringert die Komplikationen des Designs.
Mit Unterstützung von Strömen über 1,5A ist der LM317T auf hochdarstellende Schaltungen zugeschnitten, wobei der Schwerpunkt auf der Aufrechterhaltung der Stabilität über unterschiedliche Strombedürfnisse liegt.Diese Merkmale trägt zum nahtlosen Gerätebetrieb bei, was sie zu einer geschätzten Komponente macht, in der die Stromanforderungen unvorhersehbar sind.
Die LM317T zeichnet sich bei der Aufrechterhaltung einer engen Linien- und Lastregulation bei 0,1%aus und minimiert die Variabilität der Spannung, die empfindliche Komponenten stören oder abbauen kann.
Das schwimmende Spannungsdesign des LM317T verbessert die Flexibilität des Schaltungslayouts und unterstützt seine Verwendung in negativen Spannungsszenarien, ohne komplizierte Konfigurationen zu erforderlich machen.Diese Fähigkeit wird vorteilhaft, wenn mehrere Regulatoren in ein einzelnes System integriert werden.
Ausgestattet mit Überstromschutz, thermischem Abschalt und SOA -Kontrolle bietet der LM317T robuste Schutzmaßnahmen und die Integrität des Systems gegen häufige Bedrohungen wie Kurzschlüsse und Überhitzung.Durch diese Funktionen schaffen viele eine harmonische Mischung aus Innovation und Zuverlässigkeit, die die Produktleistung und die Langlebigkeit vorwärts bringen.
|
Typ |
Parameter |
|
Lebenszyklusstatus |
Aktiv (zuletzt aktualisiert: vor 7 Monaten) |
|
Kontaktieren Sie die Beschichtung |
Zinn |
|
Montagetyp |
Durch Loch |
|
Anzahl der Stifte |
3 |
|
Herstellerpaketkennung |
0015988_typea_rev_t |
|
Verpackung |
Rohr |
|
JESD-609 Code |
E3 |
|
Feuchtigkeitsempfindlichkeit (MSL) |
1 (unbegrenzt) |
|
ECCN -Code |
Ear99 |
|
Anzahl der Funktionen |
1 |
|
Basisteilnummer |
LM317 |
|
Anzahl der Ausgänge |
1 |
|
Ausgangsspannung |
37V |
|
Fabrikvorlaufzeit |
24 Wochen |
|
Montieren |
Durch Loch |
|
Paket / Fall |
To-220-3 |
|
Gewicht |
2.299807G
|
|
Betriebstemperatur |
0 ° C ~ 125 ° C. |
|
Toleranz |
5% |
|
Teilstatus |
Aktiv |
|
Anzahl der Terminen |
3 |
|
Endposition |
EINZEL |
|
Terminal Tonhöhe |
2,54 mm |
|
Stiftanzahl |
3 |
|
Spannung - Eingang (max) |
40V |
|
Ausgangstyp |
Einstellbar |
|
Maximaler Ausgangsstrom |
1,5a |
|
Maximalausgangsspannung |
37V |
|
Min Eingangsspannung |
4.2v |
|
PSRR |
80 dB ~ 85 dB (120 Hz) |
|
Min Ausgangsspannung |
1,2 V |
|
Höhe |
9,15 mm |
|
Breite |
4,6 mm |
|
Strahlenhärtung |
NEIN |
|
Frei führen |
Frei führen |
|
Ausgabekonfiguration |
Positiv |
|
Anzahl der Regulierungsbehörden |
1 |
|
Schutzmerkmale |
Überstrom über Temperatur |
|
Referenzspannung |
1,25 V |
|
Netzteils Abstoßungsverhältnis (PSRR) |
80db |
|
Länge |
10,4 mm |
|
SVHC erreichen |
Kein SVHC |
|
ROHS -Status |
ROHS3 -konform |

|
Teilenummer |
Beschreibung |
Hersteller |
|
LM317KC |
3/4 Pin 1,5A einstellbarer positiver Spannungsregler
3 bis 220 0 bis 125 |
Texas Instrumente |
|
LM317T#PBF |
IC VREG 1,2 V-37 V Einstellbarer positiver Regler, PSFM3,
Kunststoff, bis-220, 3 PIN, einstellbare positive Einzelausgangsstandardregler |
Lineare Technologie |
|
LM317T/NOPB |
IC VREG 1,2 V-37 V Einstellbarer positiver Regler, PSFM3,
ROHS-konform, Kunststoff, bis-220, 3 Pin, einstellbare positive Einzelausgabe
Standardregler |
National Semiconductor Corporation |
|
LM317T2 |
1,2 V-37V einstellbarer positiver Regler, PSFM3, Kunststoff,
To-220, 3 Pin |
Auf Halbleiter |
Zusätzliche LM317T -Äquivalente umfassen:LM317EMPAnwesendLM317AMPAnwesendLM317LIDRAnwesend LM317LMXund andere.
Der LM317 findet eine umfassende Verwendung in Anwendungen mit variabler Spannungsleistung aufgrund der Fähigkeit, die Ausgangsspannungsniveaus anzupassen.In Bildungsumgebungen und Elektroniklabors unterstützt es die Entwicklung und Prüfung verschiedener Schaltungen.Genießen Sie mit einem flexiblen Ausgangsbereich von 1,25 V und 37 V ein breites Spektrum an Möglichkeiten.
Für Anwendungen, die eine aktuelle Einschränkung erfordern, liefert der LM317 einen effektiven und einfachen Ansatz.Dieses Merkmal erweist sich für Batterieladegeräte und Stromverwaltungssysteme von Vorteil, bei denen die Sicherung vor Überströmen erforderlich ist.Durch Einfügen eines Widerstands in Reihe mit der Ausgabe stellt der Regler sicher, dass der Strom innerhalb sicherer Grenzen gehalten wird, wodurch sowohl die Stromquelle als auch die angeschlossenen Geräte erhalten bleiben.Eine solche Methode steigert bemerkenswert die Langlebigkeit und Zuverlässigkeit der Geräte.
Die Anpassungsfähigkeit des LM317 erweitert sein Dienstprogramm auf Motorcontroller, wobei die Spannung für Gleichstrommotoren in Robotik- und Automatisierungseinstellungen reguliert wird und eine präzise Motorschleed -Steuerung bietet.Dieser Regler erleichtert reibungslose Übergänge in der Beschleunigung und Verzögerung, die besonders für Anwendungen verwendet wird, die präzise Bewegungen fordern, z. B. in Roboterarmen oder CNC -Maschinen.Die Effizienz bei der Bereitstellung einer stabilen Motorfunktion unter Änderungslastbedingungen betont die Praktikabilität in unterschiedlichen industriellen Szenarien.
Trotz seiner robusten Merkmale erfordert die 2,5 -V -Abbrecherspannung des LM317 eine sorgfältige Bewertung.Dieser Aspekt beeinflusst möglicherweise seine Anwendung in Szenarien mit niedrigen Spannung, in denen das Differential für Eingabe-zu-Ausgänge minimal sein muss.Sie müssen überprüfen, ob die Eingangsspannung den gewünschten Ausgang um zumindest diesen Tropfenwert übertrifft, um einen effektiven Betrieb zu gewährleisten.In Fällen, in denen die Abbrecherspannung die Funktionalität einschränken kann, könnte die Berücksichtigung alternativer Regulierungsbehörden mit niedrigem Dropout (LDO) angemessener sein und technische Notwendigkeiten mit kreativen Lösungen in Einklang bringen.
Der LM317 findet in verschiedenen Unterhaltungselektronik wie PCs und DVD -Spielern weit verbreitet.Seine Zuverlässigkeit und Einfachheit sind die Stromversorgungsaufgaben mit Strom, wobei die Leistung von Strom bis hin zu Logikschaltungen bis hin zur Stabilisierung der Spannung für empfindliche Komponenten gewährt wird.Diese Vielseitigkeit unterstreicht die Rolle des LM317 bei der Erhöhung der Geräteleistung und -zuverlässigkeit und trägt zur ununterbrochenen Funktion der Haushaltsgeräte bei.
Die einstellbare Ausgangsfunktion des LM317 ermöglicht es ihm, trotz Schwankungen der Eingangsspannung oder Lastbedingungen einen konsistenten Spannungsausgang aufrechtzuerhalten, um sicherzustellen, dass empfindliche elektronische Geräte zuverlässig funktionieren.Die Spannungsregulierung spielt eine Rolle bei Anwendungen wie Batterielächern und tragbaren Geräten.Ein stabiles Spannungsniveau kann die Akkulaufzeit verlängern und die Leistung der Geräte verbessern.
Die Strombegrenzung ist der Schlüssel zur Verhinderung von Überstrombedingungen, die Schaltkomponenten schädigen könnten.Durch die automatische Anpassung zur Verwaltung des Stromflusses dient es als effizienter Schutzschild vor unbeabsichtigten Szenarien mit hohem Strom.In den praktischen Umgebungen ist es in Schaltkreisen erforderlich, die eine Vielzahl von Komponenten mit unterschiedlichen Strombewertungen enthalten und einen sicheren und optimalen Betrieb ohne Überhitzung oder Misserfolg beibehalten.
Der Polaritätsschutz befasst sich mit häufigen Problemen wie falschen Stromversorgungsverbindungen, die häufig während des Produktprototyps oder zur Routineanpassung auftreten.Der Schaltungsdesign und die Wartung zeigen den Wert des Polaritätsschutzes bei der Gewährleistung einer langfristigen Haltbarkeit und der zuverlässigen Leistung unter unterschiedlichen operativen Umständen.

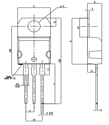
TO-220 (Single-Gauge) -Paketinformationen

Mechanische Daten zu 220 (Einzelmesswerte)
Stmicroelectronics steht in der Halbleiterindustrie prominent und bereichert die Entwicklung und Kreativität von Systeme on Chip (SOC) -Technologie.Die Auswirkungen des Unternehmens erstrecken sich über verschiedene Mikroelektronikanwendungen, beeinflussen die globalen Industrien und die Förderung der Mischung verschiedener Technologien.STMICROELECTRONICS ist für seine Fortschritte in SOC -Lösungen bekannt und verschmelzen verschiedene Funktionen auf einen einzelnen Chip.Diese Integration zielt darauf ab, die Leistung zu verbessern, den Stromverbrauch zu senken und die Gesamtgröße des Systems zu verkleinern.Das Engagement der Stmicroelektronik für Innovation führt die Erforschung neuer Bereiche in der Mikroelektronik vor und fördert eine kontinuierliche Entwicklung von Fähigkeiten.Ihre Forschungs- und Entwicklungsinitiativen zielen nicht nur darauf ab, aktuelle Technologien zu verbessern, sondern auch neue Modelle zu formulieren, die moderne Themen wie nachhaltige Entwicklung und Energieeinsparung angehen.
Bitte senden Sie eine Anfrage, wir werden sofort antworten.
Im Gegensatz zum LM337 bietet der LM317 einen einstellbaren Ausgang, der viele im Bereich Elektronik fesselt.Es vereinfacht das Schaltungsdesign und verbessert die Regulierungsmerkmale, die die Suche nach zuverlässigen Leistungsmanagementlösungen ansprechen.Seine Anpassungsfähigkeit macht es oft zu einer bevorzugten Wahl in benutzerdefinierten Netzteilen, die für seine zuverlässige Leistung bewertet werden.
Die Fähigkeit des LM317, variable Spannungsausgänge bereitzustellen, wird hoch geschätzt.Es wird häufig in Anwendungen mit spezifischen Strom-, Eingangs- und Lastanforderungen verwendet.Diese komplizierten Anforderungen werden häufig sowohl in industriellen Umgebungen als auch in DIY -Projekten erfüllt, bei denen eine Präzisionsspannungsregelung erforderlich ist, um die gewünschten Ergebnisse effizient zu erzielen.
Obwohl gelegentlich als Triode missverstanden, dient der LM317 als einstellbarer Anodenspannungsregler.Dieser besondere Fokus auf die Spannungsregelung ist in verschiedenen Anwendungen wie Labornetze oder Batterieladegeräte wichtig, bei denen eine stetige Ausgabe unter schwankenden Eingangsbedingungen erforderlich ist.
Der LM317T unterscheidet sich, indem sie in einem TO-220-Plastikpaket untergebracht ist und Funktionen wie eine verbesserte Haltbarkeit und einfachere Montage bietet.Diese Eigenschaften werden in Situationen erfolgen, in denen das effektive Verwalten von Wärme und das Erhalten von Raum unerlässlich ist, wodurch diese Variante in Szenarien beliebt ist, die eine effiziente thermische Leistung erfordern.
Während der feste Ausgang der LM78XX -Serie mit der einstellbaren Regulation des LM317 kontrastiert, erscheint die Flexibilität des letzteren in Schaltkreisen, die sich an die Wechselspannungsbedürfnisse anpassen müssen.Eine solche Anpassungsfähigkeit ist nützlich für das Entwerfen von Systemen, die gut auf experimentelle oder dynamische technologische Umgebungen reagieren und einen klaren Vorteil gegenüber seinen festen Gegenstücken bieten.
auf 2024/11/19
auf 2024/11/19
auf 8000/04/18 147780
auf 2000/04/18 112042
auf 1600/04/18 111352
auf 0400/04/18 83798
auf 1970/01/1 79604
auf 1970/01/1 66982
auf 1970/01/1 63113
auf 1970/01/1 63048
auf 1970/01/1 54097
auf 1970/01/1 52199