
Der Lm339n ist ein vielseitiger Quad -Spannungs -Komparator, der sowohl für Einzel- als auch für zwei Versorgungsvorgänge ideal ist und sich mühelos an eine breite Spannungsdifferential von 2 V bis 36 V anpasst.Dies wird sichergestellt, indem der VCC auf einer Stufe von 1,5 V über der Eingangsmodusspannung aufrechterhalten wird.Die Fähigkeit, den Stromverbrauch effizient über verschiedene Versorgungsspannungen hinweg zu verwalten, verbessert seine Attraktivität.Darüber hinaus ermöglichen die Open-Collector-Ausgaben Kabel und Verbindungen und erweitern ihren Bereich potenzieller Anwendungen erheblich.
Die Entwurfspezifität macht die LM339N für einzelne und zwei Versorgungsanwendungen eindeutig anpassbar und bietet Flexibilität in einer Vielzahl von Einstellungen.In regulatorischen Systemen, bei denen Stabilität und Präzision tief bewertet werden, wie z. B. industrielle Automatisierung oder Telekommunikation, erfüllen Spannungsvergleiche wie das LM339N eine wichtige Funktion.Diese Domänen profitieren von der Fähigkeit der Komponente, wesentliche Spannungsverschiebungen zu bewältigen, ohne die Stabilität zu verlieren.In den Szenarien priorisierende Systemstabilität stellt der stetige Stromverbrauch des LM339N eine unerschütterliche Leistung inmitten von Spannungsschwankungen sicher.

|
Pin -Nr. |
Pin -Name |
Beschreibung |
|
1 |
1out |
Ausgangsstift des Komparators 1 |
|
2 |
2OUT |
Ausgangsstift des Komparators 2 |
|
3 |
VCC |
Lieferstift |
|
4 |
2in- |
Negativer Eingangsstift des Komparators 2 |
|
5 |
2in+ |
Positiver Eingangsstift des Komparators 2 |
|
6 |
1in- |
Negativer Eingangsstift des Komparators 1 |
|
7 |
1in+ |
Positiver Eingangsstift des Komparators 1 |
|
8 |
3in- |
Negativer Eingangsstift des Komparators 3 |
|
9 |
3in+ |
Positiver Eingangsstift des Komparators 3 |
|
10 |
4in- |
Negativer Eingangsstift des Komparators 4 |
|
11 |
4in+ |
Positiver Eingangsstift des Komparators 4 |
|
12 |
GND |
Boden |
|
13 |
4out |
Ausgangsstift des Komparators 4 |
|
14 |
3OUT |
Ausgangsstift des Komparators 3 |

LM339n Symbol

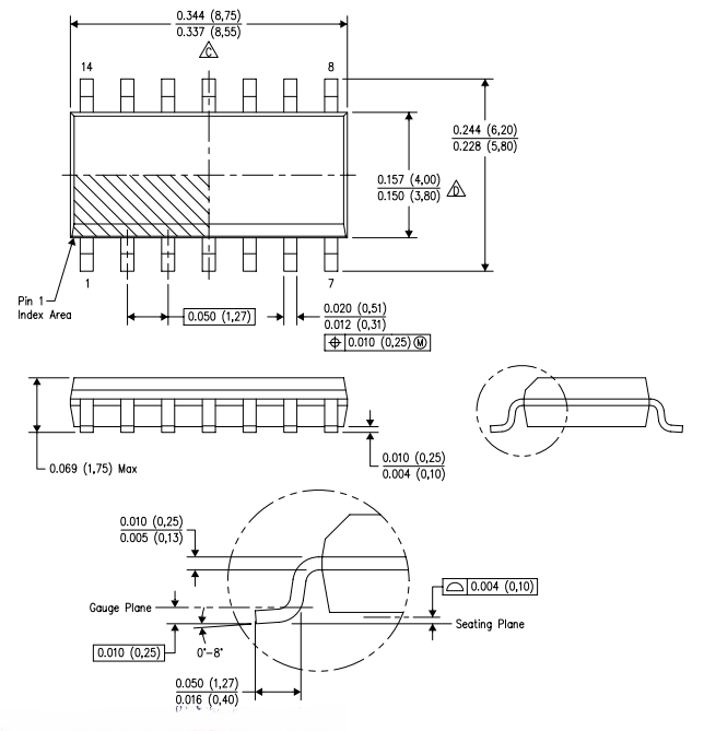
LM339N Footprint

LM339N CAD -Modell
• Weitstrafe: Unterstützt 2V - 36 V (Einzelversorgung) und 1V - 18 V (Doppelversorgung), wodurch es an verschiedene Schaltungsdesigns anpassbar ist.
• Hohe Präzision: Verfügt über eine niedrige typische Offset-Spannung von 2MV, ideal für Hochschulanwendungen wie empfindliche Messsysteme.
• Niedriger Stromverbrauch: Arbeitet mit einem Versorgungsstrom von nur 1,1 mA, der für batteriebetriebene und energieeffiziente Geräte geeignet ist.
• Minimaler Verzerrungsstromfehler: Eingangsvorspannungsstrom von 25NA und Offsetstrom von ± 5NA verringern Fehler in Präzisionsschaltungen.
• Hocheingangsspannungshandhabung: Verwaltet gemeinsame Mode- und Differentialeingangsspannungen bis zur Versorgungsspannung, um die Stabilität gegen Eingangsschwankungen zu gewährleisten.
• Logikkreiskompatibilität: Arbeitet mit TTL, DTL, ECL, MOS und CMOS, vereinfacht die Integration über digitale Systeme hinweg und verringert die Notwendigkeit zusätzlicher Komponenten.
|
Typ |
Parameter |
|
Statischer Strom pro Kanal max.(ma) |
0,5 |
|
Ausgangsstrom min.(ma) |
6 |
|
Antwortzeit (niedrig bis hoch) (µs) |
0,3 |
|
Mindestbetriebsspannung (v) |
2 |
|
Maximale Betriebsspannung (v) |
30 |
|
Common-Mode-Eingangsspannungsbereich (VICR) min.(V) |
- - |
|
Common-Mode-Eingangsspannungsbereich (VICR) max.(V) |
3.5 |
|
Vollwertig |
NEIN |
|
Anzahl der Kanäle |
4
|
|
Paket/Temperatur (° C) |
PDIP-14 /0 ~ 70 |

• LM239n
• LM2901n
Der LM339N ist ein Eckpfeiler in der industriellen Automatisierungs- und Steuerungssysteme.Seine Hauptaufgabe ist es, die Spannungsniveaus mit Präzision und Auslöseraktionen auf der Grundlage vordefinierter Schwellenwerte zu vergleichen.Beispielsweise kann der LM339N in Herstellungsprozessen die Sensorausgaben überwachen und feststellen, ob bestimmte Bedingungen wie Temperatur, Druck oder Flüssigkeitsniveaus innerhalb sicherer Betriebsgrenzen liegen.Wenn eine Diskrepanz erkannt wird, initiiert das IC Korrekturaktionen wie Aktivierung von Alarmen, Stoppen von Maschinen oder die Einstellung von Steuerungsparametern.Die hohe Eingangsimpedanz und die Fähigkeit, bei niedrigen Spannungen zu arbeiten, machen es sehr anpassungsfähig an verschiedene industrielle Umgebungen, von großflächigen Fabriken bis hin zu kompakten Kontrollplatten.Durch die Gewährleistung eines stabilen Betriebs auch unter harten Bedingungen wie extremen Temperaturen oder elektrischen Rauschen unterstützt der LM339N Effizienz, Sicherheit und Zuverlässigkeit im Betrieb.
In Automobilanwendungen dient der LM339N als Schlüsselkomponente für die Überwachung und Steuerung mehrerer Systeme, die sowohl für die Leistung als auch für die Sicherheit gut sind.In Motormanagementsystemen hilft es beispielsweise bei der Überwachung von Sensordaten wie Sauerstoffspiegeln, Motortemperatur und Drosselposition, um sicherzustellen, dass der Motor effizient und innerhalb sicherer Grenzen arbeitet.Es eignet sich auch hervorragend für Beleuchtungssysteme, die Steuerung von Scheinwerfern, Innenbeleuchtung und Indikatorsignale.Das LM339N spielt eine Rolle bei Sicherheitsmechanismen wie Airbag-Einsatzsystemen und Anti-Lock-Bremssystemen (ABS), bei denen präzise Spannungsvergleiche mit der Erkennung potenzieller Probleme oder zur Aktivierung lebensrettender Antworten sein robustes Design und Zuverlässigkeit zu einer vertrauenswürdigen Auswahl für die Automobilentwicklung machenSysteme, die die Strenge von konstanter Bewegung, Schwingungen und schwankenden Temperaturen ertragen müssen.
Moderne Fahrzeuge verlassen sich auf Infotainment-Systeme und digitale Dashboards, um ein nahtloses und benutzerfreundliches Fahrerlebnis zu bieten.Der LM339N ist maßgeblich an diesen Systemen beteiligt und verbessert die Genauigkeit und Reaktionsfähigkeit der Datenverarbeitung in Infotainment -Einheiten und Instrumentencluster.In Multimedia -Systemen hilft es bei der Verwaltung von Eingängen aus verschiedenen Quellen wie Touchscreens, Sprachbefehls und Audio-/Videosignalen, um reibungslose Übergänge und zuverlässige Betrieb zu gewährleisten.In Dashboard -Clustern trägt es zur genauen Visualisierung von Informationen wie Geschwindigkeit, Kraftstoffniveaus, Motorstatus und Navigationsdaten bei.Durch die Aktivierung von Spannungsvergleiche und logischen Operationen stellt der LM339N sicher, dass diese Systeme ohne Verzögerungen oder Fehler funktionieren und sowohl die Bequemlichkeit als auch die Fahrzeugleistung verbessern.
Körpersteuerungsmodule sind zentral zur Verwaltung verschiedener elektrischer und elektronischer Funktionen in einem Fahrzeug, z. B. elektrische Fenster, zentrale Verriegelung, Sitzanpassungen und Innen-/Außenbeleuchtung.Der LM339N ist tief in diese Module integriert und wirkt als Komparator, der Eingangssignale von Schalter, Sensoren oder Controllern bewertet.Wenn beispielsweise ein Treiber die Taste drückt, um ein Fenster abzulegen, vergleicht das LM339N das Eingangssignal mit voreingestellten Bedingungen und bestimmt die entsprechende Antwort wie das Aktivieren des Motors, um das Fenster zu senken.Die Fähigkeit, bei geringer Leistung effizient zu arbeiten und mehrere Eingänge gleichzeitig zu verarbeiten, macht es ideal für diese Anwendungen.Darüber hinaus trägt seine Rolle bei der Gewährleistung einer sicheren und effizienten Leistungsverteilung über das BCM zur Verringerung der Wahrscheinlichkeit von Systemstörungen bei und verbessert damit die Gesamtvehikelzuverlässigkeit.
Netzteile sind das Rückgrat eines elektronischen Systems, und ihre Stabilität ist wichtig, um die ordnungsgemäße Funktionsweise von Komponenten sicherzustellen.Die LM339N zeichnet sich in der Überwachung der Stromversorgungsleitungen aus und verglichen die Eingangsspannungsniveaus mit vordefinierten sicheren Bereichen.Wenn die Spannung unter diesen Grenzen fällt oder über diese Grenzwerte steigt, kann das IC eine Antwort auslösen, z.Diese Fähigkeit ist in Anwendungen wie ununterbrochener Netzteile (UPS), Batterieladegeräte und erneuerbaren Energiesystemen wichtig, bei denen die Spannungsregulierung zur Aufrechterhaltung von Stabilität und zum Schutz von Geräten.Sein geringer Stromverbrauch und der breite Spannungsbereich machen den LM339N zu einer kostengünstigen und effizienten Lösung für Leistungsüberwachungsaufgaben.
Oszillatoren werden verwendet, um regelmäßige Signale zu erzeugen, die als zeitliche Referenzen in elektronischen Geräten dienen.Der LM339N wird üblicherweise bei der Gestaltung präziser Oszillatorschaltungen eingesetzt, da die Spannungsniveaus mit außergewöhnlicher Genauigkeit verglichen werden können.Beispielsweise kann es so konfiguriert werden, dass es Square Wave -Signale zur Verwendung in digitalen Uhren, Signalgeneratoren oder Frequenzmodulationssystemen erzeugt.Die Vielseitigkeit ermöglicht es auch, in Timer-Schaltungen zu funktionieren, in denen genaue Intervalle benötigt werden, um Prozesse wie Verzögerungsrelais, Puls-Width-Modulation (PWM) oder sequentielle Operationen in digitalen Systemen zu steuern.Der Hochgeschwindigkeitsbetrieb und die geringe Versatzspannung des LM339N tragen zur Stabilität und Genauigkeit dieser Oszillatoren bei.
Das Erkennen des Spitzenwerts eines Signals ist eine Funktion in vielen Mess- und Signalverarbeitungsanwendungen.Das LM339N kann die maximale Amplitude eines schwankenden Signals effizient identifizieren, indem sie die Eingangsniveaus vergleichen und den Spitzenwert für die weitere Analyse halten.Diese Funktion ist nützlich in Systemen wie der Verarbeitung von Audiosignalen, bei denen sie den lautesten Teil einer Audiowellenform für die Normalisierung der Lautstärke oder die Verhinderung der Verzerrung identifiziert.In ähnlicher Weise erleichtert das IC in Test- und Messgeräten genaue Messwerte, indem sie Spitzenwerte aus verrauschten oder sich schnell ändernden Signalen isolieren.Die Fähigkeit, sowohl in analogen als auch in digitalen Systemen effektiv zu arbeiten, verbessert den Nutzen in einer Vielzahl von Spitzenerkennungsszenarien.
Viele elektronische Systeme bestehen aus Komponenten, die mit unterschiedlichen Spannungsniveaus betrieben werden, wodurch die Spannungsübersetzung zur Gewährleistung von Verträglichkeit und konsistenter Leistung besteht.Der LM339N vereinfacht diesen Prozess, indem sie die Logikpegel vergleichen und Signale zwischen Schaltungsabschnitten mit unterschiedlichen Spannungsanforderungen übertragen.In einem gemischten Signalsystem, in dem einige Komponenten bei 3,3 V und anderen bei 5 V betrieben werden, stellt der LM339N beispielsweise sicher, dass die Signale ohne Verzerrung oder Verlust von Informationen genau umgewandelt werden.Diese Fähigkeit wird in Systemen wie Mikrocontrollern verwendet, bei denen Peripheriegeräte und Sensoren in unterschiedlichen Spannungsniveaus arbeiten können.Durch die Bereitstellung nahtloser Logikpegelübersetzung ermöglicht der LM339N eine reibungslose Kommunikation zwischen den Komponenten und hilft bei der Aufrechterhaltung der Gesamtsystemstabilität.





Texas Instruments (TI) ist ein führendes Halbleiterunternehmen mit über 30.000 Mitarbeitern in 35 Ländern.Seit der Erfindung der ersten funktionellen integrierten Schaltung im Jahr 1958 konzentriert sich TI auf die Gestaltung und Herstellung von analogen und eingebetteten Verarbeitungschips für Branchen wie Automobile, Telekommunikation und Elektronik.Der globale Erfolg von TI wird durch seine qualifizierten Arbeitskräfte, die als Tiers bekannt sind, angetrieben, die zusammenarbeiten, um komplexe Herausforderungen zu lösen und zuverlässige, modernste Produkte zu liefern.Ihre Arbeit hilft Branchen, sich weiterentwickelnden technologischen Anforderungen zu erfüllen und gleichzeitig Innovationen zu gestalten, die sich auf das tägliche Leben auswirken.Seit mehr als sechs Jahrzehnten bleibt TI an der Spitze des Semiconductor -Fortschritts.Die Fokussierung auf Innovation und Effizienz ermöglicht die Schaffung von Hochleistungsprodukten, die die Grenzen der in Siliziumbasis basierenden Technologie vorantreiben.Durch Innovation und Zusammenarbeit beeinflusst TI weiterhin Branchen und verbessert die Art und Weise, wie Menschen weltweit mit Technologie interagieren.
Mult -Dev -Datenblatt 11/dez/2018.pdf
Bitte senden Sie eine Anfrage, wir werden sofort antworten.
Das LM339N findet eine signifikante Verwendung in Schaltkreisen, die eine präzise Überwachung des Spannungsniveaus erfordern, da es mehrere Komparatoren in ein einzelnes Paket einbeziehen kann.Diese Funktion kombiniert mit seiner Effizienz des Stromverbrauchs für Geräte, die sich auf Batterien verlassen.Ein veranschaulichender Anwendungsfall ist in Null-Crossing-Detektoren, bei denen ein genauer Signalvergleich zur Aufrechterhaltung der Stabilität und des nahtlosen Betriebs von Systemen aufrechterhalten wird.Diese Genauigkeit ist nicht nur eine technische Anforderung, sondern verbessert die Gesamtsystemleistung.
Funktionell bewertet der LM339N die Spannungsniveaus an seinen Eingangsstiften und beschließt, einen überlegenen oder unteren Zustand entsprechend auszugeben.Dieser Prozess ähnelt, wie erste Erkennungsmechanismen in technologischen Bereichen subtile Abweichungen wahrnehmen und schnelle Reaktionen ermöglichen.Seine Architektur ist mit Split -Versorgungsvorgängen kompatibel, die die Integration in eine Vielzahl von Schaltungsaufbauten erleichtert und Anpassungsfähigkeit in einer Reihe von Spannungsumgebungen bietet und so die Anwendbarkeit erweitert.
Die LM339N und LM339 unterscheiden sich hauptsächlich durch ihre Spannungs -Betriebsbereiche und Verpackungsdesigns.Diese Variationen beeinflussen ihre Anpassung an bestimmte Projektbedürfnisse, z. B. begrenzte Raum oder unterschiedliche thermische Leistungsbedingungen.Die Auswahl einer geeigneten Paketkonfiguration kann die Langlebigkeit und Effektivität des Endprodukts verbessern und Entwurfsentscheidungen in wirkungsvolle technische Ergebnisse verwandeln.
Ein Komparator führt eine Bewertung seiner Eingänge durch und gibt ein binäres Signal basierend auf ihren relativen Größen aus.Dies ist parallel zu Entscheidungsprozessen, bei denen binäre Ergebnisse nachfolgende Maßnahmen vorantreiben.Die Binärausgabe ist eine Kreuzung für digitale Schaltkreise, die die folgenden Operationen formt und eine kohärente und synchronisierte Systemfunktionalität sicherstellt.Es fungiert als Eckpfeiler im nahtlosen Fluss eines digitalen Designs und verstärkt die geordnete Ausführung von Aufgaben.
auf 2024/12/5
auf 2024/12/5
auf 8000/04/18 147758
auf 2000/04/18 111938
auf 1600/04/18 111349
auf 0400/04/18 83721
auf 1970/01/1 79508
auf 1970/01/1 66914
auf 1970/01/1 63059
auf 1970/01/1 63012
auf 1970/01/1 54081
auf 1970/01/1 52131