
Der LM393n wird als flexibler doppelter unabhängiger niedriger Spannungsvergleich gearbeitet, der für Szenarien geeignet ist, die von einzelnen Versorgungsvorgängen in einem breiten Spannungsbereich profitieren.Das Design bietet Platz für die Verwendung von Split Supply und bietet eine vielseitige Lösung für unterschiedliche elektrische Konfigurationen.Der Spannungsbereich für Eingabe-Common-Mode-Spannungen erstreckt sich insbesondere in die Bodenniveau, selbst innerhalb einer einzigen Versorgungsumgebung, die seine Fähigkeit veranschaulicht, sich an anspruchsvolle Leistungssituationen anzupassen.
Innerhalb seines strukturellen Designs unterstützt der LM393N zahlreiche Anwendungen.Diese erstspenst von batteriebetriebenen Geräten bis hin zu komplizierteren Systemen, bei denen die Stabilität unter Änderungsstrombedingungen gewünscht wird.In den tatsächlichen Kontexten können Sie häufig ein Vertrauensgefühl mit solchen Komponenten erleben und sich darauf verlassen, dass sie die Zuverlässigkeit in eingebetteten Systemen inmitten instabiler Stromversorgung schützen.
Die LM393 -Serie enthält die LM393DRAnwesend LM393mAnwesend LM393dAnwesend LM331N, Und LM393mx Varianten, die jeweils unterschiedliche Funktionen bedienen.Diese Modelle richten sich mit den spezifischen Anforderungen und verbessern die Entwurfseffizienz und die Anpassung an projektspezifische Anforderungen.Die Auswahl der richtigen Variante kann einen bemerkenswerten Einfluss auf den Integrationsprozess und die Gesamtleistung der elektronischen Konfiguration haben.




|
Besonderheit |
Spezifikation |
|
Versorgungsspannungsbereich |
+2 V bis +36 V (einzelner Supply) oder ± 1 V bis ± 18 V (Dual
liefern) |
|
Versorgungsstrom |
0,45 mA unabhängig von der Versorgungsspannung (1 MW/Komparator bei
+5 V) |
|
Eingangsvorspannungsstrom |
20 na (typisch) |
|
Eingabeversatz Strom |
± 3 na (typisch) |
|
Eingangsversatzspannung |
± 1 mV (typisch) |
|
Eingangsspannungsbereich für Common-Mode |
Beinhaltet Boden |
|
Ausgangssättigungsspannung |
80 mV (typisch, isink = 4 mA) |
|
Differentialeingangsspannungsbereich |
Gleich der Versorgungsspannung |
|
Ausgangskompatibilität |
TTL, DTL, ECL, MOS, CMOS -kompatibel |
|
Typ |
Parameter |
|
Montagetyp |
Durch Loch |
|
Paket / Fall |
8-DIP (0,300, 7,62 mm) |
|
Oberflächenhalterung |
NEIN |
|
Anzahl der Elemente |
2 |
|
Betriebstemperatur |
0 ° C ~ 70 ° C. |
|
Verpackung |
Rohr |
|
JESD-609 Code |
E3 |
|
Teilstatus |
Veraltet |
|
Feuchtigkeitsempfindlichkeit (MSL) |
1 (unbegrenzt) |
|
Anzahl der Terminen |
8 |
|
ECCN -Code |
Ear99 |
|
Typ |
Allgemeiner Zweck |
|
Terminal Finish |
Matte Zinn (SN) - getempert |
|
Endposition |
DUAL |
|
Peak -Reflow -Temperatur (CEL) |
NICHT ANGEGEBEN |
|
Anzahl der Funktionen |
2 |
|
Versorgungsspannung |
5v |
|
Zeit@Peak Reflow Temperatur-Max (s) |
NICHT ANGEGEBEN |
|
Basisteilnummer |
LM393 |
|
Stiftanzahl |
8 |
|
JESD-30-Code |
R-PDIP-T8 |
|
Qualifikationsstatus |
Nicht qualifiziert |
|
Ausgangstyp |
CMOS, DTL, ECL, MOS, Open-Collector, TTL |
|
Netzteile |
5v |
|
Ansprechzeit |
1300 ns |
|
Spannung - Versorgung, Single/Dual (±) |
2 V ~ 36 V ± 1 V ~ 18 V |
|
Durchschnittlicher Vorspannungsstrommax (IIB) |
0,4 μA |
|
Versorgungsspannungsbegrenzung |
36 V |
|
Strom - ruhend (max) |
2,5 mA |
|
Spannung - Eingangsversatz (max) |
5mv @ 30v |
|
Strom - Eingangsverzerrung (max) |
0,25 μA @ 5V |
|
Strom - Ausgang (Typ) |
18ma @ 5v |
|
Höhe sitzen (max) |
5.33 mm |
|
ROHS -Status |
ROHS3 -konform |

Der LM393N-Komponenten stammt als komplexe und effiziente Komponente, die in verschiedenen praktischen Bereichen verwendet wird, insbesondere in Umgebungen, die durch die Anforderungen batteriebetriebener und industrieller Systeme gekennzeichnet sind.
Der Ansatz des LM393N zum Energieverbrauch und die Genauigkeit richtet sich an batteriebetriebene Geräte.In der Welt der tragbaren Elektronik kann das Erreichen einer heiklen Harmonie zwischen Energieeffizienz und Leistung Ihre Zufriedenheit und Ihre Geräteattraktivität zutiefst beeinflussen.Die LM393N zeichnet sich aus, indem sie genaue Spannungsvergleiche mit minimalem Energieabfluss bereitstellen und so die Langlebigkeit der Batterie verlängern.Sie können seine Fähigkeiten häufig nutzen, um Schaltkreise zu entwerfen, die den Batteriestatus wachsam überwachen, um rechtzeitig aufzuladen und sich vor übermäßiger Verarmung zu schützen.Diese Schlüsselrolle untermauert die unerschütterliche Zuverlässigkeit des Geräts über längere Nutzungszeiträume.
Innerhalb der Industrielandschaft wird der LM393N für seine Robustheit und konsequente Leistung geschätzt, die unter den anspruchsvollen Bedingungen für die Aufrechterhaltung von Operationen verwendet werden.Die Integration in automatisierte Systeme hilft bei der Signalverarbeitung und verbessert die Entscheidungsfunktionalitäten.Beispielsweise vergleicht der LM393N in Temperaturkontrollsystemen Temperaturmessungen mit der Einstellung von Benchmarks und dem Auslösen von Kontrollprozessen asseptisch, um die gewünschten Umgebungsbedingungen aufrechtzuerhalten.Die Fähigkeit, konsequent über unterschiedliche Umstände in Bezug auf die Umstände zu leisten, sorgt für die Stabilität und Betriebseffizienz in automatisierten Rahmenbedingungen.Die tatsächlichen Anwendungen betonen die Bedeutung zuverlässiger Komponenten wie dem LM393N für die Unterstützung der Kontinuität des industriellen Systems.


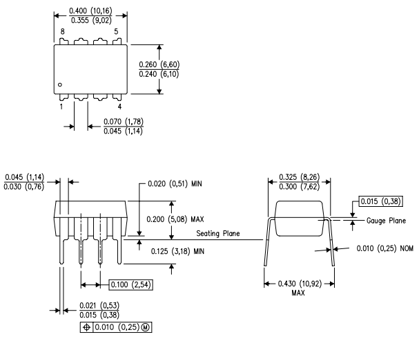
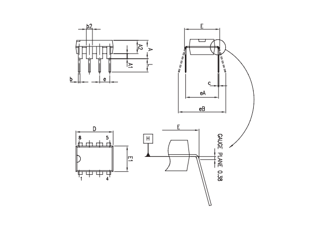
Mechanische Daten


Die Stmicroelectronics stammt in der Welt der Halbleiter, indem es eine Vielzahl von ausgefeilten Lösungen, die auf verschiedene Mikroelektronik -Anwendungen zugeschnitten sind, zugeschnitten sind.Das Unternehmen zeichnet sich in Siliziumtechnologien aus, und seine umfangreichen Fertigungskompetenzen machen es zu einem führenden Anbieter von System-on-Chip-Innovationen, eine Domäne, die sich mit modernen technologischen Fortschritten verbindet.Stmicroelectronics stützt sich aus einem umfangreichen Repository von geistigem Eigentum und fördert strategische Partnerschaften und verbessert seinen Fußabdruck auf dem Markt.
Die tiefsitzende Kenntnis von Stmicroelectronics über Siliziumtechnologien dient als Kern seines Designs und seiner Herstellung.Diese Grundlage unterstützt die Entwicklung von hocheffizienten Chips und wird die herausfordernden Parameter verschiedener Anwendungen geschickt erfüllt.Das Know-how in Silizium ermöglicht die Schaffung von Unterhaltungselektronik, die Zuverlässigkeit und Energieeffizienz bieten und so die Einführung zeitgenössischer Geräte fördern, die die täglichen Erfahrungen verändern.
LM193, A LM293, A-LM393, A.PDF
Bitte senden Sie eine Anfrage, wir werden sofort antworten.
Die LM393N und LM393P zeigen eine konsistente Leistung über Anwendungen hinweg.Der Hauptunterschied liegt in ihrer Verpackung: Das LM393N ist in ein doppelter Inline-Kunststoffformat eingeschlossen, während der LM393P in einem einzigen Inline-Paket ausgestattet ist.Die Verpackungsentscheidung kann sich auf räumliche und Designüberlegungen auswirken und die Anwendungsentscheidungen beeinflussen.
Über die Verpackung hinaus sind ihre Unterschiede minimal, da beide ein DIP-8-Paket erfordern.Die Auswahl hängt häufig von bestimmten Anwendungsanforderungen ab, bei denen die Verpackung zu einer bemerkenswerten Determinante wird.
Der LM393N arbeitet als Dual-Volt-Vergleicher.Wenn der (-) Eingang bei 2,5 V liegt, bleibt der Ausgang niedrig, wenn der (+) Eingang unter 2,5 V, jedoch über 2MV liegt.Es bleibt niedrig, wenn der (+) Eingang mehr als 2mV niedriger ist als der (-) Eingang.Wenn der (+) Eingang die (-) um mehr als 2 mV überschreitet, ist der Ausgang hoch.Dieser Mechanismus wird häufig in Szenarien verwendet, die einen präzisen Spannungsvergleich erfordern, was die genaue Art des elektronischen Designs widerspiegelt.
Der LM393N -Markt hat kürzlich eine stabile Preise beibehalten, die von reichlich Inventar und laufenden Transaktionen belegt wurden.Lieferanten liefern konsistente Zitate und signalisieren eine robuste Marktpräsenz.Das Verständnis dieser Trends hilft bei der Erstellung effektiver Beschaffungsstrategien.
Die LM193, LM293 und LM2903 sind als praktikabler Ersatz für die LM393N.Sie werden als Doppelspannungs-Komparator-ICS fungieren und können ohne bemerkenswerte Änderungen am Systemdesign eingebaut werden.Diese Alternativen bieten Entwurfsflexibilität und spiegeln die Leistungsstandards auf und spiegeln ein Verständnis der genauen Anforderungen der Komponentenauswahl wider.
auf 2024/11/8
auf 2024/11/8
auf 8000/04/18 147758
auf 2000/04/18 111938
auf 1600/04/18 111349
auf 0400/04/18 83721
auf 1970/01/1 79508
auf 1970/01/1 66914
auf 1970/01/1 63061
auf 1970/01/1 63012
auf 1970/01/1 54081
auf 1970/01/1 52131