
Die EPM7128SQI100-10 ist ein programmierbares Logikgerät, das für die Bewältigung kundenspezifischer digitaler Steuerungs- und Schnittstellenaufgaben innerhalb elektronischer Systeme entwickelt wurde.Es enthält 128 Logikelemente, die die Kombination mehrerer Logikfunktionen in einer einzigen Komponente ermöglichen, was dazu beiträgt, Schaltungslayouts zu vereinfachen und die Anzahl der Teile zu reduzieren.Das Gerät unterstützt eine schnelle Logikreaktion, die für Timing-Steuerung, Signalrouting und entscheidungsbasierte Operationen geeignet ist.Sein oberflächenmontierbares 100-Pin-Gehäuse ermöglicht die Integration in kompakte Platinendesigns und sorgt gleichzeitig für eine stabile elektrische Leistung.Zu den häufigen Anwendungen gehören Klebelogik, Zustandskontrolle, Adressdekodierung und Schnittstellenanpassung in industriellen und eingebetteten Anwendungen.Suchen Sie nach EPM7128SQI100-10?Kontaktieren Sie uns, um den aktuellen Lagerbestand, die Lieferzeit und die Preise zu überprüfen.

Die Pin-Anordnung wird für das 84-Pin-PLCC-Gehäuse angezeigt, wobei Signalnamen und Pin-Nummern gleichmäßig auf allen vier Seiten des Geräts verteilt sind.Benutzer-I-O-Pins belegen die meisten Positionen und sind mit dedizierten Strom-, Erdungs- und Steuerpins durchsetzt, um einen stabilen Betrieb zu unterstützen.VCC- und GND-Pins sind in regelmäßigen Abständen platziert, um eine gleichmäßige Stromverteilung im gesamten Gehäuse zu gewährleisten.Dedizierte Pins für globale Takt-, Ausgangsfreigabe- und JTAG-Funktionen sind deutlich gekennzeichnet, um sie von Allzweck-E/A zu unterscheiden. Das Diagramm spiegelt ein standardisiertes Layout wider, das vorhersehbare Signalführung, vereinfachtes Platinendesign und Kompatibilität mit verwandten Geräten der MAX 7000-Serie unterstützt.
Der EPM7128SQI100-10 unterstützt die Logikprogrammierung direkt bei der Montage auf der Leiterplatte.Dadurch sind Logikaktualisierungen während der Entwicklung oder nach der Bereitstellung möglich, ohne dass das Gerät entfernt werden muss.Es hilft, Ausfallzeiten zu reduzieren und vereinfacht Revisionen, wenn das Systemverhalten angepasst werden muss.
Das Gerät verfügt über 128 Makrozellen, die die Implementierung mehrerer Logikfunktionen in einer einzigen Komponente ermöglichen.Diese Kapazität unterstützt Steuerlogik, Dekodierungsaufgaben und Schnittstellenhandhabung und reduziert gleichzeitig den Bedarf an zusätzlichen diskreten Logikgeräten.
Acht interne Logik-Array-Blöcke organisieren die Logikressourcen auf vorhersehbare Weise.Diese Struktur unterstützt eine stabile Signalweiterleitung und ein konsistentes Logikverhalten über verschiedene Betriebsbedingungen hinweg.
Mit etwa 2500 nutzbaren Logikgattern kann das Gerät Zustandsmaschinen, Zeitsteuerung und benutzerdefinierte digitale Funktionen unterstützen.Dieser Integrationsgrad trägt zur Vereinfachung des Platinenlayouts bei und verringert die Gesamtzahl der Komponenten.
Das Gerät unterstützt bis zu 84 vom Benutzer konfigurierbare Eingangs- und Ausgangspins.Diese Flexibilität ermöglicht die Schnittstelle zu einer Vielzahl externer Signale, Busse und Peripheriegeräte in eingebetteten Systemen.
Eine maximale Ausbreitungsverzögerung von 10 ns ermöglicht es dem Gerät, schnell auf Eingangsänderungen zu reagieren.Dadurch eignet es sich für Anwendungen, die ein vorhersehbares Timing und eine reaktionsschnelle digitale Steuerung erfordern.
Das Gerät ist für den zuverlässigen Betrieb in einem industriellen Temperaturbereich ausgelegt.Dies ermöglicht eine stabile Leistung in Umgebungen, in denen Temperaturschwankungen zu erwarten sind, z. B. in Steuerungssystemen und in der Industrieelektronik.
| Produktattribut | Attributwert |
| Hersteller | Intel |
| Spannungsversorgung – Intern | 4,5 V ~ 5,5 V |
| Gerätepaket des Lieferanten | 100-PQFP (20x14) |
| Serie | MAX® 7000S |
| Programmierbarer Typ | Im System programmierbar |
| Paket/Koffer | 100-BQFP |
| Paket | Tablett |
| Betriebstemperatur | -40°C ~ 85°C (TA) |
| Anzahl der Makrozellen | 128 |
| Anzahl der Logikelemente/Blöcke | 8 |
| Anzahl der E/A | 84 |
| Anzahl der Tore | 2500 |
| Montageart | Oberflächenmontage |
| Verzögerungszeit tpd(1) Max | 10 ns |
| Basisproduktnummer | EPM7128 |

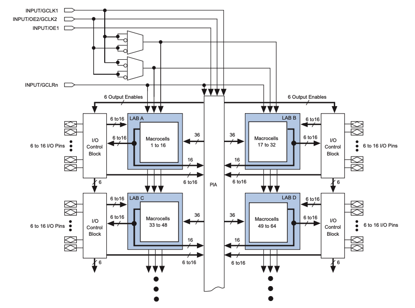
Die interne Architektur ist um mehrere Logik-Array-Blöcke herum angeordnet, von denen jeder eine definierte Gruppe von Makrozellen enthält, die zur Implementierung kombinatorischer und registrierter Logikfunktionen verwendet werden.Diese Logik-Array-Blöcke sind über ein zentrales programmierbares Verbindungs-Array miteinander verbunden, das eine Signalweiterleitung zwischen Blöcken mit vorhersehbarem Zeitverhalten ermöglicht.Dedizierte I/O-Steuerblöcke umgeben die Logik-Array-Blöcke und verwalten Eingangspufferung, Ausgangsansteuerung, Tri-State-Steuerung und Rückkopplungspfade zwischen externen Pins und interner Logik.Globale Ressourcen, darunter Takteingänge, Ausgangsfreigabesignale und ein globales Löschsignal, werden über das Gerät verteilt, um den synchronen Betrieb und die koordinierte Steuerung der Ausgänge zu unterstützen.Diese Struktur spiegelt die vom EPM7128SQI100-10 verwendete Organisation wider, die mehrere Logik-Array-Blöcke und Makrozellen integriert, um programmierbare Logik mittlerer Dichte mit deterministischer Signalweiterleitung und zentralisierten Steuerpfaden zu unterstützen.

Die Logik innerhalb einer einzelnen Makrozelle ist um eine Produktterm-Auswahlmatrix herum organisiert, die Eingangssignale vom programmierbaren Verbindungsarray und lokalen Logikexpandern empfängt.Mehrere Produktterme werden kombiniert, um eine Produktsummenlogik zu bilden, die entweder einen kombinatorischen Ausgang oder ein programmierbares Register ansteuern kann.Das Register umfasst Taktfreigabe-, Lösch-, Voreinstellungs- und Bypass-Pfade und ermöglicht so eine flexible Auswahl zwischen registriertem und nicht registriertem Betrieb.Globale Takt- und globale Löschsignale werden direkt in die Makrozelle geleitet, um eine synchrone Steuerung im gesamten Gerät zu unterstützen.Ausgangsdaten werden an den E/A-Steuerblock weitergeleitet oder in das Verbindungsarray zurückgeführt, was die Wiederverwendung von Logikergebnissen und eine effiziente Signalverteilung innerhalb des EPM7128SQI100-10 ermöglicht.

Die Testkonfiguration definiert die elektrischen Bedingungen, die für AC-Timing-Messungen verwendet werden, indem ohmsche Lasten, kapazitive Lasten und Signalpfade zwischen dem Gerät und dem Testsystem angegeben werden.Der Geräteausgang ist über einen Pull-Up-Widerstand mit VCC und über ein definiertes Lastnetzwerk, das das Verhalten des Ausgangsantriebs während des Schaltens modelliert, mit Masse verbunden.Ein Kondensator repräsentiert die gesamte Lastkapazität, einschließlich der Auswirkungen der Vorrichtung, während der Testsystemanschluss Signalübergänge überwacht.Die Anstiegs- und Abfallzeiten des Eingangs sind auf weniger als 3 ns beschränkt, um konsistente Messbedingungen sicherzustellen.Der Aufbau spiegelt wider, wie Versorgungstransienten und Erdstrom die beobachtete Wechselstromleistung beeinflussen können, und legt standardisierte Bedingungen für die Timing-Charakterisierung des EPM7128SQI100-10 fest.
Der EPM7128SQI100-10 wird häufig in industriellen Steuerungsumgebungen verwendet, um Sequenzierung, Verriegelungslogik und Signalkoordination zu verwalten.Es hilft bei der Verwaltung der Eingangsbedingungen von Sensoren und Schaltern und generiert gleichzeitig stabile Steuersignale für Aktoren und Steuermodule.Seine programmierbare Struktur ermöglicht die Anpassung des Regelverhaltens an sich ändernde Systemanforderungen.
In Telekommunikationsgeräten unterstützt das Gerät Steuerpfade, die Timing, Signalrouting und Schnittstellenkoordination verwalten.Es wird häufig zum Organisieren von Steuersignalen zwischen Verarbeitungseinheiten und Kommunikationsschnittstellen verwendet und trägt dazu bei, einen geordneten Datenfluss innerhalb der Schalt- und Übertragungshardware aufrechtzuerhalten.
Das Gerät wird als Klebelogik in Netzwerkhardware eingesetzt, um Prozessoren, Speichergeräte und Peripheriekomponenten zu verbinden.Es unterstützt Adressdekodierung, Busarbitrierung und Signalausrichtung und ermöglicht so den gemeinsamen Betrieb verschiedener digitaler Blöcke in kompakten Netzwerksystemen.
In eingebetteten Systemen stellt der EPM7128SQI100-10 Schnittstellenlogik zwischen Controllern und externen Geräten bereit.Es wird zur Adressdekodierung, Steuersignalerzeugung und grundlegenden Protokollverarbeitung verwendet und trägt dazu bei, das Systemdesign zu vereinfachen und die Anzahl diskreter Logikkomponenten zu reduzieren.
Das Gerät eignet sich gut für ältere Computerplattformen und Instrumentierungssysteme, die einen stabilen Logikersatz erfordern.Es kann ältere diskrete Logikfunktionen in einem einzigen programmierbaren Gerät konsolidieren und gleichzeitig die Kompatibilität mit vorhandenen Signalpegeln und Zeitverhalten wahren.
Der EPM7128SQI100-10 wird zur Implementierung von Protokollbridging und Zustandsmaschinen verwendet, die strukturierte digitale Prozesse verwalten.Es unterstützt definierte Zustandsübergänge und Steuerungssequenzen und eignet sich daher für die Koordination von Kommunikations- und Steuerungsaufgaben über verschiedene Systemblöcke hinweg.
• Unterstützt Aktualisierungen der Systemlogik, ohne dass das Gerät von der Platine entfernt werden muss
• Bietet 128 Makrozellen, die für mittelgroße Steuerungs- und Schnittstellenlogik geeignet sind
• Bietet vorhersehbares Timing mit einer maximalen Ausbreitungsverzögerung von 10 ns
• Betrieb über einen industriellen Temperaturbereich für stabile Feldleistung
• Enthält eine große Anzahl benutzerkonfigurierbarer Eingangs- und Ausgangspins für flexible Schnittstellen
• Wird mit einer 5-V-Versorgung betrieben, was die Kompatibilität mit Systemen mit niedrigerer Spannung einschränkt
• Die Logikkapazität ist im Vergleich zu neueren programmierbaren Logikgeräten geringer
• Der Stromverbrauch ist höher als bei modernen programmierbaren Alternativen mit geringem Stromverbrauch
• Die Paketgröße eignet sich möglicherweise nicht für sehr kompakte oder platzbeschränkte Designs
| Teilenummer | Hersteller | Hauptmerkmale | Anwendungsfall/Hinweise |
| EPM7128SQI100-10N | Intel | 128 Makrozellen mit systeminterner Programmierbarkeit, internem 5-V-Versorgungsbereich und schneller maximaler Ausbreitungsverzögerung von 10 ns in einem oberflächenmontierbaren Gehäuse. | Wird in digitalen Klebelogik-, Steuerlogik- und Schnittstellenanwendungen verwendet, die ein zuverlässiges Timing und eine moderate Logikdichte erfordern. |
| EPM7128SQI160-10 | Intel | Gleiche 128-Makrozellen-Architektur mit 10-ns-Geschwindigkeitsstufe, angeboten in einem Paket mit größerer Pinzahl für erweiterte Routing-Flexibilität. | Gut geeignet für Designs, die zusätzlichen I/O-Zugriff oder Kompatibilität mit vorhandenen Platinenlayouts erfordern. |
| EPM7128SQI160-10N | Intel | 128 Makrozellen, im System programmierbares CPLD mit stabilem 5-V-Betrieb und erweiterter Temperaturunterstützung. | Geeignet für industrielle und eingebettete Systeme, die eine zuverlässige Logiksteuerung über größere Temperaturbereiche erfordern. |
Intel ist ein globales Technologieunternehmen, das für die Entwicklung einer breiten Palette digitaler Computer- und programmierbarer Logiklösungen bekannt ist.Das Unternehmen blickt auf eine lange Geschichte der Weiterentwicklung des Halbleiterdesigns für Computer, Kommunikation und eingebettete Systeme zurück.Sein programmierbares Logikportfolio unterstützt Systemsteuerung, Signalmanagement und Schnittstellenlogik in Industrie-, Netzwerk- und eingebetteten Anwendungen.Intel konzentriert sich auf die Bereitstellung skalierbarer Logikplattformen, die Leistung, Stabilität und langfristige Plattformunterstützung in Einklang bringen.Seine Produkte werden häufig sowohl in etablierten Systemarchitekturen als auch in sich entwickelnden digitalen Designs eingesetzt, was eine starke Präsenz im breiteren Elektronik-Ökosystem widerspiegelt.
Der EPM7128SQI100-10 vereint Logiksteuerung, Timing und Schnittstellenverwaltung in einem einzigen programmierbaren Gerät.Sie erhalten eine klare Struktur mit Logik-Array-Blöcken und Makrozellen, die das Verhalten vorhersehbar machen.Das Pin-Layout und die I/O-Flexibilität tragen zur Vereinfachung des Platinenroutings bei.Schnelle Reaktionszeiten unterstützen in vielen Systemen eine stabile digitale Steuerung.Das Gerät funktioniert auch gut, wenn Sie die Logik ohne Hardwareänderungen aktualisieren müssen.Insgesamt bietet es eine praktische Möglichkeit, mittelgroße digitale Logik an einem Ort zu verwalten.
Bitte senden Sie eine Anfrage, wir werden sofort antworten.
Es handelt sich um einen CPLD, der so programmiert werden kann, dass er benutzerdefinierte digitale Logikfunktionen wie Steuerung, Dekodierung und Signalweiterleitung ausführt.
Das Gerät umfasst 128 Makrozellen, sodass mehrere Logikfunktionen in einem Chip kombiniert werden können.
Ja, es unterstützt die systeminterne Programmierung, sodass Sie die Logik aktualisieren können, während das Gerät auf der Platine montiert ist.
Es wird in einem 100-Pin-Gehäuse zur Oberflächenmontage geliefert, das gut in kompakte PCB-Designs passt.
Es wird häufig für Steuerlogik, Klebelogik, Zustandsautomaten und Schnittstellenhandhabung in eingebetteten und industriellen Systemen verwendet.
auf 2026/01/6
auf 2026/01/6
auf 8000/04/18 147772
auf 2000/04/18 112010
auf 1600/04/18 111351
auf 0400/04/18 83769
auf 1970/01/1 79565
auf 1970/01/1 66960
auf 1970/01/1 63100
auf 1970/01/1 63040
auf 1970/01/1 54097
auf 1970/01/1 52184