



DerPCA9615 dient als integraler Puffer für die SMBUS/I2C-Buskommunikation und verbessert die Datenübertragung in elektrisch verrauschten Umgebungen erheblich.Durch die Verwendung einer differentiellen physikalischen Schicht (DI2C), die die Transparenz zur Protokollschicht aufrechterhält, mindert sie die Datenversorgung ordentlich.Diese Fähigkeit sorgt für eine zuverlässige Kommunikation über verschiedene Anwendungen hinweg, einschließlich der industriellen Automatisierung, Automobilsysteme und komplexen miteinander verbundenen Geräten.
Der PCA9615 ist mit zwei auf die SCL-Linie zugeschnittenen einend-differentialen Treiberkanäle ausgestattet.Erweitert den Bereich und die Geschwindigkeit von Smbus/I2C -Signalen.Bewahrt die Signalintegrität.Durch die Umwandlung von Einzelsignalen in differentielle Signale verringert der PCA9615 die elektromagnetische Interferenz (EMI) und das Übersprechen, die in Umgebungen mit hoher Nutzung weit verbreitet sind, effektiv.
Die differentielle Signalübertragung im PCA9615 bietet eine Vielzahl von Vorteilen und bietet im Vergleich zu Ein-End-Signalen eine überlegene Rauschabstoßung.Hauptsächlich vorteilhaft in industriellen und kfanischen Umgebungen, in denen elektrisches Rauschen die Datenintegrität gefährdet.Unterstützt längere Kabellängen und höhere Datenraten.Ermöglicht flexiblere Systemdesigns.In den tatsächlichen Anwendungen integriert sich der PCA9615 nahtlos in Systeme, die eine robuste Kommunikation über erweiterte Entfernungen erfordern.Die Differentialsignalisierung sorgt für eine zuverlässige Sensordatenübertragung zwischen Komponenten wie dem Motorsteuergerät und verschiedenen Sensoren, die im gesamten Fahrzeug verteilt sind.Der PCA9615 unterhält eine klare Kommunikation zwischen mehreren Controllern und Feldgeräten in einem großen Fertigungsboden.

Hier ist das Tabellenformat mit technischen Spezifikationen, Attributen und Parametern des NXP USA Inc. PCA9615DPJ zusammen mit Teilen mit ähnlichen Spezifikationen.
|
Typ |
Parameter |
|
Fabrik
Vorlaufzeit |
7
Wochen |
|
Montage
Typ |
Oberfläche
Montieren |
|
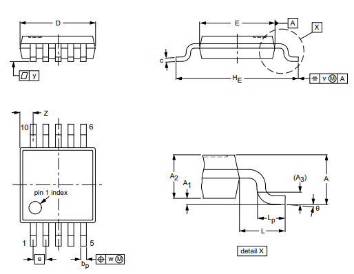
Paket
/ Fall |
10-tfsop,
10-msop (0,118, 3,00 mm Breite) |
|
Oberfläche
Montieren |
Ja |
|
Betrieb
Temperatur |
-40 ° C.
~ 85 ° C. |
|
Verpackung |
Band
& Rolle (tr) |
|
Veröffentlicht |
2010 |
|
Teil
Status |
Aktiv |
|
Feuchtigkeit
Sensitivitätsniveau (MSL) |
1
(Unbegrenzt) |
|
Nummer
von Kündigungen |
10 |
|
Typ |
Puffer,
Umreiten |
|
Anwendungen |
I2C |
|
Stromspannung
- Liefern |
2,3 V
~ 5,5 V |
|
Terminal
Position |
Dual |
|
Terminal
Bilden |
Möwe
Flügel |
|
Gipfel
Reflowtemperatur (CEL) |
Nicht
Angegeben |
|
Nummer
von Funktionen |
1 |
|
Liefern
Stromspannung |
3.3 V |
|
Terminal
Tonhöhe |
0,5 mm |
|
Zeit@Peak
Reflowtemperaturmax (en) |
Nicht
Angegeben |
|
Base
Teilenummer |
PCA9615 |
|
Ausgabe |
2-Draht
Bus |
|
Stift
Zählen |
10 |
|
Jesd-30
Code |
S-PDSO-G10 |
|
Nummer
von Kanälen |
2 |
|
Aktuell
- Liefern |
16 μA |
|
Eingang |
2-Draht
Bus |
|
Daten
Rate (max) |
400 kHz |
|
Liefern
Voltage1-nom |
5v |
|
Kapazität
- Eingabe |
7pf |
|
Länge |
3 mm |
|
Höhe
Sitzend (max) |
1,1 mm |
|
Breite |
3 mm |
|
Rohs
Status |
Rohs3
Konform |
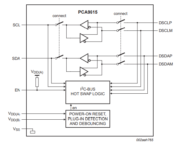
Das Design des PCA9615 enthält eine robuste Hot-Swap-Funktion, mit der Module angeschlossen und getrennt werden können, ohne dass Datenflussunterbrechungen verursacht werden.Diese Funktion ist besonders vorteilhaft in komplexen Systemen, in denen Betriebszeit und Zuverlässigkeit dominieren, z. B. in Telekommunikation und Rechenzentren.Durch das Ersetzen und Expansion des nahtlosen Moduls des Moduls wird die Hot-Swap-Funktion konsistente Systemleistung und minimale Ausfallzeit gewährleistet, wobei der allgegenwärtige Bedarf an Stabilität und Effizienz in solchen anspruchsvollen Umgebungen gerecht wird.
• EN -Signaleingang: Der EN (Enable) -Signaleingang spielt eine entscheidende Rolle bei der Verwaltung des Hot-Swap-Verfahrens.Wenn ein neues Modul angeschlossen ist, stellt das EN -Signal sicher, dass das Verfahren ordentlich durchgeführt wird.Dieser Mechanismus verhindert Kommunikationsfehler, die auftreten könnten, wenn Module hinzugefügt oder willkürlich entfernt werden.In vielen praktischen Anwendungen hält das präzise Signalmanagement die Datenintegrität auf, was besonders in Umgebungen, in denen der Datenverlust inakzeptabel ist und die Einsätze hoch sind, besonders wertvoll ist.
Der interne Mechanismus im Leerlauf im Leerlauf im Leerlauf verbessert die HOT-SWAP-Funktionalität weiter, indem die Verbindungen nur dann hergestellt werden, wenn der Bus im Leerlauf ist.Diese Funktion hilft, potenzielle Datenkollisionen und Korruption zu vermeiden und so die Genauigkeit der übertragenen Informationen zu schützen.Der Bus -Leerlauf -Erkennung arbeitet transparent und arbeitet hinter den Kulissen, um auch unter dynamischen Bedingungen eine stabile Kommunikationsumgebung zu bieten.
• Systemsicherungen: Das Zusammenspiel dieser Komponenten innerhalb des PCA9615 zeigt, wie die moderne Technologie mehrere Schutzebenen integriert, um sowohl die betriebliche Effizienz als auch die Datensicherheit zu gewährleisten.Die harmonische Koordination zwischen dem EN-Signaleingang und dem Bus-Leerlauf-Erkennung bildet die Grundlage für zuverlässige Heißverlust in gefährlichen Systemen.Diese Elemente tragen gemeinsam zu einem widerstandsfähigen und zuverlässigen System bei, um die genauen Bedürfnisse von Umgebungen mit hoher Einsätze mit Präzision und Sorgfalt zu befriedigen.
Der PCA9615 enthält vielseitige Lösungen für eine Vielzahl von technischen Hürden, die sich mit den Unterscheidungen spezifischer Anwendungen befassen.Dazu gehören die Überwachung von Fernsensoren in verrückten Umgebungen, die Verwaltung von Netzteilen, die zu hohen Störungen anfallen, I2C -Busse über verschiedene Gerätetypen hinweg miteinander verbunden werden und komplexe Industriesysteme wie Beleuchtung, Heizung und Kühlung zu steuern.
In Umgebungen voller Rauschen kann sich die Vertrauenswürdigkeit von Sensordaten verschlechtern.Der PCA9615 unterstützt die standhafte Kommunikation zwischen Fernsensoren und dominanten Verarbeitungseinheiten.Anwendungsfälle wie industrielle Automatisierung und Umweltüberwachungsstationen veranschaulichen ihre Vorteile intensiv.Die Aufrechterhaltung der Datenintegrität wird zu einem geringeren Glücksspiel, ähnlich wie bei Methoden in Telekommunikationsinfrastrukturen, bei denen die Signaltreue über große Entfernungen verwendet wird.Sie können differentielle Signaltechniken, ähnlich wie bei PCA9615, nutzen, um effektiv rauschbedingte Probleme zu lindern.
Eine herausfordernde Herrschaft ist die Verwaltung von Stromversorgungen unter Bedingungen mit hohem Interferenz.Die PCA9615 fördert die Signalintegrität trotz elektromagnetischer Rauschen, ein häufiges Dilemma in Netzteilen mit variablen Lasten.Tatsächliche Anwendungen kombinieren die PCA9615 häufig mit Abschirm- und Erdungstaktiken, wodurch die Störungen weiter verringert werden.Dies erinnert an die Produktionspraktiken der Luft- und Raumfahrt, bei denen Systeme so gestaltet werden, dass sie zuverlässig unter bemerkenswerten elektronischen Rauschen abschneiden.
Komplexe Systemintegration erfordert häufig die Verbindung von I2C -Bussen zwischen verschiedenen Geräten.Der PCA9615 glättet diese Verbindung, indem sie den Kommunikationsbereich erweitert und die Immunität zu potenziellen Unterschieden sichern.Beispielsweise mindert die Überbrückung der Kommunikation in mehreren elektronischen Steuereinheiten (ECUs) mit den PCA9615 -Bedenken im Zusammenhang mit der Offsets und der Signalintegrität in Automobilkontexten.Dieser Aspekt zeigt seine Praktikabilität bei der Harmonisierung verschiedener elektronischer Komponenten.
Innerhalb industrieller Umgebungen beinhaltet die Steuerung von Systemen wie Beleuchtung, Heizung und Kühlung, Genauigkeit und Zuverlässigkeit.Die Fähigkeit des PCA9615, unter verschiedenen Bedingungen eine stabile Kommunikation aufrechtzuerhalten, trägt zu ihrem Verbrauchern bei.Smart Building Management spiegelt die Bedeutung einer konsistenten, zuverlässigen Datenübertragung wider, um die Energieeffizienz und die Betriebswirksamkeit zu gewährleisten.Hier zeigt der PCA9615 seine Rolle bei der orchestrierten nahtlosen Kontrolle.
Langstrecken-I2C-Kommunikation und -systeme mit mehreren Netzteilen stellen einzigartige Herausforderungen vor, hauptsächlich aufgrund bemerkenswerter Bodes-Offsets.Die PCA9615 kontert diese Probleme, indem sie unterschiedliche Signalübertragung verwenden und die Datenintegrität über erweiterte Entfernungen schützen.Diese Strategie ist vergleichbar mit Praktiken im Rechenzentrenmanagement, bei denen die Konservierungssignalqualität über lange Kabelstrecken für die Zuverlässigkeit der Netzwerke nützlich ist.Die Technik stärkt die Verbindung und sorgt für eine robuste Kommunikation in anspruchsvollen Umgebungen.



NXP Semiconductors N.V., eine herausragende Kraft in sicheren Konnektivitätslösungen, die für eingebettete Anwendungen angepasst wurden, hat in verschiedenen Sektoren, einschließlich Automobil-, Industrial- und IoT-, Mobil- und Kommunikationsinfrastrukturmärkte, innovativ Innovationen in die Innovationen geführt.Ihr unsterbliches Ehrgeiz ist es, intelligentere, sicherere und besser vernetzte Lösungen zu schaffen.
Die Fortschritte von NXP im Automobilsektor sind erheblich hervorzuheben.Ihre hoch entwickelten Mikrocontroller und Prozessoren haben die Fahrzeugsicherheit, die Infotainmentsysteme und fortschrittliche autonome Fahrfunktionen erheblich verstärkt.Die Integration dieser hochrangigen Technologien bereichert das Fahrerlebnis und gewährleistet gleichzeitig die Sicherheit und Effizienz des Fahrzeugs.Führende Automobilhersteller, die ihre Lösungen einbeziehen, unterstreichen den Antrieb, den modernen Transportanforderungen gerecht zu werden.
In den Industrial- und IoT -Dominions haben die Lösungen von NXP wichtige Änderungen in der Fabrikautomatisierung, der intelligenten Messung und der Sensor -Netzwerke angelegt.Ihre Produkte zielen darauf ab, Leistung und Zuverlässigkeit zu optimieren, dynamisch in industriellen Umgebungen mit hohem Stress.Die kontinuierliche Verfeinerung und Implementierung ihrer IoT -Lösungen fördert miteinander verbundene Ökosysteme, die den reibungslosen Datenaustausch, das effektive Ressourcenmanagement und die überlegene Betriebskontrolle fördern.
Die Präsenz von NXP auf dem mobilen Markt erhöht die Privatsphäre erheblich, sichert die Zahlungsmechanismen und erleichtert kontaktlose Interaktionen.Sie nutzen die NFC-Technologie (Nahe Field Communication) und revolutionieren die Interaktionen zwischen den Verbrauchern und bieten schnellere und sicherere Transaktionen.Die laufenden Innovationen in diesem Bereich konzentrieren sich auf die Stärkung der Datensicherheit und steigern gleichzeitig die Nutzerbequemlichkeit in einer wachsenden digitalen Landschaft.
In der Kommunikationsinfrastruktur sind die Hochleistungs-HF-Lösungen und -prozessoren von NXP für die Förderung von Netzwerkfunktionen erforderlich.Diese Beiträge ermöglichen die Entwicklung effizienterer und zuverlässigerer Kommunikationssysteme, die für die globale Konnektivitätserweiterung von Bedeutung sind.Durch die Verbesserung der Netzwerk -Effizienz und -Skalierbarkeit untermauert NXP die für die Weiterentwicklung moderner Kommunikationstechniken wie 5G erforderlich.
PCA9615 dient dazu, den Buspuffer zu deaktivieren, der sich als maßgeblich für Fehlerentfindungen, Einschaltsequenzierung und Segmentisolierung in großen Bussystemen als maßgeblich erweist.Durch die Unterstützung bei der Erkenntnis von Fehler und Segment -Isolation verbessert sie die Rekonfiguration und ermöglicht es, dass bestimmte Abschnitte inaktiv sind, wenn sie nicht ständig erforderlich sind.In Einstellungen, in denen die operative Effizienz Vorrang hat, erleichtert PCA9615 das strategische Management von Systemressourcen.Die vorübergehende Deaktivierung unbenutzter Bussegmente optimiert die Leistung des Gesamtsystems.In komplexen industriellen Umgebungen, in denen kontinuierlicher Betrieb und minimale Ausfallzeiten erforderlich sind, ist die Rolle von PCA9615 für groß angelegte Herstellungsanlagen erforderlich, indem die Bussegmente für die Wartung isoliert werden, ohne das gesamte System zu stoppen, erhöht die Produktivität und reduziert das Risiko.Die dynamische Rekonfiguration von Bussegmenten schafft eine adaptivere und belastbarere Infrastruktur.In Bezug auf die Stromversorgung sorgt PCA9615 sicher, dass die kontrollierte Aktivierung verschiedener Bussystemteile.Dieser Ansatz fördert die Stabilität und verhindert eine potenzielle Start-up-Überladung in Datenumgebungen mit hoher Dichte, wie z. B. Rechenzentren. Er sorgt für die Aktivierung der synchronisierten Komponenten, vermeidet Engpässe und sorgt für eine reibungslose Initialisierung.
Bitte senden Sie eine Anfrage, wir werden sofort antworten.
auf 2024/10/14
auf 2024/10/14
auf 8000/04/18 147757
auf 2000/04/18 111934
auf 1600/04/18 111349
auf 0400/04/18 83719
auf 1970/01/1 79508
auf 1970/01/1 66900
auf 1970/01/1 63017
auf 1970/01/1 63010
auf 1970/01/1 54081
auf 1970/01/1 52121