
Der TB6600 Das Stepper Motor Trivermodul ist ein Gerät, das sich durch seine Belastbarkeit und Anpassungsfähigkeit für die Steuerung von 2-Phasen-Schrittmotoren auszeichnet.Es verbindet sich nahtlos mit einer Vielzahl von Mikrocontrollern, hauptsächlich Arduino, und fördert die Schaffung genauer 5 -V -digitaler Pulsausgänge.Diese Ausgänge sind dynamisch für die Aufrechterhaltung des empfindlichen Gleichgewichts der Motorregelung.In einem Spannungsbereich von 9-42 V DC und der Unterstützung eines Spitzenstroms von 4 Ampere ist es eine vielseitige Wahl für verschiedene motorgesteuerte Projekte.Mit dieser Anpassungsfähigkeit können Sie die motorische Positionierung und Geschwindigkeit effizient verwalten, was für Anwendungen, die darauf abzielen, die Codierungskomplexität zu minimieren.Die Hochfrequenz-Optokoppler-Isolierung des Moduls verbessert seine Zuverlässigkeit erheblich, indem die Störungsrisiken reduziert und festgestellt werden.
Die Harmonie mit zahlreichen Mikrocontrollern macht den TB6600 -Treiber zu einer passenden Wahl für Projekte, die eine komplizierte Motorkontrolle erfordern.Es integriert reibungslos in Plattformen wie Arduino, was seine Fähigkeit widerspiegelt, verschiedene Erwartungen zu erfüllen.Beispielsweise ermöglicht die Verwendung dieses Treibers in CNC -Maschinen oder 3D -Druckern eine präzise und kontrollierte Bewegung, die den Nutzen in verschiedenen Feldern veranschaulicht.
Dieses Modul zeichnet sich durch seine Unterstützung sowohl für 2-Phasen- als auch für 4-Phasen-Steppermotoren sowie für Hybridkonfigurationen aus.Das Bipolar-H-Bridge-Design ist ein wesentlicher Bestandteil der effizienten Verwaltung von Spannung und Strom, um sicherzustellen, dass der Fahrer die Spitzenleistung in seinen Anwendungen liefert.In Umgebungen, in denen Präzision und Zuverlässigkeit priorisiert werden, wie z. B. automatisierte Produktionslinien und Robotik, werden diese Funktionen hoch geschätzt.
|
Besonderheit |
Beschreibung |
|
Treibertyp |
Bipolarer H-Bridge DC-Treiber |
|
Ausgabe aktuelle Optionen |
8 Typen (0,5a bis 3,5a), bis zu 4 Ampere ausgewählt werden |
|
Unterteilungsmodi |
Teilen Sie bis zu 32, wählbar in 6 Modi |
|
Mikroschrittoptionen |
8 Arten (1, 2/a, 2/b, 4, 8, 16, 32) |
|
Eingangssignalisolation |
Hochgeschwindigkeitsfoto-Trennung |
|
Schnittstelle |
Vollständige Standard -Einzelpulsschnittstelle |
|
Offline -Hold -Funktion |
Ja |
|
Umwelteigentum |
Semi-verkürzter Körper für harte Umgebungen |
|
Stromverriegelungsfunktion |
Halbautomatisch, energiesparend |
|
Spezifikation |
Details |
|
Betriebsspannung |
9-40 V DC |
|
Ausgangsstrom |
0,7a-4,0a (in 8 Schritten über Dip-Switches ausgewählt) |
|
Eingangsimpulsfrequenz |
Bis zu 20 kHz |
|
Eingangssignalpegel |
5 V Signalpegel |
|
Puls pro Revolution |
200-6400 |
|
Logiksignalstrom |
8A-15a |
|
Motorkompatibilität |
Geeignet für 2-Phasen- und 4-Phasen-Steppermotoren |
|
Schutzmerkmale |
Überstrom, Überhitzungsschutz |
|
Eingangsisolation |
Optisch isoliert |
|
Isolationsresistenz |
500 megogohm |
|
Unterstützter Modus |
Pul/FIR -Modus |
|
Kosten |
Niedrige Kosten |
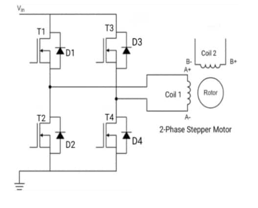
Das TB6600 Stepper Motor Trivermodul ist eine schwerwiegende Komponente, die sowohl 2-Phasen- als auch 4-Phasen-Steppermotoren steuert, wobei eine bi-polare H-Bridge-Konfiguration für einen effizienten Betrieb verwendet wird.Diese Konfiguration verwendet MOSFET -Transistoren, um eine hohe Leistung in Bezug auf die aktuelle Handhabung und die thermische Stabilität zu gewährleisten.Das Modul arbeitet durch Interaktion mit zwei primären Kontrollstiften: den Stiefstift, der den Motor mit jedem Impuls und den Richtstift auslöst, der die Drehrichtung des Motors basierend auf der angelegten Spannung bestimmt.Zusammen ermöglichen diese Eingänge eine präzise Steuerung über die Sprungsequenz des Motors und die Rotationsrichtung.

Das Schaltplan hebt vier Schlüsseltransistoren hervor, T1, T2, T3 und T4, die in einer H-Bridge-Struktur angeordnet sind.Diese MOSFETs sind das Rückgrat des Modulbetriebs und ermöglichen den bidirektionalen Strom, der zum Antrieb des Schrittmotors benötigt wird.Darüber hinaus enthält das Diagramm Flyback -Dioden (D1, D2, D3 und D4), die entscheidend zum Schutz der Schaltung vor Spannungsspitzen sind, die durch die induktive Last des Motors verursacht werden.Diese Dioden verhindern einen Überstrom und eine Beschädigung empfindlicher Komponenten während des Betriebs.Die A+, A-, B+und B-Klemmen werden verwendet, um den Motor zu verbinden und eine genaue und kontrollierte Bewegung der Motorwelle zu gewährleisten.
Der TB6600-Treiber arbeitet durch die koordinierte Wirkung der MOSFET-Transistoren in der H-Brücke.Zum Beispiel:
• Drehung im Uhrzeigersinn tritt auf, wenn Transistoren T1 und T4 aktiviert sind, wodurch der Stromfluss von A+ zu A- geleitet wird.
• Die Rotation gegen den Uhrzeigersinn tritt auf, wenn T2 und T3 eingebunden sind, wodurch der Stromfluss von a- nach A+umgekehrt wird.
Diese abwechselnde Aktivierung von Transistoren sorgt für eine reibungslose bidirektionale Bewegung.Um ein optimales Drehmoment und einen effizienten Betrieb zu erzielen, sind eine präzise Timing und die Spannungsregulierung von wesentlicher Bedeutung.
Der TB6600 unterstützt je nach Anwendungsanforderungen vier verschiedene Betriebsmodi, mit denen Drehmoment, Präzision und Schrittgröße ausgleichen:
• Wellenmodus: In diesem Modus wird jeweils nur eine Spule mit Energie versorgt.Die Aktivierung einer einzelnen Spule dreht den Motor um 90 Grad in eine Richtung, während der Strom umgedreht wird. Dreht ihn in die entgegengesetzte Richtung.Durch die Abwechslung zwischen den Spulen erreicht der Motor einen kontinuierlichen Betrieb.Dieser Modus ist einfach, bietet aber weniger Drehmoment im Vergleich zu anderen Modi.
• Vollschritt-Modus: Beide Spulen werden in diesem Modus gleichzeitig mit Energie versorgt und erzeugen ein stärkeres Magnetfeld.Dies führt zu einem erhöhten Drehmoment, was es ideal für Anwendungen macht, die mehr Leistung und Stabilität erfordern.
• Halbschritt-Modus: Als Kombination aus dem Wellenmodus und dem vollständigen Stufenmodus wechselt dieser Modus zwischen der Energieversuche einer einzelnen Spule und beiden Spulen.Es reduziert die Schrittgröße effektiv auf 45 Grad und liefert ein Gleichgewicht zwischen Präzision und Drehmoment.Das Drehmoment kann jedoch variieren, je nachdem, ob eine oder beide Spulen während eines bestimmten Schritts mit Energie versorgt werden.
• Microstep -Modus : Die genaueste aller Modi reduziert der Mikrostep -Modus die Schrittgröße noch weiter, indem der Strom durch die Motorphasen sorgfältig moduliert.Dies wird mithilfe erweiterter Schaltkreise erreicht, um reibungslose und allmähliche Übergänge zwischen den Schritten zu erzeugen.Dieser Modus ist ideal für Anwendungen, die ein hohes Präzision und ein konsistentes Drehmoment erfordern, wie z. B. CNC -Maschinen oder Robotik.
Die effiziente Kontrolle von Schrittmotoren erfordert eine Kombination aus zuverlässiger Hardware und sorgfältig programmierter Software.Der TB6600 Stepper Motor Triver ist ein hervorragendes Werkzeug für den Betrieb von 2-Phasen-Schrittmotoren.Es unterstützt mehrere Betriebsmodi wie Wellen, Vollschritt, Halbschritt und Mikroschritt.Die eingebauten Schutzmerkmale-einschließlich der Schutzmaßnahmen gegen niedrige Spannung, Überstrom und Überhitzung-erfüllen es eine solide Wahl für Projekte, die Präzision und Haltbarkeit fordern.
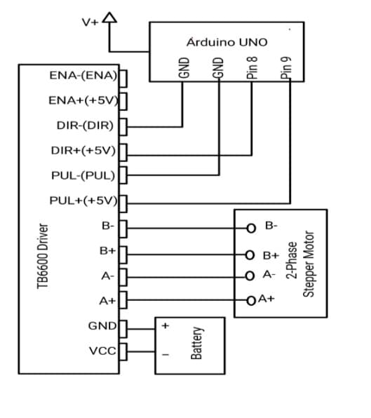
Um den TB6600 mit einem Arduino Uno einzurichten, sammeln Sie die folgenden Komponenten:
• Arduino uno r3
• TB6600 Stepper Motor Driver (4A -Version)
• Schrittmotor (mit einer empfohlenen Bewertung von 1,65a)
• Zuverlässige Stromversorgung (z. B. eine Batterie oder eine regulierte DC -Stromquelle)
• Jumperdrähte
• Arduino IDE auf Ihrem Computer installiert
Befolgen Sie diese detaillierten Anweisungen, um den TB6600 in den Arduino zu integrieren
Schließen Sie die Richtung und Impulssignale an
• Verknüpfen Sie die Dir+ und Pul+ -Anminals am TB6600 mit den Arduino -Pins 8 bzw. 9.Diese Stifte senden Richtung und Impulssignale.
• Befestigen Sie die Dir- und Impulsanschlüsse am Boden (GND) des Arduino.
• Schließen Sie den Motor an den TB6600 an: Befestigen Sie die Schrittmotordrähte an den TB6600 -Klemmen.
• A+ und a- für eine Spule des Motors.
• B+ und B- für die andere Spule.
• Fahren Sie den TB6600 -Treiber mit: Verbinden Sie die VCC- und GND -Stifte am TB6600 mit Ihrem Netzteil.Stellen Sie sicher, dass die Spannung mit Ihren Motor- und Fahreranforderungen entspricht, um Schäden zu vermeiden.

Einstellen der mikrostep -Auflösung
Mit dem TB6600 können Sie die Bewegungsgenauigkeit des Stepper-Motors mit den SW1- und SW2-Schalter fein abstellen.Passen Sie diese Schalter wie folgt an:
• ¼ Schrittauflösung: SW1 einstellen und SW2 ausschalten.
• ⅛ Schrittauflösung: SW1 aus und SW2 einstellen.
• 1/32 Schrittauflösung: Stellen Sie sowohl SW1 als auch SW2 aus.
• Modus mit Vollschritt: Stellen Sie sowohl SW1 als auch SW2 ein.
Wahrheitstabelle
|
SW2 |
Microstep -Auflösung |
|
AUS |
1/32 Schritt |
|
AN |
1/8 Schritt |
|
AUS |
1/4 Schritt |
|
AN |
Voller Schritt |
Mit Schaltanpassungen können Sie das Gleichgewicht zwischen Präzision und Geschwindigkeit basierend auf den Anforderungen Ihres Projekts optimieren.
Um sicherzustellen, dass Ihr Motor innerhalb sicherer Stromgrenzen arbeitet, verfügt der TB6600 für zusätzliche Schalter (SW4 und SW6) zum Einstellen des Stromflusses.Diese Einstellungen sind nützlich für:
• Überlastungsschäden verhindern.
• Aufrechterhaltung einer konsistenten motorischen Leistung.
• Überprüfen Sie immer, ob der Motorstrom unter dem Maximum des Fahrers 4A bleibt, um beide Komponenten zu schützen.
• Steuerungsrichtung der Motor: Wenn der Motor gegen den Uhrzeigersinn dreht, ändern Sie den Status des Dir+ Pin in Ihrem Arduino -Code.
• Testen und Fehlerbehebung: Laden Sie nach Abschluss des Setups eine grundlegende Skizze für Stepper -Motorsteuerung hoch, um die Verkabelungs- und Treiberfunktionalität zu überprüfen.
• Überhitzung vermeiden: Stellen Sie die ordnungsgemäße Belüftung für den TB6600-Treiber sicher, insbesondere in hochstromigen Anwendungen.
Das TB6600 -Modul spielt eine aktive Rolle in zahlreichen Sektoren, in denen eine sorgfältige Motorkontrolle verwendet wird.Seine Anpassungsfähigkeit erscheint in verschiedenen Implementierungen, die seine einzigartigen Fähigkeiten hervorheben:
Im Bereich der Telekommunikation ist das Erreichen einer optimalen Antennenausrichtung für den Qualitätssignalempfang und die Qualitätsübertragung obligatorisch.Der TB6600 erleichtert die Präzisionsbewegung und verbessert damit die Wirksamkeit von Kommunikationssystemen.
Innerhalb von Automatisierung und Robotik wird durch den TB6600 eine präzise Handhabung des Stepper -Motors erreicht, sodass Sie die Zuverlässigkeit der Bewegungspräzision und zur Stärkung der Systemversorgung verfeinern können.
Für Computer Numerical Control (CNC) -Maschinen verbessert der TB6600 komplizierte Schnitt- und Fräsenprozesse, sodass Sie ein hohes Maß an Genauigkeit und wiederholbare Präzision in ihrer Arbeit aufrechterhalten können.
In der additiven Herstellung, insbesondere des 3D -Drucks, bietet der TB6600 eine detaillierte motorische Steuerung und unterstützt die genaue Positionierung von Druckköpfen, die zum Erstellen komplexer Formen und Formen erforderlich sind.
Das Modul ist für komplizierte Motorsteuerungsaufgaben in komplexen Automatisierungssystemen wertvoll, die die Effizienz verbessert und das raffinierte Management ermöglicht.
Die TB6600 zeichnet sich in Szenarien aus, die eine genaue Geschwindigkeit und Rotationskontrolle erfordern und hauptsächlich zur Optimierung der Leistung in ständig ändernden Umgebungen verwendet werden.
Das Modul unterstützt den zuverlässigen Betrieb von Kameras und Geldautomaten, indem sie reibungslose, genaue Motorbewegungen sicherstellen, die die Betriebsdauer der Geräte erweitern.
Für Gravurwerkzeuge und Maschinen bietet der TB6600 die genaue Kontrolle, die für die Ausführung fein detaillierter Designs erforderlich ist, einen gefährlichen Faktor in Branchen, in dem Präzision und Details dominieren.
Bitte senden Sie eine Anfrage, wir werden sofort antworten.
Der TB6600 Stepper Motor Triver arbeitet mit einer Stromversorgungsspannung zwischen 8 V und 45 V.
Der TB6600 verwendet die Pulsbreitenmodulation (PWM), um die Motordrehzahl anzupassen.Sie können die Geschwindigkeit ändern, indem Sie die PWM -Frequenz ändern.
Ja, der TB6600 kann bis zu 4,5a verarbeiten, was ihn mit Stepper -Motoren kompatibel macht, die auf diesen Strom bewertet werden.
Um die motorische Richtung umzukehren, wechseln Sie die Eingangssignalsequenz auf den Kontrollstiften (z. B. in1-in2-in3-in4 für Vorwärts, in4-in3-in2-in1 für Rückwärts).
Der TB6600 ist für 4-Draht-Steppermotoren hergestellt.Wenn Ihr Motor über mehr als 4 Drähte verfügt, benötigen Sie einen anderen Fahrer.
Der TB6600 funktioniert gut mit NEMA17 -Motoren, ist jedoch aufgrund ihrer höheren Stromanforderungen für NEMA23 -Motoren im Allgemeinen ungeeignet.
auf 2024/12/12
auf 2024/12/12
auf 8000/04/18 147757
auf 2000/04/18 111934
auf 1600/04/18 111349
auf 0400/04/18 83719
auf 1970/01/1 79508
auf 1970/01/1 66900
auf 1970/01/1 63017
auf 1970/01/1 63010
auf 1970/01/1 54081
auf 1970/01/1 52121