

|
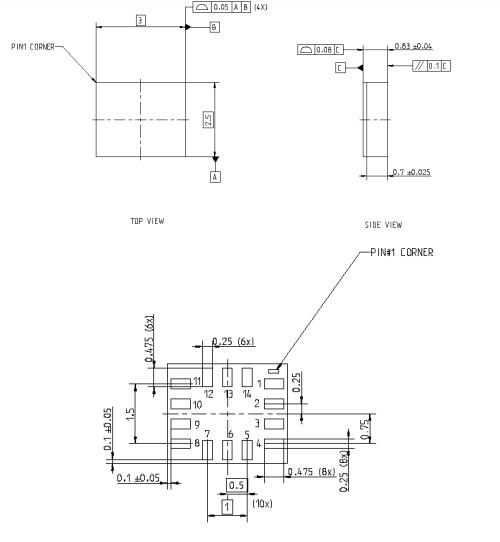
Pin -Nr. |
Beschreibung |
|
1 |
SDO, Seriendatenausgabe in SPI 4W |
|
2 |
ASDX, Aux -Schnittstelle / OIS -Schnittstelle |
|
3 |
ASCX, Aux -Schnittstelle / OIS -Schnittstelle |
|
4 |
INT1, Interrupt Pin 1 |
|
5 |
VDDIO, digitale VO -Versorgungsspannung (1,2 .. 3,6 V) |
|
6 |
GNDIO, Boden für v0 |
|
7 |
GND, Grund für digital und analog |
|
8 |
VDD, Stromversorgungsanalog und digital (1,71 .. 3,6 V) |
|
9 |
INT2, Interrupt Pin 2 |
|
10 |
OCSB, OIS -Schnittstelle |
|
11 |
OSDO, OIS -Schnittstelle |
|
12 |
CSB, Chip für den SPI -Modus auswählen |
|
13 |
SCX, SP/4C Serienuhr (SCK/SCL) |
|
14 |
SDX, Seriendaten vo |



Der BMI270 wird akribisch für tragbare Geräte gefertigt, die einen geringen Stromverbrauch priorisieren und gleichzeitig eine außergewöhnliche Bewegungserkennung durch sein Ensemble integrierter Sensoren verleihen.Dieses komplizierte Gerät verschmilzt ein dreifaches Gyroskop mit einem 16-Bit-Beschleunigungsmesser in seiner engmaschigen Struktur und schlägt ein Gleichgewicht zwischen effizienter Raumnutzung und vollwertiger Funktionalität.
Die Fähigkeit des BMI270, den Energieverbrauch zu minimieren und gleichzeitig eine präzise Bewegungsanalyse bereitzustellen, stellt einen bemerkenswerten technologischen Sprung dar.In der Welt der tragbaren Technologie, in der Stromeffizienz Ihre Erfahrung prägt, können solche Fortschritte Ihre Zufriedenheit erheblich beeinflussen.Für technische Liebhaber, die die Bequemlichkeit schätzen, verringert eine erweiterte Batterie -Langlebigkeit den Ärger der regelmäßigen Aufladung.
Die Konsolidierung des dreiachsischen Gyroskops und des Beschleunigungsmessers in eine Einheit optimiert sowohl die Präzision der Daten als auch das diminutive Design des Geräts.Erlebnisse im gesamten Technologiesektor legen nahe, dass die nahtlose Einbeziehung von Teilen die Leistung eines Geräts beibehält und gleichzeitig die Erstellung vereinfacht und seine Größe verringert.Diese Strategie kommt Ihnen nicht nur durch die Senkung der Entwicklungskosten zugute, sondern berücksichtigt auch eine Vielzahl von Verwendungsmöglichkeiten, von der Verfolgung von Fitnessaktivitäten bis hin zur Ermöglichung der Funktionalitäten der Gesteuerkontrolle.
|
Besonderheit |
Beschreibung |
|
Paket |
LGA -Formpaket für kompakte Standardgröße, 14 Stifte,
Fußabdruck 2,5x3,0 mm², Höhe 0,83 mm |
|
Digitale Schnittstelle |
Primäre digitale Schnittstelle mit 10 MHz SPI (4-Wire,
3-Wire) und bis zu 1 MHz I²C (FM+) |
|
Ausgangsdatenraten (ODR) |
25 Hz - 6,4 kHz (Gyroskop), 0,78 Hz - 1,6 kHz
(Beschleunigungsmesser) |
|
Tiefpassfilter |
Programmierbarer Tiefpassfilter mit Bandbreite ~ 513-680 Hz
(Beschleunigungsmesser), ~ 890 Hz (Gyroskop) |
|
Stromversorgung |
Analog VDD: 1,71V - 3,6 V;unabhängiger VDDIO: 1,2 V - 3,6 V. |
|
Stromverbrauch |
Ultra-niedriger Stromverbrauch, typische 685 μA (vollständig
ODR- und Aliasing-freier Betrieb) |
|
Gyroscope -Leistungsmodus |
Niedriger Geräuschpegel, typisch < 8 mdps/√Hz |
|
Stromverwaltungseinheit (PMU) |
Integriertes PMU für fortschrittliches Stromverwaltung und geringem Stromverbrauch
Modi |
|
Startzeit |
2 ms für Gyroscope (Schnellstartmodus), 2 ms für
Beschleunigungsmesser |
|
Sekundäre Schnittstelle |
Frei konfigurierbar;400 kHz I²C (FM) Master -Schnittstelle
Hub für einen Aux -Sensor (z. B. Magnetometer, Druck) |
|
Hochgeschwindigkeitsspi |
10 MHz SPI (4-Draht, 3-Draht) für Hochgeschwindigkeitsanwendungen;
bis zu 6,4 kHz ODR mit max. 676 μs Gruppenverzögerung |
|
On-Chip FIFO-Puffer |
2 KB FIFO -Puffer für Beschleunigungsmesser, Gyroskop,
Zeitstempel und Aux -Sensordaten |
|
Versatzkompensation
|
Schnellversatzfehlerkompensation für Beschleunigungsmesser und
Gyroskop |
|
Sensitivitätskompensation |
Fehlerkompensation der schnellen Empfindlichkeitsfehler für Gyroskop (CRT,
MAX -Empfindlichkeitsfehler < 1%) |
|
Synchronisation |
HW -Synchronisation von Beschleunigungsmesser, Gyroskop und Aux
Sensor (< 1 μs) |
|
Zeitstempel |
Sensor -Zeitstempel für genaue System- und Sensorzeit
Synchronisation (< 40 μs) |
|
Programmierbare E/O -Stifte |
2 unabhängige programmierbare VO -Stifte für Interrupt und
Synchronisationsereignisse |
|
Einhaltung |
ROHS-konform, Halogen und Bleifreiheit |
Der BMI270-Sensor findet seinen Platz in verschiedenen hochmodernen Technologien aufgrund seiner geringen Größe und Genauigkeit.Die Integration richtet sich an Branchen, die sich darauf konzentrieren, Ihr Engagement und Ihre Erfahrungen zu verbessern.
Für tragbare Geräte strahlt der BMI270 mit seiner Bewegungsempfänger.Diese Komponente liefert genaue Daten, die für die Verfolgung der Fitness, die Überwachung der Gesundheit und die Erkennung von Aktivitäten nützlich sind.Sie können oft feststellen, dass solche nahtlosen Sensorintegrationen die täglichen Aktivitäten bereichern und einen gesünderen Lebensstil inspirieren.Die Effizienz des Sensors bei der Verwaltung des Stromverbrauchs verlängert die Akkulaufzeit dieser Geräte und macht sie tragbarer und zugänglicher.
In der Welt des Audiozubehörs verbessert die Fähigkeit des Sensors, Beschleunigungsdaten zu verarbeiten, Funktionen wie Rauschunterdrückung und Audioanpassungen.Diese adaptive Technologie reagiert auf Ihre Bewegungen und Umweltveränderungen und bietet eine reichhaltigere und intuitivere Hörerfahrung, die mühelos in den täglichen Rhythmus passt.
Das Gebiet der innovativen Textilien wurde mit dem BMI270 -Sensor revolutioniert.Mit diesem Sensor ausgestattete intelligente Kleidungsstücke bieten eine Aktivitätsanalyse an, die bei der Korrektur der Körperhaltung unterstützt werden.Wenn die Nachfrage nach vielseitiger Kleidung steigt, bietet die Integration dieser Sensoren Einblicke in Ihr Verhalten und Ihre Ergonomie und fördert die individuelleren Lösungen in Wellness und Fitness.
In der Augmented and Virtual Reality ist der BMI270 grundlegend für die Ermöglichung von Swift- und präziser Bewegungsverfolgung.Es ermöglicht Ihnen, mit verbesserter Kontrolle und Interaktion in die digitale Welt einzutauchen.Durch die Minimierung von Bewegungskrankheiten steigert der Sensor den Komfort und das Engagement, wobei Einblicke aus AR/VR -Bereitstellungen diese bahnbrechenden Erlebnisse verbessern, um sich besser mit Ihren Wünschen und Bedürfnissen übereinzustimmen.

Der BMI270 -Sensor zeichnet sich in seiner Anwendung auf zeitgemäße tragbare und hörbare Technologie aus.Mit der endenen Unterstützung sowohl für I2C- als auch für SPI -Schnittstellen öffnet es Türen für Anwendungen wie Gestenerkennung und Aktivität/Kontexterkennung und fördert eine nahtlose Erfahrung mit Technologie und ein verbessertes Bewusstsein für ihre Umgebung.
Die vom BMI270 erleichterte Gestenerkennung ermöglicht eine anspruchsvolle und dennoch natürliche Interaktion zwischen Ihnen und Ihren technologischen Geräten.Durch die korrekte Interpretation Ihrer Gesten definiert der Sensor die Funktionalität Ihrer Schnittstellen neu.In der Welt der tragbaren Technologie stehen Gesten häufig für herkömmliche Knopfsteuerungen.Dies ermöglicht es Ihnen, Geräte diskret und effektiv zu verwalten. Dies ist größtenteils vorteilhaft, wenn die physische Interaktion weniger machbar ist.Kontinuierliche Verbesserungen der Gestenerkennungsalgorithmen tragen zu einem anpassungsfähigeren und reaktionsfähigeren System bei, das mit verschiedenen Präferenzen und Anforderungen übereinstimmt.
Fitness -Tracker verfügen üblicherweise mit Gestenerkennung, mit der Sie Übungsmodi wechseln oder Trainingseinheiten mit einem bloßen Handgelenksfilm initiieren können.Diese mit geste-kontrollierte Funktionalität spiegelt sich in intelligenten Ohrhörern wider, bei denen Sie die Bequemlichkeit genießen, Songs zu verändern oder Volumenstufen anzupassen, ohne dass sie physisch mit ihren Geräten interagieren müssen.Die Weiterentwicklung einer solchen Gestentechnologie unterstreicht die Fähigkeit, Ihre Zufriedenheit zu verbessern und das Engagement in verschiedenen Anwendungen zu vertiefen.
|
Typ |
Parameter |
|
Fabrikvorlaufzeit |
14 Wochen |
|
Montagetyp |
Oberflächenhalterung |
|
Paket / Fall |
14-Vflga |
|
Betriebstemperatur |
-40 ° C ~ 85 ° C. |
|
Verpackung
|
Band & Rollen (TR) |
|
Teilstatus |
Aktiv |
|
Feuchtigkeitsempfindlichkeit (MSL) |
1 (unbegrenzt) |
|
Ausgangstyp |
I2c, spi |
|
Sensortyp |
Beschleunigungsmesser, Gyroskop, 6 -Achse |
|
ROHS -Status |
ROHS3 -konform |

Bosch Sensortec GmbH, der unter dem Dach von Robert Bosch GmbH operiert, fällt nach seiner Fachkenntnisse in der MEMS-Technologie (Micro-Electro-Mechanical Systems) auf.Die Hauptaufgabe dieses Unternehmens besteht darin, fortschrittliche Sensorlösungen zu erstellen, die die Art und Weise erhöhen, wie unterschiedliche Geräte mit ihrer Umgebung involviert sind.Die hier entwickelte Technologie findet ihren Weg in zahlreiche Unterhaltungselektronik und den ständig wachsenden Bereich von IoT (Internet of Things).Der tiefgreifende Einfluss dieser Sensoren zeigt sich in ihrer Verbesserung der Genauigkeit und Funktionalität von Innovationen wie tragbaren Technologie, Smart -Home -Geräten und verschiedenen industriellen Anwendungen.
Durch unerbittliche Innovation und bemerkenswerte Investitionen in Forschung und Entwicklung hat Bosch Sensorec GmbH Sensoren entwickelt, die durch erhöhte Präzision, Effizienz und Zuverlässigkeit gekennzeichnet sind.Ihre MEMS-basierten Innovationen dienen verschiedenen Bereichen, einschließlich Bewegungsempfindung, Umweltüberwachung und Energiemanagement.Beispielsweise spielen die Sensoren eine ernsthafte Rolle bei der Verbesserung der Funktionen für mobile Geräte wie Orientierungserkennung, Gestenerkennung und Anpassung an Umweltveränderungen.Dieser Fortschritt bereichert nicht nur Ihre Erfahrungen, sondern schafft auch neue Branchenstandards für hochmoderne Sensornechnologie.
Bitte senden Sie eine Anfrage, wir werden sofort antworten.
BMI270 integriert bewegungsgesteuerte Merkmale durch Kombination präziser Beschleunigungs- und Winkelrate-Messungen.Diese Integration unterstützt verbesserte Funktionen zur Bewegungserkennung und -verfolgung, die in verschiedenen elektronischen Anwendungen für Unterhaltungsanwendungen verwendet werden.Durch die Nutzung dieser erweiterten Messungen können Geräte eine überlegene Leistung bei der Verfolgung der physischen Bewegung und Ausrichtung erzielen.Dies ermöglicht ein breites Spektrum an Funktionen, die von immersiven Spielerlebnissen bis hin zu sorgfältiger Fitness -Tracking reichen.
Der BMI270 wird von Bosch Sensorec erstellt, einem Unternehmen, das für seine hochwertigen Sensoren in verschiedenen Branchen eingeladen ist.Boschs tief verwurzeltes Fachwissen in der Sensorentechnologie stellt sicher, dass der BMI270 den strengen Benchmarks moderner elektronischer Geräte erfüllt und konsequent zuverlässige Leistung liefert.
BMI270 verfügt über mehrere Verbesserungen des Beschleunigungsmessers, die unter dynamischen Bedingungen für eine höhere Genauigkeit entwickelt wurden.Diese Verbesserung erweist sich in Szenarien, die eine präzise Bewegungsemerkennung erfordern, wie virtuelle Realität oder autonome Navigation, bei denen selbst kleine Ungenauigkeiten Ihre Erfahrung stören können.
Die Leistung des BMI270 wird durch umfassende Verbesserungen in der Funktionalität des Beschleunigungsmessers erhöht.Diese Verbesserungen umfassen die Rauschreduktion und Minimierung von Messfehlern, wodurch Geräte, die mit BMI270 ausgestattet sind, unter verschiedenen Bedingungen effektiver arbeiten können.In Branchen, in denen Präzision dominant ist, wie z. B. medizinische oder Luft- und Raumfahrttechnologie, bieten diese Upgrades erhebliche Vorteile.
BMI270 erzielt bemerkenswerte Verbesserungen, indem der Null-G-Offset reduziert und den Empfindlichkeitsfehler verringert wird.Die Verringerung des Null-G-Offsets ist die Genauigkeit des Sensors während stationärer Perioden, während der gesenkte Empfindlichkeitsfehler über verschiedene Umgebungsbedingungen zuverlässigerer Betrieb gewährleistet.Diese doppelten Verbesserungen machen BMI270 zu einer überzeugenden Option für Sie, dass Sie Präzision und Zuverlässigkeit in Sensorlösungen priorisieren.
auf 2024/11/4
auf 2024/11/4
auf 8000/04/18 147758
auf 2000/04/18 111938
auf 1600/04/18 111349
auf 0400/04/18 83721
auf 1970/01/1 79508
auf 1970/01/1 66914
auf 1970/01/1 63061
auf 1970/01/1 63012
auf 1970/01/1 54081
auf 1970/01/1 52131