
Der XC3S200-4TQG144I ist Teil der Spartan-3-FPGA-Familie von AMD Xilinx, die auf Kostensensitive Anwendungen zugeschnitten ist, die eine hohe Leistung erfordern.Dieses Modell verfügt über 200.000 Systemtore und verwendet 4.320 Logikzellen, wodurch robuste Verarbeitungsfunktionen in einem kompakten Formfaktor ermöglicht werden.Das Gerät verfügt über erhebliche interne Ressourcen, einschließlich 480 konfigurierbarer Logikblöcke (CLBs), 216 Kbit Block RAM für die Datenspeicherung und 12 dedizierte 18x18 -Multiplikatoren für erweiterte arithmetische Operationen.Es unterstützt bis zu 97 Benutzer -E/A -Stifte und ermöglicht vielseitige Konnektivitätsoptionen.Das Clock-Management wird von vier Digital Clock Managers (DCMS) effizient behandelt, wodurch in digitalen Umgebungen mit hohen Geschwindigkeiten präziser Timing und Kontrolle ermöglicht werden.Der XC3S200-4TQG144I arbeitet mit einer 1,2 -V -Kernspannung mit einem zulässigen Bereich von 1,14 V bis 1,26 V und ist so ausgelegt, dass er in industriellen Einstellungen mit einem Temperaturbereich von -40 ° C bis +100 ° C zuverlässig funktioniert.Die maximal erreichbare Taktfrequenz für diese FPGA beträgt bis zu 630 MHz, um die schnelle Datenverarbeitung und Reaktionsfähigkeit in Anwendungen zu gewährleisten.
Wenn Sie ein Unternehmen führen und eine stetige Versorgung mit zuverlässigen, leistungsstarken FPGAs benötigen, ist der XC3S200-4TQG144I eine intelligente Wahl.Wenn Sie Ihre Massenbestellung mit uns geben, steigert wir die Leistung Ihres Systems, und wir sind hier, um Sie jeden Schritt des Weges zu unterstützen.

XC3S200-4TQG144i Symbol

XC3S200-4TQG144I Footprint

XC3S200-4TQG144I 3D-Modell
• Logikkapazität: Der XC3S200-4TQG144I bietet eine erhebliche Logikkapazität mit 200.000 Systemtoren und 4.320 Logikzellen.Auf diese Weise können Sie komplexe digitale Schaltkreise und Systeme innerhalb eines einzelnen Chips implementieren, sodass es für eine Vielzahl von Anwendungen ideal ist, die Rechenleistung und Flexibilität erfordern.
• Konfigurierbare Logikblöcke (CLBs): Diese FPGA ist mit 480 konfigurierbaren Logikblöcken ausgestattet, die die Hauptlogikressource für die Implementierung benutzerdefinierter Logikfunktionen sind.Jede CLB kann so programmiert werden, dass eine breite Palette logischer Vorgänge durchgeführt werden, und bietet die Flexibilität, die zur Optimierung der Leistung und Ressourcenauslastung erforderlich ist.
• Speicherressourcen: Es enthält 216 Kbit Block -RAM und bis zu 520 Kbit verteilte RAM.Dieser On-Chip-Speicher ist wichtig für Anwendungen, die eine schnelle und effiziente Datenspeicherung und -abnahme erfordern und alles von Pufferung und Daten zwischen Daten bis hin zu komplexen Zustandsmaschinen unterstützen.
• Engagierte Multiplikatoren: Mit 12 dedizierten 18x18-Multiplikatoren ist der XC3S200-4TQG144I in Anwendungen, die intensive mathematische Berechnungen wie digitale Signalverarbeitung, Videoverarbeitung und Steuerungssysteme erfordern.
• Digitale Uhr Manager (DCMS): Die FPGA enthält vier digitale Taktmanager, die erweiterte Taktfunktionen bieten.DCMS verbessern die Flexibilität und Genauigkeit des Taktmanagements und ermöglichen die Frequenzsynthese, die Phasenverschiebung und die Verringerung der Jitter, die für digitale Hochgeschwindigkeits-Kommunikation und präzise Timing-Anwendungen erforderlich sind.
• E/O -Fähigkeiten : Mit 97 Benutzer-E/A-Stiften unterstützt die FPGA eine Vielzahl von einzelendeten und differentiellen E/A-Standards, einschließlich LVDs und RSDs.Diese umfangreiche E/A -Fähigkeit ermöglicht eine einfache Integration in eine breite Palette von Peripheriegeräten und Systemen, wodurch die Vielseitigkeit bei der Bereitstellung in verschiedenen Hardware -Umgebungen gewährleistet wird.
• Betriebsbedingungen: Der XC3S200-4TQG144I entwickelt sich in industriellen Umgebungen zuverlässig und arbeitet innerhalb eines Temperaturbereichs von –40 ° C bis +100 ° C.Diese robuste Temperaturtoleranz macht es für den Einsatz unter harten Betriebsbedingungen geeignet.
• Stromversorgung: Es arbeitet mit einer Kernspannung von 1,2 V mit einem zulässigen Bereich von 1,14 V und 1,26 V.Dieser Betrieb mit geringer Leistung eignet sich hervorragend für Anwendungen, die für Stromverbrauch empfindlich sind, und beiträgt dazu, den Energiebedarf der Gesamtsystem zu verringern.
• Einhaltung: Der XC3S200-4TQG144I erfüllt ROHS und erreicht Standards, um die Einhaltung der aktuellen Umwelt- und Sicherheitsvorschriften zu gewährleisten.Diese Compliance unterstützt Unternehmen bei der Aufrechterhaltung nachhaltiger und verantwortungsbewusster Fertigungspraktiken.

Das Pin-Out-Diagramm für das XC3S200-4TQG144I FPGA aus der Xilinx Spartan-3-Familie zeigt die physische Pin-Konfiguration und die Signalzuweisungen für das 144-polige Dünnquad-Pack-Paket (TQFP).Das Diagramm ist in einem quadratischen Format ausgelegt, das die Spitzenansicht des Chips darstellt, wobei die Pin -Nummern rund um den Umfang gekennzeichnet sind.Jede Seite entspricht einer bestimmten Bank (Bank 0 bis Bank 7), die E/A -Stifte mit freigegebenen Spannungsreferenzen gruppiert.
Jedes farbige Box repräsentiert eine Signalart oder eine Spannungsfunktion wie E/A -Signale, Netzteilstifte (Vccint, VCCO), Ground (GND), Konfigurationsstifte (wie init_b oder erledigt) und spezielle Funktionsstifte (z. B. Takteingänge oder JTAG).Die IO_L-Namenskonvention identifiziert differentielle E/O-Paare (wie io_lxxn_pxxx oder io_lxxp_pxxx), nützlich in Hochgeschwindigkeits-Datenschnittstellen.Einige Stifte sind für die Konfiguration, Programmierung oder dedizierte Taktfunktionen reserviert, die für die Geräteeinrichtung und den Betrieb wichtig sind.

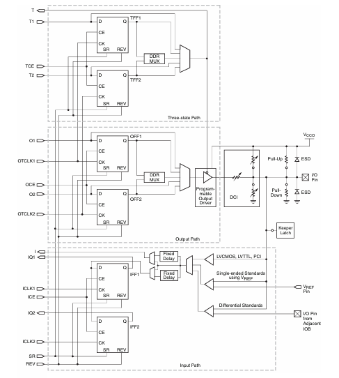
Das Blockdiagramm des XC3S200-4TQG144I, eines Spartan-3-FPGA von AMD (ehemals Xilinx), zeigt die interne Architektur eines E/O-Blocks (IOB) und beschreibt, wie Signale zwischen dem FPGA-Stoff und den externen Pins fließen.Dieses Diagramm repräsentiert die programmierbare Logik und konfigurierbare Pfade, die für jeden E/A -Pin die Eingangs-, Ausgabe- und Tristat -Verhalten steuern.
Oben ermöglicht der Drei-Staaten-Pfad die Ausgangsleistung Signale.Flip-Flops (TFF1, TFF2) empfangen Kontrollsignale (T1, T2) und Timing-Steuerungssignale (TCE, TCK), um festzustellen, ob die Ausgangstreiber aktiv oder in einem Zustand mit hohem Impedanz sind.Ein Multiplexer wählt zwischen verschiedenen Quellen basierend auf programmierbarer Konfiguration.
In der Mitte enthält der Ausgangspfad Flip-Flops (OFF1, OFF2), die Ausgangsdatensignale (O1, O2) speichern, die mit Ausgangsuhren (OTCLK1, OTCLK2) synchronisiert sind.Mit einem Multiplexer- und optionalen DDR -Logik (Double Data Rate) können Daten sowohl an steigenden als auch an fallenden Taktkanten angetrieben werden.Der Ausgangstreiber verbindet eine verschiedene Logik für DCI (digital kontrollierte Impedanz) und unterstützt Pull-up/Pull-Down-Widerstände, ESD-Schutz und Keeper-Riegel, um den Linienzustand beizubehalten, wenn sie nicht gesteuert werden.
Am Boden zeigt der Eingangspfad, wie Eingangssignale (IQ1, IQ2) unter Verwendung der Eingangsaktuhren (ICLK1, ICLK2) in Flip-Flops (IFF1, IFF2) eingesperrt werden.Optionale Verzögerungen sind programmierbar für das Feinabschnitt.Eingänge unterstützen mehrere E/A -Standards, einschließlich LVCMOs, LVTTL und Differentialsignale unter Verwendung von VREF und benachbarten Stiften.
|
Typ |
Parameter |
|
Hersteller |
AMD |
|
Serie |
Spartan®-3 |
|
Verpackung |
Tablett |
|
Teilstatus |
Veraltet |
|
Anzahl der Labors/CLBs |
480 |
|
Anzahl der logischen Elemente/Zellen |
4320 |
|
Gesamt -Ram -Bits |
221184 |
|
Anzahl von i/o |
97 |
|
Anzahl der Tore |
200000 |
|
Spannung - Versorgung |
1,14 V ~ 1,26 V |
|
Montagetyp |
Oberflächenhalterung |
|
Betriebstemperatur |
-40 ° C ~ 100 ° C (TJ) |
|
Paket / Fall |
144-LQFP |
|
Lieferantengerätepaket |
144-TQFP (20x20) |
|
Grundproduktnummer |
XC3S200 |
Digitale Signalverarbeitung (DSP)
Der XC3S200-4TQG144I ist aufgrund seiner speziellen Multiplikatoren und des erheblichen Block-RAM in DSP-Anwendungen ausgestattet.Dies macht es ideal für Aufgaben, die intensive mathematische Berechnungen wie Audio- und Videoverarbeitung erfordern, bei denen Operationen wie Filterung, Modulation und Komprimierung effizient behandelt werden können.
Eingebettete Systeme
Diese FPGA unterstützt Soft-Core-Prozessoren wie Microblaze und Picoblaze, die die Entwicklung komplexer eingebetteter Systeme ermöglichen.Es wird in benutzerdefinierten Steuerungssystemen, intelligenten Geräten und Benutzeroberflächen verwendet, in denen maßgeschneiderte Funktionen wichtig sind.
Industrieautomatisierung
Mit seinen robusten E/A-Fähigkeiten und der Fähigkeit, bei extremen Temperaturen zuverlässig zu arbeiten, eignet sich der XC3S200-4TQG144I perfekt für die industrielle Automatisierung.Es verwaltet die Systeme für motorische Steuerung, Sensor -Schnittstellen und Überwachung, um komplexe industrielle Prozesse zu optimieren und zu automatisieren.
Kfz -Elektronik
In der Automobilelektronik ermöglicht das FPGA Funktionen, die von Infotainment-Systemen bis hin zu komplexen Armaturenbrettsteuerungen und fortschrittlichen Fahrer-Assistance-Systemen (ADAs) reichen.Seine hohe Zuverlässigkeit und Anpassungsfähigkeit machen es zu einer Auswahl für Automobilhersteller.
Kommunikationssysteme
Der XC3S200-4TQG144I ist maßgeblich an der Kommunikationsinfrastruktur wie Router, Schalter und drahtlosen Basisstationen beteiligt.Seine Hochgeschwindigkeitsverarbeitungsfunktionen gewährleisten eine effiziente Datenbearbeitung und Kommunikation in allen Netzwerken.
Bildungs- und Prototyping -Plattformen
Aufgrund ihrer Kosteneffizienz und Vielseitigkeit wird die FPGA in Bildungsumgebungen für das Unterrichten digitaler Designs und FPGA-Technologie häufig eingesetzt.Es wird auch beim Prototyping für das Testen und die Entwicklung neuer digitaler und elektronischer Konzepte bevorzugt.
Medizinprodukte
Die Kapazität des FPGA zur Verarbeitung und Fähigkeit, komplexe Algorithmen zu verarbeiten, machen es für medizinische Geräte geeignet, insbesondere für Bildgebung und diagnostische Geräte, die Präzision und Geschwindigkeit erforderten.
1. Stellen Sie Hardwareverbindungen her: Beginnen Sie mit dem Anschließen des JTAG -Programmierkabels (z. B. Digilent JTAG3 oder Xilinx Platform -Kabel) an Ihren PC und an den JTAG -Header auf der FPGA -Platine.Stellen Sie sicher, dass die Karte eingeschaltet ist und das Kabel ordnungsgemäß gesichert ist, um eine zuverlässige Kommunikation zu ermöglichen.
2. Start -Impact -Tool: Öffnen Sie den Xilinx ISE Project Navigator auf Ihrem Computer.Navigieren Sie im Bereich "Prozesse" und doppelklicken Sie auf "Zielgeräte (Impact) konfigurieren", um die Einrichtung der Geräteprogrammierung zu beginnen.
3. Initialisieren Sie die JTAG -Kette: Sobald der Aufprall geöffnet ist, stellen Sie es auf den "Grenz -Scan" -Modus ein.Klicken Sie mit der rechten Maustaste in den Arbeitsbereich und wählen Sie "Kette initialisieren".Das Tool erkennt und listet automatisch alle über die JTAG -Kette verbundenen Geräte, einschließlich FPGA und angeschlossenen PROM -Chips.
4. Konfigurationsdateien zuweisen: Für die FPGA klicken Sie mit der rechten Maustaste im Impact-Arbeitsbereich auf das Symbol und wählen Sie "neue Konfigurationsdatei zuweisen".Durchsuchen Sie Ihre zuvor kompilierte .bit -Datei und wählen Sie sie aus.Wenn Sie auch einen PROM programmieren, weisen Sie dem Prom -Gerät die entsprechende .mcs -Datei auf die gleiche Weise zu.
5. Setzen Sie Startoptionen: Klicken Sie mit der rechten Maustaste auf "Programmierdatei generieren" im Bereich "Prozesse" und wählen Sie dann "Eigenschaften".Stellen Sie auf der Registerkarte "Startoptionen" sicher, dass die "FPGA-Startuhr" auf "JTAG Clock" eingestellt ist, um die Startuhr des FPGA mit der JTAG-Programmieruhr zu synchronisieren.Klicken Sie auf "OK", um diese Einstellungen zu speichern.
6. Programmieren Sie die Geräte: Um die FPGA zu programmieren, klicken Sie mit der rechten Maustaste auf das Icon in Impact und wählen Sie "Programm".Im Programmdialogfeld können Sie wählen, ob Sie "Überprüfungen" deaktivieren möchten, um den Prozess zu beschleunigen.Klicken Sie auf "OK", um mit der Programmierung zu starten.Wenn Sie einen Abschlussball programmieren, führen Sie eine ähnliche Aktion aus, stellen Sie jedoch sicher, dass die Optionen "vor dem Programmieren" und "Überprüfungen" für die Gründlichkeit ausgewählt werden.
7. Konfiguration überprüfen : Sobald die Programmierung abgeschlossen ist, stellen Sie sicher, dass die Konfiguration des FPGA erfolgreich war, indem der Status der auf der FPGA -Platine "Done" LED -LED beobachtet wurde.Es sollte beleuchtet werden, was darauf hinweist, dass das Gerät korrekt programmiert wurde.Darüber hinaus können Sie die Überprüfungswerkzeuge von Impact verwenden, um weiter zu bestätigen, dass die Programmierung erfolgreich war.
Kosteneffizienz
Der XC3S200-4TQG144I ist so erschwinglich und bietet eine robuste Leistung und macht es ideal für Projekte, die Budgetbeschränkungen erfordern.Diese FPGA kombiniert Funktionen und Kosteneffizienz und bietet einen Wettbewerbsvorteil in hochvolumigen Märkten.
Angemessene Logikressourcen
Ausgestattet mit 4.320 Logikzellen und 480 konfigurierbaren Logikblöcken (CLBs) kann dieses FPGA komplexe digitale Designs bewältigen und eine vielseitige Lösung für mittelgroße Anwendungen bieten.Seine Ressourcen reichen für eine Vielzahl von Verwendungsmöglichkeiten, von der Elektronik bis zur industriellen Automatisierung, ohne teurere, hochwertige Alternativen erforderlich.
Vielseitige E/A -Optionen
Mit 97 Benutzer-E/A-Stiften unterstützt der XC3S200-4TQG144I zahlreiche einzelne und differentielle E/A-Standards, was es für verschiedene Integrationsanforderungen äußerst anpassbar macht.Diese Flexibilität ist gut für Systeme, die mit einer Reihe peripherer Geräte angeschlossen werden.
Industrieemperaturbereich
Die FPGA arbeitet zuverlässig über einen breiten Temperaturbereich von –40 ° C bis +100 ° C, wodurch sie für die Verwendung in harten Umgebungen geeignet ist.Diese Funktion ist für Anwendungen in Automobil- und Industrieumgebungen wertvoll, in denen die Betriebsbedingungen extrem sein können.
Reife Toolchain -Unterstützung
Die Spartan-3-Familie, einschließlich der XC3S200-4TQG144I, wird von der ISE-Designsuite von Xilinx unterstützt, die robuste Tools für die FPGA-Programmierung und -Designoptimierung bietet.Darüber hinaus gibt es umfangreiche Dokumentationen und eine unterstützende Gemeinschaft, die die Entwicklungszeit beschleunigen und Designherausforderungen verkürzen kann.
• Paketart: TQFP-144 (auch als LQFP-144 bezeichnet)
• Körpergröße: 20 mm × 20 mm
• Sitzende Höhe (max): 1,6 mm
• Terminal Tonhöhe: 0,5 mm
• Paketstil: Flatpack, Low Profile, feine Tonhöhe
• Terminalform: Möwenflügel
Der XC3S200-4TQG144I wird von hergestellt von AMD, ein weltweit anerkannter Marktführer für Hochleistungs-Computing- und Halbleitertechnologie.Nach seiner Erfassung von Xilinx hat AMD sein Portfolio um eine breite Palette programmierbarer Logikgeräte wie die Spartan-3-Familie erweitert, zu der diese FPGA gehört.AMD unterstützt weiterhin den XC3S200-4TQG144I unter seiner einheitlichen Marke, um Zuverlässigkeit, langfristige Verfügbarkeit und Zugang zu reifen Entwicklungstools wie der ISE Design Suite zu gewährleisten.Diese Integration spiegelt das Engagement von AMD für die Bereitstellung skalierbarer und effizienter programmierbarer Lösungen für Legacy- und moderne elektronische Systeme wider.
Der XC3S200-4TQG144I ist eine intelligente und erschwingliche Wahl für viele Elektronikprojekte.Es funktioniert gut in schwierigen Umgebungen, bietet flexible Verbindungen und unterstützt die schnelle Datenverarbeitung.Egal, ob Sie an Industriemaschinen, Autoelektronik, Signalverarbeitung oder Studentenprojekten arbeiten, dieser Chip gibt Ihnen das, was Sie brauchen, ohne zu viel zu kosten.Mit einer starken Unterstützung durch AMD- und benutzerfreundliche Design-Tools ist dies eine großartige Option für alle.
Bitte senden Sie eine Anfrage, wir werden sofort antworten.
Ja, es unterstützt die Integration von Soft-Core-Prozessoren wie Microblaze, sodass die benutzerdefinierte Verarbeitungslogik in die FPGA für komplexe Steuerungs- und Signalverarbeitungsaufgaben einbetten kann.
Ja, der XC3S200-4TQG144I wird von der Xilinx ISE-Designsuite vollständig unterstützt, sodass die Programmierung von nahtlosen Projekten, Simulation, Synthese und Hardware zu ermöglichen.
Ja.Der XC3S200-4TQG144I unterstützt verschiedene Differential-E/A-Standards, einschließlich LVDs, wodurch es für die Datenübertragung mit hoher Geschwindigkeit und niedriger Nutzung geeignet ist.
Die Hauptunterschiede liegen im Paketart, der Geschwindigkeitsnote und der Pin -Anzahl.Das "-4TQG144i" ist eine Version mit niedrigerer Geschwindigkeit mit einem 144-poligen TQFP-Paket, während "-5pq208c" eine höhere Geschwindigkeitsqualität und ein größeres 208-pin-PQFP-Paket aufweist.
In den meisten Anwendungen sind Standard -PCB -Layout und natürliche Konvektion ausreichend.Für Hochgeschwindigkeits- oder Hochgeschwindigkeits- oder Hoch-I/O-Verwendung in heißen Umgebungen wird jedoch ein kleiner Kühlkörper oder Luftstrom empfohlen, um die thermische Stabilität aufrechtzuerhalten.
auf 2025/04/22
auf 2025/04/22
auf 8000/04/18 147758
auf 2000/04/18 111938
auf 1600/04/18 111349
auf 0400/04/18 83721
auf 1970/01/1 79508
auf 1970/01/1 66914
auf 1970/01/1 63061
auf 1970/01/1 63012
auf 1970/01/1 54081
auf 1970/01/1 52131