
Abbildung 1. Emittertransistorschaltung
Der Gemeinsamer Emitter Der Verstärker ist einer der beliebtesten Transistorschaltungen, auf die Sie stoßen.Es wird in vielen elektronischen Geräten verwendet, weil es bietet Guter Gewinn und ist ziemlich einfach zusammenzustellen.Die gute Nachricht ist, dass Sie kein Experte sein müssen, um einen zu entwerfen.Mit nur wenigen klaren Schritten und ein wenig Verständnis können Sie eine zuverlässige und effektive Schaltung entwerfen, die für viele Anwendungen gut funktioniert.
Was dieses Verstärkerdesign zugänglich macht, ist, wie einfach die Mathematik ist.Sie werden nicht von komplexen Formeln überwältigt sein.Ein paar einfache Berechnungen verwenden Ohms Gesetz und grundlegende Transistoreigenschaften können Sie zu den richtigen Widerstands- und Kondensatorwerten führen.Sobald Sie den Prozess erhalten, wird das Auswählen von Teilen viel einfacher, zumal Sie häufig Standardwiderstandswerte auswählen können, ohne die Schaltung auszuwerfen.
Es gibt auch viel Flexibilität bei dieser Art von Verstärker.Sie können mit einer sehr einfachen Version beginnen - eine Basis Logikpuffer oder Ausgangstreiber- Verwenden Sie nur einen Transistor, einen Widerstand am Eingang und einen am Sammler.Selbst in dieser Grundform kann die Schaltung nützlich sein, insbesondere wenn Sie ein Signal von hoch auf niedrig oder umgekehrt konvertieren müssen.Dies liegt daran, dass die Schaltung Umdreht das Signal: Wenn der Eingang hoch ist, sinkt der Ausgang niedrig.
Wenn Sie die Dinge noch einen Schritt weiter gehen möchten, können Sie ein paar zusätzliche Teile hinzufügen.Dazu gehören Kondensatoren, um Wechselstromsignale und Widerstände zu verarbeiten, um den richtigen Betriebspunkt für den Transistor festzulegen.Ein Emitter -Bypass -Kondensator kann auch hinzugefügt werden, um den Gewinn für Wechselstromsignale zu verbessern.Diese Ergänzungen machen die Schaltung nicht viel komplizierter, aber sie bieten Ihnen eine bessere Kontrolle darüber, wie der Verstärker ausgeführt wird.Mit nur ein wenig Übung und Optimierungen können Sie eine Version entwerfen, die für Ihre spezifischen Anforderungen gut funktioniert.
Diese Art von Gemeinsame Emitterschaltung ist wahrscheinlich einer der einfachste Transistorschaltungen Sie können bauen.Es wird oft als einfaches verwendet Logikpuffer oder Signal Wechselrichter, und es ist ein großartiger Ausgangspunkt, wenn Sie gerade in Transistor-basierte Elektronik eingehen.Das Setup ist minimal - Sie brauchen nur a Transistor, eins Widerstand mit dem Eingang verbunden (die Basis des Transistors) und eine andere am Sammler angeschlossener Widerstand.Selbst mit nur diesen wenigen Teilen tut die Schaltung etwas sehr Nützliches.
Der Eingangswiderstand Hilft, indem die Strommenge steuert, die in die Basis des Transistors fließt.Dies verhindert, dass zu viel Strom den Transistor beschädigt oder andere Teile Ihres Stromkreises beeinträchtigt.Inzwischen die Sammlerwiderstand spielt eine andere Rolle.Es ist wo der Die Ausgangsspannung wird entwickelt.Wenn der Transistor einschalten, fließt der Strom durch ihn und die Kollektorspannung fällt und erzeugt a Niedriges Signal am Ausgang.
Die Art und Weise, wie die Schaltung funktioniert, ist einfach, aber klug.Wenn die Eingangssignal ist hoch- Sagen Sie von einem Logik -Tor oder einem Mikrocontroller - er drückt einen kleinen Strom in die Basis des Transistors.Dieser kleine Basisstrom lässt a größerer Strom zum Fluss Vom Sammler bis zum Emitter, indem Sie den Transistor "einschalten".In diesem Fall fällt die Spannung am Sammler nahe Null, und Sie erhalten eine Niedrige Ausgabe.Mit anderen Worten, eine hohe Eingabe gibt Ihnen eine Niedrige Ausgabe, was genannt wird Inversion oder Phasenumkehr.Dies ist a Schlüsselfunktion des gemeinsamen Emitterverstärkers.

Abbildung 2. Grundlegende gemeinsame Emittertransistorverstärker für die Logikeinsatz
Diese Art von Schaltung ist sehr praktisch, wenn Sie wollen Starten Sie ein niedriges Signalgerät oder müssen Verschiebungsniveaus zwischen verschiedenen Teilen eines digitalen Systems.Zum Beispiel kann es verwendet werden Kontrolle einer LED oder einfach als einfaches dienen Schnittstelle zwischen logischen ICs.Es ist schnell zu bauenAnwesend leicht zu verstehen, Und Nimmt nicht viel Platz ein oder Leistung.Wenn Sie also eine Logikebene entwerfen und eine benötigen Zuverlässige SchaltphaseDieser gemeinsame Emitter -Setup ist a Smart und einfache Option.
Der Aufbau eines gemeinsamen Emitter -Logikverstärkers ist einfach, wenn Sie ihn in einfache Schritte zerlegt haben.In diesem Teil des Leitfadens können Sie die richtigen Teile auswählen und ihre Werte herausfinden, damit Ihre Schaltung so funktioniert, wie sie sollte.Jeder Schritt konzentriert sich auf einen Teil des Setups und erleichtert es einfach, mitzumachen.
Wählen Sie zunächst einen Transistor aus, der zu Ihrem Projekt passt.Überlegen Sie, wie viel Strom Ihre Schaltung nutzen wird und wie schnell der Transistor ein- und ausschalten muss.Für Logikschaltungen ist schneller Schaltwechsel wichtig, sodass ein Schalttransistor normalerweise die beste Wahl ist.Stellen Sie sicher, dass es die Spannung zwischen Sammler und Emitter verarbeiten kann.Überprüfen Sie außerdem seine Stromverstärkung (als β oder HFE dargestellt).Dies zeigt, wie viel Basisstrom benötigt wird, um den Transistor zu steuern.Ein höherer Gewinn bedeutet, dass Sie weniger Basisstrom benötigen, aber für den Fall ist es immer sicherer, einen niedrigeren Gewinn zu planen.
Der Kollektorwiderstand legt die Ausgangsspannung fest, wenn sich der Transistor ein- oder ausschalten.Um seinen Wert zu ermitteln, müssen Sie zunächst wissen, wie viel aktuell Ihr Lastanforderungen ist.Anschließend können Sie den Widerstandswert berechnen.Wenn Sie beispielsweise über eine Netzteil von 5 V haben und 5 mA Strom wünschen, benötigen Sie einen 1kΩ -Widerstand (5 V ÷ 0,005a).Es ist in Ordnung, es auf den nächsten Standard -Widerstandswert zu runden.
Um den Transistor vollständig einzuschalten, benötigt er an der Basis genug Strom.Teilen Sie den Sammlerstrom durch die Verstärkung (β), um den Basisstrom zu finden.Verwenden Sie dann die Spannungsdifferenz zwischen Ihrem Eingang und der Basis-Emitter-Spannung (normalerweise etwa 0,6 V für Siliziumtransistoren), um den Widerstandswert zu finden.Wenn Ihr Eingang beispielsweise 5 V ist und Sie an der Basis 0,25 mA möchten, sollte der Widerstand (5 V - 0,6 V) ÷ 0,00025A = 17,6 kΩ sein.Sie können das auf einen nahe gelegenen Standardwert wie 18 kΩ runden.
Gehen Sie vor dem Ende zurück und überprüfen Sie alle Ihre Zahlen.Stellen Sie sicher, dass der Transistor den Strom und die Spannung verarbeiten kann.Überprüfen Sie, ob die Ausgangsspannung so niedrig fällt, wenn sie eingeschaltet ist, und dass Ihre Eingangsquelle den erforderlichen Basisstrom liefern kann.Bestätigen Sie außerdem, dass Ihre Widerstände Standardwerte sind und die Leistung bewältigen können, ohne zu viel zu erwärmen.Wenn etwas ausgeschaltet scheint, passen Sie es an und berechnen Sie neu.Ein kurzer Scheck kann jetzt viel Zeit später sparen.
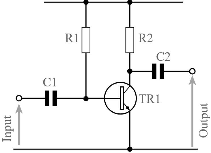
Diese Version des gemeinsamen Emitterverstärkers enthält a Kondensator, was es für die Arbeit mit der Arbeit besser geeignet macht Wechselstromsignale wie Audio oder andere Spannungseingänge.Der Kondensator wird am Eingang an platziert Blockieren Sie jede Gleichspannung Das könnte aus der vorherigen Phase kommen, und erlaubt nur die AC -Teil des Signals durchgehen.Dieses Setup hilft, wenn Sie wollen Signale verstärken, die im Laufe der Zeit variieren, ohne die zu beeinflussen DC -Vorurteile des Transistors.
Dieses Design verwendet jedoch nur ein einzelner Widerstand, um die Basis zu beeinflussen des Transistors.Während das die Dinge einfach hält, bedeutet es auch den Transistor des Transistors Betriebspunkt, oder Gleichstromverzerrung ist nicht sehr stabil.Das liegt daran, dass die Verzerrung stark von dem Transistor abhängt Stromverstärkung (β), Dies kann stark von einem Transistor zum anderen variieren - auch innerhalb desselben Typs.Infolgedessen funktioniert der Verstärker möglicherweise nicht immer auf die gleiche Weise, wenn die Der Transistor wird ersetzt oder wenn die TemperaturänderungenDa beide β beeinflussen können.
Trotzdem kann diese Schaltung nützlich sein, wenn Sie keine perfekte Stabilität benötigen und nur eine wünschen Schneller, einfacher Wechselstromverstärker.Es ist Ein guter Ausgangspunkt zum Lernen wie Wechselstromkopplung funktioniert und wie Transistoren in einem Verstärker verhalten.Sobald Sie die Grundlagen hier verstanden haben, sind Sie besser auf den Bau vorbereitet stabilere und flexiblere Versionen durch Hinzufügen von mehr Widerständen und anderen Komponenten später.

Abbildung 3..
Das Zusammenstellen eines grundlegenden AC-gekoppelten Verstärkers ist ein einfacher Vorgang, wenn Sie ein paar klaren Schritten befolgen.Diese Art von Verstärker wird häufig für Signale verwendet, die sich im Laufe der Zeit wie Audio ändern.Die folgenden Schritte helfen Ihnen dabei, die richtigen Teile auszuwählen und zu überprüfen, ob alles wie erwartet funktioniert.
Wählen Sie zunächst einen Transistor aus, der den Anforderungen Ihres Stromkreises entspricht.Denken Sie darüber nach, wie viel Spannung es zwischen Kollektor und Emitter erledigt wird, wie viel Strom, in dem es umgehen kann, und in welchem Frequenzbereich er funktionieren sollte. Für allgemeine Verstärker funktioniert ein grundlegender NPN-Transistor wie das 2N3904 oft gut, aber Sie können andere auswählen, die auf Ihrem spezifischen Projekt basieren.
Der Kollektorwiderstand hilft bei der Einstellung der Ausgangsspannung.Ein guter Ausgangspunkt besteht darin, den Sammler auf etwa die Hälfte der Versorgungsspannung zu setzen.Dies gibt Ihrem Signalraum, um sowohl auf und ab zu schwingen.Verwenden Sie das OHM -Gesetz (r = v / i), um den Wert zu finden.Entscheiden Sie einfach, wie viel Strom Sie durch den Widerstand fließen möchten, und teilen Sie die Spannung durch diesen Strom darüber.
Um den Transistor korrekt zum Laufen zu bringen, müssen Sie die richtige Strommenge in seine Basis einfügen.Teilen Sie zunächst den Kollektorstrom durch den Gewinn (β) des Transistors (β), um den Basisstrom zu finden.Verwenden Sie dann die Versorgungsspannung und die Tatsache, dass die Basis normalerweise etwa 0,6 V über dem Boden sitzt, um den Basiswiderstand zu finden.Ohms Gesetz ist hier wieder nützlich.
Kondensatoren werden verwendet, um DC -Signale zu blockieren und Wechselstromsignale zu bestehen.Um die richtige Größe zu wählen, sehen Sie sich die niedrigste Frequenz an, die Ihr Signal verwendet, und den Eingangs- oder Ausgangswiderstand, den es durchläuft.Verwenden Sie die Formel XC = 1 / (2πfc), um sicherzustellen, dass die Reaktanz des Kondensators mit dieser Frequenz mit der Impedanz übereinstimmt.Dies hält Ihr Signal stark, ohne das niedrige Ende abzuschneiden.
Wenn Sie alle Teile ausgewählt haben, nehmen Sie sich einen Moment Zeit, um alles zu überprüfen.Schauen Sie sich Ihre Widerstandswerte, Stromniveaus und Kondensatorentscheidungen an.Stellen Sie sicher, dass der Transistor im rechten Bereich arbeitet und der Signalweg klar ist.Kleine Verbesserungen in dieser Phase können Ihren Verstärker nach dem Bau viel besser abschneiden.
Wenn Sie eine wollen zuverlässiger Und Besserer VerstärkerDiese Version der gemeinsamen Emitterschaltung ist der richtige Weg.Durch Hinzufügen einiger zusätzlicher Komponenten - wie mehr Widerständen und Kondensatoren- Sie machen die Schaltung stabiler Und Verbessern Sie seinen Gewinn, besonders für Wechselstromsignale.Diese hinzugefügten Teile helfen dem Verstärker beim Aufenthalt konsistentAuch wenn sich die Eigenschaften des Transistors leicht ändern oder sich die Temperaturverschiebungen verschieben.
Eine der wichtigsten Verbesserungen in diesem Design ist die Verwendung von a Spannungsteiler mit zwei Widerständen gemacht zu Voreingenommene Basis.Das macht das Basisspannung viel vorhersehbarerDies bedeutet, dass der Transistor in seiner korrekten Betriebsregion zuverlässig mehr bleibt.Die Schaltung enthält auch eine Emitterwiderstand Das setzt die Emitterspannung und hilft dabei Stabilität.Dieser Widerstand macht den Transistor weniger empfindlich gegenüber Änderungen der Stromverstärkung (β), Das ist wichtig, wenn Sie eine konsequente Leistung anstreben.
Zu Steigern Sie den Wechselstromgewinn, A Kondensator wird über den Emitterwiderstand hinzugefügt.Das Bypass Kondensator Ermöglicht Wechselstromsignale, den Widerstand zu "überspringen", Erhöhen Sie den Gesamtgewinn des Stromkreises für diese Signale, während die Gleichstrombias stabil bleibt.Das Ergebnis ist eine Schaltung, die nicht nur ist mehr zuverlässig gibt dir aber auch eine stärkeres, saubereres Ausgangssignal.
Diese Version ist besonders nützlich, wenn Sie etwas bauen dauerhafter oder wenn Ihr Verstärker muss Stellen Sie eine Verbindung zu anderen Phasen her, ohne die Signalqualität zu verlieren.Es mag etwas komplexer aussehen als die Grundversion, aber die Vorteile, die es in Leistung und Zuverlässigkeit bringt Machen Sie es zu einem guten Schritt nach vorne, sobald Sie mit den einfacheren Designs vertraut sind.

Abbildung 4. Verbesserter gemeinsamer Emitterverstärker mit mehr Komponenten
Diese Version des Verstärkers enthält mehr Komponenten, die Ihnen eine bessere Leistung bieten, insbesondere wenn es um Gewinn- und DC -Stabilität geht.Die folgenden Schritte brechen den Prozess der Auswahl von Werten und dem Entwerfen Ihrer Schaltung klar und einfach ab.
Wählen Sie einen Transistor basierend auf dem, was Ihr Schaltkreis in Bezug auf Spannung, Strom und Signalart benötigt.Ein allgemeiner NPN-Transistor funktioniert in vielen Fällen gut. Stellen Sie jedoch sicher, dass es Ihre Versorgungsspannung und Ihren Strom ohne Probleme bewältigen kann.
Entscheiden Sie, wie viel Strom Ihre Schaltung benötigt, um sich in die nächste Stufe einzusetzen.Wählen Sie dann eine Kollektorspannung, die etwa die Hälfte der Versorgungsspannung entspricht - dies verleiht Ihrem Signalraum, sich auf und ab zu bewegen.Verwenden Sie das OHM -Gesetz (r = v / i), um den richtigen Widerstandswert herauszufinden.
Setzen Sie die Emitterspannung für eine bessere Stabilität auf etwa 1 V oder etwa 10% Ihrer Versorgungsspannung.Da der Emitterstrom nahezu gleich ist wie der Kollektorstrom, können Sie den Emitterwiderstand berechnen, indem Sie die Emitterspannung durch den Strom teilen.
Um den Basisstrom zu finden, teilen Sie den Kollektorstrom durch den Gewinn des Transistors (β oder HFE).Wenn der Verstärkung unterschiedlich ist, ist es sicherer, das untere Ende des Bereichs zu verwenden, um sicherzustellen, dass der Transistor immer noch ordnungsgemäß einschaltet.
Die Basisspannung ist die Emitterspannung plus die Basis-Emitter-Junction-Spannung.Für Siliziumtransistoren sind dies etwa 0,6 V.Wenn der Emitter bei 1 V ist, sollte die Basis bei etwa 1,6 V liegen.
Verwenden Sie zwei Widerstände in einem Spannungsteiler (R1 und R2), um die richtige Spannung an der Basis zu erhalten.Eine gute Regel ist, den Strom etwa das Zehnfache des Basisstroms durch sie zu machen.Dies hilft, die Basisspannung stabil zu halten.Wählen Sie die Widerstandswerte basierend auf der benötigten Spannung und Ihrer Versorgungsspannung.
Fügen Sie einen Kondensator über den Emitterwiderstand hinzu.Dadurch können Wechselstromsignale den Widerstand umgehen und den Gewinn erhöhen.Wählen Sie einen Kondensator mit einer Reaktanz, die dem Emitterwiderstand bei der niedrigsten Frequenz Ihres Stromkreises entspricht.
Der Eingangskondensator sollte eine Reaktanz haben, die dem Eingangswiderstand bei der niedrigsten Frequenz Ihres Signals übereinstimmt.Dadurch werden niederfrequente Signale nicht blockiert.Sie können den Eingangswiderstand als den Gewinn des Transistors für den Emitterwiderstandswert schätzen.
Dieser Kondensator übergibt das amplifizierte Signal an die nächste Stufe, während DC blockiert.Wählen Sie einen Wert, der dem Widerstand der Last (dem nächsten Teil der Schaltung) mit der niedrigsten Frequenz entspricht, mit der Sie arbeiten.
Wenn Ihr Design abgeschlossen ist, nehmen Sie sich einen Moment Zeit, um zurück zu gehen und alles zu überprüfen.Stellen Sie sicher, dass der Transistor immer noch den Strom und die Spannung verarbeiten kann, Ihre Widerstandswerte sinnvoll sind und alle Ihre Kondensatorauswahl die richtigen Frequenzen unterstützen.Eine schnelle Bewertung hilft, später Probleme zu vermeiden.
Wenn Sie einen gemeinsamen Emitterverstärker bauen, hilft es zu wissen, wie er mit dem Handel geht anderes Signal Frequenzen.Einige Signale gehen leicht durch, während andere je nach den von Ihnen verwendeten Teilen schwächer werden - insbesondere die Kondensatoren und Widerstände.
Der Frequenzbereich, den Ihr Verstärker gut verarbeiten kann Bandbreite.Bei sehr niedrig FrequenzenDie Kondensatoren können wie Blöcke verhalten, weil sie ihre Widerstand (als Reaktanz bezeichnet) steigt hoch.Bei HochfrequenzenSie lassen Signale leichter passieren.Deshalb ist es wichtig zu wählen Kondensatorwerte basierend auf dem niedrigste Frequenz Ihr Stromkreis muss mit arbeiten.Zum Beispiel, wenn Ihr Signal aufgeht 20 HzIhre Kondensatoren sollten groß genug sein, um dies ohne zu viel Verlust durchzusetzen.
Der Kondensator über den Emitterwiderstand - als der als der bekannt Bypass -Kondensator- Außerdem macht es einen großen Unterschied.Es hilft Erhöhen Sie den Verstärkergewinn für Wechselstromsignale.Wenn dieser Kondensator zu klein ist, kann Ihr Schaltkreis möglicherweise Verstärkung bei niedrigeren Frequenzen verlieren.Mit dem richtigen Wert steigert es jedoch die Leistung, ohne sich auf Ihr DC -Setup auswirken.
Wenn Sie dies verstehen, können Sie Teile auswählen, die Ihren Verstärker machen arbeiten besser Für die Signale, die Sie verwenden, ob es für Sie ist Audio, Sensoren oder andere Wechselstromquellen.Sobald Sie den Dreh raus haben, wird das Anpassen Ihres Designs für verschiedene Frequenzbereiche viel einfacher.
Nachdem Sie Ihre Verstärkerschaltung zusammengestellt haben, ist es eine gute Idee dazu Überprüfen Sie das alles Ist wie erwartet arbeiten.Sie benötigen keine komplizierten Werkzeuge - ein einfaches Multimeter ist oft genug, um loszulegen, und eine Oszilloskop ist hilfreich, wenn Sie das Signal detaillierter betrachten möchten.
Verwenden Sie mit dem Multimeter, um das zu überprüfen Versorgungsspannung und bestätigen Sie, dass es die Schaltung erreicht.Messen Sie dann die Spannung an der Sammler, Basis, Basis, Und Emitter des Transistors.In den meisten Fällen die Der Sammler sollte etwa die Hälfte der Versorgungsspannung sein, während der Emitter etwas über der Erde ist.Der Base sollte um 0,6 Volt höher als der Emitter Wenn Sie einen Siliziumtransistor verwenden.Diese Lesungen helfen Ihnen zu wissen, ob die Der Transistor ist ordnungsgemäß voreingenommen und bereit zu verstärken.
Wenn Sie eine haben Signalgenerator und an OszilloskopSie können testen, wie der Verstärker mit einem kleinen Wechselstromsignal umgeht.Verbinden a Niederfrequenz-Sinuswelle zum Eingang und überprüfen Sie die Ausgabe auf dem Zielfernrohr.Sie sollten a sehen Größere Version des Eingangssignals, umgedreht auf den Kopf.Wenn die Ausgabe aussieht zu schwach oder verzerrtÜberprüfen Sie Ihre Widerstands- oder Kondensatorwerte.
Auch ohne Umfang können Sie versuchen, eine zu verwenden Audiosignal- wie von einem Telefon- oder Musikplayer - und verbinden a kleiner Sprecher zum Ausgang durch a Kondensator.Wenn Sie den Klang hören, bedeutet dies, dass der Verstärker funktioniert.
Testen Stellen Sie sicher, dass Ihre Schaltung das tut, was er soll, und er gibt Ihnen auch eine Besser fühlen, wie es sich verhält.Es ist ein einfacher, aber nützlicher Schritt, der Ihr Projekt macht zuverlässiger.
Während Sie mehr Zeit damit verbringen Transistorschaltungenbesonders häufig Emitterverstärkerdie Auswahl des Rechtstransistor wird einfacher und natürlicher.Zunächst könnte es das Gefühl haben, dass es zu viele Optionen gibt, aber im Laufe der Zeit werden Sie ein besseres Gefühl dafür bekommen, was für verschiedene Arten von Schaltungen am besten funktioniert.Sie werden anfangen, Muster zu erkennen - wie für welche Transistoren gut sind allgemeine Verstärker und für welche sind besser geeignet Umschalten.
Für VerstärkerschaltungenSie möchten normalerweise einen Transistor, der a bietet Anständiger Gewinn, behandelt deine Versorgungsspannung bequem und gut abschneidet die Frequenz Du arbeitest mit.Sie brauchen nicht immer etwas High-End-viele Häufige, erschwingliche Transistoren Arbeiten Sie vollkommen gut für grundlegende Audio- oder Signalverstärker.
Andererseits, wenn Sie einen Stromkreis bauen, in dem der Transistor eher wie eine wirkt Ein-Aus-Schalter- wie die Kontrolle eines LED, Motor oder Relais- Es ist besser, a zu wählen Transistor wechseln.Diese sind ausgelegt, um sich schnell ein- und ausschalten und Handle Scharfe Änderungen des Stroms ohne Verzögerung.Auch wenn ein Transistor eine hat Hochgeschwindigkeitsbewertung oder a Schnelle Reaktionszeit (Wie eine hohe FT) bedeutet es nicht immer, dass es in einem Schaltkreis gut funktioniert. Transistoren wechseln sind zum Handeln gemacht schnelle Übergänge und plötzliche Lasten effektiver.
Versuchen Sie in der Regel in der Regel Passen Sie den Transistor an den Job an es muss tun.Mit der Übung werden Sie einige finden Optionen Das funktioniert in den meisten Ihrer Schaltungen.Ob es ist für ein Signal verstärken oder als a Digitaler Schaltermit der richtige Transistortyp Hilft Ihren Schaltkreisen zuverlässig zu laufen und die Art und Weise, wie Sie es erwarten, abzuführen.
Jetzt, da Sie untersucht haben, wie ein gemeinsamer Emitterverstärker funktioniert und wie Sie Schritt für Schritt von einer schrittweisen Erstellung von Verstärkern sind, sollten Sie sich sicherer fühlen, wenn Sie Ihre eigene Schaltung zusammenstellen.Unabhängig davon, ob Sie mit einfachen Logiksignalen arbeiten oder Wechselstromeingänge wie Audio verstärken, ist diese Art von Schaltung eine solide Wahl.Denken Sie daran, sich mit den Berechnungen Zeit zu nehmen und Ihre Komponentenwerte zu überprüfen.Mit ein wenig Übung finden Sie es einfacher, Verstärker zu erstellen, die gut für das Projekt funktionieren, an dem Sie arbeiten.
Bitte senden Sie eine Anfrage, wir werden sofort antworten.
Ein gemeinsamer Emitterverstärker nimmt ein kleines Eingangssignal und macht es größer.Es wird oft verwendet, um Audio oder andere Signale zu steigern, damit sie eine andere Stufe oder ein anderes Gerät fahren können.
Der Ausgang wird wegen der Funktionsweise des Transistors in diesem Setup umgekehrt.Wenn der Eingang hoch ist, schaltet der Transistor ein und zieht den Ausgang niedrig, wodurch das entgegengesetzte Signal erzeugt wird.
Sie müssen keinen verwenden, aber ein Bypass -Kondensator über den Emitterwiderstand zu bringen, hilft, den Wechselstromverstärkung zu erhöhen.Es ermöglicht es, Wechselstromsignale zu vergehen und gleichzeitig die DC -Stabilität zu halten.
Verwenden Sie das OHM -Gesetz, um die Widerstandswerte basierend auf Ihrer Versorgungsspannung und Ihrem gewünschten Strom zu berechnen.Standard -Widerstandswerte in der Nähe Ihres Ergebnisses funktionieren normalerweise gut.
Sie können die meisten allgemeinen NPN-Transistoren verwenden, aber es ist besser, einen auszuwählen, der Ihren Spannungs-, Strom- und Geschwindigkeitsanforderungen entspricht.Verwenden Sie zum Logikschalter einen Transistor zum Umschalten.
auf 2025/04/1
auf 2025/03/31
auf 8000/04/18 147757
auf 2000/04/18 111936
auf 1600/04/18 111349
auf 0400/04/18 83721
auf 1970/01/1 79508
auf 1970/01/1 66912
auf 1970/01/1 63048
auf 1970/01/1 63012
auf 1970/01/1 54081
auf 1970/01/1 52128