
Die EPM7512BFC256-5 ist ein CPLD mit hoher Dichte aus der MAX 7000B-Familie, das für die Handhabung komplexer Steuerungs- und Schnittstellenlogik in digitalen Systemen entwickelt wurde.Es bietet etwa 10.000 nutzbare Gatter und 512 Makrozellen, die so angeordnet sind, dass sie flexible Decodierung, Zustandsmaschinen und Bushandhabung in einem Gerät unterstützen.Der CPLD verwendet eine EEPROM-basierte Konfiguration mit einer internen 2,5-V-Versorgung, sodass die Logik nicht flüchtig ist und ohne externen Konfigurationsspeicher betriebsbereit ist.Untergebracht in einem 256-Ball-FBGA-Gehäuse unterstützt es eine große Anzahl von Benutzer-IO-Pins und eignet sich daher für dichte Platinen, die viele Signalanschlüsse auf kompakter Grundfläche erfordern.Zu den typischen Anwendungen gehören Klebelogik, Adressdekodierung, Peripherieschnittstellen und kundenspezifische Anpassung auf Platinenebene in Kommunikations-, Industrie- und eingebetteten Anwendungen.Suchen Sie nach EPM7512BFC256-5?Kontaktieren Sie uns, um den aktuellen Lagerbestand, die Lieferzeit und die Preise zu überprüfen.

Das Leiterplattenlayout ist für ein 256-Pin-FineLine-BGA-Gehäuse konzipiert, während das SameFrame-Pinbelegungskonzept ein 100-Pin-FineLine-BGA-Gerät auf eine Teilmenge der gleichen Lötkugelpositionen ausrichtet, sodass beide Pakete auf derselben Platinenfläche montiert werden können.Das mittlere Bild stellt das gemeinsame Landmuster auf der Platine dar, und die unteren Bilder kennzeichnen die kompatiblen 100-Pin- und 256-Pin-FineLine-BGA-Optionen, die als reduzierte bzw. erhöhte E/A-Anzahl oder Logikanforderungen beschrieben werden.Pfeile zwischen der Platine und den beiden Gehäusezeichnungen zeigen an, dass ein Layout Geräte mit unterschiedlicher Pinanzahl unterstützen kann, was eine Migration zwischen Mitgliedern der MAX 7000B-Familie wie EPM7512BFC256-5 ermöglicht, ohne das zugrunde liegende Platinendesign zu ändern.



Der EPM7512BFC256-5 verwendet eine EEPROM-basierte Logikstruktur, die Konfigurationsdaten im Gerät speichert.Dadurch kann das CPLD betriebsbereit hochgefahren werden, ohne auf einen externen Speicher angewiesen zu sein, was ein stabiles Verhalten über wiederholte Ein- und Ausschaltzyklen hinweg gewährleistet.Die Architektur behält ihre programmierten Funktionen auch dann bei, wenn das System vollständig heruntergefahren ist.
Das Gerät wird mit einer internen Versorgung betrieben, die in einem Bereich von etwa 2,375 V bis 2,625 V liegt, wobei 2,5 V der typische Wert ist.Dieser Bereich unterstützt einen stabilen Betrieb unter verschiedenen Platinenbedingungen und trägt dazu bei, dass das Schaltverhalten vorhersehbar bleibt.Es ermöglicht dem CPLD auch den Einsatz in Systemen, die den Konstruktionspraktiken für Niederspannung folgen.
Der EPM7512BFC256-5 unterstützt Updates über die IEEE 1149.1 JTAG-Schnittstelle, sodass Benutzer das Gerät programmieren oder anpassen können, während es auf der Platine verlötet bleibt.Dies macht es praktisch, während der Entwicklung und beim Testen Logikfunktionen zu verfeinern, die Konnektivität zu prüfen oder Überarbeitungen vorzunehmen.Der Prozess funktioniert, ohne dass das CPLD entfernt oder umliegende Komponenten unterbrochen werden müssen.
Insgesamt 512 Makrozellen sind in 32 Logik-Array-Blöcken angeordnet, was dem Gerät ein Layout verleiht, das viele Ebenen von Steuerungs- und Decodierungsaufgaben bewältigen kann.Jede Makrozelle kann so konfiguriert werden, dass sie eine Reihe von Logikfunktionen unterstützt, sodass Designer einfache und umfassende Ausdrücke in einem Gerät kombinieren können.Diese Struktur hilft dem CPLD, große Mengen zusammengehöriger Signale zu verwalten.
Der EPM7512BFC256-5 bietet etwa 10.000 nutzbare Gatter und bietet damit ausreichend Platz, um mehrere diskrete Logikkomponenten durch ein programmierbares Gerät zu ersetzen.Diese Gate-Anzahl eignet sich für Systeme, die eine umfassende Decodierung, Zeitsteuerung oder ein benutzerdefiniertes Zustandsverhalten in einem kompakten Bereich benötigen.Es unterstützt die Logikkonsolidierung, ohne zusätzlichen Platz auf der Platine hinzuzufügen.
Mit 212 Benutzer-IO-Pins unterstützt das Gerät Designs, die viele Verbindungspunkte für Busse, Steuerleitungen oder Peripherieschnittstellen erfordern.Die hohe Pinzahl ermöglicht die direkte Weiterleitung mehrerer Signale zum und vom CPLD ohne zusätzliche Puffer.Dies trägt dazu bei, das Platinenlayout in dichten Systemen zu vereinfachen.
Das 256-Ball-FBGA-Gehäuse verwendet ein 17 x 17-Layout, das gut in kompakte Leiterplatten passt.Das oberflächenmontierte Format trägt dazu bei, die Gesamthöhe zu reduzieren und gleichzeitig freie Verlegungswege unter dem Gerät zu ermöglichen.Die Grundfläche unterstützt eine stabile Platzierung und ermöglicht enge Komponentenabstände in modernen Baugruppen.
Das CPLD bietet Ausbreitungsverzögerungen in der Nähe von 5,5 ns und ermöglicht so ein reaktionsfähiges Verhalten für Logikpfade, die schnelle Übergänge erfordern.Dieses Timing unterstützt Anwendungen, bei denen Signale ohne große Verzögerungen mehrere Stufen durchlaufen müssen.Es trägt dazu bei, einen sauberen, vorhersehbaren Durchfluss durch Steuer- und Schnittstellenkreise aufrechtzuerhalten.
Das Gerät erreicht Betriebsgeschwindigkeiten um 160 MHz, wobei diese Sorte bei typischer Nutzung etwa 163,9 MHz unterstützt.Dieser Frequenzbereich ermöglicht es dem CPLD, schnelle Zustandsänderungen und zeitgesteuerte Prozesse zu bewältigen.Es funktioniert gut in Systemen, in denen Steuersignale schneller aktualisiert werden.
Der Betriebsbereich von 0 °C bis 70 °C unterstützt den stabilen Einsatz in typischen Innenumgebungen.Das Gerät behält in diesem Bereich sein programmiertes Verhalten und Timing bei und eignet sich daher für handelsübliche Standardgeräte.Dieses Temperaturfenster deckt die üblichen Raumtemperaturen bis hin zu warmen Bedingungen in geschlossenen Systemen ab.
| Produktattribut | Attributwert |
| Hersteller | Intel |
| Spannungsversorgung – Intern | 2,375 V ~ 2,625 V |
| Gerätepaket des Lieferanten | 256-FBGA (17x17) |
| Serie | MAX® 7000B |
| Programmierbarer Typ | Im System programmierbar |
| Paket/Koffer | 256-BGA |
| Paket | Tablett |
| Betriebstemperatur | 0°C ~ 70°C (TA) |
| Anzahl der Makrozellen | 512 |
| Anzahl der Logikelemente/Blöcke | 32 |
| Anzahl der E/A | 212 |
| Anzahl der Tore | 10000 |
| Montageart | Oberflächenmontage |
| Verzögerungszeit tpd(1) Max | 5,5 ns |
| Basisproduktnummer | EPM7512 |

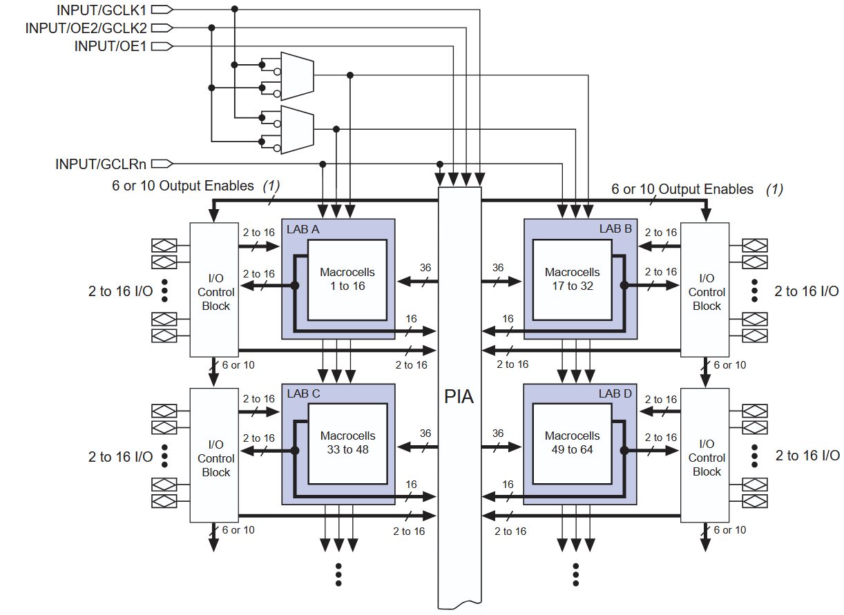
Die interne Architektur des EPM7512BFC256-5 ist um mehrere Logik-Array-Blöcke herum angeordnet, von denen jeder Gruppen von Makrozellen enthält, die durch ein zentrales programmierbares Verbindungsarray verbunden sind, das Signale zwischen Logik und E/A weiterleitet.Globale Eingänge mit der Bezeichnung „Clock“, „Clear“ und „Output-Enable“ versorgen ein kleines Steuernetzwerk oben im Diagramm, das gemeinsame Steuersignale an alle Logikblöcke und E/A-Abschnitte verteilt.Jede Seite des Geräts umfasst I/O-Steuerblöcke, die mit externen Pins verbunden sind, angezeigt als Bereiche wie „2 bis 16 I/O“, mit lokalen Verbindungen zu nahegelegenen Logik-Array-Blöcken und breiterem Zugriff über das Verbindungsarray.Ausgangsfreigabeleitungen, die als „6 oder 10 Ausgangsfreigaben“ bezeichnet werden, fächern sich in Richtung der E/A-Strukturen auf, sodass Gruppen von Ausgängen die Freigabesteuerung gemeinsam nutzen können.Hinweise unter der Abbildung erläutern, dass Gerätemitglieder derselben Familie möglicherweise eine unterschiedliche Anzahl dieser gemeinsam genutzten Aktivierungsleitungen unterstützen. Dies bestätigt, dass das Diagramm die gemeinsame interne Organisation darstellt, die von MAX 7000B-Geräten, einschließlich EPM7512BFC256-5, verwendet wird.

Die Makrozellenstruktur für EPM7512BFC256-5 kombiniert ein lokales LAB-Array auf der linken Seite, in dem 36 Signale vom programmierbaren Verbindungsarray und 16 Expander-Produktterme eine Produktterm-Auswahlmatrix und gemeinsame Logikexpander speisen, mit einem Steuer- und Registerabschnitt auf der rechten Seite, der Taktung, Löschung und Datenweiterleitung verwaltet.Parallele Logikexpander von benachbarten Makrozellen verbinden die lokalen Signale, um die Summe der Produkte zu bilden, die das Hauptlogikgatter ansteuern, das dann mit einem programmierbaren Register verbunden wird, das für einen rein kombinatorischen Betrieb umgangen werden kann.Globale Lösch- und zwei globale Taktleitungen gehen in dedizierte Auswahlschaltkreise ein und ermöglichen die unabhängige Auswahl von schnellem Eingang, Takt- oder Freigabequelle und Löschverhalten für jede Makrozelle.Der registrierte oder kombinatorische Ausgang steuert sowohl den I/O-Steuerblock als auch das programmierbare Verbindungsarray, während ein optionaler schneller Eingangspfad vom externen I/O-Pin eine direkte Verbindung in den Registerabschnitt für eine Signalverarbeitung mit geringer Latenz bereitstellt.
Der EPM7512BFC256-5 wird häufig in Netzwerkschaltern, Kommunikationsmodulen und Telekommunikationsplattformen eingesetzt, die zur Verwaltung mehrerer Schnittstellen auf dichte Logikressourcen angewiesen sind.Es kann die Buskoordination, Zeitsteuerung und Signalweiterleitung in Systemen übernehmen, in denen viele Datenpfade zusammenarbeiten müssen.Seine nichtflüchtige Konfiguration ermöglicht es dem Gerät, die benutzerdefinierte Logik für die Protokollverarbeitung und Systemverwaltung über Stromzyklen hinweg beizubehalten.
Automotive-Subsysteme, die innerhalb kommerzieller Temperaturgrenzen arbeiten, können dieses CPLD verwenden, um Steuersignale zu verwalten und benutzerdefinierte Logikfunktionen zu unterstützen.Es eignet sich für Anwendungen, bei denen eine kompakte Logikkonsolidierung zur Reduzierung der Platinenkomplexität beiträgt, beispielsweise bei kleinen Steuereinheiten oder Signalaufbereitungsblöcken.Das Gerät behält auch bei wiederholten Starts ein stabiles Verhalten bei und eignet sich daher für Geräte, die häufig zyklisch arbeiten.
In industriellen Umgebungen unterstützt das Gerät Aufgaben wie Zustandsmaschinensteuerung, E/A-Zuordnung und kleine Protokollfunktionen, die bei der Koordinierung des Geräteverhaltens helfen.Sein vorhersehbares Timing und die Konfiguration, die beim Einschalten bereit ist, funktionieren gut in Systemen, die über lange Zeiträume laufen oder in regelmäßigen Abständen neu starten.Dies macht es zu einer praktischen Wahl für Steuerungen, Überwachungseinheiten und Automatisierungsmodule.
Das Gerät eignet sich für eingebettete Produkte, die programmierbare Logik benötigen, um die interne Koordination zwischen Subsystemen zu verwalten.Es kann Schnittstellenanpassung, grundlegende Timing-Steuerung und benutzerdefinierte Signalorganisation in kompakten Platinen unterstützen.Seine Fähigkeit, Logik intern zu speichern, trägt dazu bei, das Systemverhalten konsistent zu halten, ohne dass externe Speicherteile hinzugefügt werden müssen.
Viele ältere Designs verwenden die MAX 7000B-Familie, und der EPM7512BFC256-5 kann in diesen Systemen als direkter Ersatz dienen.Es unterstützt laufende Wartung, Reparaturen und schrittweise Aktualisierungen, ohne die Gesamtarchitektur des Boards zu ändern.Dies ermöglicht die weitere Verwendung etablierter Designs, während die Hardware an den verfügbaren Komponenten ausgerichtet bleibt.
• Hohe Logikdichte mit 512 Makrozellen und rund 10.000 nutzbaren Gattern unterstützt eine breite Systemintegration
• Die EEPROM-basierte Konfiguration ermöglicht Aktualisierungen und Anpassungen, während das Gerät auf der Platine verbleibt
• Schnelle Pin-zu-Pin-Reaktion und stabiles Timing unterstützen Hochgeschwindigkeits-Digitalpfade
• Eine große I/O-Anzahl und ein 256-Ball-FBGA-Gehäuse ermöglichen flexibles Routing für dichte Designs
• Die Pin-Kompatibilität innerhalb der MAX 7000B-Familie unterstützt die Wiederverwendung vorhandener Design-Layouts
• Durch die nichtflüchtige Konfiguration ist kein externes Speichergerät erforderlich
• Gut etablierte Gerätefamilie mit zugänglichen technischen Ressourcen
• Nicht für bleifreie Anforderungen ausgelegt, was die Verwendung in einigen regulierten Umgebungen einschränken kann
• Der kommerzielle Temperaturbereich von 0 °C bis 70 °C eignet sich möglicherweise nicht für breitere Temperaturanwendungen
• Verwendet ältere 2,5-V- und 3,3-V-Prozessebenen, was zu einem höheren Stromverbrauch als bei neueren Logikfamilien führen kann
• Ein großes BGA-Gehäuse übersteigt möglicherweise die Anforderungen von Designs, die weniger Pins erfordern
| Teilenummer | Hersteller | Hauptmerkmale | Anwendungsfall/Hinweise |
| EPM7512BFC256-5N | Intel | MAX® 7000B CPLD mit 512 Makrozellen und etwa 10.000 nutzbaren Gates.Systeminterne programmierbare EEPROM-Architektur, 256-Ball-FBGA-Gehäuse mit hoher I/O-Anzahl und Niederspannungs-Kernversorgung, geeignet für moderne 2,5-V-Designs. | Gut für Glue-Logik, einfache Zustandsmaschinen und I/O-Erweiterung.Nützlich bei Legacy-Refresh-Projekten, bei denen MAX 7000B-Tool-Flows und Pin-kompatible BGA-Footprints bevorzugt werden. |
| EPM7512BFC256-5GZ | Intel | Gleiche MAX® 7000B-Logikkapazität und ISP-Funktionen mit einer bleifreien, RoHS-konformen Variante.256-BGA mit hoher Dichte, großer I/O-Verfügbarkeit und stabilem Timing, geeignet für Steuerungs- und Schnittstellenaufgaben. | Eine erste Wahl für umweltfreundliche Bauten.Geeignet für dichte digitale Steuerungen, Kommunikations-Backplanes und Designs mit begrenztem Platinenplatz, die viele I/O-Pins erfordern. |
| EPM7512BFC256-7 | Intel | MAX® 7000B CPLD mit 512 Makrozellen und systeminterner Programmierbarkeit.Bietet den gleichen 256-BGA-Footprint und die gleichen I/O-Ressourcen, mit einer Geschwindigkeitsstufe, die auf ausgewogenes Timing und Leistung abgestimmt ist. | Gut geeignet für kostenempfindliche Steuerlogik, Schnittstellen mit mittlerer Geschwindigkeit und Produktvarianten, bei denen keine höhere Geschwindigkeit erforderlich ist, aber die Kompatibilität von Platine und Werkzeug gewahrt bleiben muss. |
Intel ist ein großes Halbleiterunternehmen mit Sitz in den USA, das 1968 gegründet wurde und seinen Hauptsitz in Santa Clara, Kalifornien, hat.Sie arbeiten mit einem Lieferanten zusammen, zu dessen Kernprodukten Mikroprozessoren, Chipsätze, programmierbare Logikgeräte und andere integrierte Schaltkreise gehören, die in Computer- und Kommunikationssystemen verwendet werden.Durch seine programmierbaren Logikleitungen, zu denen CPLDs und FPGAs gehören, unterstützt Intel Designs, die von eingebetteter Steuerung bis hin zu Daten- und Signalverarbeitung reichen.Seine lange Geschichte im Gerätedesign und in der Großserienfertigung bietet einen stabilen Kontext für Teile wie den EPM7512BFC256-5 in digitalen und Mixed-Signal-Systemen.
Der EPM7512BFC256-5 vereint Geschwindigkeit, Flexibilität und eine große Menge an Logik in einem Gerät.Sie erhalten ein CPLD, das sofort startet, viele Signale verarbeitet und über JTAG einfach zu aktualisieren ist.Seine Architektur unterstützt umfassende Decodierung, Zustandsmaschinen und Schnittstellenlogik, ohne dass zusätzliche Komponenten erforderlich sind.Sie können es in eine Reihe von Systemen integrieren, von Kommunikationshardware bis hin zu eingebetteten Platinen, und sich auf sein stabiles Timing und klares Verhalten verlassen.Mit seinem kompakten BGA-Gehäuse und der hohen I/O-Anzahl bietet es Ihnen Raum für die Erweiterung Ihres Designs, während das Layout überschaubar bleibt.Insgesamt bietet es eine zuverlässige Möglichkeit, digitale Signale in vielen Arten von Projekten zu steuern und zu organisieren.
Bitte senden Sie eine Anfrage, wir werden sofort antworten.
Es übernimmt benutzerdefinierte Logikaufgaben innerhalb eines digitalen Systems.Sie können damit Zustandsmaschinen, Dekodierung, Zeitsteuerung und busbezogene Funktionen verwalten.Es hilft Ihnen, viele kleine Logikteile durch ein programmierbares Gerät zu ersetzen.
Ja.Es unterstützt die systeminterne Programmierung über JTAG, sodass Sie seine Logik aktualisieren oder anpassen können, ohne sie entfernen zu müssen.Dies erleichtert das Testen und Feinabstimmen erheblich.
Es bietet 212 Benutzer-I/O-Pins und bietet Ihnen viel Platz für Busse, Steuerleitungen und Schnittstellenverbindungen.Dies macht es nützlich in Designs, die viele Signalpfade benötigen.
Das Gerät verwendet eine interne 2,5-V-Kernversorgung und arbeitet typischerweise mit 3,3-V-I/O.Dies passt zu vielen gängigen digitalen Systemen und sorgt für ein geradliniges Design.
Sie finden es in Telekommunikationsgeräten, Industriesteuerungen, eingebetteten Produkten und älteren Systemen, die die MAX 7000B-Familie verwenden.Sein nichtflüchtiger Aufbau und die breite I/O-Unterstützung machen es hilfreich für viele Arten von Digitalplatinen.
auf 2025/12/5
auf 2025/12/4
auf 8000/04/18 147758
auf 2000/04/18 111954
auf 1600/04/18 111349
auf 0400/04/18 83722
auf 1970/01/1 79508
auf 1970/01/1 66921
auf 1970/01/1 63078
auf 1970/01/1 63017
auf 1970/01/1 54082
auf 1970/01/1 52147