
Der 74LS93 ist ein 4-Bit-Binärschalter mit zwei eingebauten Auflösungen.Es kombiniert einen MODE-2-Up-Hilfsmittel mit einem MOD-8-Auftrag, wodurch sie für Anwendungen wie MOD-8-Zähl- oder Dividing-Signale durch 2 oder 8 vielseitig sind. Dieses IC enthält vier JK-Flip-Flops, die auf Eingabeimpulse reagieren.die von einem Mikrocontroller oder einem Timer -IC bereitgestellt werden können.
Das Design des 74LS93 verfügt über zwei Zurücksetzen von Stiften, zwei Taktnadeln und vier Ausgangsanschlüsse, sodass es in binärem Zählen von 0 bis 15 in Binäranlagen zählt.Mit seiner Kompatibilität mit verschiedenen Mikrocontrollern und TTL-basierten Systemen ist dieser Zähler eine flexible Wahl für verschiedene digitale Projekte.Es ist häufig in Formaten wie Dip und SMD erhältlich, die immer 14 Stifte enthalten.Darüber hinaus ist das IC für Hochgeschwindigkeitseingänge erstellt, um einen zuverlässigen Betrieb in dynamischen Umgebungen zu gewährleisten.

| PIN -Nummer | Pin -Name | Beschreibung |
| 1, 2, 3, 6 | NC | Keine Verbindung |
| 4, 5, 8, 9 | Q0, Q1, Q2, Q3 | Ausgangsstifte |
| 7 | Boden | Mit dem Boden des Systems verbunden |
| 10 | CP0 | Takteingabe - Teilen Sie durch 2 |
| 11 | CP1 | Takteingabe - Teilen Sie durch 8 |
| 12, 13 | HERR | Master Reset - Eingabetaste klare |
| 14 | VCC | Versorgungsspannung - 4,5 V bis 5,5 V |
Der 74LS93 ist ein 4-Bit-Binärzähler für eine Vielzahl von Anwendungen.Es bietet eine zuverlässige Leistung in Systemen, die dank der effizienten 4-Bit-Architektur eine Zähl- oder Frequenzabteilung erfordern.
Dieser IC arbeitet nahtlos mit einer Standardspannung von 5 V, so dass sie mit vielen digitalen Systemen kompatibel ist.Seine Fähigkeit, bei dieser Spannung konsequent zu arbeiten, gewährleistet die Zuverlässigkeit in verschiedenen Projekten.
Das IC unterstützt ein Spannungsspektrum zwischen 4,5 V und 5,5 V.Diese Flexibilität ermöglicht es Ihnen, sie in Systemen mit geringfügigen Schwankungen der Stromversorgung zu verwenden und gleichzeitig die Stabilität aufrechtzuerhalten.
Wenn der IC einen hohen Zustand ausgibt, liefert es 3,5 V, und wenn es sich in einem niedrigen Zustand befindet, gibt es 0,25 V aus.Diese Ebenen machen es mit anderen TTL -Geräten kompatibel, um eine reibungslose Integration in Ihre Schaltkreise zu gewährleisten.
Das IC verarbeitet -0,4 mA während der hohen Ausgabe und 8 mA während der niedrigen Ausgabe.Diese aktuellen Ebenen ermöglichen es dem IC, mit anderen Komponenten effektiv zu interagieren, ohne Überladungen zu verursachen.
Die Taktfrequenz für Eingangspin CP0 kann bis zu 32 MHz erreichen, während CP1 bis zu 16 MHz unterstützt.Diese Hochgeschwindigkeitsleistung macht das IC für Aufgaben geeignet, die eine schnelle Zählung oder eine Frequenzabteilung erfordern.
CP0 benötigt eine Impulsbreite von mindestens 15 Ns, während CP1 mindestens 30 ns benötigt.Diese Spezifikationen gewährleisten einen genauen Betrieb und verhindern beim schnellen Umschalten alle fehlenden Signale.
Das IC ist in Formaten wie 14-polige PDIP, GDIP und PDSO erhältlich, sodass es vielseitig und einfach in verschiedene Designs integriert werden kann.Mit diesen Formaten können Sie die auswählen, die am besten zu Ihrer spezifischen Anwendung passt.
Sie können die Takteingänge des IC mithilfe von Geräten wie 555 Timern oder Mikrocontrollern anführen.Diese Flexibilität erleichtert die Verwendung in verschiedenen Anwendungen, von einfachen Timern bis hin zu komplexeren digitalen Systemen.
Der IC -Ausgang befindet sich im TTL -Format, was die Kompatibilität mit einer Vielzahl von ICS- und Mikrocontroller -Systemen gewährleistet.Diese Funktion vereinfacht die Integration in Ihre digitalen Schaltungsdesigns.
Das IC ist gut bei Temperaturen im Bereich von 0 bis 70 Grad Celsius und ist für Standardumgebungen geeignet.Es liefert konsistente Ergebnisse, ohne durch mäßige Temperaturänderungen beeinflusst zu werden.
• 74HC19
• 74LS192
• 4516
• 74LS90
• CD4017
• 74LS02
• CD4020
• CD4060
• CD4022
• CD4026
• CD40102
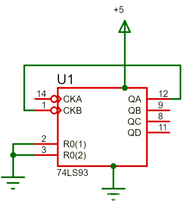
Um den 74LS93 -Binärschalter zum Laufen zu bringen, verbinden Sie zunächst die Stromversorgung.Befestigen Sie den VCC -Stift am positiven Terminal und den GND -Stift am Boden Ihres Systems.Sobald dies erledigt ist, verbinden Sie den ersten Takteingang (Pin 1) mit dem letzten Bitausgang (Pin 12).Diese Verbindung ist der Schlüssel zum Aktivieren des Zählmechanismus.

Richten Sie als nächstes die Reset -Stifte ein (Stifte 2 und 3).Erden Sie diese Stifte, um sicherzustellen, dass der Zähler von Null beginnt.Wenn Sie den Reset für anders funktionieren müssen, können Sie diese Pins basierend auf Ihren Anwendungsanforderungen an eine externe Logik anschließen.Mit dieser Flexibilität können Sie den Zähler entsprechend Ihren Schaltungsanforderungen konfigurieren.
Schließen Sie für den Takteingang den zweiten Taktstift (Pin 2) an einen externen Impulsgenerator an, wie ein Timer -IC oder ein Gerät, das Taktsignale erzeugen kann.Dieser Taktimpuls steuert die Binärzahlausgabe des IC, die auf Pins 8, 9, 11 und 12 angezeigt wird.
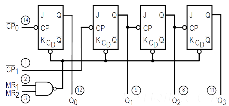
Der Innernkreis des 74LS93 ist in zwei Hauptteile unterteilt: den Mod 2 -Zähler und den Mod 8 -Zähler.Der Mod 2 -Zähler verwaltet das erste Bit und wechselt zwischen 0 und 1 mit jedem Taktpuls, wenn das Signal von hoch zu niedrig übergeht.Dieser Ausgang dient als Takteingang für den Mod 8-Zähler, der drei miteinander verbundene JK-Flip-Flops verwendet, um die verbleibenden drei Bits zu erzeugen.
Jeder JK Flip-Flop im Mod 8-Zähler erhält sein Taktsignal aus der Ausgabe des vorherigen Flip-Flop.Zusammen erzeugen die Zähler von Mod 2 und Mod 8 eine 4-Bit-Binärzahl, die von 0000 bis 1111 reicht. Diese binäre Ausgabe wird über die vier Ausgangsstifte angezeigt, was eine klare Darstellung der Anzahl liefert.
Um die 74LS93 -Zählerschaltung zu verstehen, hilft es, deren interne Design und Funktionalität zu untersuchen.Die Schaltung basiert auf JK-Flip-Flops, die jeweils zwischen zwei Zuständen wechseln können: 1 und 0. Diese Zustände repräsentieren Binärwerte, und der Zähler Fortschritte, indem diese Zustände als Reaktion auf Taktimpulse geändert werden.

In der 74LS93 ändert sich der Zustand jedes Flip-Flop-Zustands, wenn sich die Ausgabe der vorhergehenden Flip-Flop von hoch zu niedrig überschreitet.Der erste Flip-Flop ist jedoch nicht direkt mit dem zweiten verbunden.Um eine funktionale Sequenz zu erstellen, verknüpfen Sie den ersten Takt-Pin (CP1) mit der Ausgabe des ersten Flip-Flop des Mod 8-Zählers.Dies stellt sicher, dass die Sequenz richtig fließt.
Mit vier nacheinander verbundenen Flip-Flops, die jeweils einen Taktimpuls aus dem Ausgang des vorherigen Flip-Flop erhält, beginnt der Zähler bei 0000 und zählt bis zu 1111, bevor er auf 0000 zurückgesetzt wird. Jeder Zustand repräsentiert eine eindeutige Binärzahl, die in Fortschritte in der Folge geht.Befehl.
Die folgende Tabelle zeigt, wie sich die Binärausgabe mit jeder Anzahl ändert:
| Zählen | AUSGABE | Q3 | Q2 | Q1 | Q0 |
| 0 | 0 | 0 | 0 | 0 | |
| 1 | 0 | 0 | 0 | 1 | |
| 2 | 0 | 0 | 1 | 0 | |
| 3 | 0 | 0 | 1 | 1 | |
| 4 | 0 | 1 | 0 | 0 | |
| 5 | 0 | 1 | 0 | 1 | |
| 6 | 0 | 1 | 1 | 0 | |
| 7 | 0 | 1 | 1 | 1 | |
| 8 | 1 | 0 | 0 | 0 | |
| 9 | 1 | 0 | 0 | 1 | |
| 10 | 1 | 0 | 1 | 0 | |
| 11 | 1 | 0 | 1 | 1 | |
| 12 | 1 | 1 | 0 | 0 | |
| 13 | 1 | 1 | 0 | 1 | |
| 14 | 1 | 1 | 1 | 0 | |
| 15 | 1 | 1 | 1 | 1 |
Zusätzlich zeigt ein Timing -Diagramm, wie sich die Ausgänge von Q0 nach Q3 als Reaktion auf das Eingangstaktsignal verhalten.Diese Visualisierung erleichtert es einfacher zu erkennen, wie der binäre Zähler Schritt für Schritt fortschreitet:

Der 74LS93 ist ein vielseitiger Auflauf, der mit vier JK-Flip-Flops gebaut wurde.Durch die Kombination seiner MOD-2- und MOD-8-Zähler wird es üblicherweise verwendet, um einen Mod-16-Zähler zu erstellen.Es wird häufig in Schaltungen verwendet, bei denen es in Binärzählungen von 0 bis 15 zu zählen muss oder Sequenzen für Zeitpunkte erstellt werden, was es zu einer einfachen und zuverlässigen Wahl für solche Anwendungen macht.
Dieses IC wird auch in Frequenzteilungsschaltungen weit verbreitet, wo sie Frequenzen mit Präzision durch 2, 8 oder 16 teilen kann.Das Design ermöglicht es ihm, kontrollierte Timing -Aufgaben effektiv zu erledigen, sodass es für die Verwendung in digitalen Timing -Systemen wie digitalen Uhren oder sequentiellen Ereignisverwaltungs -Setups geeignet ist.
Darüber hinaus wird der 74LS93 in Pulszählanwendungen eingesetzt, in denen eingehende Signale in binärer Signale hervorgerufen werden.Seine Fähigkeit, die MOD-2- und MOD-8-Funktionalität zu kombinieren, macht es zu einer effizienten und zuverlässigen Komponente in Projekten, die eine genaue Binärzählung erfordern.
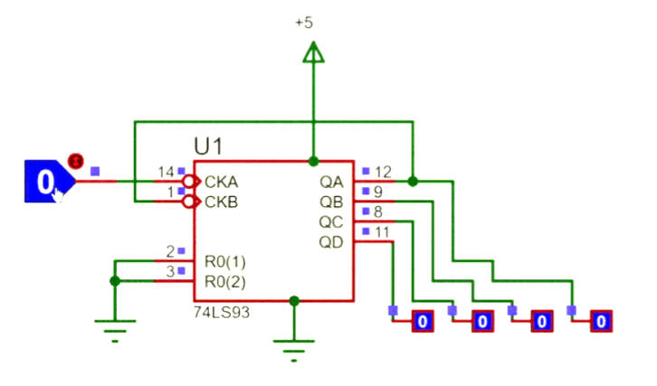
Die Verwendung des 74LS93 -binären Zählers ist unkompliziert und effizient.Beginnen Sie mit dem IC mithilfe eines Netzteils mit einer +5 -V -Netzteil durch die VCC- und Erdungsstifte.Dadurch werden die notwendigen Betriebsbedingungen für den IC festgelegt.Der 74LS93 enthält zwei MR -Stifte (Master Reset), mit denen Sie die gewünschte Betriebsart konfigurieren können.Für die Standardzählfunktionalität verbinden Sie beide Zurücksetzen von Stiften mit dem Boden (niedrig), wie in der Modus -Auswahltabelle gezeigt.

Anschließend liefern Taktpulse an die CP0- und CP1 -Eingangspins, um den Zählprozess zu initiieren.Jeder Impulseingang in diese Stifte erhöht die Binärzahl um eins.Der CP1 -Pin steuert die Q0 -Ausgabe, während CP0 die Ausgänge von Q1, Q2 und Q3 regelt.Um alle vier Ausgangsbits zu aktivieren, schließen Sie den Taktimpuls bei CP1 an den Q0 -Ausgang an.
Das IC unterstützt eine Peak -Taktfrequenz von 32 MHz für CP0 und 16 MHz für CP1.Stellen Sie sicher, dass die Impulsbreite für CP0 und 30 ns für CP1 mindestens 15 ns beträgt, um einen genauen Betrieb aufrechtzuerhalten.Normalerweise können Sie das Taktsignal mit einem 555-Timer oder einem ähnlichen Puls-produzierenden Schaltkreis erzeugen.
|
ZÄHLEN |
AUSGABE |
|||
|
Q0 |
Q1 |
Q2 |
Q3 |
|
|
0 |
L |
L |
L |
L |
|
1 |
H |
L |
L |
L |
|
2 |
L |
H |
L |
L |
|
3 |
H |
H |
L |
L |
|
4 |
L |
L |
H |
L |
|
5 |
H |
L |
H |
L |
|
6 |
L |
H |
H |
L |
|
7 |
H |
H |
H |
L |
|
8 |
L |
L |
L |
H |
|
9 |
H |
L |
L |
H |
|
10 |
L |
H |
L |
H |
|
11 |
H |
H |
L |
H |
|
12 |
L |
L |
H |
H |
|
13 |
H |
L |
H |
H |
|
14 |
L |
H |
H |
H |
|
15 |
H |
H |
H |
H |
Um seine Funktionalität besser zu verstehen, sollten Sie die Simulation der IC -Operation in Betracht ziehen.Zum Beispiel erzeugt im Modus-0 (Standardzählungsmodus) sowohl MR-StifteMit jedem Übergang von hoch zu niedrig wird der IC seine Anzahl erhöht.Nachfolgend finden Sie eine Beispielsimulation, die dieses Verhalten veranschaulicht.

Für weitere Klarheit können Sie sich auf Video -Tutorials oder zusätzliche Ressourcen beziehen.Die praktischen Verwendungen der 74LS93 in verschiedenen Schaltungen, einschließlich Timing- und Zählanwendungen, zeigen deren Anpassungsfähigkeit und Benutzerfreundlichkeit in digitalen Designs.
Um einen einstelligen Zähler mit dem 74LS93 zu erstellen, benötigen Sie Komponenten wie a 74LS20 (NAND-GATE mit vier Eingaben) und a 74LS04 (Drei keine Tore).Diese Komponenten arbeiten mit dem IC zusammen, um ein BCD-Siebensegment-Display zu steuern, sodass der Zähler durch Zahlen von 0 bis 9 radeln kann.
Obwohl der 74LS93 ein 4-Bit-Zähler ist, der bis zu 16 Binärzählungen abwickeln kann, muss er nach Erreichen von 9 zurückgesetzt werden, um sicherzustellen, dass das Display im Dezimalbereich bleibt.Wenn der Zähler zu diesem Zeitpunkt nicht zurückgesetzt wird, kann die Ausgabe falsche oder unerwartete Werte anzeigen.Um dies zu verwalten, wird ein Rückstellungsrücksatzkreis verwendet, wobei Signale aus dem NAND und nicht die Tore kombiniert werden, um den Zähler automatisch zurückzusetzen.

In dieser Schaltung sind zwei nicht Gates mit den QA- und QC -Ausgängen verbunden, während QB und QD direkt mit den NAND -GATE -Eingängen verknüpft sind.Das NAND -Tor erzeugt nur eine hohe Ausgabe, wenn alle seine Eingänge Null sind.Am Binärwert von 1010 umkehren die Nicht -Gates die Signale von QA und QC und lösten einen hohen Ausgang vom NAND -Gate aus.Diese Ausgabe wird durch den 74LS04 umgekehrt, wodurch der Zähler auf Null zurückgesetzt wird.Dieses Design stellt sicher, dass der Zähler konstant aktualisiert wird und die richtigen Dezimalwerte angezeigt wird.
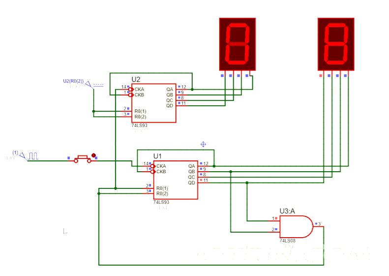
Die 2 -stellige Zählerkonfiguration erweitert das Konzept des einstelligen ZählerTakt -Reset -Signal.Dieses Design sorgt für die nahtlose Zählung über zwei Ziffern, indem das Reset -Signal einer Anzeige verwendet wird, um den Takteingang des anderen zu steuern.

Die Logik hinter dem 2 -stelligen Zähler bleibt mit dem einstelligen Einstellungsaufbau überein und bietet eine effiziente Möglichkeit, größere numerische Werte unter Verwendung von zwei sieben Segment-Anzeigen zu präsentieren.Durch die Verknüpfung der beiden Zähler über ihre Reset- und Taktsignale funktionieren die Displays zusammen, um Zahlen von 00 bis 99 darzustellen.
74LS93 basiertes 2-stelliger Dezimalzähler
Für einen 2-stelligen Zähler kann der 74LS93 so konfiguriert werden, dass die Nummern von 00 bis 99 angezeigt werden. Die Logik für den zweistelligen Zähler baut auf denselben Prinzipien wie der einstellige Zähler auf.
In diesem Setup verbessert das erste BCD-Send-Segment-Display seine Anzahl auf der Basis des Reset-Signals aus der zweiten Anzeige.Im Wesentlichen wird das Taktsignal für das erste Display aus dem Zurücksetzen der zweiten Anzeige abgeleitet.Diese kaskadierende Anordnung stellt sicher, dass der Zähler logisch über zwei Ziffern voranschreitet, wobei die erste Anzeige nur dann inkrementiert wird, wenn das zweite Display seinen Zyklus von 0 bis 9 abschließt.

Diese zweistellige Zählerschaltung ermöglicht das Zählen von bis zu 99 und bietet eine klare und lesbare Anzeige mit zwei sieben Segment-Anzeigen.Die zugrunde liegenden Logik- und Feedback -Mechanismen sorgen für einen reibungslosen Betrieb, sodass sie ideal für Anwendungen, die einen größeren Zählbereich erfordern.
Der 74LS93 ist gut geeignet, um erweiterte Zeitdauer in digitalen Schaltungen zu erzeugen.Indem Sie seine Zähler angemessen konfigurieren, können Sie lange und konsistente Verzögerungen erreichen, die für zeitbezogene Anwendungen nützlich sind.
Dieser IC fungiert als zuverlässiger Frequenzteiler.Es kann die Eingangstaktfrequenzen um Faktoren von 2, 8 oder 16 reduzieren, was es zu einer zuverlässigen Wahl für Systeme macht, bei denen eine stabile Frequenzteilung für synchronisierte Operationen benötigt wird.
Wenn ein genaues Timing erforderlich ist, bietet der 74LS93 eine einfache Lösung.Das vorhersehbare Zählverhalten gewährleistet die Präzision bei Aufgaben wie Sequenzierung und zeitbasierter Kontrolle in digitalen Projekten.
Der 74LS93 ist ideal für Projekte, bei denen die Verwendung eines Mikrocontrollers möglicherweise nicht praktisch ist.Es behandelt die Zähl- und Timing -Funktionen effizient und verringert die Notwendigkeit komplexere und teurere Komponenten.
Dieses IC wirkt in Anwendungen, bei denen die Pulszählung oder die Frequenzpartitionierung beinhaltet.Sein Binärzählmechanismus erleichtert es einfach, Impulse zu verfolgen oder Frequenzen ohne zusätzliche Schaltkreise zu teilen.
Der 74LS93 funktioniert nahtlos mit sieben Segment-Anzeigen, um numerische Ausgänge anzuzeigen.Seine Kompatibilität mit binären Konvertierern vereinfacht den Prozess des Erstellens digitaler Zähler und Auslesungen.
Durch die Nutzung seiner Zählfunktionen hilft der 74LS93 bei der Einrichtung von Schaltkreisen, die Langzeitintervalle erfordern.Dies macht es besonders nützlich für Anwendungen wie digitale Uhren und Timer.
Das IC wird häufig verwendet, um zuverlässige Gegenkreisläufe zu entwerfen.Seine robuste Leistung und einfache Konfiguration machen es zu einer gemeinsamen Wahl, um sowohl eigenständige Zähler als auch Frequenzteiler zu bauen.
Wenn die Zeitanforderungen spezifisch sind, kann der 74LS93 angepasst werden, um diese Anforderungen zu erfüllen.Ob für industrielle Timing-Lösungen oder DIY-Projekte, seine Flexibilität stellt sicher, dass eine Vielzahl von Timing-bezogenen Aufgaben passt.
Der 74LS93 ist ein vielseitiger und zuverlässiger binärer Zähler, der die digitalen Zähl- und Timing -Aufgaben vereinfacht.Mit seiner Fähigkeit, Frequenzen zu teilen, Impulse zu zählen und Displays zu fahren, passt es nahtlos in eine Vielzahl von Projekten.Egal, ob Sie Zähler bauen, das Timing verwalten oder Frequenzteiler erstellen, der 74LS93 bietet eine effiziente und unkomplizierte Lösung.Seine Flexibilität und Benutzerfreundlichkeit machen es für viele Anwendungen zu einer praktischen Wahl.
Bitte senden Sie eine Anfrage, wir werden sofort antworten.
Nein, der 74LS93 ist als Aufwärtstrend ausgelegt, was bedeutet, dass es nur bedeutet zählt im binären Format nach oben.Es hat nicht die Fähigkeit zu zählen in umgekehrten oder verringernden Werten.
Der 74LS93 ist bequem zu verwenden und minimiert den Bedarf an externem Verkabelung, so einfach, dass es in Projekte integriert wird.Jedoch eins Einschränkung besteht darin, dass seine Flip-Flops nicht voreingestellt werden können beginnt immer von Null und Sie können nicht von einem anderen Zählen beginnen Nummer.
Der 74LS93 enthält vier JK-Flip-Flops, die auf Eingangsimpulse reagieren. Ob sie von einem Mikrocontroller oder einem Timer -IC stammen.Es verfügt über zwei Setzen Sie Stifte, zwei Takteingänge und vier Ausgangsstifte zurück, sodass sie zählen können Binärzahlen als Reaktion auf Taktimpulse.
Der 74LS93 fungiert als Frequenzteiler und Zähler.Es ist häufig verwendet, um Zeitverzögerungen zu erstellen oder Zählaufgaben in zu verwalten Schaltungen.Dieses IC ist besonders hilfreich bei Anwendungen, bei denen sich die Dividierung trennen bis 2, 8 oder 16 ist erforderlich.
Der 74LS93N ist ein 4-Bit-Binärschalter, der vier Master-Slave JK verwendet Flip-Flops.Es unterstützt einen Mechanismus von Teilung von Zählern, nämlich Ausgelöst durch einen Übergang von hoch zu niedrig bei seinem Takteingang.Jede Der auf die Eingangsstifte angewendete Taktpuls steigt die Anzahl um einen Schritt vor.
auf 2024/11/29
auf 2024/11/29
auf 8000/04/18 147758
auf 2000/04/18 111938
auf 1600/04/18 111349
auf 0400/04/18 83721
auf 1970/01/1 79508
auf 1970/01/1 66914
auf 1970/01/1 63061
auf 1970/01/1 63012
auf 1970/01/1 54081
auf 1970/01/1 52131