In den industriellen und gewerblichen Sektoren spielen dreiphasige Transformatoren eine Rolle für die effektive Übertragung und Verteilung der elektrischen Leistung.Durch die Kombination von drei einphasigen Transformatoren zu einer Einheit senken sie Kosten, Größe und Gewicht.Diese Transformatoren sorgen für eine gleichmäßige Verteilung der elektrischen Energie zwischen hohen und niedrigen Spannungswicklungen, unabhängig von ihrem Konstruktionstyp.In diesem Artikel werden die Konstruktions- und Verbindungskonfigurationen erläutert und Ihnen helfen, deren Funktionalität und Anwendungen zu verstehen.Es beginnt mit Kern- und Shell-Typ-Designs, die den magnetischen Fluss verwalten und Energieverluste minimieren.Es deckt auch Betriebsprinzipien, Magnetflusspalancen und Verbindungstypen wie Delta/Delta, Delta/Wye, Wye/Delta und Wye/Wye sowie spezielle Verbindungen wie Scott und Zick-Zag ab.Beispiele und Vergleiche zwischen trockenem und flüssig gefüllten Transformatoren werden bereitgestellt, um Ingenieuren den richtigen Transformator für eine optimale Leistung und Zuverlässigkeit auszuwählen.

Abbildung 1: Dreiphasentransformatorkonstruktion
Sie kombinieren drei einphasige Transformatoren zu einem und sparen Geld, Raum und Gewicht.Der Kern hat drei Magnetschaltungen, die den magnetischen Fluss zwischen hohen und niedrigen Spannungsteilen ausgleichen.Dieses Design unterscheidet sich von dreiphasigen Shell-Transformatoren, die zusammen die Gruppe drei zusammenfassen, sie aber nicht verschmelzen.Es macht das System effizienter und zuverlässiger im Vergleich zu einphasigen Systemen.
Ein gemeinsames Design für dreiphasige Transformatoren ist der Drei-Glied-Kerntyp.Jedes Glied unterstützt seinen eigenen magnetischen Fluss und wirkt für die anderen als Rückweg, wodurch drei Strömungen erzeugt werden, die jeweils 120 Grad außerhalb der Phase sind.Diese Phasenunterschiede hält die Form des magnetischen Flusses nahezu sinusförmig, was eine stabile Ausgangsspannung gewährleistet, Verzerrungen und Verluste verringert und die Leistung und die Lebensdauer verbessert.Dieses einfache und effektive Design ist für Standardnutzungen beliebt.

Abbildung 2: Kerntyp
Bei der Kernkonstruktion für dreiphasige Transformatoren konzentriert sich das Design auf drei Hauptkerne, die jeweils mit zwei Yokes gepaart sind.Diese Struktur verteilt den magnetischen Fluss effektiv.Jeder Kern unterstützt primäre und sekundäre Wicklungen, die in einer Spirale um die Kernbeine aufgewickelt sind.Dieses Setup stellt sicher, dass jedes Bein sowohl Hochspannung (HV) als auch LV -Wicklungen mit niedriger Spannung (LV) trägt und die elektrische Belastung und die magnetische Flussflussverteilung ausbalanciert.
Ein weiteres Merkmal von Kerntyptransformatoren ist die Reduzierung von Wirbelstromverlusten.Wirbelströme, die durch ein sich ändernder Magnetfeld in Leiter induziert sind, können Energieverluste verursachen und die Effizienz verringern.Um diese Verluste zu minimieren, wird der Kern laminiert.Dies beinhaltet das Stapeln von dünnen Schichten von magnetischem Material, die jeweils von den anderen isoliert sind, um die Wirbelströme einzuschränken und deren Auswirkungen zu verringern.
Die Positionierung von Wicklungen ist ein weiterer Konstruktionsaspekt.Niedrige Spannungswicklungen werden näher am Kern platziert.Diese Platzierung vereinfacht die Isolierung und Kühlung, da die LV -Wicklungen bei niedrigeren Spannungen funktionieren und weniger Isolierung erfordern.Isolier- und Ölkanäle werden zwischen den LV -Wicklungen und dem Kern eingeführt, um die Kühlung zu verbessern und eine Überhitzung zu verhindern und die Langlebigkeit des Transformators sicherzustellen.
Hochspannende Wicklungen werden über den LV -Wicklungen platziert, ebenfalls isoliert und mit Ölkanälen verteilt.Diese Ölkanäle eignen sich am besten zum Abkühlen und Aufrechterhalten der Wirksamkeit des Isolationssystems unter hoher Spannung.Diese detaillierte Anordnung von Wicklungen und laminierten Kern ermöglicht es den Kerntyptransformatoren, mit hohen Spannungen effizient, mit minimalen Energieverlusten und hoher Stabilität umzugehen.Diese Entwurfsprinzipien machen Kerntransformatoren ideal für Anwendungen, die ein effizientes magnetisches Flussmanagement und einen Hochspannungsbetrieb benötigen.
Shell-Typ-Transformatoren bieten einen anderen Ansatz für die Drei-Phasen-Transformatorkonstruktion, die durch ein einzigartiges Design- und Betriebsvorteil gekennzeichnet ist.Dieses Design beinhaltet das Stapeln von drei einzelnen einphasigen Transformatoren, um eine dreiphasige Einheit zu bilden, im Gegensatz zu Kerntyptransformatoren, bei denen die Phasen voneinander abhängig sind.Bei Shell -Typ -Transformatoren hat jede Phase ihren eigenen Magnetkreis und arbeitet unabhängig.Die unabhängigen Magnetschaltungen sind parallel zueinander angeordnet, um sicherzustellen, dass die magnetischen Flüsse in Phase sind, sich jedoch nicht gegenseitig beeinträchtigen.Diese Trennung trägt stark zur Stabilität und der konsistenten Leistung des Transformators bei.

Abbildung 3: Shellentyp
Der Vorteil von Shell -Typ -Transformatoren ist eine reduzierte Wellenformverzerrung.Der unabhängige Betrieb jeder Phase führt zu saubereren und stabileren Spannungswellenformen im Vergleich zu Kerntyptransformatoren.Dies ist wichtig in Anwendungen, bei denen die Spannungsqualität beeinträchtigt wird, z.
Shell -Typ -Transformatoren sind ebenfalls effizient.Jede Phase kann unabhängig für ihre spezifischen Lastbedingungen optimiert werden, wodurch die Zuverlässigkeit und Effizienz verbessert werden.Die verringerte Wellenformverzerrung minimiert harmonische Verluste und verbessert die Effizienz und die Lebensdauer des Transformators weiter.
Die Konstruktion und der Betrieb von Kern- und Shell -Transformatoren können Ingenieuren und Techniker den richtigen Transformator für ihre elektrischen Systeme auswählen.Unabhängig davon, ob die Behandlung von Hochspannungen, die Minimierung von Energieverlusten oder die Gewährleistung einer stabilen Spannungsversorgung erforderlich ist, sorgt die Auswahl des entsprechenden Transformatortyps eine optimale Leistung.

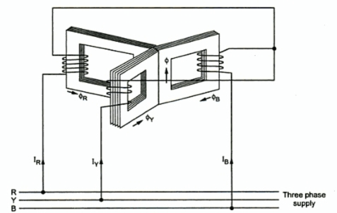
Abbildung 4: Arbeiten von drei Phasentransformator
In dreiphasigen Transformatoren werden drei Abstand von 120 Grad von 120 Grad verwendet, um eine effektive Wechselwirkung der magnetischen Flüsse zu gewährleisten, die durch die Primärwicklungen erzeugt werden.Der Kern des Transformators verarbeitet den magnetischen Fluss, der von Strömen IR, IY und IB in den primären Wicklungen erzeugt wird.Diese Strömungen erzeugen Magnetflüsse ɸR, ɸy und ɸb.Diese Ströme sind mit einer dreiphasigen Stromversorgung verbunden und in den Kernen einen magnetischen Fluss induzieren.
In einem ausgeglichenen System ist die Summe der dreiphasigen Ströme (IR + IY + IB) Null, was zu Null kombinierter magnetischer Fluss (ɸr + ɸy + ɸb) im Mittelbein führt.Somit kann der Transformator ohne Mittelbein funktionieren, da die anderen Beine den Fluss unabhängig umgehen.Drei-Phasen-Transformatoren verteilen Strom gleichmäßig auf drei Phasen, wodurch Energieverluste reduziert und die Stabilität der Stromversorgung verbessert werden.Flussbilanz in der Kernstruktur, die für den effizienten Transformatorbetrieb erforderlich ist.Die Verteilung des magnetischen Flusses im Kern eines dreiphasigen Transformators muss ausgeglichen sein, damit er funktioniert.Die 120-Grad-Platzierung von Kernen und eine präzise Induktion von Strömen gewährleisten einen effizienten Betrieb.
Um unterschiedliche Anforderungen zu erfüllen, können dreiphasige Transformatorwicklungen auf verschiedene Weise gekoppelt werden."Stern" (Wye), "Delta" (Mesh) und "miteinander verbundener Star" (Zick-Zack) sind die drei Haupttypen von Verbindungen.Kombinationen können primäres Delta-verbunden mit sekundärem Sternverbundenen oder umgekehrt, je nach Anwendung umgekehrt.

Abbildung 5: Drei-Phasen-Transformatorverbindungen
Die Delta/Delta-Verbindung wird häufig verwendet, wenn eine einzelne Sekundärspannung erforderlich ist oder wenn die Primärlast hauptsächlich aus dreiphasigen Geräten besteht.Dieses Setup ist in industriellen Umgebungen mit großen dreiphasigen Motorlasten bei 480 V oder 240 V und mit minimaler 120-V-Beleuchtung und Steckdosenanforderungen üblich.Das Kurvenverhältnis zwischen der primären und sekundären Wicklungen richtet sich an die erforderlichen Spannungen, wodurch dieser Aufbau für verschiedene Spannungstransformationen weniger geeignet ist.

Abbildung 6: Symbol für Delta/Delta -Transformator

Abbildung 7: Verbindungsdiagramm für Delta/Delta -Transformator
Die Delta/Delta -Verbindung bietet mehrere Vorteile.Ein Vorteil ist der reduzierte Phasenstrom, der nur 57,8% des Linienstroms entspricht.Diese Reduzierung ermöglicht kleinere Leiter für jeden einphasigen Transformator im Vergleich zu den Leitungsleitern, die die Dreiphasenlast liefern, die Materialkosten senken und das System vereinfachen.Darüber hinaus stornieren harmonische Ströme dazu, die Fähigkeit des Transformators zu verbessern, elektrisches Rauschen zwischen Primär- und Sekundärschaltungen zu isolieren.Dies führt zu einer stabilen Sekundärspannung mit minimalen Schwankungen während der Lastschwellen.Wenn ein einphasiger Transformator fehlschlägt, kann das System weiterhin dreiphasige Spannung über eine offene Delta-Konfiguration liefern, wenn auch bei einer reduzierten Kapazität von 58%.
Trotz dieser Vorteile hat die Delta/Delta -Verbindung bemerkenswerte Nachteile.Es bietet nur eine Sekundärspannung, die möglicherweise zusätzliche Transformatoren für unterschiedliche Spannungsbedürfnisse erfordern und die Systemkomplexität und -kosten erhöht.Die primären Wicklungsleiter müssen für die volle Primärspannung isoliert sein, was eine zusätzliche Isolierung für Hochspannungsanwendungen erfordert.Ein weiterer Nachteil ist das Fehlen eines gemeinsamen Grundpunkts auf der Sekundärseite, der zu hohen Spannungen zum Masse führen kann und Sicherheitsrisiken und potenzielle Geräteschäden darstellt.
Die Delta/Wye -Verbindung ist ein gemeinsames Transformator -Setup, das bei verschiedenen Sekundärspannungen verwendet wird.Es eignet sich hervorragend für Systeme, die gleichzeitig verschiedene Spannungsniveaus bereitstellen müssen.In Fabriken und kommerziellen Gebäuden besteht beispielsweise häufig eine hohe Spannung für schwere Maschinen und eine niedrigere Spannung für Beleuchtung und allgemeine Nutzung.Zu einem typischen Gebrauch gehört möglicherweise die Bereitstellung von 208 V für Motoren und 120 V für Lichter und Verkaufsstellen.Die Delta/Wye -Verbindung kann diese unterschiedlichen Spannungsanforderungen gut erledigen.
In diesem Setup befindet sich die primäre Wicklung in einer Delta -Form (δ) und die sekundäre Wicklung in einer Wye (Y) -Form.Die Delta -Verbindung auf der primären Seite ist gut für die Umstellung mit hohen Stromversorgung und bietet eine starke und stabile Stromversorgung.Dies ist nützlich in industriellen Umgebungen mit großen Motoren und schweren Geräten.Die Delta -Anordnung reduziert auch bestimmte Arten von elektrischen Geräuschen und sorgt für eine sauberere Stromversorgung der angeschlossenen Geräte.

Abbildung 8: Symbol für Delta/Wye -Transformator

Abbildung 9: Verbindungsdiagramm für Delta/Wye -Transformator
Die Wye-Verbindung ermöglicht es, die Sekundärleitungsspannung um das 1,73-mal höhere Abschnitt mit der gleichen Anzahl von Kurven für die primären und sekundären Wicklungen jedes einphasigen Transformators zu beträgt, was für die Auftragstransformatoranwendungen von Vorteil ist.Die Sekundärwicklungen erfordern weniger Isolierung, da sie für die volle Sekundärleitungsspannung nicht isoliert werden müssen.Die Verfügbarkeit mehrerer Spannungen auf der Sekundärseite kann die Notwendigkeit zusätzlicher Transformatoren beseitigen, 120 V-Lasten in einem dreiphasigen System mit einer Leitungsspannung von 208 V zu liefern.Der Nutzen ist das Vorhandensein eines gemeinsamen Punktes auf der Sekundärseite, um das System zu erden, wodurch das Spannungspotential für den Erde einschränkt und verhindert wird, dass es die sekundäre Phasenspannung überschreitet.
Die Delta/Wye -Verbindung hat jedoch ihre Nachteile.Die primären Wicklungen müssen für die volle Dreiphasenlinienspannung isoliert werden, was eine zusätzliche Isolierung erfordert, insbesondere für Hochspannungs-Step-Down-Anwendungen.Die sekundäre Wye -Verbindung storniert keine harmonischen Ströme und wirkt sich auf die Stabilität und Effizienz des Transformators aus.Die sekundären Wicklungen müssen den gesamten Dreiphasenlinienstrom tragen, was bedeutet, dass sie größer sein müssen als in einem Delta-System mit der gleichen Kapazität.
Die y/Δ -Transformatorverbindung, auch Wye/Delta -Verbindung genannt, ist ein übliches Aufbau in elektrischen Stromversorgungssystemen.Es ist nützlich, wenn Sie eine einzelne Sekundärspannung benötigen oder wenn die Hauptlast dreiphasige Geräte wie Industriemotoren und schwere Maschinen ist.Dieser Aufbau wird auch häufig in Step-Down-Transformatoren verwendet, um hohe Primärspannungen auf sicherere und effizientere Sekundärspannungen zu senken.
In diesem Zusammenhang sind die Primärwicklungen in einer Wye (Y) -Form angeordnet, wobei jede Wicklung mit einem gemeinsamen neutralen Punkt verbunden ist, der normalerweise geerdet ist.Die sekundären Wicklungen sind in einer Delta (δ) Form angeordnet und bilden eine Schleife.Phasenbeziehungen und Spannungsniveaus werden stabilisiert, während die Dreiphasenleistung mit Hilfe dieses Setups transformiert wird.

Abbildung 10: Symbol für Wye/Delta -Transformator

Abbildung 11: Verbindungsdiagramm für Wye/Delta -Transformator
Das Kurvenverhältnis führt zu einer Sekundärleitungsspannung, die aufgrund der Wye-Verbindung um den Faktor 1,73 (oder 57,8%) reduziert wird, was es für Stufentransformatoranwendungen von Vorteil macht.Dies stellt sicher, dass sekundäre harmonische Ströme aufsaugen und eine hervorragende Geräuschisolation zwischen Primär- und Sekundärschaltungen bieten.Die primären Wicklungen müssen für die volle Dreiphasenlinienspannung nicht isoliert werden, wodurch die Anforderungen an die Isolationsanforderungen reduziert werden kann, wenn sie von hohen Spannungen zurückfallen.Drei-Phasen-Strom kann weiterhin mit einem offenen Delta-System bei einem einphasigen Transformatorausfall geliefert werden, jedoch mit einer niedrigeren Kapazität von 58%.
Wye/Delta -Verbindung hat ihre Nachteile.Wie bei der Delta/Delta -Verbindung bietet es nur eine einzige Sekundärspannung, wodurch zusätzliche Transformatoren erforderlich sind, um Beleuchtung und Steckdose zu liefern.Auf der Sekundärseite gibt es keinen gemeinsamen Grundpunkt, was zu hohen Spannungen zum Boden führt.Die primären Wicklungsleiter müssen den vollen Drei-Phasen-Leitungsstrom tragen, was größere Leiter im Vergleich zu einem von Delta verbundenen Primär derselben Kapazität erfordert.Schließlich sollte der gemeinsame Punkt der Wye -Primärwicklungen mit einem System neutral angeschlossen werden, um Spannungsschwankungen mit unausgeglichenen Lasten zu vermeiden.
Die Wye/Wye -Transformatorverbindung wird aufgrund seiner Rauschübertragung, harmonischen Verzerrung, Kommunikationsstörungen und Phasenspannungsinstabilität selten verwendet.In einem Wye/Wye -Setup sind die neutralen Punkte sowohl der primären als auch der sekundären Wicklungen geerdet.Diese Erdung liefert zwar einen Referenzpunkt und kann dazu beitragen, Lasten auszugleichen, aber es ermöglicht auch, dass die Rauschen zwischen den primären und sekundären Schaltungen übertragen werden.Dies bedeutet, dass jedes elektrische Geräusch auf der einen Seite leicht auf die andere zu bewegen ist, empfindliche elektronische Geräte schädigen und Ineffizienzen verursachen.
Wye/Wye -Verbindungen sind anfällig für Harmonische, bei denen es sich um unerwünschte Frequenzen handelt, die elektrische Ströme und Spannungen verzerren.Die Harmonischen können nichtlineare Lasten wie Gleichrichter und variable Frequenzantriebe stammen.Im Gegensatz zu anderen Konfigurationen wie Delta/Wye stornieren Wye/Wye -Transformatoren diese Harmonischen nicht effektiv.

Abbildung 12: Symbol für Wye/Wye -Transformator

Abbildung 13: Verbindungsdiagramm für Wye/Wye -Transformator
• empfindlich auf unausgeglichene Lasten, die unausgeglichene Ströme in den Wicklungen verursachen, was zu einer Überhitzung und einer verringerten Effizienz führen kann.
• Es können zirkulierende neutrale Ströme auftreten, insbesondere bei unausgeglichenen Lasten, die zusätzliche Schutzmaßnahmen erfordern.
• Die Erde eines Wye/Wye -Transformators ist im Vergleich zu anderen Konfigurationen komplexer, was zu Bodenschleifen und Sicherheitsrisiken führt.
• Spannungsverzerrung von harmonischen Strömen, die durch nichtlineare Lasten erzeugt werden, können die Leistung empfindlicher Geräte beeinflussen und zusätzliche Filter- oder Minderungsmaßnahmen erfordern.
• Die Implementierung eines Wye/Wye -Transformators kann aufgrund der Komplexität der Verbindungen und der zusätzlichen Maßnahmen zur Beantwortung von Problemen wie unausgeglichenen Lasten und neutralen Strömen teurer sein.

Abbildung 14: Öffnen Sie die Delta- oder V-V-Verbindung
Zwei einphasige Transformatoren werden in einer offenen Delta-Verbindung verwendet.Dieses Setup ist nützlich, wenn ein Transformator zusammenbricht oder Wartung benötigt.Obwohl das anfängliche Aufbau drei Transformatoren verwendet hat, können die verbleibenden beiden dennoch dreiphasige Strom liefern, jedoch mit einer reduzierten Kapazität von 58%.
In dieser Anordnung sind die primären Wicklungen der beiden Transformatoren in einem Delta mit offenem Bein verbunden.Die Phasenspannungen VAB und VBC werden in den Sekundärwicklungen der beiden Transformatoren erzeugt, während VCA aus den Sekundärspannungen der beiden anderen Transformatoren erzeugt wird.Auf diese Weise kann ein dreiphasige Stromversorgung mit nur zwei Transformatoren anstelle von drei weiterarbeiten.
Wenn Sie von einer ausgewogenen Delta-Delta-Verbindung zu einem offenen Delta wechseln, muss jeder Transformator viel Strom verarbeiten.Diese Erhöhung beträgt etwa das 1,73 -fache der normalen Menge, was die Transformatoren um 73,2% mehr überlasten kann als die normale Kapazität.Um eine Überhitzung und Beschädigung während der Wartung zu verhindern, sollten Sie die Last um denselben Faktor von 1,73 verringern.
Wenn erwartet wird, dass eine Phase ausgeht, kann die Open Delta -Verbindung verwendet werden, um die Dinge am Laufen zu halten, während Sie an den Transformatoren arbeiten.

Abbildung 15: Scott -Verbindung
Um zweiphasige Spannungen mit einer Phasenverschiebung von 90 ° zu erstellen, verwendet die SCOTT-Verbindung eines Drei-Phasen-Transformators zwei Transformatoren: Einer verfügt über einen Mittelteil für beide Wicklungen, und der andere hat einen 86,6% igen Wasserhahn.Dieses Setup ermöglicht die Umwandlung der Leistung zwischen ein- und dreiphasigen Systemen mit nur zwei Transformatoren.
Die beiden Transformatoren sind magnetisch getrennt, aber elektrisch verbunden.Der Hilfstransformator verbindet parallel mit einer Phasenverschiebung von 30 °, während der Haupttransformator die dreiphasige Versorgungsspannungen bei seiner Primärwicklung erhält.Bei einphasigen Belastungen sind die Wicklungen parallel auf der sekundären Seite angeschlossen.Die Quellspannung geht in die kombinierten Sekunden, um einphasige in dreiphasige zu wechseln, was einen ausgewogenen Drei-Phasen-Ausgang ergibt.
Durch die Trennung von Transformatorkernen ermöglicht diese magnetische Trennung zwei Transformatoren, die für dreiphasige Strom erforderliche dritte Phasenspannung ohne Überlastung zu erzeugen.Um einphasige auf dreiphasige oder dreiphasige auf einphasige Spannung mit weniger Teilen zu wechseln, ist die SCOTT-Verbindung eine kostengünstige Wahl.Die SCOTT-Verbindung wird häufig verwendet, um dreiphasige Systeme in zweiphasige Systeme umzuwandeln.
Die Zick-Zag-Transformatorverbindung umfasst die Aufteilung jeder Phasenwicklung in zwei gleiche Hälften, wobei die erste Hälfte auf einem Kern und die zweite Hälfte auf einem anderen Kern.Dieses Muster wiederholt sich für jede Phase, was zu Teilen von zwei Phasen an jedem Glied führt, wobei sich eine an den Endpunkten angeschlossenen Gliedmaßen mit einer Wickelung anschließt.
Wenn ausgewogene Spannungen angewendet werden, bleibt das System passiv, wobei die induzierten Spannungen sich gegenseitig abbrechen und den Transformator als hohe Impedanz für positive und negative Sequenzspannungen festlegen.Bei unausgeglichenen Zuständen wie Bodenfehlern bieten die Wicklungen einen Pfad mit geringer Impedanz für Null -Sequenzströme, wodurch der Strom gleichmäßig in drei aufgeteilt und in die jeweiligen Phasen zurückgegeben wird.Die Impedanz kann angepasst werden, um den maximalen Grundverfolgungstrom einzustellen, oder der Transformator kann mit einem Erdungswiderstand verwendet werden, um einen konsistenten Wert über ein mittleres Spannungssystem aufrechtzuerhalten.

Abbildung 16: Zick-Zack-Dreiphasenverbindung
Drei-Phasen-Transformatoren fallen in zwei Hauptkategorien: Trockentransformatoren und flüssiggefüllte Transformatoren.Jeder Typ hat einzigartige Eigenschaften, die auf ihren Kühlmethoden und -konstruktionen basieren.

Abbildung 17: Trockentransformator
Trockentransformatoren verwenden Luft zum Abkühlen.Sie sind in offene Rahmentransformatoren und Guss-Riesin-Spulentransformatoren unterteilt.
Offene Rahmentransformatoren: Offene Rahmentransformatoren haben freigelegte Harzkerne und Spulen ausgesetzt und sind für geschlossene Räume ausgelegt.Sie verarbeiten in der Regel Spannungen von bis zu 1000 V und versorgen bis zu 500 kVA.Ihr Design ermöglicht eine effiziente Abkühlung und macht sie für Umgebungen geeignet, die geringes Geräusch und minimale Wartung erfordern.Ihre exponierte Natur erfordert jedoch eine kontrollierte Umgebung, um eine Kontamination zu vermeiden.
Guss-Riesin-Spulentransformatoren: In Guss-Riesin-Spulentransformatoren ist jede Spule solide in Epoxidweite gegossen und bietet einen besseren Schutz und Zuverlässigkeit.Sie können Spannungen mit bis zu 36,0 kV und mit bis zu 40 MVA ausführen.Die Epoxideinkapselung bietet eine hervorragende Isolierung, mechanische Festigkeit und Resistenz gegen Feuchtigkeit und Verunreinigungen.Dies macht sie ideal für industrielle und im Freien.

Abbildung 18: Flüssigkeitsgefüllter Transformator
Flüssiggefüllte Transformatoren sind in Mineralöl in vakuumversiegelte Metallbehälter eingetaucht.Das Öl dient als Kühl- und Isoliermedium.Diese Transformatoren sind für höhere Strom- und Spannungsanwendungen geeignet, wobei die Bewertungen zwischen 6,0 kV bis 1.500 kV und bis zu 1000 MVA betreiben.Das Mineralöl bietet eine überlegene Kühlungseffizienz und -isolierung, wodurch sie ideal für industrielle und nützliche Anwendungen mit hoher Nachfrage sind.
Die vakuumversiegelten Behälter schützen die Komponenten vor Umweltfaktoren und gewährleisten die Haltbarkeit und Zuverlässigkeit.Mit flüssig gefüllte Transformatoren werden aufgrund ihrer Fähigkeit, hohe Lasten zu bewältigen und eine stabile Leistung aufrechtzuerhalten, für eine groß angelegte Leistungsverteilung bevorzugt.Um die Dinge reibungslos laufen zu lassen und eine Überhitzung zu vermeiden, muss die Wärme über das Öl -Eintauchen angemessen abgelöst werden.
Drei-Phasen-Transformatorenkonstruktion, ob Kern- oder Schalen-Typ, wertvoll bei der Verwaltung des Magnetflusses und zur Reduzierung von Verlusten.Kerntransformatoren sind für Hochspannungsoperationen geeignet, während Shell-Typ-Transformatoren eine bessere Wellenformstabilität und Effizienz bieten.Ihre operativen Prinzipien, einschließlich ausgeglichener Magnetflussverteilung und 120-Grad-Kernplatzierung, sorgen für Effizienz und reduzierte Energieverluste.Spezialisierte Verbindungen wie Scott und Zick-Zack verbessern ihre Vielseitigkeit für bestimmte Anwendungen.Die Wahl zwischen trockenem und flüssig gefülltem Transformatoren hängt vom Kühlbedarf, Spannungsniveaus und Umgebungsbedingungen ab.Das Verständnis der technischen Details und Vorteile verschiedener Transformatortypen und -konfigurationen ermöglicht Ingenieuren, Stromsysteme für Stabilität, Effizienz und Langlebigkeit zu optimieren.
Wenn ein 3-Phasen-Motor eine seiner Phasen verliert, wird der Zustand als Einzelphasen bezeichnet.Der Motor wird versuchen, weiter zu operieren, aber mehrere nachteilige Auswirkungen haben.Erstens erzeugt der Motor weniger Leistung und läuft mit erhöhter Vibration und Rauschen.Es wird auch mehr Strom in den verbleibenden zwei Phasen ziehen, was zu Überhitzung und potenziellen Schäden an den motorischen Wicklungen führt.Wenn der Motor unter diesen Bedingungen läuft, kann er Schaden erleiden und seine Lebensdauer wird reduziert.Praktisch werden die Betreiber einen ungewöhnlichen Summenstall, eine verringerte Leistung und möglicherweise eine Erhöhung der Temperatur des motorischen Gehäuses bemerken.
Drei-Phasen-Transformatoren sind entweder in einer Delta (δ) oder Wye (Y) -Konfiguration verbunden.Die Delta-Verbindung bildet eine geschlossene Schleife mit jeder Transformatorwicklung, die von End-to-End angeschlossen ist und ein Dreieck erzeugt.Die Wye -Verbindung verbindet jede Transformatorwicklung mit einem gemeinsamen neutralen Punkt und bildet eine 'Y' -Form.Diese Konfigurationen wirken sich auf die Spannungsniveaus, die Verteilung der Lasten und die Erdung im elektrischen System aus.
Ein 3-Phasen-Transformator hat sechs Terminals auf der Primärseite und sechs auf der Sekundärseite.Diese Terminals entsprechen den drei Phasen (A, B und C) und ihren jeweiligen Enden (H1, H2, H3 für die Primärseite und X1, X2, X3 für die Sekundärseite).Wenn der Transformator in einer Wye -Verbindung (Y) konfiguriert ist, kann es auch ein neutrales Terminal sowohl auf der primären als auch auf der sekundären Seite geben.
Ein 3-Phasen-Transformator verfügt über drei Primärdrähte und drei Sekundärdrähte, wenn sie in Delta-Delta- oder Delta-Wye-Konfiguration verbunden sind.Wenn es in Wye-Wye- oder Wye-Delta-Konfiguration angeschlossen ist, kann es auf der Primärseite, der Sekundärseite oder beides zusätzlich neutraler Draht auftreten.Daher kann es je nach Konfiguration und Vorhandensein neutraler Verbindungen zwischen drei und vier Drähten auf jeder Seite haben.
Ein 3-Phasen-System verwendet drei Stromkabel, die jeweils eine Phase der elektrischen Versorgung tragen.Wenn das System einen neutralen Kabel enthält, verfügt es insgesamt vier Kabel.Für Systeme, die einen Erdungsdraht (Boden-) Draht enthalten, können insgesamt fünf Kabel vorhanden sind: Drei -Phasen -Drähte, ein neutraler Draht und ein Erdungsdraht.
Wenn eine Phase eines 3-Phasen-Transformators fehlschlägt, kann dies zu mehreren Problemen führen.Der Transformator kann keine ausgewogene Dreiphasenstrom liefern, was zu einer unausgeglichenen Belastung führt.Dieser Zustand kann zu Überhitzung, erhöhtem Strom in den verbleibenden Phasen und möglichen Schäden an verbundenen Geräten führen.Die Leistungsqualität wird sich verschlechtern, was zu einer möglichen Fehlfunktion oder einem Versagen von Geräten führt, die sich auf die Dreiphasenleistung stützen.Die Betreiber werden einen Leistungsabfall, ein erhöhtes Rauschen und eine mögliche Überlastung des elektrischen Systems bemerken.
Die häufigste 3-Phasen-Verbindung ist die Delta-Wye (δ-Y) -Beverbindung.In dieser Konfiguration ist die Primärwicklung in einer Delta -Anordnung verbunden und die sekundäre Wicklung ist in einer Wye -Anordnung verbunden.Dieses Setup wird häufig verwendet, da es die Transformation von Spannungen ermöglicht und einen neutralen Punkt für die Erdung bietet, was die Sicherheit und Stabilität im elektrischen Verteilungssystem verbessert.
Leistungsverteilung: Sie sind wertvoll bei der Übertragung und Verteilung der elektrischen Leistung über große Entfernungen und reduzieren die Spannungsniveaus für sichere Wohn-, Gewerbe- und Industriegebrauch.
Industriegeräte: Viele Industriemaschinen und Motorfahrten benötigen dreiphasige Strom für einen effizienten Betrieb, was diese Transformatoren in Industrieumgebungen gut macht.
HLK-Systeme: Große Heiz-, Lüftungs- und Klimaanlagensysteme verwenden häufig dreiphasige Strom für ihre Kompressoren und Motoren.
Erneuerbare Energiesysteme: Sie werden in erneuerbaren Energien -Setups wie Wind- und Solarkraftwerken eingesetzt, um erzeugte Leistung effizient zu transformieren und zu verteilen.
Elektrische Netze: Sie spielen eine Rolle in Umstationen und Stromnetze und bringen hohe Transmissionsspannungen auf niedrigere Verteilungsniveaus zurück.
Bitte senden Sie eine Anfrage, wir werden sofort antworten.
auf 2024/06/29
auf 2024/06/28
auf 8000/04/18 147758
auf 2000/04/18 111939
auf 1600/04/18 111349
auf 0400/04/18 83721
auf 1970/01/1 79508
auf 1970/01/1 66914
auf 1970/01/1 63062
auf 1970/01/1 63012
auf 1970/01/1 54081
auf 1970/01/1 52134