
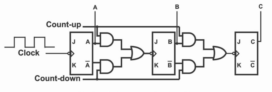
Abbildung 1: Nach oben/unten
Ein Auf und Ab -Zähler oder ein bidirektionaler Zähler überwacht und passt numerische Werte sowohl in nach oben als auch in Abwärtsrichtungen an, basierend auf einem Eingangssignal.Diese doppelte Funktionalität ist in Systemen grundlegend, die eine Erhöhung und Verringerung der Zählungen erfordern und dynamisch auf Veränderungen in der Betriebsumgebung reagieren.Diese Zähler beginnen in der Regel bei Null und inkrementieren, bis sie eine vorgegebene Grenze erreichen, was eine Aktion im System auslöst.Alternativ können sie mit einem festgelegten Maximalwert beginnen und auf Null abnehmen, wodurch eine ähnliche Reaktion beim Erreichen der unteren Grenze aktiviert wird.

Abbildung 2: TTL 74LS190 -Modelle
Beispielsweise sind die Modelle TTL 74LS190 und 74LS191 häufige Versionen dieses Zählers.Sie verfügen über einen Modus -Eingangspin, der es ermöglicht, zwischen Aufwärts- und Abwärtszählen zu wechseln.Dieser Modusschalter erfolgt reibungslos, ohne die Zählsequenz zu unterbrechen.

Abbildung 3: 4-Bit Up/Down-Theke
Ein typischer 4-Bit-Up/Down-Zähler zeigt diese operative Flexibilität deutlich.Bei der Aufwärtsbewegung bewegt sich der Zähler vom Binärwert 0000 auf 1111 und deckt alle möglichen Kombinationen innerhalb eines 4-Bit-Systems (0 bis 15 in Dezimalzahl) ab.Wenn Sie zum Abwärtsgeschoss umschalten, wird dieser Vorgang umgekehrt und auf 0000 zurückgeführt. Die Änderung zwischen jeder Zahl erfolgt mit Präzision, die durch ein Taktsignal gesteuert wird, das die Zählung synchron mit den Zeitanforderungen des Systems treibt.

Abbildung 4: D-Typ Flip-Flop
Jeder der vier Bits wird durch einen Flip-Flop vom Typ D in einem von Kanten ausgelösten Setup gesteuert.Diese Flip-Flops arbeiten in einer Kette zusammen, wobei die Ausgabe jeder Flip-Flop in die nächste füttert.Um eine genaue Zählung zu gewährleisten, verwendet der Zähler die umgekehrte Ausgabe von jedem Flip-Flop als Feedback zu seinen Dateneingaben, insbesondere während der Abwärtszahl.Dieses Design erzeugt einen reibungslosen, vorhersehbaren Übergang zwischen Zahlen.Die Zustandsänderung jedes Flip-Flop-Zustands beeinflusst direkt den nächsten, wodurch der Zählerprozess zuverlässig und nacheinander abweist.

Abbildung 5: 3-Bit-Auf-/Abkühlschalter
Das Schaltungsdesign für einen 3-Bit-Up/Down-Zähler verwendet ein effizientes Setup, bei dem JK-Flip-Flops als T-Typ (Toggle) Flip-Flops konfiguriert werden.Diese Modifikation ermöglicht es dem Zähler, zwischen 0 (binär) bis 7 (binär 111) und umgekehrt nach unten zu zählen.Die Einfachheit dieses Designs verbessert seine Funktionalität und Zuverlässigkeit.
Im Up-Counting-Modus wird die Sequenz durch die Ausgabe von jedem Flip-Flop gesteuert.Insbesondere ist der 'Q'-Ausgang eines Flip-Flop direkt mit dem Takteingang des nächsten Flip-Flop angeschlossen.Dieses Setup stellt sicher, dass jeder Flip-Flop als Reaktion auf die vorherige umschaltet.Wenn die Taktimpulse empfangen werden, steigt der Zähler einen Schritt nach dem anderen Schritt ab, beginnend von 000 und nacheinander bis zu 111. Diese direkte Verbindung zwischen Flip-Flops sorgt für einen reibungslosen und logischen Fortschritt während der Aufwärtsablaufphase, wobei jedes Flip-Flops Staatsänderung verändert den nächsten in der Schlange.
Wenn der Zähler so eingestellt ist, dass es nach unten ist, kehrt sich der Mechanismus um.Anstatt die direkten 'Q'-Ausgänge zu verwenden, stützt sich das System auf die invertierten Ausgänge jedes Flip-Flop.Diese umgekehrten Signale füttern in die Takteingänge der folgenden Flip-Flops, wodurch der Zähler kontrolliert und sequentiell nach unten tritt.Jeder Taktimpuls löst nun eine Abnahme der Binärsequenz von 111 zurück bis 000 aus. Diese Methode stellt sicher, dass die Übergänge ordentlich bleiben und Störungen im Zählprozess vermeiden.
Der Betrieb eines Aufwärts-/Abwärtszählers wird durch ein UP/Down -Eingangssignal gesteuert, das die Zählrichtung direkt festlegt.Diese Eingabe stellt sicher, dass der Zähler entweder nach oben oder unten zählt, aber niemals gleichzeitig.Das System erreicht diese Exklusivität mit einem Wechselrichter, der das Steuersignal umgeht und sicherstellt, dass nur ein Zählmodus zu einem bestimmten Zeitpunkt aktiv ist.
Up -Zählmodus: Wenn der Zähler so eingestellt ist, dass sie nach oben sind, wird ein bestimmter Satz von Logik -Toren aktiviert.Diese Tore leiten den Zähler durch eine schrittweise Progression, beginnend bei binären 000 und sich auf 111 (oder von 0 bis 7 in Dezimal).Jeder Taktpuls löst einen Sprung zur nächsten Binärzahl aus und hält eine glatte und vorhersehbare Sequenz bei.Das Design stellt sicher, dass der Zähler ein klares und konsistentes Muster folgt und den Standard -Binärverlaufsregeln hält.
Down -Zählmodus: Durch das Schalten des Zählers, um nach unten zu zählen, wird sich die Schaltung kontrolliert anpassen.Die logischen Tore, die die Aufwärtszahl verwalten, sind jetzt ausgeschaltet, während ein weiterer Satz von Toren übernimmt, um den Abwärtszählvorgang zu bewältigen.In diesem Modus stützt sich das System auf invertierte Signale, die durch die Flip-Flops fließen, die für die Steuerung des Countdowns verantwortlich sind.Wenn die Taktimpulse fortgesetzt werden, tritt die Zähler von 111 auf 000 nach hinten, genauso reibungslos und zuverlässig, wie es nach oben zählt.Diese Betriebsänderung zeigt die Fähigkeit des Zählers, beide Richtungen effizient zu behandeln.
Der Weg nach oben/abgeschaltet mit Taktimpulsen bietet wertvolle Einblicke in ihre Fähigkeit, Timing und Sequenzkontrolle zu verwalten.In einem asynchronen Zähler beeinflusst jeder Taktpuls direkt die Zustände der Flip-Flops des Zählers und treibt den Zählprozess vor.
In einem typischen Ablaufmodus kann der Zähler bei einem Binärwert von 111 (was in Dezimalzahl 7 entspricht) beginnen.Das System reagiert auf die negative Kante jedes Taktimpulses, wodurch sich die Ausgabe des ersten Flip-Flop (QA) verändert.Diese Änderung löst dann einen Kaskadierungseffekt aus, bei dem die Ausgabe von QA den nächsten Flip-Flop (QB) beeinflusst und schließlich den dritten Flip-Flop (QC) beeinflusst.Bei einem Taktpuls wird diese Kaskade fortgesetzt, wodurch der Zählgerät von 7 auf 0 reduziert wird. Jede Flip-Flop wird nach der vorherigen Sequenz beeinflusst, um sicherzustellen, dass die Zählung reibungslos und vorhersehbar fortschreitet.
Während der Aufnahme ist der Prozess etwas anders.Hier löst die Ausgabe jedes Flip-Flop den nächsten Flip-Flop in der Leitung aus.Ab 000 (Binärer 0) erhöht jeder Taktpuls den Zähler, wobei der erste Flip-Flop den zweiten und der zweite den dritten auslöst.Dieser Vorgang wird fortgesetzt, bis der Zähler 111 erreicht (binär 7).Jeder achte Taktpuls vervollständigt den Zählzyklus. An diesem Punkt wird der Zähler wieder auf 000 zurückgesetzt und beginnt wieder.Dies gewährleistet einen konsistenten und sich wiederholenden Zyklus, der das genaue Zeitpunkt beibehält.
Das 74193 IC ist ein vielseitiger 4-Bit-Synchron-Binärzenthex, der in beide Richtungen bis zum Modulo-16 zählen kann.Es verwendet Dual Takteingänge - eine zum Zählen und eine zum Abzählen - eine präzise Kontrolle über die Zählrichtung.Dieses Design stellt sicher, dass die Ausgabe des Zählers in perfekter Synchronisierung mit den Eingangsuhrsignalen bleibt und sowohl die Genauigkeit als auch die Reaktionsfähigkeit in seinen Betriebsabläufen verbessert.
Eine Schlüsselmerkmal des 74193 IC ist der Master Reset Pin.Dieser Pin löscht sofort die aktuelle Anzahl und setzt alle Ausgänge auf Null ein.Es ist besonders nützlich bei Systemtests oder wenn Sie den Zähler in einem bekannten Zustand neu starten müssen.Dadurch wird die Rekonfiguration oder Fehlerbehebungssysteme schneller und effizienter.Darüber hinaus verfügt das IC über engagierte Count-up- und Count-Down-Terminals, was ihre Flexibilität weiter verbessern und für verschiedene digitale Zählanwendungen geeignet ist, bei denen eine präzise Kontrolle erforderlich ist.

Abbildung 6: 74193 IC Pinout
Das Pinout -Layout des 74193 -IC ist für maximale Funktionalität ausgelegt.Es enthält Eingabestifte, mit denen Benutzer den Zähler voreinstellen können, um von einem bestimmten Wert zu beginnen, der ideal für benutzerdefinierte Anwendungen ist, die bestimmte Anfangszustände erfordern.Die Ausgangsnadeln bieten Echtzeit-Feedback zur aktuellen Anzahl und erleichtern es einfach, den Zähler in größere Systeme zu überwachen oder zu integrieren, die Live-Updates benötigen.Eine bemerkenswerte Merkmale des 74193 IC ist der Ripple -Tragausgangsstift.Mit diesem PIN erleichtert es einfach, die Kapazität des Zählers zu erweitern, indem mehrere ICs angeschlossen (oder kaskadieren).Durch die Verwendung dieser Funktion können Sie viel Reihenfolge mit größeren Zählungen erstellen, die für fortschrittlichere digitale Systeme geeignet sind, die eine höhere Präzision oder größere Zählbereiche erfordern.
Der IC 74193 ist eine vielseitige Komponente, mit der flexible Zählschaltkreise erstellt werden, die für eine Vielzahl von Anwendungen angepasst werden können.Im Kern arbeitet es zuverlässig, indem es Pin 16 mit VCC verbindet, um eine stabile Stromversorgung zu gewährleisten.Diese Verbindung wird zur Aufrechterhaltung des konsistenten Betriebs in jedem System verwendet.Der IC 74193 ist mit mehreren Eingangsnadeln ausgelegt, mit denen verschiedene Betriebsmodi konfiguriert werden können.Eines der wichtigsten Merkmale ist der aktive, niedrige parallele Lasteingang, der den Benutzern die Möglichkeit bietet, von jedem voreingestellten Wert zu zählen.Diese Funktion ist besonders nützlich, wenn eine präzise Kontrolle über die Zählsequenz erforderlich ist, da der Zähler vor dem Starten der Anzahl zu einem bestimmten Wert springen kann.
Ein wesentlicher Vorteil des IC 74193 ist die Fähigkeit, leicht zwischen Auf- und Abzählmodi zu wechseln.Dies kann durch einfache Anpassungen an den relevanten Stiften erfolgen.Die Möglichkeit, zwischen diesen Modi ohne komplizierte Konfigurationen umzuschalten, macht den IC hoch flexibel, sodass es sowohl grundlegende als auch komplexere Zählaufgaben problemlos erledigt.
Auf der Grundlage ihrer Zählanweisungen dienen Dokus und Down -Zähler unterschiedliche Zwecke.Ein UP-Zähler beginnt bei Null und in Schritten zu einer festgelegten Grenze, sodass er für Aufgaben gut geeignet ist, die den Nachverfolgungschritt in einer Vorwärtssequenz erfordern.Beispiele hierfür sind Anwendungen wie Zeitverfolgung oder Ereignissequenzierung, bei denen sich jeder Schritt linear nach oben bewegt, bis ein Zielwert erreicht ist.
Andererseits beginnt ein Down -Zähler bei einem definierten Maximalwert und zählt nach unten auf Null.Diese Art von Zähler ist besonders nützlich in Szenarien, in denen Sie einen Prozess umgekehrt verfolgen müssen.Zu den gemeinsamen Verwendungen gehören Countdown -Timer, bei denen die verbleibende Zeit nach Abneiung der Ressourcenverfolgung nachverfolgt wird, oder, bei denen Sie überwachen, wie viel Ressource so bleibt, wie sie verbraucht werden.
UP/Down -Zähler werden für ihren einfachen Design und ihren synchronen Betrieb hoch geschätzt, wodurch sie in Systemen von Vorteil sind, die eine schnelle und zuverlässige Zählung erfordern.Ihre Fähigkeit, sowohl nach oben als auch nach unten zu zählen, sorgt für eine flexible Kontrolle, was besonders in Anwendungen nützlich ist, bei denen die Zeitspräzision und schnelle Antworten sich entspannen.Unabhängig davon, ob es zur Verfolgung von Ereignissen, Zeitmessung oder Verwaltung von Ressourcen verwendet wird, bieten diese Zähler eine einfache und effektive Lösung in einer Vielzahl digitaler Systeme.
Ihr Design ermöglicht reibungslose und vorhersehbare Übergänge zwischen den Zuständen und macht sie ideal für Echtzeitanwendungen.Beispielsweise werden sie üblicherweise in Ereigniszählern, Timern oder Systemen verwendet, die eine sequentielle Zählung in beide Richtungen benötigen, z. B. in der industriellen Automatisierung oder in digitalen Uhren.
Trotz ihrer Stärken können Auf-/Ab -Zähler bei höheren Geschwindigkeiten Herausforderungen stellen.Wenn die Taktgeschwindigkeit zunimmt, werden Ausbreitungsverzögerungen spürbarer, was zu Zählfehlern führen kann.Diese Verzögerungen treten auf, da das Signal länger dauert, bis sich jede Stufe des Zählers bewegen kann, wodurch die Genauigkeit des Timings des Systems, insbesondere in Hochgeschwindigkeitsumgebungen, verringert wird.
Eine weitere Einschränkung tritt auf, wenn die Bitgröße des Zählers wächst.Größere Zähler, die höhere Zahlen verarbeiten, verleihen dem System Komplexität.Diese Erhöhung der Komplexität kann Synchronisationsprobleme oder ungenaue Zahlen einführen, insbesondere wenn mehrere Zähler in einem größeren digitalen Schaltkreis verbunden sind.Systeme, die auf einer präzisen Synchronisation über mehrere Zähler hinweg stützen, wie z. B. digitale großflächige Systeme, können Störungen oder Ungenauigkeiten aufweisen, wenn das Design nicht sorgfältig verwaltet wird.
UP/Down -Zähler werden in vielen industriellen und technologischen Anwendungen weit verbreitet, da sie in beide Richtungen zählen können.

Abbildung 7: Automatikmechanismen
Eine der bedeutendsten Verwendungen von UP/Down-Zählern ist die automatische Umkehrmechanismen.In Systemen wie Förderbändern oder Motorsteuerung ermöglichen diese Zähler eine bidirektionale Zählung und ermöglichen eine präzise Behandlung mechanischer Bewegungen.Sie stellen beispielsweise sicher, dass Maschinen bei Bedarf reibungslos wechseln können und die Kontrolle über Produktionsprozesse verbessert.

Abbildung 8: Zeit- und Signalmanagement
UP/DOWN -Zähler spielen auch eine wichtige Rolle in Schaltkreisen der Clock -Division, in denen sie Zeitintervalle verwalten, um die digitalen Signale ordnungsgemäß zu zeitigen.In diesen Systemen unterteilt der Zähler das Taktsignal in kleinere Intervalle und stellt sicher, dass die gesamte Schaltung synchronisiert wird.Dies ist schwerwiegend in digitalen Geräten, die sich auf eine genaue Signalzeit für die ordnungsgemäße Funktionen wie Prozessoren oder Kommunikationssysteme verlassen.

Abbildung 9: Fahrzeugparksysteme
Eine weitere praktische Anwendung ist in Fahrzeugparksystemen, in denen die verfügbaren Schalter verfügbare Parkplätze verfolgen.Jedes Mal, wenn ein Auto eintritt oder ausgeht, passt der Zähler die Anzahl an, um die Anzahl der offenen Stellen widerzuspiegeln.Diese automatische Verfolgung verbessert das Weltraummanagement und verbessert die Gesamteffizienz von Parkanlagen, indem genaue Echtzeitdaten zu Belegungsniveaus bereitgestellt werden.

Abbildung 10: Frequenzteilung in der digitalen Elektronik
Im Bereich der digitalen Elektronik dienen Up/Down -Zähler als Frequenzteiler, wodurch eine Eingangsfrequenz in kleinere, überschaubare.Dies ist insbesondere bei Signalverarbeitungs- und Kommunikationssystemen von Bedeutung, bei denen verschiedene Komponenten eine präzise Frequenzregelung erfordern.Durch die Modulation der Eingangsfrequenzen gewährleisten diese Zähler einen reibungslosen Betrieb über Geräte hinweg, die auf genauem Signalzeitpunkt und -modulation beruhen.
Während des gesamten Artikels wurden die Komplexität und Vielseitigkeit von UP/Down -Zählern gründlich analysiert, wodurch ihre nützliche Rolle im Digital Circuit Design gezeigt wird.Die detaillierte Untersuchung in verschiedenen Modellen wie das 74193 IC unterstreicht die Anpassungsfähigkeit und Präzision, die diese Komponenten für digitale Systeme bieten.Durch den Vergleich von Auf- und Ab -Zählern betont die Diskussion ihre spezifischen Vorteile in verschiedenen Anwendungen, von der einfachen Ereigniszählung bis zur komplexen Frequenzabteilung.Darüber hinaus befasst sich der Artikel mit potenziellen Einschränkungen, wie z. B. Ausbreitungsverzögerungen und Synchronisierungsherausforderungen und liefert Einblicke in effektive Entwurfsüberlegungen, die die Systemzuverlässigkeit verbessern können.Der Abschnitt Erweiterter Anwendungen bekräftigt den erforderlichen Nutzen der Zähler in der Präzisionskontrolle und -signalmanagement und beweist, dass Up/Down -Zähler für den Fortschritt und die Effizienz zeitgenössischer technologischer Infrastrukturen grundlegend sind.Diese detaillierte Untersuchung unterstreicht nicht nur die operativen Nuancen von UP/Down -Zählern, sondern auch ihre erheblichen Auswirkungen auf das Design und die Funktionalität moderner digitaler Systeme.
Der 74193 ist ein spezifischer Typ des integrierten Schaltkreises (IC), der als synchroner Aufwärtszähler ausgelegt ist.Es kann in beide Richtungen zählen: Inkrementierung (nach oben) und Abnahme (Down).Es verfügt über eine 4-Bit-Binärausgabe und kann so eingerichtet werden, dass sie in jeder Sequenz innerhalb seines 4-Bit-Bereichs zählt.Die Betreiber verwenden es normalerweise in Anwendungen, bei denen eine reversible Zählung erforderlich ist, z. B. in digitalen Uhren oder Ereigniszähler in Industriesystemen.
Das IC 74192 ist ein weiteres Modell eines synchronen Aufwärtszählers.Im Gegensatz zum 74193 ist der 74192 so konzipiert, dass er ein Jahrzehnt (0 bis 9 oder 9 bis 0) nach oben oder unten zählt und daher ein Jahrzehntzähler ist.Es wird verwendet, wenn die Zählungen eher in Dezimalform als in Binärform angezeigt oder berechnet werden müssen, z. B. in Taschenrechnern oder digitalen Zählern.
Ein Up-Down-Zähler arbeitet, indem er seinen Zustand mit jedem Impuls von einem Takteingang geändert und je nach ausgewählter Modus nach oben oder unten zählt.Jeder Impuls führt dazu, dass der Ausgang des Zählers entweder durch eine Einheit inkrementiert oder verringert wird.In praktischen Anwendungen können Techniker diese Zähler verwenden, um die Häufigkeit und Zeitintervalle zu messen oder die Position in mechanischen Systemen zu bestimmen, indem sie die Anzahl der Vorwärts- oder Umkehrbewegungen verfolgt.
Zu den allgemeinen IC-Zahlen für Up-Down-Zähler gehören 74193 und 74192, wie oben erläutert.Diese Zahlen sind Teil der 7400 -Serie digitaler Logik -ICs, was darauf hinweist, dass sie unter anderem für digitale Zählaufgaben ausgelegt sind.
Integrierte Schaltkreise (ICs), die in Zählern verwendet werden, enthalten eine Vielzahl von Typen, die auf den Zählanforderungen basieren.Häufig verwendete ICs sind die 74193 und 74192 für die binäre bzw. Dezimalzählung.Andere können den 4029 umfassen, der ein programmierbarer Aufwärtszähler ist, der für komplexere Anwendungen geeignet ist, bei denen Voreinstellungsgrenzen und mehrere Zählmodi erforderlich sind.In praktischen Szenarien wie Fertigungsleitungen oder digitalen Systemen tragen diese ICs dazu bei, genaue Operationen oder Objekte aufrechtzuerhalten.
Bitte senden Sie eine Anfrage, wir werden sofort antworten.
auf 2024/09/21
auf 2024/09/20
auf 8000/04/18 147758
auf 2000/04/18 111938
auf 1600/04/18 111349
auf 0400/04/18 83721
auf 1970/01/1 79508
auf 1970/01/1 66914
auf 1970/01/1 63061
auf 1970/01/1 63012
auf 1970/01/1 54081
auf 1970/01/1 52131