
Der EPM7256AETC144-10N ist eine Hochleistungs-CPLD aus der MAX® 7000A-Serie von Intel, die auf anspruchsvolle logische Integrationsaufgaben zugeschnitten ist.Dieses Gerät verfügt über 256 Makrozellen und rund 5.000 nutzbare Tore, was in komplexen digitalen Umgebungen erhebliche Designflexibilität und Nützlichkeiten ermöglicht.Es wird bei einer maximalen Frequenz von 172,4 MHz mit einer Ausbreitungsverzögerung von nur 5,5 Ns betrieben und für einen schnellen Betrieb entwickelt.Das EPM7256AETC144-10N wird mit einer 3,3-V-Betriebsspannung entwickelt und in einem kompakten 144-poligen Dünnquad-Flat-Pack (TQFP) verpackt und unterstützt robuste Logikdesignanforderungen.Der EPM7256AETC144-10N verwendet EEPROM-basierte nicht flüchtige Konfigurationsspeicher, wodurch die dauerhafte Speicherung von Programmierdaten ermöglicht wird.Diese Funktion in Kombination mit der Programmierbarkeit in Systems über die JTAG-Schnittstelle bietet eine einfache Aktualisierung und die Reprogrammierung der Felddauer und verbessert die langfristige Benutzerfreundlichkeit, ohne dass eine physische Rekonfiguration oder ein Ersatz erforderlich ist.
Sichern Sie sich Ihre Projekte mit zuverlässiger, fachgemerkter Technologie, indem Sie Ihre Massenbestellung für den EPM7256AETC144-10N noch heute bei uns geben und sicherstellen, dass Sie über eine solide CPLD-Lösung verfügen.

EPM7256AETC144-10n Symbol

EPM7256AETC144-10N Footprint

EPM7256AETC144-10N 3D-Modell
Makrozellen:Dieses Gerät ist mit 256 Makrozellen ausgestattet.Makrozellen sind die konfigurierbaren Logikkomponenten, mit denen die CPLD verschiedene Logikfunktionen ausführen kann.
Nutzungsstore:Es liefert ungefähr 5.000 nutzbare Tore.Dies bezieht sich auf die äquivalente Menge an grundlegenden Logikstoren (wie und, oder nicht), die im Gerät konfiguriert werden können.
E/O -Stifte:Die CPLD verfügt über 120 Eingangs-/Ausgangsnadeln, die eine umfassende Schnittstelle mit anderen Teilen des elektronischen Designs eines Benutzers ermöglichen.
Ausbreitungsverzögerung (TPD):Die maximale Ausbreitungsverzögerung beträgt 10 Nanosekunden, wodurch festgelegt wird, wie schnell die CPLD Eingangssignale verarbeiten und Ausgänge erzeugen kann.
Betriebsfrequenz:Es kann bei Frequenzen von bis zu 95,2 MHz betrieben werden, wodurch die Geschwindigkeit definiert wird, mit der das Gerät die Logikvorgänge ausführen kann.
Versorgungsspannung:Das Gerät arbeitet mit einer Versorgungsspannung von 3,3 V und stimmt mit den gängigen digitalen Logikniveaus mit niedriger Spannung aus.
Paket:Es ist in einem 144-poligen Dünnquad-Flat-Pack (TQFP) erhältlich, einem kompakten Packungsart, der für die Minimierung des auf gedruckten Leiterplatten erforderlichen Platzes günstig ist.
Betriebstemperaturbereich:Der Betriebstemperaturbereich beträgt 0 ° C bis 70 ° C, was eine zuverlässige Leistung über einen weiten Bereich von Umgebungsbedingungen gewährleistet.
Programmabilität im System:Die CPLD unterstützt die Programmierbarkeit im System über eine IEEE STD.1149.1 SEND -TEST ACTION GRUPP (JTAG) Schnittstelle, die die Programmierung und Neuprogrammierung des Logikgeräts innerhalb der endgültigen Hardwarekonfiguration ermöglicht.

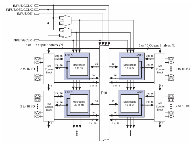
Der EPM7256AETC144-10N ist a Komplexes programmierbares Logikgerät (CPLD) mit vier Logikarray -Blöcke (Labors) , jeweils 16 Makrozellen mit insgesamt 64 Makrozellen.Diese Makrozellen verarbeiten sowohl die kombinations- als auch sequentielle Logik, wodurch das Gerät für verschiedene digitale Logikanwendungen flexibel ist.Im Zentrum der CPLD steht die Programmierbares Interconnect Array (PIA), was alle Labors verbindet und eine effiziente Signalrouting sicherstellt.Jedes Labor kommuniziert mit der PIA mit 36 Verbindungslinien, sodass Signale effizient geteilt und verarbeitet werden können.Das Gerät verfügt über E/A -Steuerblöcke auf jeder Seite und stützt 2 bis 16 E/A -Stifte pro Labor.Diese Blöcke helfen bei der Verwaltung von Eingangs- und Ausgangsfunktionen und verbinden die CPLD mit externen Schaltungen.Kontrollsignale wie Global Takten (GCLK1, GCLK2), Output -Enscen (OE1) und Global Reset (GCLRN) helfen bei der Synchronisierung der Logikoperationen über das Gerät.Darüber hinaus verwalten Logik -Tore die Uhr und setze Signale zurück, um einen reibungslosen Betrieb zu gewährleisten.Diese CPLD ist für die Hochgeschwindigkeitslogikverarbeitung ausgelegt, die Programmierbarkeit, effiziente Signalrouting und zuverlässige E/A-Steuerung bietet, wodurch sie für eingebettete Systeme, Kommunikation und industrielle Automatisierung geeignet ist.
|
Typ |
Parameter |
|
Hersteller |
Altera/Intel |
|
Serie |
Max® 7000a |
|
Verpackung |
Tablett |
|
Teilstatus |
Veraltet |
|
Programmierbarer Typ |
In System programmierbar |
|
Verzögerungszeit TPD (1) max |
10 ns |
|
Spannungsversorgung - intern |
3v ~ 3,6 V |
|
Anzahl der Logikelemente/Blöcke |
16 |
|
Anzahl der Makrozellen |
256 |
|
Anzahl der Tore |
5000 |
|
Anzahl von i/o |
120 |
|
Betriebstemperatur |
0 ° C ~ 70 ° C (TA) |
|
Montagetyp |
Oberflächenhalterung |
|
Paket / Fall |
144-LQFP |
|
Lieferantengerätepaket |
144-TQFP (20x20) |
|
Grundproduktnummer |
EPM7256 |
Künstliche Intelligenz
Diese CPLD wird in KI -Hardwarebeschleunigern verwendet, um komplexe Berechnungen zu verarbeiten, die zur effizienten Verarbeitung von AI -Algorithmen erforderlich sind und sowohl die Geschwindigkeit als auch die Zuverlässigkeit in AI -Anwendungen verbessern.
5G -Technologie
Im Bereich der 5G-Kommunikation eignet sich das EPM7256AETC144-10N am besten für die Signalverarbeitung und Verwaltung von Kommunikationsprotokollen.Seine Hochgeschwindigkeitslogikoperationen erleichtern die schnelle Verarbeitung, die in der nächsten Generation von drahtlosen Systemen benötigt wird.
Cloud Computing
Innerhalb von Rechenzentren verbessert dieses Gerät die Verarbeitungsfunktionen und dient als Komponente für die Verwaltung hoher Datenmengen und komplexer Berechnungen und unterstützt die Infrastruktur von Cloud -Diensten.
Unterhaltungselektronik
Die CPLD findet Anwendungen in Unterhaltungselektronik wie Fernseher und Gaming -Konsolen, bei denen benutzerdefinierte Logikfunktionen ausgeführt werden, die die Funktionen und Erfahrung der Geräte verbessern.
Drahtlose Technologie
Es wird in drahtlosen Kommunikationsgeräten verwendet, um Signale zu modulieren und zu demodulieren, um eine effektive und effiziente Kommunikation in Geräten wie Routern und Mobilfunkmodems zu gewährleisten.
Industrielle Kontrolle
Dieses Gerät ist ein wesentlicher Bestandteil von Automatisierungssystemen in industriellen Umgebungen, in denen es Maschinen steuert und Prozesse verwaltet, wodurch zur erhöhten Produktivität und Sicherheit beiträgt.
Internet der Dinge (IoT)
In IoT-Geräten verwaltet die EPM7256AETC144-10N Datenverarbeitungs- und Kommunikationsaufgaben, die sich hervorragend für den nahtlosen Betrieb von verbundenen Geräten in Smart Homes and Branchen eignen.
Medizinische Ausrüstung
Die CPLD wird in medizinischen Geräten für Aufgaben wie Datenerfassung und Signalverarbeitung angewendet und spielt eine Rolle bei der Zuverlässigkeit und Effizienz von medizinischen Diagnostik- und Behandlungsgeräten.
Hohe Logikdichte
Dieses Gerät packt 256 Makrozellen und ungefähr 5.000 nutzbare Tore, die die Implementierung komplexer Logikschaltungen innerhalb eines einzelnen Chips ermöglichen.Diese hohe Logikdichte erleichtert integriertere und kompaktere Konstruktionen, wodurch die Anzahl der Gesamtkomponenten und die Vereinfachung von Board -Layouts verringert wird.
Programmierbarkeit in Systemen (ISP)
Mit der Programmierbarkeit im System über eine IEEE STD.1149.1 JTAG-Schnittstelle, die EPM7256AETC144-10N ermöglicht eine einfache Programmierung und Neuprogrammierung direkt innerhalb der Schaltung.Diese Fähigkeit ist von unschätzbarem Wert für schnelle Prototypen- und iterative Designprozesse und ermöglicht es, Anpassungen vorzunehmen, ohne den Chip zu ersetzen.
Schnelle Ausbreitungsverzögerung
Mit einer maximalen Ausbreitungsverzögerung von nur 10 ns stellt diese CPLD eine schnelle Verarbeitung von Eingängen und Ausgängen für Anwendungen sicher, für die Hochgeschwindigkeitsdatenverarbeitung und zeitnahe Antworten wie Videoverarbeitung und Hochfrequenzhandelssysteme erforderlich sind.
Niedriger Stromverbrauch
Die EPM7256AETC144-10N ist auf einer 3,3-V-Versorgungsspannung optimiert, um Energieeffizienz zu erhalten.Dieser geringe Stromverbrauch ist in tragbaren und batteriebetriebenen Geräten von Vorteil, bei denen das Leistungsmanagement gut zur Verlängerung der Betriebsdauer ist.
Umfassende E/A -Fähigkeiten
Das Gerät ist mit 120 E/A -Stiften ausgestattet und bietet umfangreiche Konnektivitätsoptionen.Dies ermöglicht eine flexible Schnittstelle mit einer Vielzahl von Peripheriegeräten und anderen Systemkomponenten, sodass sie an komplexe Umgebungen mit mehreren Geräten anpassbar sind.
Nichtflüchtiger Konfigurationsspeicher
Dank ihres EEPROM-basierten Speichers behält die CPLD ihre Konfigurationseinstellungen auch nach dem Ausschalten der Stromversorgung bei, sodass sichergestellt wird, dass die Gerätefunktionalität über die Leistungszyklen hinweg bleibt.Diese Funktion ist für Anwendungen erforderlich, die eine zuverlässige, langfristige Leistung erfordern, ohne dass eine häufige Neukonfiguration erforderlich ist.
Das Programmieren des EPM7256AETC144-10N-Geräts umfasst einen sechsstufigen In-System-Programm (ISP):
1. Geben Sie ISP ein: Dieser Schritt stellt sicher, dass die Eingangs- und Ausgangsteile des Geräteschalters von normaler Verwendung zum Programmiermodus reibungslos gelten.Es dauert ungefähr 1 Millisekunde.
2. ID überprüfen: Vor dem Programmieren überprüft das Gerät seine eigene ID.Dieser Schritt ist sehr schnell.
3. Bulk -Löschen: Dies löscht alle früheren Daten vom Gerät.Dies geschieht, indem er einen Befehl erhält, um alles zu löschen und dann auf 100 Millisekunden zu warten, um sicherzustellen, dass alles gelöscht wird.
4. Programm: Hier werden die neuen Daten in das Gerät eingerichtet.Für jeden Daten wird es an die richtige Adresse im Gerät gesendet, und dann stellt ein spezieller Puls sicher, dass er ordnungsgemäß gespeichert ist.
5. Überprüfen Sie: Nach dem Programmieren prüft das Gerät, wenn alle Daten korrekt gespeichert werden, indem Sie es zurück lesen und mit dem vergleichen, was es sein sollte.
6. ISP beenden: Dieser Schritt wechselt das Gerät vom Programmiermodus zum normalen Gebrauchsmodus zurück.Es dauert auch ca. 1 Millisekunde.
Die Gesamtzeit für die Programmierung hängt davon ab, wie lange jeder Impuls dauert und wie schnell Daten in das Gerät und aus dem Gerät aussteigen können, was von der Geschwindigkeit der Programmieruhr beeinflusst wird und wie viel Daten es zu verarbeiten gibt.Unterschiedliche Geräte können unterschiedliche Zeit in Anspruch nehmen, da sie unterschiedliche Voraussetzungen für das Programm haben.

Das Diagramm zeigt den Paketumlauf und die PIN-Nummerierung von EPM7256AETC144-10N.Dieser Chip kommt in a TQFP-144 (dünne Quad-Flach-Paket mit 144 Stiften)Dies bedeutet, dass es auf allen vier Seiten feinköpfige Leads hat.Der Pin 1 -Standort ist mit einem kleinen Punkt markiert, und die Pinzahlen erhöhen gegen den Uhrzeigersinn um das Paket.Schlüsselreferenzstifte wie Pin 1, Pin 37, Pin 73 und Pin 109 helfen bei der Ausrichtung während der PCB -Baugruppe.Die Umrissabmessungen definieren die physische Größe des Chips, um eine ordnungsgemäße PCB -Anpassung zu gewährleisten.Die Pin -Out -Anordnung ermöglicht eine effiziente Signalrouting, sodass es für komplexe Logikanwendungen geeignet ist.Die EPM7256AE ist Teil der MAX 7000A CPLD-Serie mit 256 Makrozellen und Programmierbarkeit im System.Das -10N -Suffix zeigt eine Geschwindigkeitsqualität von 10 Ns und ein Lead -Free -Paket an.
Das EPM7256AETC144-10N ist ein komplexes programmierbares Logikgerät (CPLD), das ursprünglich von der Altera Corporation entwickelt wurde und später von erfasst wurde Intel Corporation Im Jahr 2015 wurde Intel seit der Akquisition offizieller Hersteller der FPGA- und CPLD -Produktlinien von Altera, einschließlich der Max® 7000A -Serie, zu der dieses Gerät gehört.Das EPM7256AETC144-10N ist für Hochleistungs-Anwendungen mit geringer Leistung ausgelegt und unterstützt über JTAG (IEEE 1149.1).Obwohl die CPLD -Technologie von Intel die CPLD -Technologie von Altera vererbt hat, wurde dieses Gerät seitdem eingestellt und wird jetzt als veraltet eingestuft, was bedeutet, dass Intel es nicht mehr in der aktiven Fertigung produziert oder unterstützt.
Das EPM7256AETC144-10N ist eine leistungsstarke und flexible CPLD, die in AI, 5G, Cloud Computing, Industrieautomaten, IoT und medizinischen Geräten verwendet wird.Es verarbeitet Daten schnell, verwendet wenig Strom und ermöglicht eine einfache Neuprogrammierung, ohne sie aus der Schaltung zu entfernen.Es ist immer noch nützlich für ältere Designs, die programmierbare Logik mit einer stabilen Leistung benötigen.Unabhängig davon, ob Sie mit dieser CPLD arbeiten oder nach ähnlichen Alternativen suchen, können Sie das Design, die Programmierung und die Vorteile verstehen, um sie in digitalen Hochgeschwindigkeitsanwendungen am besten zu nutzen.
Bitte senden Sie eine Anfrage, wir werden sofort antworten.
Das EPM7256AETC144-10N bietet 256 Makrozellen und ungefähr 5.000 nutzbare Gates, die mäßig komplexe logische Implementierungen ermöglichen.
Die EPM7256AETC144-10N unterstützt die Programmierbarkeit (ISP) im System über die Schnittstelle JTAG (IEEE 1149.1).Sie benötigen eine Altera USB-Blaster- oder Intel Quartus Prime-Software, um Konfigurationsdaten in den Chip zu schreiben.
Der Hauptunterschied ist die Geschwindigkeit.Das EPM7256AETC144-10N hat eine maximale Ausbreitungsverzögerung von 10 Ns, während der EPM7256AETC144-7 eine schnellere Verzögerung von 7 Ns für Anträge mit höherer Geschwindigkeit aufweist.Beide Geräte teilen das gleiche Paket, die I/A -Zählung und die Makrozellenstruktur.
Nein, die CPLD selbst benötigt keinen externen Oszillator, aber sie unterstützt externe Takteingänge.Wenn Ihr Entwurf präzise Timing benötigt, kann ein externes Taktsignal verwendet werden, um seine logischen Vorgänge zu fördern.
Diese CPLD sticht aufgrund ihrer Hochgeschwindigkeitsleistung (10 NS-Ausbreitungsverzögerung), 256 Makrozellen und 5.000 nutzbaren Toren heraus, was sie ideal für komplexe Logikdesigns macht.Im Gegensatz zu einigen älteren Modellen unterstützt es auch die Programmierbarkeit (Programmabilität) im System.
auf 2025/03/13
auf 2025/03/13
auf 8000/04/18 147778
auf 2000/04/18 112030
auf 1600/04/18 111351
auf 0400/04/18 83788
auf 1970/01/1 79589
auf 1970/01/1 66973
auf 1970/01/1 63109
auf 1970/01/1 63043
auf 1970/01/1 54097
auf 1970/01/1 52195