
Der Mpc8245lzu300d Von NXP USA Inc. stammt ein leistungsstarker integrierter Prozessor, der auf dem PowerPC 603E-Kern basiert und für eingebettete Anwendungen optimiert ist, die effiziente Kosten, Raum und Stromverwaltung erfordern.Diese Variante arbeitet mit einer Kerngeschwindigkeit von 300 MHz und unterstützt bis zu 2 GB SDRAM, wodurch sie für anspruchsvolle Anwendungen geeignet ist.Es verfügt über eine 32-Bit-PCI-Schnittstelle, die 66 MHz in der Lage ist, seine Kompatibilität mit einer Vielzahl von PCI-Peripheriegeräten zu verbessern.Zu den integrierten Funktionen gehören unter anderem duARTS (DuArts) mit zwei universeller asynchroner Empfängertransmitter (DUARTS), ein I²C-Controller und ein Zweikanal-DMA-Controller, der zu seiner Vielseitigkeit bei der effizienten Umstellung komplexer Verarbeitungsaufgaben beiträgt.Der MPC8245Lzu300D ist in einer 352-Ball-Bandkugel-Gitter-Array-Konfiguration (TBGA) verpackt und sorgt für einen kompakten Fußabdruck mit robuster Leistung bei Temperaturen zwischen 0 ° C bis 105 ° C.
Wenn Sie einen Massenauftrag für den MPC8245Lzu300D aufgeben möchten, sollten Sie bei uns den Kauf von uns erwägen.Wir werden sicherstellen, dass Sie das beste Angebot erhalten und diesen leistungsstarken Prozessor für Ihre bevorstehenden Projekte vollständig nutzen können.
Superscalar -Architektur:Ermöglicht dem Prozessor, mehrere Anweisungen pro Taktzyklus auszuführen und die Effizienz und Geschwindigkeit des Kerns zu steigern.
Integrierte Caches:Merkmale 16 KB Anweisungs -Cache und 16 KB Datencache, die teilweise oder vollständig gesperrt werden können.Dies hilft bei der Minimierung der Zeit, die für den Zugriff auf häufig verwendete Daten benötigt wird und die Verarbeitung beschleunigt.
Dynamisches Leistungsmanagement:Beinhaltet Stromverwaltungsmodi wie Nickerchen, Doze und Schlaf, die dazu beitragen, den Stromverbrauch basierend auf den betrieblichen Anforderungen des Prozessors zu verringern.
SDRAM -Unterstützung:Kann bis zu 2 GB SDRAM über einen 32- oder 64-Bit-Datenbus verarbeiten.Es unterstützt mehrere Konfigurationen, wobei unterschiedliche Größen und Arten von Speicherbanken gerecht werden.
Fehlerkorrektur:Verwendet Mechanismen wie Schreibpufferung für PCI- und Prozessorzugriffe mit Unterstützung für Datenintegritätstechniken wie Parität, read-modify-write-Operationen oder ECC (Fehlerkorrekturcode).
Vielseitige ROM- und I/O -Schnittstellen:Unterstützt verschiedene Arten von ROM- und Flash-Speicher und bietet mehrere allgemeine E/A-Ports an, wodurch sie an verschiedene Systemarchitekturen anpassbar ist.
32-Bit-PCI-Bus:Arbeitet mit Geschwindigkeiten von bis zu 66 MHz und entspricht den PCI 2.2 -Standards.Dank seiner 5,0-V-Toleranz ist es auch in der Lage, mit einer Reihe von PCI-Peripheriegeräten zu senken.
Unterstützung mit zwei Kanal:Verfügt über einen Zweikanal-DMA-Controller, der direkte und verkettete Modi unterstützt und Datenübertragungen für eine effizientere Datenbehandlung automatisieren und verknüpfen können.
Fähigkeit zur Streue-Sammlung:Erleichtert Vorgänge, die das Lesen von nicht verknüpften Speicherabschnitten lesen oder in nicht übereinstimmende Speicherabschnitte schreiben, die mit einer Übertragungswarteschlange und mehreren Interrupt-Optionen ausgestattet sind, um Datenübertragungen effektiv zu verwalten.
Kommunikationsschnittstellen:Enthält zwei UARTs für die serielle Kommunikation und einen I²C -Controller, der sowohl Master- als auch Slave -Modi unterstützt und unterschiedliche Kommunikationsanforderungen ermöglicht.
Programmierbarer Interrupt -Controller:Bietet eine robuste Verwaltung von Hardware- und seriellen Interrupts und verbessert die Reaktionsfähigkeit und Kontrolle des Systems.
Timer und Uhr Generation:Integriert vier programmierbare Timer und integrierte Mechanismen zum Erstellen von Uhren für PCI-Bus und SDRAM, um ein genaues Timing und die Synchronisation über verschiedene Systemkomponenten hinweg sicherzustellen.

Der MPC8245Lzu300D -Blockdiagramm zeigt, wie der Prozessor und die Peripheriegeräte interagieren.Es hat zwei Hauptabschnitte: die Prozessorkernblock und die Peripherer Logikblock.Der Prozessor -Kernblock übernimmt Berechnungen.Es enthält die Zweig -Verarbeitungseinheit (BPU)Anwesend Ganzzahleinheit (IU)Anwesend Schwimmpunkteinheit (FPU), Und Last-/Speichereinheit (LSU).Anweisungen werden mit Hilfe von abgerufen, verarbeitet und effizient ausgeführt 16-KByte-Daten und -anweisungen Caches.Der Speicherverwaltungseinheiten (MMUS) Speicherzugriff verwalten.Der Peripherer Logikblock verbindet den Prozessor mit externen Geräten.Es enthält a DMA -Controller Für schnelle Speichertransfers eine I²C Controller für Kommunikation und a Nachrichteneinheit Für Eingangs-/Ausgangsvorgänge.Der PCI -Busschnittstelle Unterstützt eine 32-Bit-PCI-Verbindung für die Erweiterung.A Speichercontroller verarbeitet den Systemspeicher, einschließlich Sdram Synchronisationsuhren.Für die Systemsteuerung hat es a PIC Interrupt Controller Das verwaltet Interrupts aus verschiedenen Quellen.Der Datenpfad -ECC -Controller sorgt für die Datenintegrität, unterstützt 32-Bit- oder 64-Bit-Datenbusse mit Parität oder ECC (Fehlerkorrekturcode).Uhrsignale wie Osc_in Und Pci_sync_in Halten Sie alles synchronisiert für den reibungslosen Betrieb.

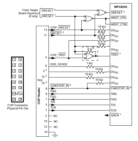
Der COP -Anschlussdiagramm Für das MPC8245Lzu300D zeigt die Debugging- und Zurücksetzen der Schnittstelle zum Testen und Fehlerbehebung des Prozessors.Der 16-polige COP-Header verbindet den Prozessor mit externem JTAG/COP Debugging -Tools.Zu den wichtigsten Signalen gehören SresetAnwesend Hreset, Und COP_HRESET, welches Steuersystem zurückgesetzt wird.Der HRST_CTRL Die Eingabe hilft bei der Koordinierung des Zurücksetzens mit Logik -Toren.Der COP_TRST setzt die zurück Jtag Testlogik.Die JTAG -Signale: TMSAnwesend TdoAnwesend TDI, Und Tck werden für Grenztarben und Debugging in Kreislauf verwendet.Der Chkstop_in Signalsteuerungsprozessor steuert während des Debuggens während des Debuggens Vdd_sense Überwachung der Systemspannung.Pull-up- und Pulldown-Widerstände (10 kΩ, 1 kΩ) helfen, Signale zu stabilisieren.Der Qack Signal hilft bei der Debugging -Koordination.Der Cop -Anschluss Folgt dem Standard -JTAG -Pinout und erleichtert die Verbindung mit Debugging -Tools.
|
Typ |
Parameter |
|
Hersteller |
NXP USA Inc. |
|
Serie |
MPC82XX |
|
Verpackung |
Tablett |
|
Teilstatus |
Veraltet |
|
Kernprozessor |
Powerpc 603e |
|
Anzahl der Kerne/Busbreite |
1 Kern, 32-Bit |
|
Geschwindigkeit |
300 MHz |
|
RAM -Controller |
Sdram |
|
Grafikbeschleunigung |
NEIN |
|
Spannung - i/o |
3.3 V |
|
Betriebstemperatur |
0 ° C ~ 105 ° C (TA) |
|
Montagetyp |
Oberflächenhalterung |
|
Paket / Fall |
352-lbga |
|
Lieferantengerätepaket |
352-TBGA (35x35) |
|
Zusätzliche Schnittstellen |
I2C, I²o, PCI, UART |
|
Grundproduktnummer |
MPC82 |
Networking -Geräte
Der MPC8245Lzu300D eignet sich ideal für Netzwerkgeräte wie Router, Switches und Netzwerk -Schnittstellenkarten.Die robuste PCI-Schnittstelle und integrierte Kommunikationsperipheriegeräte ermöglichen Hochgeschwindigkeitsdatenübertragungen und die effiziente Behandlung mehrerer Kommunikationsprotokolle.Diese Fähigkeit verbessert die Leistung und Zuverlässigkeit von Netzwerkoperationen.
Industrieautomatisierung
In der industriellen Automatisierung spielt dieser Prozessor eine Rolle bei Antriebssystemen wie programmierbaren Logikcontrollern (PLCs), Maschinenschnittstellen (HMIs) und anderen Automatisierungsmaschinen.Die Fähigkeit des Prozessors, Kontroll- und Überwachungsaufgaben zu erledigen, macht es zu einer wichtigen Komponente in modernen industriellen Umgebungen und sorgt für ein präzises und effizientes Prozessmanagement.
Speicherlösungen
Die Funktionen für erweiterte Speicheroberfläche und DMA des MPC8245Lzu300D sind eine hervorragende Wahl für Speicheranwendungen, einschließlich RAID-Controller und Speichergebietsnetzwerke (SANS).Es ist hervorragend bei der Verwaltung von Hochgeschwindigkeits-Datenzugriff und effizientem Speichermanagement, die in Umgebungen, in denen Datenintegrität und Schnellzugriff Prioritäten sind, hervorragend sind.
Telekommunikation
Dieser Mikroprozessor ist für die Verwendung in Telekommunikationsgeräten wie Basisstationen und Gateways gut geeignet.Die Fähigkeit, mehrere Datenströme effizient zu verarbeiten und verschiedene Kommunikationsprotokolle zu unterstützen, hilft bei der Verbesserung der Gesamtfunktionalität und Zuverlässigkeit der Telekommunikationsinfrastruktur.
Eingebettete Systeme
Die vielseitigen Integrationsfunktionen des MPC8245Lzu300D machen es zu einem Hauptkandidaten für eingebettete Systeme in der Automobilelektronik, der Elektronik und in medizinischen Geräten.Das Angebot an integrierten Peripheriegeräten und Schnittstellen ermöglicht die Gestaltung von speziellen, leistungsstarken Lösungen, die auf die spezifischen Bedürfnisse dieser Branchen zugeschnitten sind.
Integriertes System-On-Chip-Design (SOC)
Der MPC8245Lzu300D kombiniert den Prozessorkern, die Speichercontroller und Peripheriegeräte zu einem einzigen Chip.Dieser SOC -Ansatz vereinfacht die Systemarchitektur, minimiert den Bedarf an externen Komponenten und kann zu einer Kostensenkungen sowohl der Entwicklungs- als auch der Produktionsphasen führen.
Hochleistungsverarbeitung
Der Prozessor arbeitet mit einer Frequenz von 300 MHz und verwendet eine Supercalar -Architektur, mit der sie mehrere Anweisungen pro Taktzyklus ausführen können.Diese Hochleistungsverarbeitungsfähigkeit sorgt für einen effizienten Betrieb und ist den Prozessoren, die diese Parallelität nicht unterstützen, überlegen, was sie ideal für anspruchsvolle Anwendungen macht.
Vielseitige Speicherunterstützung
Dieser Prozessor unterstützt bis zu 2 GB SDRAM und verfügt über eine erweiterte Speicherschnittstelle, die Fehlerkorrektur und vielseitige ROM- und E/A -Schnittstellen enthält.Diese Stufe der Speicherunterstützung bietet Flexibilität und ermöglicht es, die Speicherkonfiguration so anzupassen, dass sie bestimmte Anwendungsanforderungen erfüllen, einen Vorteil gegenüber starre Systemen.
Umfassende periphere Integration
Der MPC8245Lzu300D enthält integrierte Kommunikationsschnittstellen wie UARTs und einen I²C -Controller sowie programmierbare Timer und Interrupt -Controller.Diese umfangreiche periphere Integration verringert die Notwendigkeit zusätzlicher externer Komponenten, sodass die Gesamtkonstruktion vereinfacht und die Systemzuverlässigkeit verbessert wird, indem die potenziellen Ausfallpunkte verringert werden.
Niedriger Stromverbrauch
Mit dem dynamischen Leistungsmanagement mit Modi wie Nickerchen, Doze und Sleep kann der Prozessor seinen Stromverbrauch basierend auf den aktuellen Arbeitsbelastungsanforderungen optimieren.Diese Fähigkeit wird in Anwendungen verwendet, bei denen Stromeffizienz benötigt wird, und bietet einen Vorteil gegenüber anderen Prozessoren, denen eine solche detaillierte Leistungsregelung fehlt.
|
Parameter |
Dimension (mm) |
|
Paketumriss |
35 mm × 35 mm |
|
Verbindungen |
352 |
|
Tonhöhe |
1,27 mm |
|
Lötkugeln |
Zu (TBGA -Paket) - 62 SN/36 PB/2 AG;VV (Lead-Free-Version
Paket) —95.5 SN/4,0 Ag/0,5 Cu |
|
Lötkugeldurchmesser |
0,75 mm |
|
Maximale Modulhöhe |
1,65 mm |
|
Ko-Planaritätsspezifikation |
0,15 mm |
|
Maximale Kraft |
6,0 lbs.Gesamt, gleichmäßig über das Paket verteilt (8
Gramm/Ball) |

Der MPC8245Lzu300D -Mikroprozessor ist ein Produkt von NXP USA Inc., eine Tochtergesellschaft von NXP -Halbleitern.Die NXP -Halbleiter, die aus Philips Semiconductors hervorging, hat seinen Hauptsitz in Austin, Texas.Dieser Prozessor, Teil ihres breiteren Portfolios, integriert Technologien, die für die Leistung und den geringen Stromverbrauch optimiert sind, und sorgt für eine Vielzahl von eingebetteten Anwendungen.Obwohl der MPC8245Lzu300D als veraltet gekennzeichnet ist, unterstützt NXP USA Inc. seine Legacy -Produkte weiterhin und überschreiten die Grenzen in Bereichen wie Automobil, Industrie und IoT durch neue Halbleiterlösungen.
Der MPC8245Lzu300D ist ein starker und zuverlässiger Prozessor für anspruchsvolle Anwendungen.Mit seinen schnellen Verarbeitung, integrierten Kommunikationsfunktionen und intelligenten Leistungssparmodi hilft es den Systemen, reibungslos und effizient zu laufen.Obwohl es jetzt veraltet ist, ist es in vielen Netzwerk-, Industrie- und Telekommunikationsprojekten immer noch nützlich.Seine Fähigkeit, mehrere Aufgaben zu erledigen und gleichzeitig Strom zu sparen, macht es zu einer wertvollen Wahl, die nach einem vertrauenswürdigen eingebetteten Prozessor sucht.
Bitte senden Sie eine Anfrage, wir werden sofort antworten.
Ja, der MPC8245Lzu300D wurde mit einer Superscalarar -Architektur erstellt, sodass er mehrere Anweisungen pro Taktzyklus ausführen kann.Es enthält einen Zweikanal-DMA-Controller, mit dem Datenübertragungen unabhängig von der CPU verwaltet werden können, wodurch die Multitasking-Funktionen verbessert werden können.Dies macht es zu einer hervorragenden Wahl für Anwendungen und eingebettete Systeme, die eine parallele Datenverarbeitung erfordern.
Der Prozessor unterstützt bis zu 2 GB SDRAM mit einem 32- oder 64-Bit-Datenbus.Es enthält auch Fehlerkorrekturfunktionen wie Paritätsprüfung und ECC (Fehlerkorrekturcode), um die Datenintegrität in Anwendungen wie Speicherlösungen, Telekommunikationsausrüstung und industrielle Automatisierung sicherzustellen.
Ja, das MPC8245Lzu300D verfügt über ein dynamisches Stromverwaltung mit mehreren Modi (Nickerchen, Knock und Schlaf), die den Stromverbrauch basierend auf der System Workload anpassen.Dies macht es energieeffizient und geeignet für batteriebetriebene oder geringfügige eingebettete Systeme.
Der MPC8245Lzu300D arbeitet innerhalb eines Temperaturbereichs von 0 ° C bis 105 ° C, wodurch es für industrielle und eingebettete Umgebungen geeignet ist, die unter unterschiedlichen thermischen Bedingungen eine robuste Leistung erfordern.
Ja, der MPC8245Lzu300D ist ideal für Netzwerkanwendungen wie Router, Switches und Netzwerk -Schnittstellenkarten (NICs).Die Hochgeschwindigkeits-PCI-Schnittstelle, der integrierte DMA-Controller und die Unterstützung für Kommunikationsprotokolle machen sie für die effiziente Behandlung datenintensiver Netzwerkaufgaben gut geeignet.
auf 2025/03/14
auf 2025/03/13
auf 8000/04/18 147776
auf 2000/04/18 112020
auf 1600/04/18 111351
auf 0400/04/18 83777
auf 1970/01/1 79575
auf 1970/01/1 66964
auf 1970/01/1 63104
auf 1970/01/1 63041
auf 1970/01/1 54097
auf 1970/01/1 52189