
Die XC3042-100PC84C ist ein feldprogrammierbares Gate-Array auf CMOS-SRAM-Basis, das für die Implementierung konfigurierbarer digitaler Logik entwickelt wurde.Es gehört zur XC3000-Familie und wird in einem 84-Pin-PLCC-Gehäuse geliefert.Das Gerät wird mit einer 5-Volt-Versorgung betrieben und benötigt beim Einschalten Konfigurationsdaten, um seine Logikfunktionen zu definieren.Seine interne Struktur unterstützt programmierbare Logikblöcke und flexible Ein- und Ausgangsverbindungen für Steuerungs-, Schnittstellen- und Datenverarbeitungsaufgaben.Diese Komponente wird häufig in eingebetteten Systemen, Industrieanlagen und älteren digitalen Plattformen verwendet, die eine anpassbare Hardwarelogik erfordern.Auf der Suche nach XC3042-100PC84C Kontaktieren Sie uns, um den aktuellen Lagerbestand, die Lieferzeit und die Preise zu prüfen.

Das Diagramm zeigt den typischen Versorgungsstrom auf der vertikalen Achse in Milliampere gegenüber der Taktfrequenz auf der horizontalen Achse in Megahertz und zeigt, dass der Strom mit der Betriebsfrequenz zunimmt.Es werden zwei Betriebsmodi identifiziert, die mit „Low Power“ und „High Performance“ gekennzeichnet sind und jeweils durch eine ansteigende Linie dargestellt werden.Der Low-Power-Modus erreicht etwa 104 MHz bei einem Strom von etwa 120 mA, während sich der High-Performance-Modus auf etwa 178 MHz mit einem Strom von annähernd 240 mA erstreckt.Der lineare Trend in beiden Kurven zeigt ein proportionales Wachstum des dynamischen Stromverbrauchs mit zunehmender Schaltfrequenz an und spiegelt die frequenzabhängigen Leistungseigenschaften des Geräts wider.



XC3042-100PC84C bietet etwa 3000 nutzbare Logikgatter zur Implementierung digitaler Schaltkreise.Diese Kapazität unterstützt Steuerlogik, Datenrouting, Zustandsmaschinen und arithmetische Operationen in einem einzigen programmierbaren Gerät.Durch die Integration mehrerer Logikfunktionen in einer Komponente wird der Bedarf an separaten, festen Logik-ICs reduziert und kompakte Platinenlayouts unterstützt.
Das Gerät enthält 144 konfigurierbare Logikblöcke, die den Kern seiner programmierbaren Architektur bilden.Jeder Block kann so angeordnet werden, dass er kombinatorische und sequentielle Logikfunktionen ausführt.Diese Struktur ermöglicht es Designern, benutzerdefiniertes Hardwareverhalten basierend auf Anwendungsanforderungen zu definieren und gleichzeitig einen vorhersehbaren digitalen Betrieb aufrechtzuerhalten.
XC3042-100PC84C verfügt über 74 vom Benutzer zugängliche Eingangs- und Ausgangspins.Diese Pins ermöglichen den direkten Anschluss an externe Speicher, Prozessoren, Steuerleitungen und Kommunikationsschnittstellen.Die verfügbare E/A-Anzahl unterstützt die flexible Systemintegration in eingebettete und ältere Plattformen.
Das Gerät verfügt über insgesamt 30784 RAM-Bits in seiner internen Struktur.Dieser Speicher kann für temporäre Datenspeicherung, Pufferung und logikbezogene Funktionen verwendet werden.Durch den integrierten RAM ist die Abhängigkeit von externem Speicher bei moderatem Speicherbedarf geringer.
XC3042-100PC84C arbeitet in einem Versorgungsspannungsbereich von 4,75 Volt bis 5,25 Volt.Diese Reihe ist auf standardmäßige 5-Volt-Digitalsysteme abgestimmt und unterstützt die Kompatibilität mit TTL- und CMOS-basierten Schaltkreisen, die üblicherweise in etablierten Designs verwendet werden.
Der angegebene Betriebstemperaturbereich beträgt 0 Grad Celsius bis 85 Grad Celsius.Dadurch eignet sich das Gerät für kontrollierte kommerzielle und industrielle Innenumgebungen, in denen stabile thermische Bedingungen aufrechterhalten werden.
Das Gerät wird in einem 84-poligen Kunststoff-Chipträgergehäuse mit J-Anschlüssen geliefert.Dieses oberflächenmontierte Format unterstützt eine sichere Platinenbefestigung und eine effiziente Nutzung des Platzes auf der Leiterplatte in Layouts mittlerer Dichte.
XC3042-100PC84C verwendet ein SRAM-basiertes Konfigurationssystem.Seine Logikkonfiguration wird beim Einschalten von einer externen Quelle geladen, sodass das Gerät neu programmiert werden kann, wenn Designaktualisierungen erforderlich sind.Dies unterstützt die Designflexibilität ohne Hardware-Austausch.
Das Gerät folgt der Architektur der XC3000 FPGA-Familie.Es unterstützt etablierte Konfigurationsmethoden und Designansätze, die in dieser Produktserie verwendet werden, und ermöglicht so eine konsistente Integration mit verwandten Geräten.
Die Geschwindigkeitsstufe -100 definiert die Timing-Leistungskategorie des Geräts.Es zeigt Schalt- und Ausbreitungseigenschaften innerhalb der XC3000-Familie an und unterstützt ein stabiles und vorhersehbares digitales Signalverhalten in praktischen Anwendungen.
| Produktattribut | Attributwert |
| Hersteller | AMD Xilinx |
| Spannung - Versorgung | 4,75 V ~ 5,25 V |
| Gesamtzahl der RAM-Bits | 30784 |
| Gerätepaket des Lieferanten | 84-PLCC (29,31 x 29,31) |
| Serie | XC3000 |
| Paket/Koffer | 84-LCC (J-Leitung) |
| Paket | Tablett |
| Betriebstemperatur | 0°C ~ 85°C (TJ) |
| Anzahl der LABs/CLBs | 144 |
| Anzahl der E/A | 74 |
| Anzahl der Tore | 3000 |
| Montageart | Oberflächenmontage |
| Basisproduktnummer | XC3042 |
| RoHs-Status | Nicht RoHS-konform |
| Feuchtigkeitsempfindlichkeitsniveau (MSL) | 3 (168 Stunden) |
| REACH-Status | REACH Unberührt |
| ECCN | EAR99 |
| HTSUS | 8542.39.0001 |

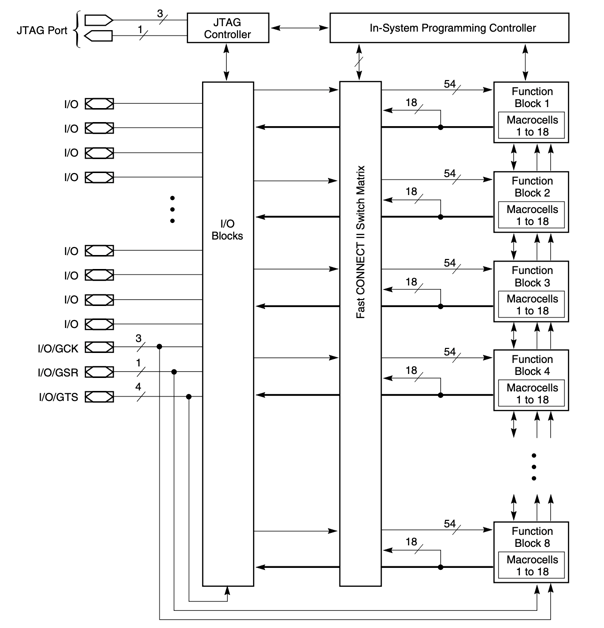
Das Gerät besteht aus acht Funktionsblöcken mit jeweils 18 Makrozellen und verbindet programmierbare Logikressourcen über eine zentrale FastCONNECT II-Schaltmatrix, die die interne Signalweiterleitung verwaltet.Jeder Funktionsblock ist über 54 Eingangsleitungen und 18 Ausgangspfade mit der Matrix verbunden und unterstützt so vorhersagbare Verbindungsverzögerungen, die für CPLD-Strukturen typisch sind.Die auf der linken Seite positionierten I/O-Blöcke bieten externe Pin-Konnektivität und integrieren globale Steuersignale mit der Bezeichnung I O GCK, I O GSR und I O GTS für Takt, Set-Reset und Tristate-Verteilung.Oben werden ein JTAG-Controller und ein In-System-Programming-Controller angezeigt, der die Boundary-Scan-Konformität und die Fähigkeit zur umprogrammierbaren Konfiguration anzeigt.Fettgedruckte Signalpfade zeigen direkte Verbindungen von Funktionsblockausgängen zu den E/A-Blöcken und reduzieren so die Routing-Stufen für ausgewählte Ausgänge.

Die Testlastkonfiguration verbindet den Geräteausgang mit einem Widerstandsteiler, der aus R1 an VTEST und R2 an Masse besteht, wobei eine kapazitive Last CL vom Ausgangsknoten an Masse angeschlossen ist.Die Schaltung modelliert Ausgangsschaltbedingungen für AC-Timing-Messungen, indem sie kontrollierte ohmsche und kapazitive Belastungen definiert.Eine Tabelle gibt Werte für zwei Betriebspegel an, wobei VCCIO und VTEST auf 3,3 V eingestellt sind, wenn R1 320 Ohm und R2 360 Ohm hat, oder 2,5 V, wenn R1 250 Ohm und R2 660 Ohm hat, während CL in beiden Fällen 35 pF bleibt.Diese Konfiguration legt standardisierte Lastparameter fest, um die Anstiegs- und Abfalleigenschaften des Ausgangs unter definierten Spannungsbedingungen zu bewerten.
Der XC3042-100PC84C wird häufig zur Wartung eingebetteter Systeme verwendet, die während der frühen Einführung programmierbarer Logik entwickelt wurden.Viele Steuerplatinen in Fertigungsanlagen, Instrumenten und Kommunikationshardware wurden rund um die XC3000-Architektur entwickelt.Wenn diese Systeme repariert werden müssen, ermöglicht das Gerät die Wiederherstellung der ursprünglichen programmierbaren Logik, ohne die Leiterplatte zu verändern.Dies trägt dazu bei, Systemverhalten, Timing-Beziehungen und Signalkompatibilität zu bewahren.
In industriellen Steuerungsplattformen, die mit Geräten der XC3000-Serie aufgebaut sind, verwaltet der XC3042-100PC84C die Sequenzierung, Signalweiterleitung und Schnittstellenkoordination zwischen Sensoren und Aktoren.Sein 5-Volt-Betriebsbereich entspricht den Logikpegeln, die in älteren Automatisierungssystemen verwendet werden.Das Gerät kann die Zeitsteuerung, das Datenpfadmanagement und den Austausch diskreter Logik innerhalb programmierbarer Hardware übernehmen und ermöglicht so einen stabilen Betrieb in Produktionsumgebungen mit langer Laufzeit.
Der XC3042-100PC84C wird in Retro-Computing-Projekten verwendet, die darauf abzielen, frühe programmierbare Logikdesigns zu bewahren oder neu zu erstellen.Es ermöglicht die Wiederherstellung von Erweiterungskarten, Entwicklungsplatinen und Schnittstellenmodulen, die ursprünglich mit XC3042-Geräten gebaut wurden.Durch die Unterstützung der gleichen Konfigurationsstruktur und des gleichen Pin-Layouts trägt es dazu bei, das authentische Hardware-Verhalten beizubehalten und gleichzeitig eine Neuprogrammierung zu ermöglichen, wenn Designdateien verfügbar sind.
Das Gerät dient als Lehrplattform zum Verständnis der SRAM-basierten FPGA-Strukturen der ersten Generation.Die Studierenden können konfigurierbare Logikblöcke, interne Speicherressourcen und externe Konfigurationsmethoden in einem realen Hardwaregerät untersuchen.Die Arbeit mit dieser Architektur bietet praktische Einblicke in die Organisation früher programmierbarer Logiksysteme und die Abbildung digitaler Funktionen in Hardware.
Der XC3042-100PC84C dient als Ersatz für Systeme, die bereits Komponenten der XC3042-Serie verwenden.Es unterstützt das gleiche Gehäuseformat, den gleichen Spannungsbereich und die gleiche Architekturstruktur und ermöglicht so die Reparatur oder Überholung alter Geräte.Dieser Ansatz verlängert die Lebensdauer älterer Systeme, ohne dass eine Neugestaltung oder Umstellung auf neuere programmierbare Plattformen erforderlich ist.

Die Verpackungsabbildung zeigt die Draufsicht eines TQ144-Geräts mit beschrifteten Teilemarkierungsfeldern, die Bestellinformationen definieren.Der Gerätetyp wird als XC95xxxXL angezeigt und gibt die Familienbezeichnung an, während der Gehäusecode TQ144 das 144-Pin-Thin-Quad-Flat-Gehäuse identifiziert.Die Geschwindigkeitsstufe ist mit 7 °C gekennzeichnet, wobei der numerische Wert die Timing-Leistung angibt und der Buchstabe den kommerziellen Betriebstemperaturbereich angibt.Eine separate horizontale Linie wird angezeigt, die keinen Bezug zur Teilenummer des Geräts hat und Rückverfolgbarkeits- oder Chargeninformationen von Bestellkennungen unterscheidet.Die Position von Pin 1 ist durch einen kreisförmigen Indikator an einer Ecke markiert, um die Ausrichtung des Pakets zu definieren.
• Die SRAM-basierte Struktur ermöglicht die Neuprogrammierung der Logik, wenn Designänderungen erforderlich sind
• Die etablierte XC3000-Architektur unterstützt einen stabilen Betrieb in langfristigen Legacy-Systemen
• Der 5-Volt-Versorgungsbereich entspricht älteren TTL- und CMOS-Logikpegeln
• Eine moderate Gate-Anzahl eignet sich für kleine bis mittelgroße digitale Steuerungsaufgaben
• Häufig in frühere eingebettete und industrielle Plattformen integriert
• Das 84-polige PLCC-Gehäuse unterstützt kompakte Platinenlayouts für die Oberflächenmontage
• Der 5-Volt-Betrieb ist nicht mit modernen Niederspannungs-Digitalsystemen kompatibel
• Die Logikkapazität ist im Vergleich zu FPGA-Geräten der aktuellen Generation begrenzt
• Der Stromverbrauch ist höher als bei neueren programmierbaren Niederspannungslogikfamilien
• Es fehlen eingebettete Multiplikatoren und dedizierte Signalverarbeitungsressourcen
• Enthält keine erweiterten Taktverwaltungs- oder Hochgeschwindigkeitsschnittstellenfunktionen
• Die Kompatibilität von Entwicklungstools ist in modernen FPGA-Designumgebungen eingeschränkt
| Teilenummer | Hersteller | Hauptmerkmale | Anwendungsfall/Hinweise |
| XC3042-100PQ100C | AMD | FPGA der XC3000-Familie mit rund 3.000 Systemgattern und 144 konfigurierbaren Logikblöcken.Wird mit einer 5-V-Versorgung betrieben und unterstützt oberflächenmontierte Gehäuse. | Wird in älteren programmierbaren Logikdesigns, Schnittstellensteuerung und digitalen Anwendungen mittlerer Dichte verwendet. |
| XC3042-125PQ100C | AMD | Ähnliches XC3042-Gerät mit alternativer Geschwindigkeitsstufe.Bietet konfigurierbare Logikressourcen und flexible I/O in einem PQFP-Paket. | Geeignet für digitale Steuer- und Kommunikationsschaltungen mit moderaten Timing-Anforderungen. |
| XC3030L-8VQ64C | AMD | Stromsparender FPGA aus der XC3000L-Serie mit konfigurierbaren Logikblöcken und kompaktem Gehäusedesign.Entwickelt für reduzierten Stromverbrauch. | Geeignet für leistungsempfindliche eingebettete Systeme und Unterhaltungselektronikprodukte. |
| XC3030L-8VQ64I | AMD | Industrietauglicher FPGA mit geringem Stromverbrauch, erweitertem Temperaturbereich und flexiblen programmierbaren Logikressourcen. | Wird in industriellen Steuerungs- und eingebetteten Systemen verwendet, die einen zuverlässigen Betrieb in raueren Umgebungen erfordern. |
AMD Xilinx fungiert als Abteilung für adaptives und eingebettetes Computing von Advanced Micro Devices, Inc. Die Ursprünge der Organisation gehen auf Xilinx, Inc. zurück, das 1984 in Kalifornien gegründet wurde, wo es programmierbare Logikgeräte einführte, die nach der Herstellung konfiguriert werden konnten.Im Laufe der Jahre expandierte das Unternehmen zu programmierbaren Plattformen, die in den Bereichen Kommunikationsinfrastruktur, industrielle Automatisierung, Luft- und Raumfahrtsysteme, Automobilelektronik und Rechenzentrumsbeschleunigung eingesetzt werden.Das Portfolio umfasst programmierbare Logikgeräte, adaptive System-on-Chip-Plattformen, Entwicklungssoftware und Designtools, die die Anpassung auf Hardwareebene unterstützen.Nach der Übernahme durch AMD im Jahr 2022 wurden seine Technologien Teil eines breiteren Halbleiterportfolios, das programmierbare Logik mit leistungsstarken Verarbeitungslösungen kombiniert.
Der XC3042-100PC84C bietet Ihnen eine praktische Möglichkeit, programmierbare Logik in digitalen 5-V-Systemen zu verwalten.Dank der SRAM-basierten Struktur können Sie die Konfiguration bei Bedarf neu laden und aktualisieren.Es bietet eine solide Mischung aus Logikkapazität, internem RAM und flexiblen I/O-Anschlüssen.Das PLCC84-Paket erleichtert die Integration in viele Platinenlayouts.Ganz gleich, ob Sie ältere Geräte warten oder an Restaurierungsprojekten arbeiten, dieses Gerät hilft Ihnen dabei, den reibungslosen Betrieb der Originalhardware aufrechtzuerhalten.Es bleibt eine zuverlässige Wahl, wenn es auf Kompatibilität und Flexibilität ankommt.
Bitte senden Sie eine Anfrage, wir werden sofort antworten.
Das XC3042-100PC84C ist ein feldprogrammierbares Gatter auf CMOS-SRAM-Basis Array (FPGA).Es gehört zur XC3000-Familie und ermöglicht Ihnen die Definition benutzerdefinierte digitale Logik durch Laden der Konfigurationsdaten beim Einschalten.Dies Das bedeutet, dass Sie die Funktionsweise ändern können, ohne die Hardware austauschen zu müssen.
Er arbeitet in einem Bereich von 4,75 V bis 5,25 V, was dem Standard 5 V entspricht digitale Systeme.Dadurch ist es mit vielen älteren TTL und CMOS kompatibel Schaltkreise, die häufig in älteren Platinen zu finden sind.
Das Gerät bietet etwa 3000 nutzbare Logikgatter und umfasst 144 konfigurierbare Logikblöcke.Es verfügt außerdem über 74 für den Benutzer zugängliche I/O-Pins und über 30.000 Bit interner RAM zur temporären Datenspeicherung und Logikfunktionen.
Ja, das kann es.Da es eine SRAM-basierte Konfiguration verwendet, können Sie neue laden Konfigurationsdaten jedes Mal, wenn das System hochfährt.Dadurch sind Aktualisierungen möglich und Designänderungen ohne physischen Austausch des Chips.
Man findet es häufig in eingebetteten Systemen und industriellen Steuerungen Ausrüstung und Retro-Computing-Projekte.Es ist besonders nützlich, wenn Wartung oder Wiederherstellung von Hardware, die auf der XC3000-Architektur basiert.
auf 2026/02/18
auf 2026/02/16
auf 8000/04/18 147776
auf 2000/04/18 112020
auf 1600/04/18 111351
auf 0400/04/18 83777
auf 1970/01/1 79575
auf 1970/01/1 66964
auf 1970/01/1 63104
auf 1970/01/1 63041
auf 1970/01/1 54097
auf 1970/01/1 52189